
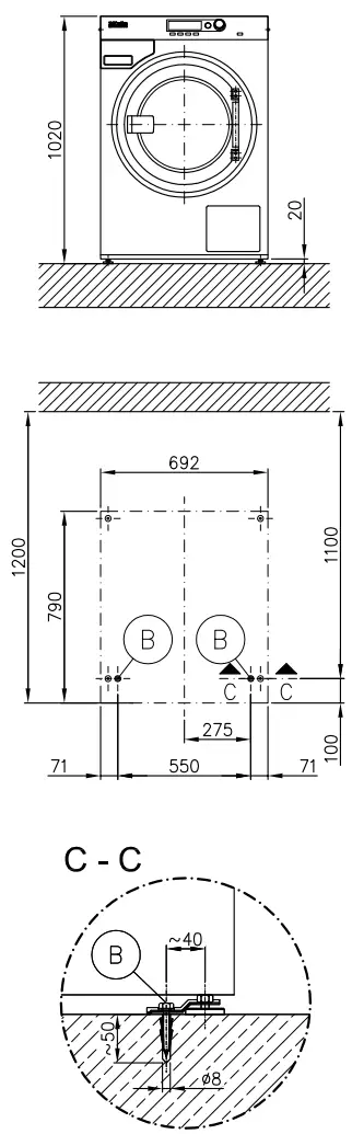
Installation plan
Washer-extractor

PW 5105 EL AV/LP




| Technical datasheet | ![]() |
| Washer-extractor: | PW 5105 AV/LP |
| Heating: | Electric (EL) |
Legend:
| Abbreviations in bold type: Connection required | |
| Abbreviations in circles with dashes: Connection optional or required depending on model version |
Optional extras:
| UM | Miele plinth | UO 5010 (UO = open plinth) | ||
| Height | mm | 305 | ||
| Width | mm | 684 | ||
| Depth | mm | 787 | ||
| UG 5010 box plinth | ||||
| Height | mm | 305 | ||
| Width | mm | 692 | ||
| Depth | mm | 788 | ||
| BS | Concrete plinth | The quality and density of concrete must comply with the load. Con- Crete plinth must be firmly secured to the floor! | ||
| Recommended height | mm | 300 | ||
| Minimum height | mm | 70 | ||
| Recommended width | mm | ≥700 | ||
| Recommended depth | mm | ≥800 |
Machine connections:
| 1. Standard voltage (as supplied) | V | 1N AC 230 |
| Frequency | Hz | 50 |
| Rated load | kW | 5.5 |
| Fuse rating | A | 1 × 25 |
| Supply lead cross-section | mm² | 3 × 2.5 |
| Length of supply lead | mm | 2000 |
| Supply lead without plug (supplied) |
Electrical connections must comply with national regulations.
Connection using multi-pole wall sockets in compliance with IEC/EN 60309 and IEC/EN 60947 is recommended in order to simplify electrical tests. If machines are hard-wired, a multi-pole mains switch must be provided on-site. Switches with a contact gap of more than 3 mm can be used. These include switches, fuses, and contactors (IEC/EN 60947). A wall socket or mains isolator must be easily accessible after installation.
Reinstallation of the supply point, changes to the equipment, or checks on the protective conductor, including determination of correct fuse rating, should only be performed by a properly trained electrician.
Machine data | Unit width | mm | 700 |
| Machine depth | mm | 827 | |
| Unit height | mm | 1020 | |
| Casing width | mm | 792 | |
| Casing depth | mm | 790 | |
| Minimum width of delivery access to the installation site | mm | 720 | |
| Minimum rear wall gap (measured to front of the machine) | mm | 1200 | |
| Wall gap (to the front of the machine) The minimum gap ensures sufficient space for maintenance and servicing. | mm | 1000 | |
| Net weight | kg | 148 | |
| Dynamic floor load, max. | N | 2750 | |
| Static floor load, max. | N | 1960 | |
| Dynamic load, max. | N | 790 | |
| Drum frequency, max. | Hz | 18 | |
| Average heat dissipation(dependent on ambient room temperature and program selected) | W | not yet available | |
| Sound pressure (re 20 MPA),workplace-related (at a distance of 1 m and height of 1.6 m) | dB (A) | <70 | |
| Installation should only be carried out by authorized fitters in accordance with valid regulations! Observe installation instructions when installing the machine! All rights reserved! Measurements in mm. | |||
Technisches Datenblatt/Technical datasheet: PW 5105 EL AV/LP
Datum/Date: 3517
![]() | Installation plan Waschmaschine/Washer PW 5105 EL AV/LP | Date | 01.12.2010 |
| Page | 6 | ||
| Name | DEBORD |



















