Miele PWM 908 DV Washing Machine

Product Information
- Product Name: Washing machine PWM 908 DV/DP
- Manufacturer: Miele
- Model Number: PWM 908
- Country Availability: Australia (en-AU), New Zealand (en-NZ)
- Dimensions: The specific dimensions are not mentioned in the extracted text.
- Technical Data:
- Drum Volume: 73 liters
- Load Capacity: 8.0 kg
- Door Opening Diameter: 300 mm
- Max. Spin Speed: 1600 rpm
- g Factor: 704
- Electrical Connection (EL):
- Standard Voltage (AU, NZ): 1N AC 230 V
- Frequency: 50 Hz
- Total Rated Load: 5.5 kW
- Fuse Rating: 1 x 25 A
- Supply Cable Min. Cross-Section: 3 x 2.5 mm
- Supply Cable with Plug: Yes
- Length of Supply Cable: 2000 mm
- Non-standard Voltages MAR 400/440/480 (Marine):
- Frequency: Not specified
- Total Rated Load: Not specified
- Fuse Rating: Not specified
- Supply Cable Min. Cross-Section: Not specified
- Supply Cable without Plug: Yes
- Length of Supply Cable: Not specified
- Non-standard Voltages MAR 230 (Marine):
- Frequency: Not specified
- Total Rated Load: Not specified
- Fuse Rating: Not specified
- Supply Cable Min. Cross-Section: Not specified
- Supply Cable without Plug: Yes
- Length of Supply Cable: Not specified
Product Usage Instructions
- Before installation and commissioning, it is essential to read the operating and installation instructions provided in the user manual to prevent personal injury and damage to the appliance.
- Ensure that you have the necessary connections based on the model:
- Connection Required:
- DV: Drain Valve
- AW: Waste Water Connection
- B: Appliance Anchoring
- DOS: Dispenser Connection
- EL: Electrical Connection
- F: Appliance Feet, Adjustable
- KG: Payment System
- KGA: Payment System Connection
- Connection Optional or Required, Depending on Model:
- KW: Cold Water Connection
- DP: Drain Pump
- PA: Equipotential Bonding
- SLA: Peak Load Connection
- APCL SST: Box Plinth
- APCL OB: Open Plinth
- APCL 001: Washer-Dryer Stacking Kit
- WW: Hot Water Connection
- XKM: Communication Module
- Connection Required:
- For installation, it is recommended to use wall spacers to make service work easier. However, if installation conditions limit space, the machine may be pushed against the wall.
- If you intend to stack the washer and dryer, the same recommendations for wall spacers apply.
Note: The specific dimensions and further installation instructions are not provided in the extracted text. Please refer to the complete user manual for detailed instructions on installation and usage.
Miele Australia Pty. Ltd.
ACN 005 635 398
ABN 96 005 635 398
Melbourne:
Level 4, 141 Camberwell Road Hawthorn East, VIC 3123 Telephone: 1300 731 411
[email protected]
www.miele.com.au/professional [email protected]
Miele New Zealand Limited
IRD 98 463 631
8 College Hill
Freemans Bay
Auckland 1011
New Zealand
Telephone: 0800 4 MIELE
(0800 464 353)
www.miele.com.au/professional [email protected]
Miele Global Headquarters: Miele & Cie. KG Carl-Miele-Straße 29, 33332 Gütersloh, Germany
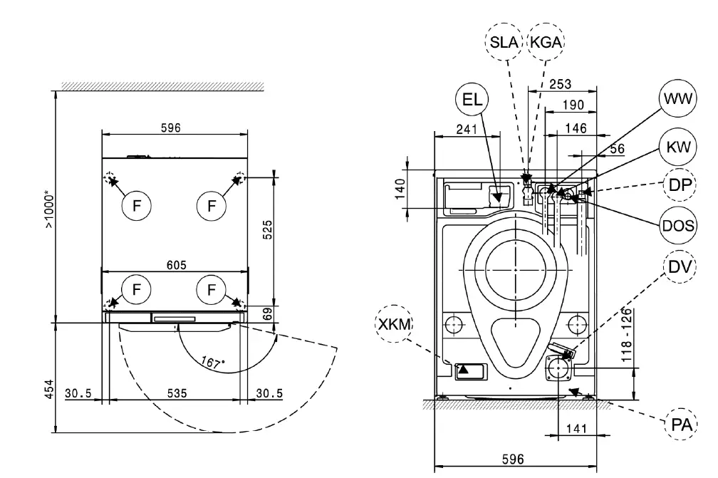
Legend:
Connection required
- DV Drain valve
- AW Waste water connection
- B Appliance anchoring
- BW Grey water connection
DOS Dispenser connection - EL Electrical connection
- F Appliance feet, adjustable
- KG Payment system
- KGA Payment system connection
Connection optional or required, depending on model
- KW Cold water connection
- DP Drain pump
- PA Equipotential bonding
- SLA Peak load connection
- APCL SST Box plinth
- APCL OB Open plinth
- APCL 001 Washer-dryer stacking kit
- WW Hot water connection
- XKM Communication module
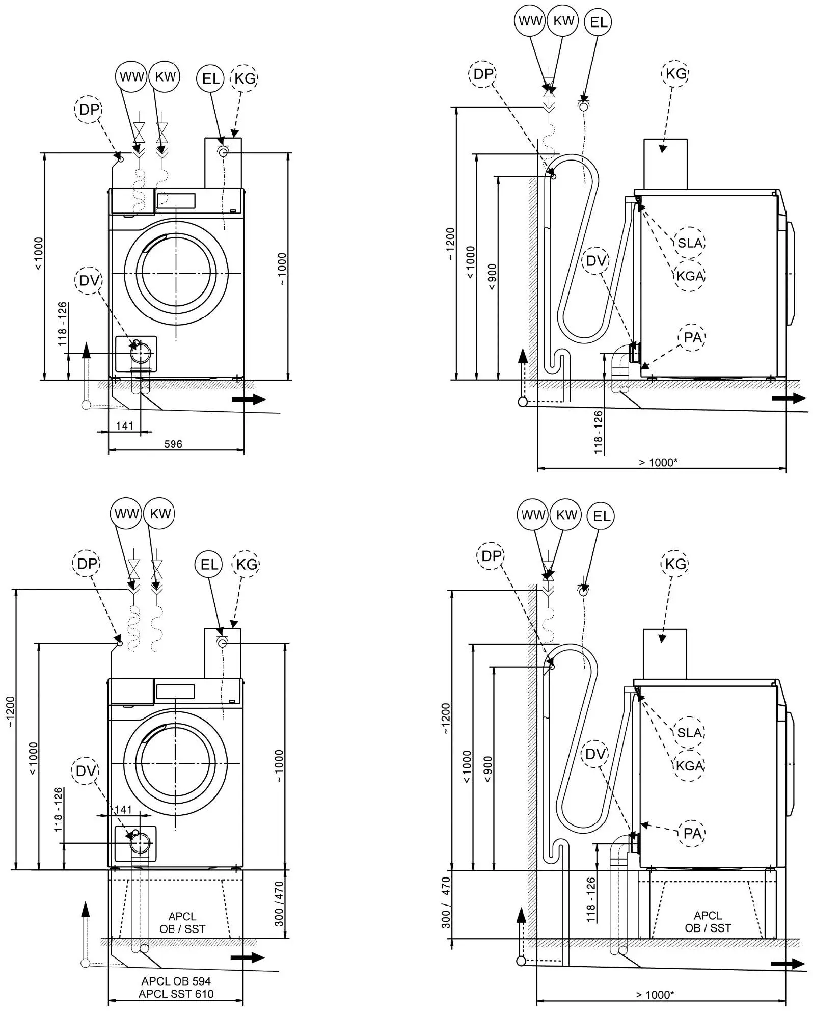
Appliance dimensions
The wall spacers are recommended for making service work easier. The machine may be pushed against the wall if installation conditions mean there is limited space.

Installation
* The wall spacers are recommended for making service work easier. The machine may be pushed against the wall if installation conditions mean there is limited space.

Washer-dryer stack
* The wall spacers are recommended for making service work easier. The machine may be pushed against the wall if installation conditions mean there is limited space.

The wall spacers are recommended for making service work easier. The machine may be pushed against the wall if installation conditions mean there is limited spac

The wall spacers are recommended for making service work easier. The machine may be pushed against the wall if installation conditions mean there is limited space.

Technical data
| PWM 908 DV | PWM 908 DP | ||
| Drum volume | l | 73 | 73 |
| Load capacity | kg | 8.0 | 8.0 |
| Door opening diameter | mm | 300 | 300 |
| Max. spin speed | rpm | 1600 | 1600 |
| g factor | 704 | 704 | |
| Electrical connection ( EL) | |||
| Standard voltage (AU, NZ) | 1N AC 230 V | 1N AC 230 V | |
| Frequency | Hz | 50 | 50 |
| Total rated load | kW | 5.5 | 5.5 |
| Fuse rating | A | 1 x 25 | 1 x 25 |
| Supply cable min. cross-section | mm² | 3 x 2.5 | 3 x 2.5 |
| Supply cable with plug | – | ⚫ | |
| Length of supply cable | mm | 2000 | 2000 |
| Standard voltage (AU, NZ) | – | 1N AC 230 V | |
| Frequency | Hz | – | 50 |
| Total rated load | kW | – | 2.85 |
| Fuse rating | A | – | 1 x 16 |
| Supply cable min. cross-section | mm² | – | 3 x 1.5 |
| Supply cable with plug | – | ⚫ | |
| Length of supply cable | mm | – | 2000 |
| Non-standard voltages MAR 400/440/480 (Marine) | – | 3 AC 400/440/480 V | |
| Frequency | Hz | – | 50/60 |
| Total rated load | kW | – | 3.6/4.2/5.0 |
| Fuse rating | A | – | 3 x 16 |
| Supply cable min. cross-section | mm² | – | 4 x 1.5 |
| Supply cable without plug | – | ˜ | |
| Length of supply cable | mm | – | 2000 |
| Non-standard voltages MAR 230 (Marine) | – | 3 AC 230 V | |
| Frequency | Hz | – | 60 |
| Total rated load | kW | – | 4.4 |
| Fuse rating | A | – | 3 x 16 |
| Supply cable min. cross-section | mm² | – | 4 x 1.5 |
| Supply cable without plug | – | ⚫ | |
| Length of supply cable | mm | – | 2000 |
| Cold water ( KW) | |||
| Permissible water flow pressure | kPa | 100–1000 | 100–1000 |
| Required flow rate (cold water connection only) | l/min | 11 | 11 |
| Required flow rate (with additional hot water connection) | l/min | 10 | 10 |
| Connection to be provided on site, external thread according to AS 3688 (flat seal) | Inch | ¾“ | ¾“ |
| Connection hose ½” with ¾” threaded union | ⚫ | ⚫ | |
| Connection hose length | mm | 1550 | 1550 |
| Hot water ( WW) | |||
| Max. water intake temperature | °C | 70 | 70 |
| Permissible water flow pressure | kPa | 100–1000 | 100–1000 |
| Required flow rate | l/min | 11 | 11 |
| Connection to be provided on site, external thread according to AS 3688 (flat seal) | Inch | ¾“ | ¾“ |
| Connection hose ½” with ¾” threaded union | ⚫ | ⚫ | |
| Connection hose length | mm | 1550 | 1550 |
| Drain valve ( DV) | |||
| Connection (ext. diameter) | mm | 75 (DN70) | – |
| Max. drainage temperature | °C | 90 | |
| Max. transient flow rate | l/min | 62 | – |
| PWM 908 DV | PWM 908 DP | ||
| Drain pump ( DP) | |||
| Hose connection (external diameter) | mm | – | 22 (DN22) |
| Max. drainage temperature | °C | – | 90 |
| On-site hose sleeve (int. diameter x length) | mm | – | 22 x 30 |
| Max. transient flow rate | l/min | – | 26 |
| Max. delivery head (from lower edge of machine) | mm | – | 1000 |
| Drain hose DN 22 with connector (supplied as standard) | – | ˜ | |
| Connection hose length | mm | – | 1500 |
| Equipotential bonding ( PA) | |||
| Appliance connection (separate kit required) | ⚫ | ⚫ | |
| XCI- Box / XCI- AD interface | ⚫ | ⚫ | |
| Peak load/ energy management ( SLA) | |||
| Appliance connection (with XCI-Box) | ⚫ | ⚫ | |
| Payment system connection ( KGA) | |||
| Connection of payment systems (with XCI-Box / XCI-AD) | ⚫ | ⚫ | |
| Communication module ( XKM) | |||
| Communication module XKM 3200 WL PLT | ⚫ | ⚫ | |
| Liquid dispensing ( DOS) | |||
| Connection for liquid detergents | ⚫ | ⚫ | |
| Max. number of dispenser pumps | No. | 6 | 6 |
| XCI-Box interface | ⚫ | ⚫ | |
| Installation on appliance feet ( F) | |||
| No. of appliance feet | No. | 4 | 4 |
| Appliance foot, height-adjustable with thread | mm | +8 | +8 |
| Appliance foot diameter | mm | 40 | 40 |
| Anchoring ( B) | |||
| Standard anchoring | |||
| Floor anchor kit (for 2 machine feet) with anchors | ⚫ | ⚫ | |
| Wood screws according to DIN 571 | mm | 6 x 50 | 6 x 50 |
| Wall plugs (diameter x length) | mm | 8 x 40 | 8 x 40 |
| Anchoring of Miele plinths | |||
| Accessory: Miele plinth (fasteners included) | ⚫ | ⚫ | |
| Required anchor points | No. | 4 | 4 |
| Wood screws according to DIN 571 | mm | 8 x 65 | 8 x 65 |
| Wall plugs (diameter x length) | mm | 12 x 60 | 12 x 60 |
| Plinth floor anchoring (to be provided on site) | |||
| Appliance installation on on-site base (concrete or masonry) | ⚫ | ⚫ | |
| Min. plinth installation footprint (W/D) | mm | 600/650 | 600/650 |
| Wood screws according to DIN 571 | mm | 6 x 50 | 6 x 50 |
| Wall plugs (diameter x length) | mm | 8 x 40 | 8 x 40 |
Installation and planning notes
Installation requirements
Electrical connection should only be made to a power supply provided in accordance with all appropriate local and national legislation and regulations.
In addition, all regulations issued by the relevant utilities as well as standards relating to occupational safety and all applicable valid regulations and technical standards must be observed.
Transportation and site access
The washing machine must not be moved without the transit bars in place. Keep the transit bars in a safe place. They must be re-fitted if the machine is to be moved again (e.g. when moving house).
General operating conditions
Ambient temperature in installation room: +2 °C to +35 °C.
Depending on the nature of the installation site, sound emissions and vibration may occur. Miele recommends consulting a specialist if particular requirements apply at the installation site with respect to sound emissions.
Electrical connection
Depending on the model, the machine is delivered with a supply lead with/without a plug.
The appliance may only be connected to an electrical system that conforms to the national and local codes and regulations. The installation must be performed by a suitably qualified and competent electrician.
The data plate indicates the nominal power consumption and the appropriate fuse rating. Compare the specifications on the data plate with those of the electrical power supply.
The appliance can either be hard-wired or connected using a plug-and-socket connection. It is always recommended to connect the machine via a plug and socket so that electrical safety checks, e.g. during repair or service work, can be carried out easily.
If the appliance is hard wired, an all-pole disconnection must be provided on site. The means of disconnection must be incorporated in the fixed wiring in accordance the wiring rules. When switched off, there must be an all-pole contact gap of at least 3 mm in the isolator switch (including circuit breakers, fuses, and relays according to
AS/NZS 3000).
The plug connector or isolator switch should be easily accessible at all times. If the appliance is disconnected from the electricity supply, the isolator must be lockable or the point of disconnection must be monitored at all times.
New connections, modifications to the system or servicing of the earthing conductor, including determining the correct fuse amperage, must be carried out by a qualified electrician, as they are familiar with the pertinent regulations and the specific requirements of the electric utility company.
The washing machine must not be connected to devices such as timers which would switch it off automatically.
References to cable cross-sections in the technical data refer only to the required mains cable. Please consult relevant local and national regulations when calculating any other wire gauges.
Cold water connection
The washing machine must be connected to the mains water supply in accordance with current local and national safety regulations and via a non-return valve, which is supplied separately with the machine.
Connection to the mains water supply should incorporate a mains tap with a threaded union. The tap should be fitted by a qualified plumber.
A suitable connection hose with a threaded union is provided with the machine.
Longer hoses (2.5 or 4.0 m in length) are available from Miele as separate parts (available depending on country).
Hot water connection
The same connection requirements as for cold water also apply to hot water (max. 70 °C).
A suitable connection hose with a threaded union is provided with the machine.
The hot water connection appliance also requires a cold water connection.
In the event that hot water is not available on site, connection of the second hose must be made to a cold water supply.
Alternatively, the hot water connection should be blocked using the enclosed blind stopper and the machine controls set to cold water intake.
The required amount of hot water should be added to the cold water volume.
Drain valve
The washing machine is drained using a motorized drain valve. The machine can be connected directly to the on-site drainage system
(without a siphon) using a commercially available angle connector, or via a floor drain (gully with odour trap).
A vented drainage system is vital for unimpeded drainage. If on-site venting is insufficient, a vent kit (Mat. no. 05 239 540) is available from Miele.
If several machines are connected to a single drain pipe, this should be sufficiently large to allow all machines to drain simultaneously.
Drain pump (depending on model)
The suds are drained through a drain pump with a 1 m delivery head. For the water to drain freely, the hose must be free of kinks.
Drain hose connection options
- Connected securely to a trapped waste pipe.
- Connected over the rim of the laundry trough or into the sud-saver pipe of the laundry trough.
- Connected securely to a floor drain (gully).
Connecting the drain hose to a laundry trough or wash tub drain outlet
The drain hose with the non-return valve fitted can be connected securely to a suitable wash tub drain outlet.

If required, the hose can be extended to a length of up to 5 m. The necessary parts can be ordered from Miele (depending on country).
For a delivery head of more than 1 m (up to a max. of 1.6 m) a replacement drain pump will need to be fitted. Please contact Miele for advice.
Waste water discharge from commercial clothes washing machines may require pre-treatment as determined by the utility operator.
Equipotential bonding
If necessary, equipotential bonding with good galvanic contact must be guaranteed in compliance with all applicable local and national installation specifications.
Connection material for equipotential bonding must be provided on site or using a kit available from Miele.
Peak load/energy management
The appliance can be connected to a peak-load or energy management system using an optional kit.
When the peak load function is activated, the heating is switched off. A message appears in the display to inform you of this.
Liquid dispensing connection
External liquid dispenser pumps with a “container empty” indicator can be used to dispense liquid detergents.
The dispenser pumps can only be programmed with MDU.
It is particularly important to observe the manufacturer’s instructions when using a combination of detergents, additives and special-purpose products.
Payment system
This washing machine can be fitted with a single-machine payment system as an optional accessory using an optional kit (XCI-Box / XCI-AD).
The programming required for connecting a payment system can be carried out during the initial commissioning process. After initial commissioning, changes can only be made by your Miele dealer or by Miele Professional Service.
Interface
The appliance can be fitted with an XKM 3200 WL PLT communication module.
This module can be used as a Wi-Fi or LAN interface.
The LAN interface provided via the module complies with
AS/NZS 60950. The LAN connection uses an RJ45 connector in accordance with EIA/TIA 568-B.
Installation
The machine must be installed on a perfectly smooth, level and firm surface which is able to withstand the quoted loads.
The floor load created by the machine is concentrated and transferred to the installation footprint via the machine feet.
The machine should be levelled in both directions with the aid of the adjustable feet.
Plinth installation
The washing machine can be installed on a machine plinth (open or box plinth, available as an optional Miele accessory) or on a concrete platform to be provided on site.
The quality of the concrete and its strength must be assessed according to the machine load. Ensure that any raised concrete plinth is adequately bonded to the floor below.
If the washing machine is installed on a concrete or masonry plinth, it must be secured using the anchors supplied with the machine. Otherwise, there is the danger of the washing machine falling off the plinth during spinning.

The anchors provided can be used to bolt the machine to the floor by both front feet. The fixing material provided is intended to be used for bolting the machine to a concrete floor.
Washer-dryer stack
This washing machine can be installed with a Miele tumble dryer on top of it. A stacking kit (optional accessory) is required for this.
The stacking kit must be installed by Miele Professional Service or an authorized Miele service technician.




















