
Installation Plan
Washing Machine

PWM 908 DP
Always read the operating and installation instructions before setting up, installing, and commissioning the machine. This prevents both personal injury and damage to the machine.
Legend:
| Connection required | |
| DV | Drain valve |
| AW | Drain connection |
| B | Machine anchoring |
| DOS | Dispenser connection |
| EL | Electrical connection |
| F | Machine feet, adjustable |
| KG | Payment system |
| KGA | Payment system connection |
| Connection optional or required, depending on model | |
| KW | Cold water connection |
| DP | Drain pump |
| PA | Equipotential bonding and grounding |
| SLA | Peak-load connection |
| APCL SST | Closed plinth |
| APCL OB | Open plinth |
| APCL 001 | Washer-dryer stacking kit |
| WW | Hot water connection |
| XKM | Communication module |
All rights reserved.
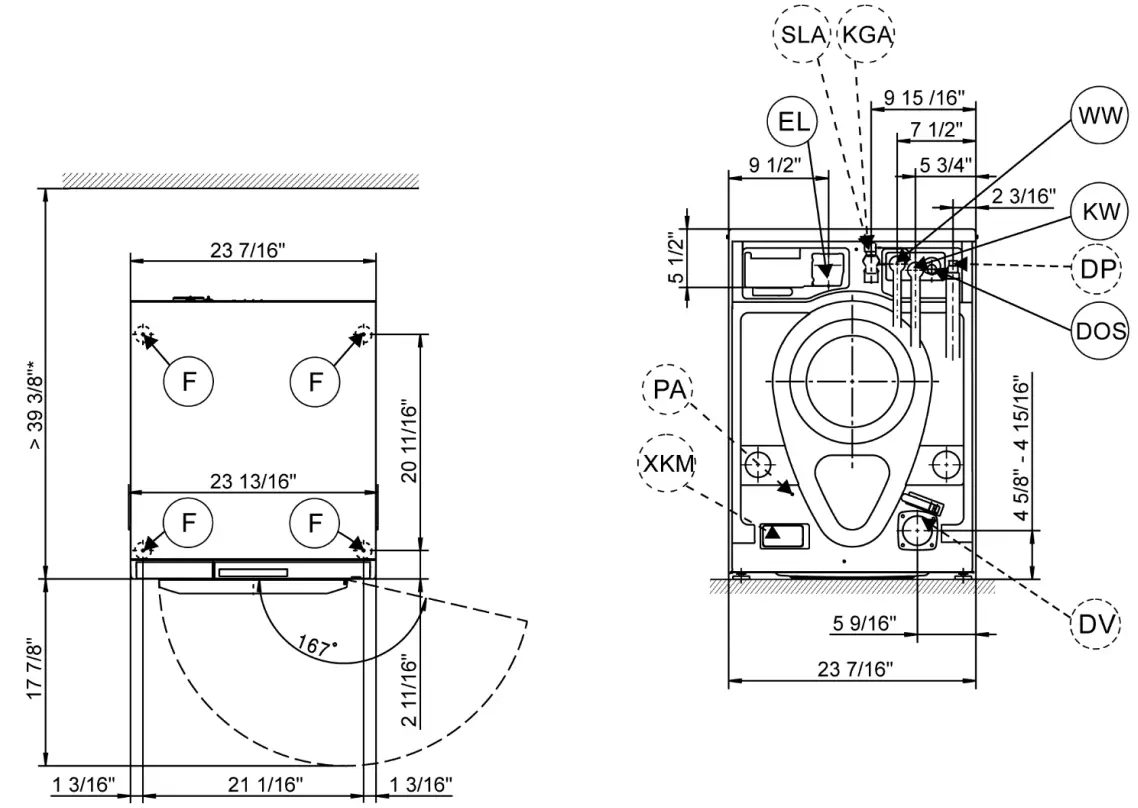
Machine dimensions – measurements in inches-
* The distances between the machine and the wall are recommendations to help make it easier to carry out service work. If installation space is limited, the machine can also be pushed up against the wall.


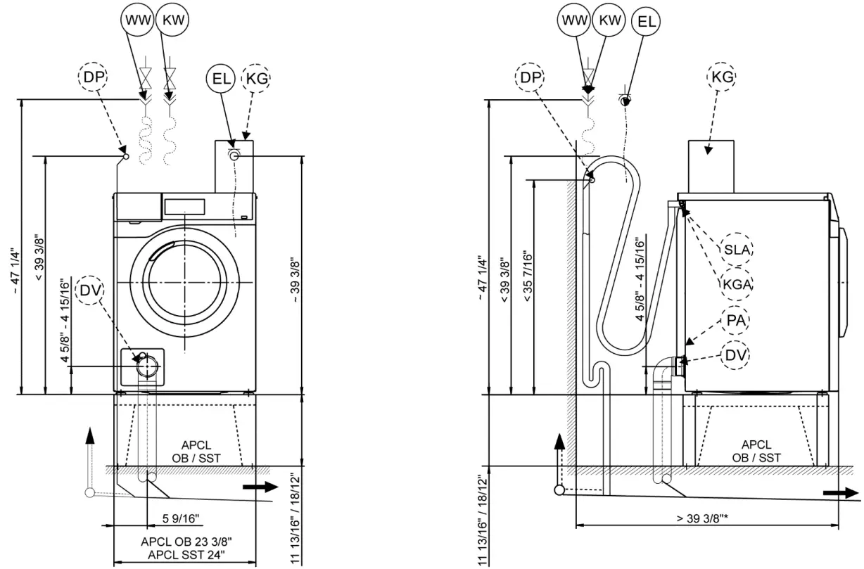
Installation -measurements in inches-
* The distances between the machine and the wall are recommendations to help make it easier to carry out service work. If installation space is limited, the machine can also be pushed up against the wall.


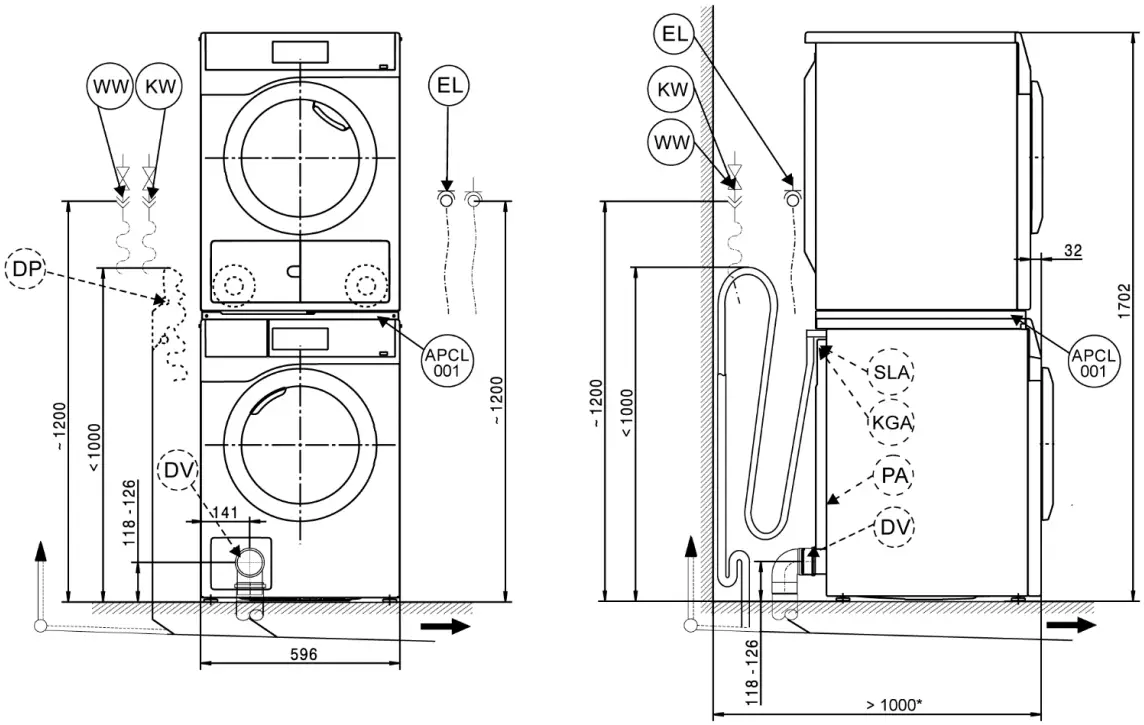
Washer-dryer stack -measurements in inches-
* The distances between the machine and the wall are recommendations to help make it easier to carry out service work. If installation space is limited, the machine can also be pushed up against the wall.


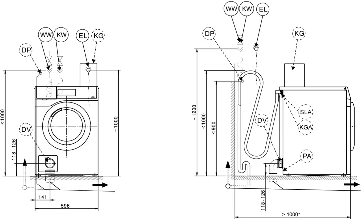
Installation -measurements in inches-
* The distances between the machine and the wall are recommendations to help make it easier to carry out service work. If installation space is limited, the machine can also be pushed up against the wall.


Installation -measurements in inches-
* The distances between the machine and the wall are recommendations to help make it easier to carry out service work. If installation space is limited, the machine can also be pushed up against the wall.


Machine dimensions – measurements in millimeters-
* The distances between the machine and the wall are recommendations to help make it easier to carry out service work. If installation space is limited, the machine can also be pushed up against the wall.


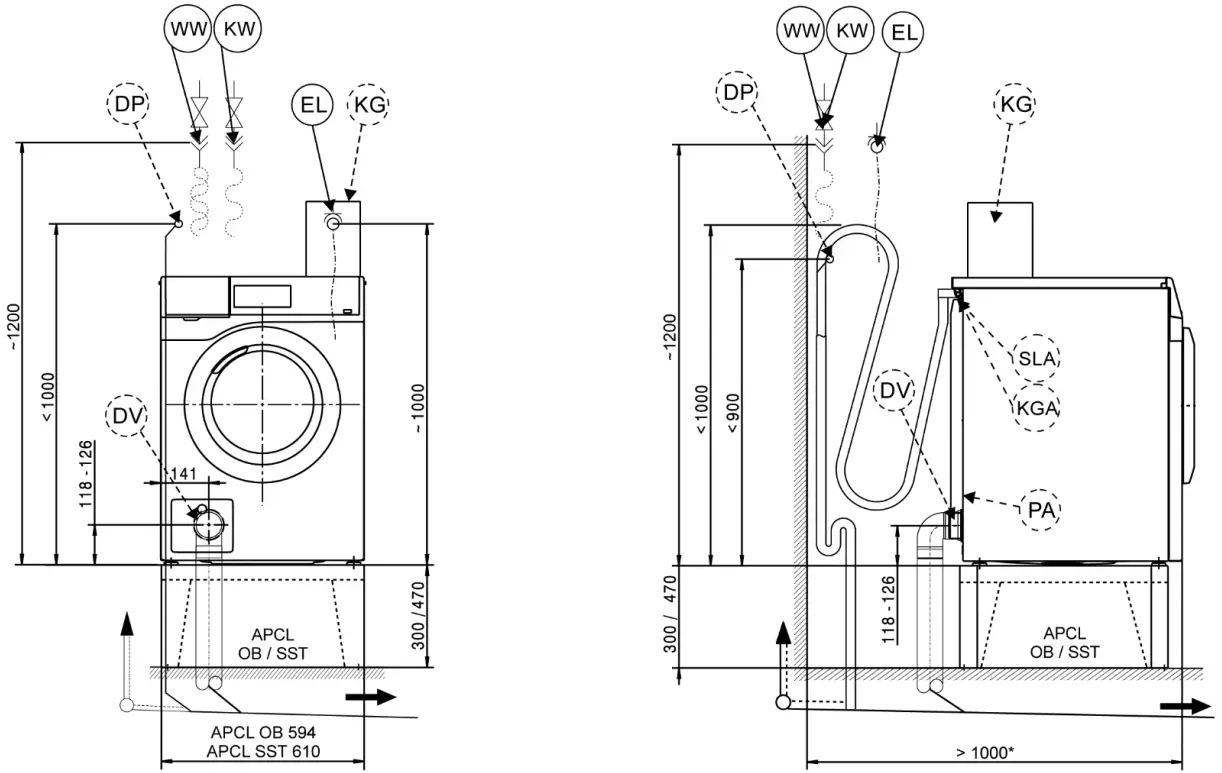
Installation -measurements in millimeters-
* The distances between the machine and the wall are recommendations to help make it easier to carry out service work. If installation space is limited, the machine can also be pushed up against the wall.


Washer-dryer stack -measurements in millimeters-
* The distances between the machine and the wall are recommendations to help make it easier to carry out service work. If installation space is limited, the machine can also be pushed up against the wall.


Installation -measurements in millimeters-
* The distances between the machine and the wall are recommendations to help make it easier to carry out service work. If installation space is limited, the machine can also be pushed up against the wall.


Installation -measurements in millimeters-
* The distances between the machine and the wall are recommendations to help make it easier to carry out service work. If installation space is limited, the machine can also be pushed up against the wall.


Technical data
| PWM 908 DP | PWM 908 DP | |
| Drum volume | 19.3 gal | 73 l |
| Capacity | 17.6 lb | 8.0 kg |
| Door opening diameter | 11 13/16″ | 300 mm |
| Max. spin speed | 1,500 rpm | 1,500 rpm |
| g-factor | 613 | 613 |
| Residual moisture (standard load according to DIN 60456) | 48% | 48% |
El ectr i cal co nn ectio n (EL )
| Standard voltage for CDN & USA | 2 AC 208-240 V | 2 AC 208-240 V |
| Frequency | 60 Hz | 60 Hz |
| Total rated load | 4.0 – 5.2 kW | 4.0 – 5.2 kW |
| Fuse rating | 2 x 30 A | 2 x 30 A |
| Power cord min. cross-section | 3 x AWG10 | 3 x AWG10 |
| Wire with plug NEMA L6-30 | ˜ | ˜ |
| Wire length | 78 3/4″ | 2,000 mm |
| Non-standard voltage MAR 208-240 (Marine) | 2 AC 208-240 V | 2 AC 208-240 V |
| Frequency | 60 Hz | 60 Hz |
| Total rated load | 4.0 – 5.2 kW | 4.0 – 5.2 kW |
| Fuse rating | 2 x 30 A | 2 x 30 A |
| Power cord min. cross-section | 3 x AWG10 | 3 x AWG10 |
| Wire with plug NEMA L6-30 | ˜ | ˜ |
| Wire length | 78 3/4″ i | 2,000 mm |
C ol d w ater (KW )
| Permissible water flow pressure | 14.5 – 145 PSI | 100 – 1,000 kPa |
| Required flow rate (cold water connection only) | 2.9 gal/min | 11 l/min |
| Required flow rate (with additional hot water connection) | 10 l/min | |
| Average water consumption (60°C standard programme) | 10.5 gal/h | 40 l/h |
| Connection to be provided on-site, external thread according to DIN 44991 (flat seal) | ¾” | ¾” |
| Connection hose ½” with ¾” threaded union | ˜ | |
| Connection hose length | 61″ | 1,550 mm |
H o t w ater (WW )
| Max. water intake temperature | 158 °F | 70 °C |
| Permissible water flow pressure | 14.5 – 145 PSI | 100 – 1,000 kPa |
| Required flow rate | 2.9 gal/min | 11 l/min |
| Average water consumption (60°C standard programme) | 3.4 gal/h | 13 l/h |
| Connection to be provided on site, external thread according to DIN 44991 (flat seal) | ¾” | ¾” |
| Connection hose ½” with ¾” threaded union | ˜ | ˜ |
| Connection hose length | 61″ | 1,550 mm |
D r ain p u mp (D P)
| Hose connection (external diameter) | 7/8″ | 22 / DN22 mm |
| Max. drainage temperature | 194 °F | 90 °C |
| On-site hose sleeve (int. diameter x length) | 22 x 30 mm | 22 x 30 mm |
| Max. transient flow rate | 6.8 gal/min | 26 l/min |
| Max. delivery head (from the lower edge of the machine) | 39 3/8″ | 1,000 mm |
| Drain hose DN 22 with connector (supplied as standard) | ˜ | ˜ |
| Connection hose length | 59 1/16″ | 1,500 mm |
Po ten ti al eq u al in ration (PA)
| Machine connection (separate kit required) | | |
F each r es available via the XC I bo x accessory
| Peak load/energy management | š | š |
| Payment system connection | š | š |
| Liquid dispensing (DOS) | š | š |
| Possible no. of dispensing pumps | 1 – 6 | 1 – 6 |
= standard, = optional, + = only on request, – not available
Technical data
I n stall atio n on mach in e feet (F )
| PWM 908 DP | PWM 908 DP | |
| No. of machine feet | 4 No. | 4 No. |
| Machine foot, height-adjustable with thread | +5/16″ | +8 mm |
| Machine foot diameter | 1.57” | 40 mm |
A ch o ring (B )
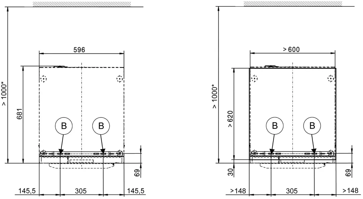
Standard floor anchoring
| Floor anchor kit (for 2 machine feet) with anchors | ˜ | ˜ |
| Wood screws according to DIN 571 | 6 x 50 mm | 6 x 50 mm |
| Rawl plugs (diameter x length) | 8 x 40 mm | 8 x 40 mm |
Anchoring of Miele Plinths
| Accessory: Miele Plinth installation (fasteners included) | š | š |
| Required anchor points | 4 No. | 4 No. |
| Wood screws according to DIN 571 | 8 x 65 mm | 8 x 65 mm |
| Rawl plugs (diameter x length) | 12 x 60 mm | 12 x 60 mm |
Plinth floor anchoring (to be provided on site)
| Machine installation on on-site plinth (concrete or masonry) | š | š |
| Min. plinth installation footprint (W/D) | 23 5/8″/25 9/16″ | 600/650 mm |
| Wood screws according to DIN 571 | 6 x 50 mm | 6 x 50 mm |
| Rawl plugs (diameter x length) | 8 x 40 mm | 8 x 40 mm |
Mach i n e d ata
| Overall machine dimensions (H/W/D) | 33 15/32″/23 13/16″/28 7/64″ | 850/605/714 mm |
| Casing dimensions (H/W/D) | 33 15/32″/23 7/16″/26 11/16″ | 850/596/678 mm |
Site-access dimensions (H/W)
| Min. site-access opening (excl. packaging) | 35 7/16″/23 13/16″ | 900/605 mm |
Installation dimensions
| Side gap | 13/16″ | 20 mm |
| Recommended side gap – washer-dryer stack | >11 13/16″ | >300 mm |
| Recommended distance to the opposite wall from the front of the machine | 39 3/8″ | 1,000 mm |
Weights and floor loads
| Machine weight (net weight) | 227 lb | 103 kg |
| Max. floor load in operation | 2,820 N | 2,820 N |
| Max. floor load, static | 1,380 N | 1,380 N |
| Max. floor load, dynamic | 1,365 N | 1,365 N |
Emissions
| Sound pressure level (in accordance with EN ISO 11204/11203) | <70 dB(A) | <70 dB(A) |
| Heat dissipation rate to installation site | 250 W | 250 W |
Installation and planning notes
Installation requirements
The machine should only be connected to a power supply provided in accordance with all appropriate local and national legislation and regulations. In addition, all regulations issued by the appropriate utilities as well as standards relating to occupational safety and all applicable valid regulations and technical standards must be observed.
Transportation and site access
The washing machine must not be moved without the shipping struts in place. Keep the struts in a safe place. They must be refitted if the machine is to be moved again (e.g., when moving house).
General operating conditions
Ambient temperature in installation room: +36°F to +95°F (+2°C to +35°C). Depending on the nature of the installation site, sound emissions and vibration may occur. Miele recommends having the installation site inspected and seeking the advice of a professional in instances where increased noise may cause a nuisance.
Electrical connection
Depending on the model, the machine will be delivered with a wire with/without a plug. The machine may only be connected to an electrical system that conforms to national and local codes and regulations. This connection must be made by a qualified electrician. The data tag indicates the nominal power consumption and the appropriate fuse rating. Compare the specifications on the data tag with those of the electrical power supply. The machine can either be hard-wired or connected using a plug-and-socket connection in accordance with IEC 60309-1. Miele always recommends connecting the machine via a plug and socket so that electrical safety checks can be carried out easily (during repair or service work, for example). If the machine is hard-wired, a dual circuit breaker must be provided on-site. When switched off, there must be an all-pole contact gap of at least 3 mm in the isolator switch (including circuit breakers, breakers, and relays according to IEC/EN 60947). The plug connector or isolator switch should be easily accessible at all times. If the machine is disconnected from the electricity supply, the isolator must be lockable or the point of disconnection must be monitored at all times. New connections, modifications to the system, or servicing of the ground conductor, including determining the correct fuse rating, must be carried out by a qualified electrician, as they are familiar with the pertinent regulations and the specific requirements of the electric utility company.
If converting the machine to an alternative voltage, follow the instructions in the wiring diagram. The conversion must be performed by Miele Technical Service or by an authorized service technician. The heater rating must also be adapted.
References to cable cross-sections in the technical data refer only to the required power cord. Please consult relevant local and national regulations when calculating any other wire gauges.
Coldwater connection
The washing machine should be connected to a domestic water supply in accordance with current local and national safety regulations. Connection to the water supply should be carried out by a qualified plumber using a stopcock with a threaded union. If a stopcock is not available, the qualified plumber should connect the machine to the domestic water supply. A suitable connection hose with a threaded union is supplied with the machine. Longer hoses 8′ 2 1/2″ or 13′ 1 1/2″ (2.5 m or 4.0 m) in length are available from Miele Technical Service or from your Miele dealer as accessories.
Hot water connection
The same connection requirements as for cold water also apply to hot water (max. 158°F/70°C). A suitable connection hose with a threaded union is supplied with the machine.
The hot water connection appliance also requires a cold water connection.
In the event that hot water is not available on-site, the connection of the second hose must be made to a cold water supply. Alternatively, the hot water connection should be blocked using the enclosed blind stopper and the machine controls set to cold water intake. The required amount of hot water should be added to the cold water volume.
Drain valve (depending on model)
The machine is drained using a motorized drain valve. It can be connected directly to the on-site drainage system (without a siphon) or via a floor drain (gully with odor trap). A vented drainage system is vital for unimpeded drainage. If on-site venting is insufficient, a vent kit (mat. no. 05 239 540) is available from your Miele dealer or Miele Technical Service. If several machines are connected to a single drain pipe, this should be sufficiently large to allow all machines to drain simultaneously.
Drain pump (depending on model)
The suds are drained through a drain pump with a 1 m delivery head. For the water to drain freely, the hose must be installed free of kinks.
Drainage options:
- Connected securely to a plastic drain pipe with a rubber nipple (there is no need to use a siphon).
- Connected securely to a sink with a plastic nipple.
- Connected securely to a floor drain.
Connecting the drain hose to a sink drain outlet
The drain hose can be connected securely to a suitable sink drain outlet.

If required, the hose can be extended to a length of up to 16.4 ft (5 m). Accessories are available from your Miele dealer or Miele Technical Service. For a drain height of more than 3′ 3 3/8″ (1 m) up to a max. of 1.6 m), a replacement drain pump is available from Miele Technical Service or your Miele dealer.
Equipotential bonding and grounding
If necessary, an equipotential bond with a good contact connection must be provided in accordance with all appropriate national and local regulations. Material for equipotential bonding and grounding must be provided on-site or using a kit available from Miele Technical Service.
Peak load/Energy management
The machine can be connected to a peak-load or energy management system using an optional kit. When the peak-load function is activated, the heating is deactivated. A message appears in the display to inform you of this.
Liquid dispensing connection
External liquid dispenser pumps with a “container empty” indicator can be used to dispense liquid detergents.
The dispenser pumps can only be programmed with MDU.
It is particularly important to follow the manufacturer’s instructions when using a combination of detergents, additives, and special-purpose products.
Payment system
This washing machine can be equipped with a single-machine payment system as an optional accessory using an optional kit (XCI box / XCI AD). The programming required for connecting a payment system can be carried out during the initial commissioning process. After initial commissioning, changes may only be carried out by your Miele dealer or Miele Technical Service.
Interface
The machine can be retrofitted with a KXM 3200 WL PLT communication module. This module can be used as a WiFi or LAN interface. The LAN interface provided via the module complies with SELV (Safety Extra Low Voltage) in accordance with EN 60950. Connected appliances must also comply with SELV. The LAN connection uses an RJ45 connector in accordance with EIA/TIA 568-B.
Installation
The machine must be installed on a perfectly smooth, level, and firm surface which is able to withstand the quoted loads. The floor load created by the machine is concentrated and transferred to the installation footprint via the machine’s feet. The machine should be leveled in both directions with the aid of adjustable feet.
Plinth installation
The washing machine can be installed on a machine plinth (open or box plinth, available as an optional Miele accessory) or on a concrete plinth to be provided on-site. The quality of the concrete and its strength must be assessed according to the machine load. Ensure that any raised concrete plinth is adequately bonded to the floor below. If the washing machine is installed on a concrete or masonry plinth, it must be secured using the anchors supplied with the machine. Otherwise, there is a risk of the washing machine moving about during spinning and falling off the plinth.
The anchors provided can be used to bolt the machine to the floor by both front feet. The fasteners provided are intended for use in bolting the machine to a concrete floor.
Washer-dryer stack
The washing machine can be installed as a washer-dryer stack together with a Miele Tumble Dryer. A stacking kit (optional accessory) is required for this. Installation of the stacking kit must be performed by Miele Technical Service or an authorized Miele service technician.
Please have the model and a serial number of your machine available when contacting Technical Service.
The U.S.A.
Miele, Inc.

National Headquarters 9 Independence Way
Princeton, NJ 08540
Phone: 800-991-9380
Fax: 609-419-4241
www.mieleusa.com/professional
[email protected]
Technical Service & Support
Phone: 800-991-9380
Fax: 800-220-1348
[email protected]
Miele & Cie. KG
Carl-Miele-Straße 29, 33332 Gütersloh, Germany



















