Miele PWM 908 DP Front Load Washing Machine 
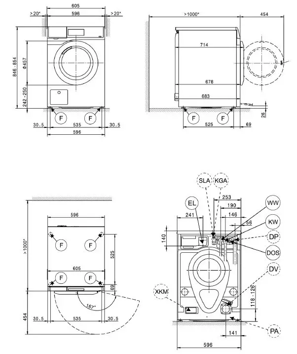
Machine dimensions
- The distances between the machine and the wall are recommendations to help make it easier to carry out service work. If installation space is limited, the machine can also be pushed up against the wall.

Installation
- The distances between the machine and the wall are recommendations to help make it easier to carry out service work. If installation space is limited, the machine can also be pushed up against the wall.

Washer-dryer stack
- The distances between the machine and the wall are recommendations to help make it easier to carry out service work. If installation space is limited, the machine can also be pushed up against the wall.

Installation
- The distances between the machine and the wall are recommendations to help make it easier to carry out service work. If installation space is limited, the machine can also be pushed up against the wall.

- The distances between the machine and the wall are recommendations to help make it easier to carry out service work. If installation space is limited, the machine can also be pushed up against the wall.

Technical data
| Drum volume | l | 73 (2.58 ft3) |
| Capacity | kg | 9.0 (20 lb) |
| Door opening diameter | mm | 300 (11 13/16 in) |
| Max. spin speed | rpm | 1,600 |
| g factor | 613 | |
| Residual moisture (standard load according to DIN 60456) | % | 48 |
| Electrical connection ( EL) | ||
| Standard voltage (CDN & USA only) | 2 AC 208–240 V | |
| Frequency | Hz | 60 |
| Total rated load | kW | 4.0–5.2 |
| Fuse rating | A | 2 x 30 |
| Supply cable min. cross-section | 3 x AWG10 | |
| Supply cable with plug type NEMA L6–30 | ˜ | |
| Length of supply cable | mm | 2,000 (6.5 ft) |
| Non-standard voltage MAR 208–240 (Marine) | 2 AC 208–240 V | |
| Frequency | Hz | 60 |
| Total rated load | kW | 4.0–5.2 |
| Fuse rating | A | 2 x 30 |
| Supply cable min. cross-section | 3 x AWG10 | |
| Supply cable with plug type NEMA L6–30 | ˜ | |
| Length of supply cable | mm | 2,000 |
| Cold water ( KW) | ||
| Permissible water flow pressure | kPa | 100–1,000 (14.5–145 psi) |
| Required flow rate (cold water connection only) | l/min | 11 (2.9 gal/min) |
| Required flow rate (with additional hot water connection) | l/min | 10 (2.6 gal/min) |
| Average water consumption (60°C standard program) | l/h | 40 (10.6 gal) |
| Connection to be provided on site, external thread according to DIN 44991 (flat seal) | Inches | ¾” Male Garden Hose Thread |
| Connection hose ½” with ¾” threaded union | ˜ | |
| Connection hose length | mm | 1,550 (5 ft) |
| Hot water ( WW) | ||
| Max. water intake temperature | °C | 70 (158°F) |
| Permissible water flow pressure | kPa | 100–1,000 (14.5–145 psi) |
| Required flow rate | l/min | 11 (2.9 gal/min) |
| Average water consumption (60°C standard program) | l/h | 13 (3.4 gal/h) |
| Connection to be provided on site, external thread according to DIN 44991 (flat seal) | Inches | ¾” Male Garden Hose Thread |
| Connection hose ½” with ¾” threaded union | ˜ | |
| Connection hose length | mm | 1,550 (5 ft) |
| Drain pump ( DP) | ||
| Hose connection (external diameter) | mm | 22 (DN22) |
| Max. drainage temperature | °C | 90 (195°F) |
| On-site hose sleeve (int. diameter x length) | mm | 22 x 30 (7/8 x 1 3/16 in) |
| Max. transient flow rate | l/min | 26 (6.8 gal/min) |
| Max. delivery head (from lower edge of machine) | mm | 1,000 (3.3 ft) |
| Drain hose DN 22 with connector (supplied as standard) | ˜ | |
| Connection hose length | mm | 1,500 (5 ft) |
| Potential equalization ( PA) | ||
| Machine connection (separate kit required) | š | |
| Features available via the XCI – Box accessory | ||
| Peak load/energy management | š | |
| Payment system connection | š | |
| Liquid dispensing (DOS) | š | |
| Possible no. of dispensing pumps | 1–6 | |
| Technical data |
PWM 908 DP | |
| Installation on machine feet ( F) | ||
| No. of machine feet | No. | 4 |
| Machine foot, height-adjustable with thread | mm | +8 (+ 5/16 in) |
| Machine foot diameter | mm | 40 (1 9/16 in) |
| Anchoring ( B) | ||
| Standard floor anchoring | ||
| Floor anchor kit (for 2 machine feet) with anchors | ˜ | |
| Wood screws according to DIN 571 | mm | 6 x 50 (1/4 x 2 in) |
| Rawl plugs (diameter x length) | mm | 8 x 40 (5/16 x 1 9/16 in) |
| Anchoring of Miele bases | ||
| Accessory: Miele base installation (fasteners included) | š | |
| Required anchor points | No. | 4 |
| Wood screws according to DIN 571 | mm | 8 x 65 (5/16 x 2 9/16 in) |
| Rawl plugs (diameter x length) | mm | 12 x 60 (1/2 x 2 3/8 in) |
| Base floor anchoring (to be provided on site) | ||
| Machine installation on on-site base (concrete or masonry) | š | |
| Min. base installation footprint (W/D) | mm | 600/650 (23 5/8 / 25 9/16 in) |
| Wood screws according to DIN 571 | mm | 6 x 50 (1/4 x 2 in) |
| Rawl plugs (diameter x length) | mm | 8 x 40 (5/16 x 1 9/16 in) |
| Machine data | ||
| Overall machine dimensions (H/W/D) | mm | 850/605/714 (33 15/32 / 23 13/16 / 28 1/8 in) |
| Casing dimensions (H/W/D) | mm | 850/596/678 (33 7/16 / 23 7/16 / 26 11/16 in) |
| Site-access dimensions (H/W) | ||
| Min. site-access opening (excl. packaging) | mm | 900/605 (35 7/16 / 23 13/16 in) |
| Installation dimensions | ||
| Side gap | mm | 20 (13/16 in) |
| Recommended side gap – washer-dryer stack | mm | 300 (11 13/16 in) |
| Recommended distance to opposite wall from front of machine | mm | 1,000 (39 3/8 in) |
| Weights and floor loads | ||
| Machine weight (net weight) | kg | 103 (227 lb) |
| Max. floor load in operation | N | 2,820 |
| Max. floor load, static | N | 1,380 |
| Max. floor load, dynamic | N | 1365 |
| Emissions | ||
| Sound pressure level (in accordance with EN ISO 11204/11203) | dB(A) | <70 |
| Heat dissipation rate to installation site | W | 250 |
Installation and planning notes
Installation requirements
The machine should only be connected to a power supply provided in accordance with all appropriate local and national legislation and regulations.
In addition, all regulations issued by the appropriate utilities as well as standards relating to occupational safety and all applicable valid regulations and technical standards must be observed.
Transportation and site access
The washing machine must not be moved without the shipping struts in place. Keep the struts in a safe place. They must be re-fitted if the machine is to be moved again (e.g. when moving to a new location).
General operating conditions
Ambient temperature in installation room: +2°C to +35°C (+36°F to 95°F).Depending on the nature of the installation site, sound emissions and vibration may occur. Miele recommends having the installation site inspected and seeking the advice of a professional in instances where increased noise may cause a nuisance.
Electrical connection
This washer is supplied with a power cord and plug ready for connection. The machine may only be connected to an electrical system that conforms to national and local codes and regulations. The installation must be performed by a qualified electrician. The data plate indicates the nominal power consumption and the appropriate fuse rating. Compare the specifications on the data plate with those of the electrical power supply. The machine can either be hard-wired or connected using a plug-and-socket connection in accordance with IEC 60309-1. Miele always recommends connecting the machine via a plug and socket so that electrical safety checks, e.g. during repair or service work, can be carried out easily.
If the machine is hard-wired, a dual circuit breaker must be provided on site. When switched off, there must be an all-pole contact gap of at least 3 mm in the isolator switch (including circuit breakers, breakers, and relays according to IEC/EN 60947).
The plug connector or isolator switch should be easily accessible at all times. If the machine is disconnected from the electricity supply, the isolator must be lockable or the point of disconnection must be monitored at all times.
New connections, modifications to the system, or servicing of the ground conductor, including determining the correct fuse amperage, must be carried out by a qualified electrician, as they are familiar with the pertinent regulations and the specific requirements of the electric utility company.
If converting the machine to an alternative voltage, follow the instructions in the wiring diagram. Conversion must be performed by Miele Service or by an authorized dealer. The heater rating must also be adapted. References to cable cross-sections in the technical data refer only to the required power cord. Please consult relevant local and national regulations when calculating any other wire gauges.
Coldwater connection
The washing machine should be connected to a domestic water supply in accordance with current local and national safety regulations. The German authorities do not require it to have a backflow preventer as the washing machine has been designed to comply with DIN regulations. Connection to the water supply should be carried out by a qualified plumber using a faucet with a threaded union. If a faucet is not available, the qualified plumber should connect the machine to the domestic water supply. A suitable connection hose with a threaded union is supplied with the machine. Longer hoses 2.5 m or 4.0 m (8 ft or 13 ft) in length are available from Miele Service or from your Miele dealer as accessories.
Hot water connection
The same connection requirements as for cold water also apply to hot water (max. 70°C/158°F). A suitable connection hose with a threaded union is supplied with the machine.A hot water connection shall be accompanied by a cold water connection. In the event that hot water is not available on site, the connection of the second hose must be made to a cold water supply. Alternatively, the hot water connection should be blocked using the enclosed blind stopper and the machine controls set to cold water intake. The required amount of hot water should be added to the cold water volume.
Drain valve (depending on model)
The machine is drained using a motorized drain valve. It can be connected directly to the on-site drainage system (without a siphon) or via a floor drain (gully with odor trap). A vented drainage system is vital for unimpeded drainage. If on-site venting is insufficient, a vent kit (mat. no. 05 239 540) is available from your Miele dealer or Miele Service. If several machines are connected to a single drain pipe, this should be sufficiently large to allow all machines to drain simultaneously. Drain pump (depending on model)The suds are drained through a drain pump with a 1 m delivery head. For the water to drain freely, the hose must be installed free of kinks.
Drainage options:
- Connected securely to a plastic drain pipe with a rubber nipple (there is no need to use a siphon).
- Connected securely to a sink with a plastic nipple.
- Connected securely to a floor drain.
Connecting the drain hose to a sink drain outlet
The drain hose can be connected securely to a suitable sink drain outlet. If required, the hose can be extended to a length of up to 5 m. Accessories are available from your Miele dealer or Miele Service. For a drain height of more than 1 m (up to a max. of 1.6 m), a replacement drain pump is available from Miele Service or from your Miele dealer.
Potential equalization
If necessary, potential equalization with good galvanic contact must be guaranteed in compliance with all applicable local and national installation specifications. Connection material for potential equalization must be provided on site or using a kit available from Miele Service. Peak load/Energy management The machine can be connected to a peak-load or energy management system using an optional kit. When the peak-load function is activated, the heating is deactivated. A message appears in the display to inform you of this. Liquid dispensing connection External liquid dispenser pumps with a “container empty” indicator can be used to dispense liquid detergents.The dispenser pumps can only be programmed with MDU. It is particularly important to follow the manufacturer’s instructions when using a combination of detergents, additives and special-purpose products.
Payment system
This washing machine can be equipped with a single-machine payment system as an optional accessory using an optional kit (XCI-Box / XCI-AD). The programming required for connecting a payment system can be carried out during the initial commissioning process. After initial commissioning, changes may only be carried out by your Miele dealer or Miele Service.
Interface
The machine can be retrofitted with an XKM 3200 WL PLT communication module. This module can be used as a WiFi or LAN interface. The LAN interface provided via the module complies with SELV (Safety Extra Low Voltage) in accordance with EN 60950. Connected appliances must also comply with SELV. The LAN connection uses a RJ45 connaector in accordance with EIA/TIA 568-B.
Installation
The machine must be installed on a perfectly smooth, level, and firm surface which is able to withstand the quoted loads. The floor load created by the machine is concentrated and transferred to the installation footprint via the machine feet.
The machine should be levelled in both directions with the aid of the adjustable feet.
Base installation
The washing machine can be installed on a machine base (open or box base, available as an optional Miele accessory) or on a concrete base to be provided on site. The quality of the concrete and its strength must be assessed according to the machine load. Ensure that any raised concrete base is adequately bonded to the floor below. If the washing machine is installed on a concrete or masonry base, it must be secured using the anchors supplied with the machine. Otherwise, there is a risk of the washing machine moving about during spinning and falling off the base.
The anchors provided can be used to bolt the machine to the floor by both front feet. The fasteners provided are intended for use in bolting the machine to a concrete floor.
Washer-dryer stack
The washing machine can be installed as a washer-dryer stack together with a Miele Tumble Dryer. A stacking kit (optional accessory) is required for this. Installation of the stacking kit must be performed by Miele Service or an authorized Miele service technician.


























