Cardinal PRT37842 16′ x 34′ Rectangle In-Ground Pool Kit

Product Information
This user manual provides information for a pool product offered by Cardinal Systems, Inc. The product is designed for use with pools of various shapes and sizes, as specified by the pool owner or installer. The product is sold at 250 Route 61 South in Schuylkill Haven, PA, and can be purchased by contacting customer service at 570-385-4733 or via email at [email protected].
Product Features
- Designed for use with various pool shapes and sizes
- Manufactured by Cardinal Systems, Inc.
- Available for purchase at 250 Route 61 South, Schuylkill Haven, PA
- Contact customer service at 570-385-4733 or [email protected] for purchasing information
Product Usage Instructions
- Determine the size and shape of your pool
- Contact Cardinal Systems, Inc. to purchase the appropriate product for your pool
- Follow the installation instructions provided with the product to ensure proper installation and usage
- Maintain your pool according to the manufacturer’s recommendations to optimize product performance and longevity
Note: This product is the confidential property of Cardinal Systems, Inc. Unauthorized disclosure or duplication is strictly prohibited.
FEATURES
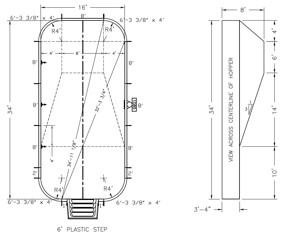
- Pool Size: 16′ X 34′
- Pool Shape: RECTANGLE
- Pool Number: PRT37842
- Date: 01 /16/23
- Drawn By: JAY I.
- Scale: 1 /8″ = 1′-0″
- Perimeter: 93′-1 5/8*
- Area: 530.3 SQ. FT.
Bill of Materials
DIMENSION
This information is the confidential property of Cardinal Systems, Inc. Disclosure or duplication without proper written approval is strictly prohibited. Acceptance and use of this drawing constitutes knowledge and acceptance by the user of the terms and conditions set forth in the notice and warning which accompanied this drawing is incorporated herein and made a part hereof and is found on Cardinal Systems, Inc’s website at www.CardinalSystemsInc.com
250 Route 61 South, Schuylkill Haven, PA 17972
570-385-4733
fax: 570-385-1318
[email protected]






















