Orient CP2601H Personal Air Cooler

Product Information Orient Premia Personal Air Cooler
The Orient Premia Personal Air Cooler is a compact and portable air cooling solution designed for spaces with limited room. With castor wheels, it can be easily moved around the house, and it cools up to 14 sqmts. The cooler has a unique water distribution system that delivers water to the cooling pads quickly, resulting in faster cooling. It also has three speed settings, a dust filter, an ice chamber, and a drain plug for hassle-free drainage.
Warranty Information
Orient Electric Limited provides a 12-month warranty from the date of purchase for the Orient Premia Personal Air Cooler. The warranty covers repairs or replacement of any parts that are defective due to faulty material or workmanship. To claim the warranty, customers must produce the warranty card duly signed and stamped by an authorized dealer along with the original invoice copy. Orient Electric Limited (the Company) warrants to the customer/purchaser of this product that for a period of 12 months from the date of purchase, the Company will repair or replace free of charge any part of the product, should the Company be fully satisfied in its sole discretion that the defect/s is/are due to faulty material or defective workmanship only. The warranty will be subject to the following clauses:
- The warranty is valid only if this card is duly signed and stamped by our authorised dealers and is produced along with the original customer’s invoice copy.
- Warranty starts from the date of purchase from our authorised dealers/retailers only.
- The Company or their authorised service agent /dealer will repair /replace all parts failing due to faulty material or defective workmanship pertaining to the product.
- Only the Company or their authorised service agents/dealers can service/repair/attend to/ install/reinstall the product.
- All expenses incurred in collecting the units or parts thereof from the Company’s authorised service stations or the dealers of the Company as well as expenses incurred in connection with deputing of service personnel/technicians towards to and fro travel conveyance and other incidentals, etc., will be borne by the customer/ purchaser.
- The warranty extended herein is in lieu of all implied conditions and warranties under the law and is confined to the repair or replacement of defective part and does not cover any consequential or resulting liability, damage or loss, whether direct or indirect, arising from such defects. Furthermore, the warranty, in no case shall extend to the payment or any monetary consideration whatsoever for the replacement or return of the product.
- This warranty does not cover corrosion or replacement of plastic or glass components which add decorative value to the product.
- The decision of the Company is final and binding on all matters arising out of this warranty.
- The warranty is issued at Delhi, and the courts at Delhi shall have exclusive jurisdiction over the matters in this warranty.
- The warranty stands null and void in case the product is struck by a force majeure event, which shall include but not be limited to acts of God, including flood, earthquakes, any other natural calamity, accidents, war, fire, or any act of government or other competent authority.
- This warranty is applicable in India only.
In addition to the terms and conditions stated above, this warranty is not valid in case of any of the following event:
- The machine is not used according to the instruction given in the instruction manual.
- The warranty specifically excludes any problems arising out of mishandling, wilful damage, improper storage of the product/its parts.
- If the electrical power supply voltages are not within the stipulated norms (Supply Voltage 230V AC – 50Hz).
- Any repair work/installation carried out by a person other than Orient Electric Authorised Service Centre / Service Agent.
- Anti Mosquito Breeding kit is a consumable part and not covered under warranty.
- Normal wear and tear of the product.
- Damage due to chipping, peeling, plating or denting.
- The serial number is deleted, defaced or altered.
- If the original purchase receipt/ invoice is not available.
Usage Instructions
1. Before using the cooler, ensure that the drain plug is properly inserted at the bottom of the cooler.
2. Fill the water tank with clean water up to the desired level. Do not overfill.
3. Turn on the cooler and select the desired fan speed. The cooler has three speed settings: high, medium, and low.
4. To improve cooling, you can add ice cubes or blocks to the ice chamber located on the top of the cooler.
5. The dust filter can be removed and cleaned periodically to ensure efficient cooling.
6. When the water in the tank becomes dirty, use the drain plug to empty it and refill with clean water.
7. Only authorized service agents or dealers should service, repair, install, or reinstall the product.
To begin with, thank you for choosing Orient Premia. This personal air cooler has been specially designed for those who have space issues. With castor wheels it can be easily moved around the house. Premia cools upto 14 sqmts. Estimated area based on 3 mtrs of ceiling height and all-sides-covered room. Premia is perfect for your bedroom, study room, kid’s room, dining area, small offices, small shops etc.
Some of the key features
- Air Delivery: Orient air coolers have specially designed fans and blowers that ensure maximum air delivery.
- DenseNest® Honeycomb Pads: Thanks to DenseNest® Technology, Orient air coolers have a smaller gap between the cooling flutes, which helps them in retaining more water and leads to better cooling.
- Even Water Distribution System: One of the key features of an Orient air cooler is its even water distribution system. This unique water system delivers water to the cooling pads in no time, which results in faster cooling. But that’s not all. You also get maintenance-free operations for months with no hole clogging, and of course, cool air.
- Three Speeds: You can set the speed of the fan to any of the three levels: high, medium and low, and enjoy the desired air delivery.
- Dust Filter: Orient Air coolers have dust filters that ensure you only get cool air, minus dust and pollen.
- Ice Chamber: A compartment where you can pour ice cubes/blocks for quick cooling.
- Drain Plug: Orient air coolers have a drain plug that ensures hassle-free drainage of dirty water, making it simpler for cleaning.
- Water Level Indicator: An easy way to view the water level is the indicator in the front panel, which allows you to keep a check.
- Castor Wheels: The cooler is mounted on four castor wheels, which make it convenient to wheel it around from one place to another.

- Inverter Compatibility: Orient air coolers have an inverter compatible fan and pump motor that ensures an uninterrupted cooling during power cuts.
Orient air coolers are designed to have modern aesthetics and are made of thermoplastic material having an excellent finish and corrosion-free life. - Features may vary from product to product; refer the technical specifications table for more clarity.
Know Your Cooler

This image is for reference only. Actual product might differ.
- The cooler should be placed near the window/door to allow fresh air circulation in your room.
- Filling of Water: It is advisable to use garden pipe / Mug to ensure no spillage from Ice chamber.
- Power Supply: Plug in the mains cord of your air cooler to the wall socket. Ensure the plug is in the ‘OFF’ position while plugging. Ensure that your cooler is plugged into the specified voltage & frequency outlet. Switch ‘ON’ the power supply.
- Pre – Soaking: Before switching on the cooler fan, it is advisable to run the pump for a few minutes to ensure uniform soaking of water by the cooling media and avoiding sprinkling of water, if any.
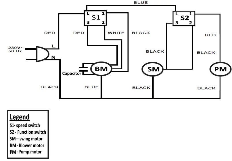
Circuit Diagram

Control Panel Functions
- SPEED KNOB: Rotate the knob to choose different speed functions.
- OFF: Rotate the knob to OFF to switch off the blower.
- HIGH: Rotate the knob to HIGH to choose maximum speed of blower.
- MED: Rotate the knob to MED to choose medium speed of blower.
- LOW: Rotate the knob to LOW to choose minimum speed of blower.
- FUNCTION KNOB: Rotate the knob to choose different functions.
- OFF: Rotate the knob to OFF to switch off swing and pump function.
- PUMP: Rotate the knob to PUMP to switch ON the pump function only.
- SWING/PUMP: Rotate the knob to SWING/PUMP to switch on the pump and swing functions together.
- SWING: Rotate the knob to SWING to switch ON the SWING function only.
Installation – Indoor

Technical Specification
| Model No. | CP2601H CP2602H | CP3602H CP3603H | CP4501H CP4502H | |
| Mode of Operation | Manual | Manual | Manual | |
| Cooling Medium | DenseNest® Honeycomb | DenseNest® Honeycomb | DenseNest® Honeycomb | |
| *Water Tank Capacity (Litres upto brim) | 26 Ltrs | 36 Ltrs | 45 Ltrs | |
| *Power Consumption (Wattage) | 140W | 140W | 140W | |
| *Air Delivery (Cu.m./hr) | 1500 | 1500 | 1500 | |
| *Air Throw Distance (Meters) | 7.6 | 7.6 | 7.6 | |
| Water Level Indicator | Yes | Yes | Yes | |
| Speed Control – 3 | H,M,L | H,M,L | H,M,L | |
| Blower / Fan Type | Blower | Blower | Blower | |
| Castor wheel | 4 Castor Wheels | |||
| Dust Filter | Yes | Yes | Yes | |
| Ice Chamber | Yes | Yes | Yes | |
| Vertical Louvres Movement | Motorised | Motorised | Motorised | |
| Horizontal Louvres Movement | Manual | Manual | Manual | |
| Dimensions With Packaging (cm) | L | 53.5 | 53.5 | 53.5 |
| W | 42 | 42 | 42 | |
| H | 81 | 90 | 98 | |
| Net Weight (KG) | 9 | 10 | 11 | |
| Gross Weight (KG) | 11 | 12 | 13.5 | |
| Product Warranty # | 12 Months | 12 Months | 12 Months | |
*All the technical parameters are as per Orient testing standard. Specification of DenseNest® honeycomb may vary from product to product. Supply Voltage 230V AC – 50Hz As product upgradation is a continuous process, design and specifications are subject to change without prior notice. #Applicable in India only.
Safety Precautions
- Water and electricity don’t like each other. Disconnect the mains supply before filling water in the tank.
- Do not fill the water manually into the cooler when it is in operation mode. Like never ever.
- Unless you want a baby swimming pool, do not move the cooler rapidly when the tank is filled with water.
- Always disconnect the electric mains before opening the side and back grills. Else, be grilled.
- Keep the cooler at a safe distance from fire, kerosene or other inflammable materials. You know why.
- Close supervision is required while using the cooler near children. They are children, after all.
- For efficient cooling, ensure that the sides of the cooler are away from air blockages.
- Do not cover or block any air inlet or outlet. Else, no cool air. No sound sleep.
- Kindly ensure you have appropriate voltage that matches the specifications required for your cooler model.
- This is very important. Read it twice. Place the cooler on levelled flooring/base.
- The product is not to be used by people (including children) with reduced physical, sensory or mental capabilities or a lack of experience and knowledge, unless they have been given supervision or instructions.
- If the supply cord is damaged, it must be replaced by the manufacturer or its service agent in order to avoid a hazard.
Care
- When your cooler is not in operation kindly ensure to turn off all the electric switches and water supply.
- Operate the knob panel gently. The cooler won’t function even if one goes missing.
- Do not wipe the cooler with harsh chemical, scrubbing powder or thinner. It will leave a spot on the cooler.
- No matter who tells you – never add bleaching chemicals or other additives into the water tank.
- Before moving or relocating the cooler, ensure that the mains cord is unplugged, and the water tank is empty.
- Just like you, this cooler also doesn’t like heavy load to be kept on its head.
- Kindly do not cover the air cooler with cloth/plastic cover even if you bought specially for it.
Maintenance
- It is recommended to drain the water in the cooler and clean the cooling pads simultaneously, every month.
- Replace the cooling pads once in two years.
- After the summer season, ensure that the water is drained off completely.
- Clean the DenseNest® honeycomb pads using a water hose or directly under the tab until the dust is removed. Cleaner cooling pads help in efficient cooling.
- It is recommended to clean the dust filter monthly by removing the honeycomb strip & honeycomb from the respective grill to separate the dust filter for washing/cleaning.

Trouble Shooting
| S.No | Problem | Cause | Solution |
| 1. | Air cooler fails to operate | The power source is not connected or improperly connected | Check for power supply or try plugging the product in a different power socket |
| 2. | Electric shock from the air cooler | Any of the internal parts may be defective | Contact the toll-free Orient helpline number for assistance |
| 3. | Cable failure (plug, cut, branding, damaged) | Cable may be defective | Contact the toll-free Orient helpline number for assistance |
| 4. | Air cooler creates abnormal noise | Blower/ fan might be dislocated | Contact the toll-free Orient helpline number for assistance |
| 5. | Pump is not lifting water | • Scaling in the tank • Pump inlet choked because of scaling | Contact the toll-free Orient helpline number for assistance |
| 6. | Smell comes out of the air cooler | Unit has not been used for many days | Flush out water equal to twice the capacity of the air cooler |
BRANCH OFFICES
NORTH REGION
- Head Office: 240, Okhla Industrial Estate Phase III, New Delhi – 110020
- Delhi: 62, Okhla Industrial Estate Phase III, New Delhi – 110020
- Chandigarh: 840, First Floor, NAC Manimajara, UT Chandigarh – 160101
- Uttar Pradesh: 607, 6th Floor, Ratan Square Marg, Lucknow – 226001
- Noida: C–130, Sector 63, Noida – 201301
Orient Electric Limited (a CK Birla Group company) 240, Okhla Industrial Estate, Phase III New Delhi-110020
- Orient Helpline no.: 1800 103 7574 (Toll Free)
- Email: [email protected]
- Website: www.orientelectric.com




















