GLOBAL INDUSTRIAL 293117 Portable Spot Cooler Air Conditioner

Safety Precautions
NOTE:
Be sure to follow the safety precautions to prevent accidents or dangers in advance by using the product safely and correctly.
- Use the rated voltage marked on the side of the air conditioner; otherwise, it may cause fire or electric shock.

- When using an extension cord, check the current of the product being used and use a cord that meets the rating. When using an extension cord, use it alone; otherwise, it may cause fire or electric shock.

- Do not use a damaged power cord or plug or a loose outlet. There is a risk of electric shock, short circuit, or fire.

- Do not unplug the power plug while the product is in operation. There is a risk of electric shock.

- Do not pull out the cord or touch the power plug with wet hands. There is a risk of electric shock.

- Do not put your hands or foreign object into the air outlet or air inlet. Please be careful with children.

- After stopping the operation, unplug the power plug, and clean when the fan has stopped; otherwise, it may cause electric shock.

- If there is a strange sound, burning smell, or smoke during operation, stop operation immediately and contact the service center. If you continue to operate in an abnormal state, there is a risk of malfunction, electric shock, or fire.

- Do not disassemble, repair, or remodel. There is a risk of electric shock, breakdown, or fire when disassembling and modifying.

- Do not move the product while it is in operation. There is a risk of malfunction or accidents.

- Do not spray directly with water or clean with benzene, thinner, or alcohol. There is a risk of electric shock or fire.
Notes on Installation
ICEN Terms of Use
There is a limit to the outside temperature and humidity range when using ICEN. Operation outside of temperature and humidity conditions may cause malfunction.
- Operating Temperature 64 – 113°F
- Operating Humidity 80%
Selection of Operation Location
Warning
- Do not use in explosive environments or in locations where there is a possibility of a flammable gas leakage.
- Do not use in locations exposed to rain or water.
- Do not use the product in corrosive environments.
- Use only within operating temperature and humidity. (Operating temperature 64-113°F, humidity 80% or less). After receiving the product, leave it on for 1 to 2 hours or more to stabilize the refrigerant before turning it on.
Transporting Product
- Operate product on a flat surface.
- There may be residual moisture inside the product. When moving the product, be sure to empty the water tank and be careful not to fall or collide.
Connecting to Power
- Check that there is no dust or foreign matter on the surface of the power outlet and cord.
- If there is dust or foreign matter, wipe off with a clean, dry cloth before use.
- Check that the power cord is not damaged and that it is suitable for power supply.
- In case of damage or inadequate power supply, contact a qualified electrician.
Product Diagram & Parts

- Duct hose: Where cool air is discharged. Duct can be rotated 360 degrees.
- Be careful not to let foreign substances enter the bellows. Refer to page 5 for how to install duct hose.
- Power: On/off
Operation Speed: Low/high - Filter: Dust accumulation on the filter will reduce performance. Therefore, periodic cleaning is required. To remove the front filter, hold the filter handle and remove the filter.
How to Install Duct Hose
- After inserting the elbow pipe (A) into the connection part (B) of the body, tighten the lever handle under the duct (A) by turning it counterclockwise
- After inserting the duct hose (C) into the duct (A), turn it to the left to fasten it.

- Water tank: Be sure to add water to water tank before usage.
- Removing water tank – Lift handle at the center of water tank upwards slightly to take it out.
- Inserting water tank – Hold the handle at center of water tank and push it down.
- Air inlet: Do not obstruct or place objects near the suction port.
- Caster wheels: Used to move product
Operation Instructions

Operation Mode and Speed
- Power is OFF
- HIGH – High speed
Plasma ions are simultaneously generated when unit is in operation
NOTE:
If the ambient temperature is out of operating range, 64 – 113°F, the compressor will automatically stop and the fan will continue to run. If only the fan blows continuously, a malfunction may have occurred in the product. Take A/S measures and operate again
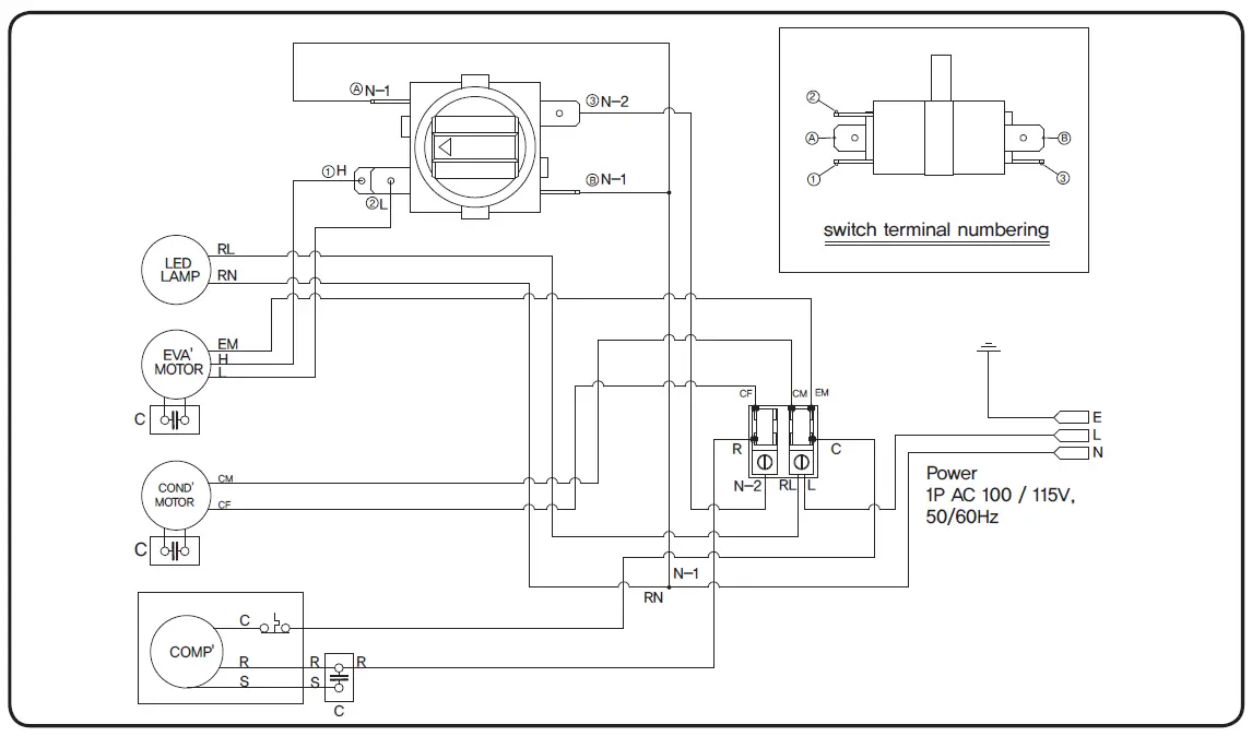
Wiring Diagram

Operating Location Precautions
- When using the product, the air intake and bellows hose must be kept at least 1 foot away from the wall or any other obstacles. The hot air outlet must be kept at least 2 feet away from any obstacles.
- The product must be placed and operated on a flat surface. Accidents may occur if installed on an incline, uneven floor, or at an entryway.
- To avoid accidents, do not use in places exposed to rain or water.
- Do not place objects in front of the air inlet, in front of the hose duct, or hot air outlet. Do not place hot air outlet near objects with poor heat resistance.
Maintenance and Storage
Filter Cleaning
- If dust accumulates on the filter at the front of the product, the cooling capacity will decrease, so it is recommended to clean the filter periodically depending on operation environment.
- To clean the filter, turn off the product, remove the filter, and soak it in detergent or gently clean with a soft brush, then dry it completely before re-installing it for use.
Caution When cleaning the surface of the machine, do not use any chemicals that may damage the surface of the machine (e.g. thinner, gasoline, or other chemicals).
Machine Body Cleaning
- Clean the main body only. Do not attempt to take machine apart.
- Moisten a soft cloth with water or neutral detergent, etc., and spot clean any contaminated areas.
- When cleaning the main body, be careful not to let water enter the gaps and vents of the product.
Storage
When not in use, store product upright and cover with plastic to prevent foreign substances from entering the opening on the side of the duct hose.
Troubleshooting
| Problem | Probable Cause | Solution |
|
Air conditioner not turning on | Power is not connected | Connect the power. |
| Room temperature is too high | Please use it within the range of 64 – 113°F. | |
| Input voltage is too high or too low | Please contact the customer center. | |
| Compressor failed | Please contact the customer center. | |
|
Leaking | Drain pipe outlet is blocked | Please contact the customer center. |
| Position of the water tank is not correct | Reposition the water tank. | |
| Water tank is full | Empty the water tank.. | |
| Air conditioner is not cool | When it comes to refrigerant | Please contact the customer center. |
Product Specifications
| Specification | 293117 |
| Voltage | 115V / 60Hz |
| Cooling Capacity | 6,745 BTU (2000W) |
| Power Consumption | 720W |
| Rated Current | 6.38A |
| Refrigerant | R410A (330g) |
| Weight | 53 lbs |
| Dimension | 19x11x22 |






























