SANREMO F18SB Coffee Machine Installation Guide
Dimensions

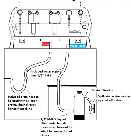
Water Requirements

Electrical Requirements
| 2 Group | 3 Group | Receptacle & Plug Configuration |
· Watts: 3 · Amp draw: 15A
|
| ![]() |
Connection & Counter Hole Diagrams


3” hole in counter recommended for passage of electrical cord & water/drain lines.
Counter hole placement recommended to be center of machine and 12.5” inward from edge of the drip tray.
First start (boiler fill) procedure
Turn main switch to position “1”, allow steam boiler to auto fill, confirm boiler fill was successful and has not timed out by referencing water level on display:
If machine has timed out, cycle machine off/on (position “1”) again and allow to auto fill. If machine is still timing out, shut machine down and re-check the inlet water line/filtration system and confirm water flow to machine.
When the machine has successfully auto filled the steam boiler, turn on all groups and confirm water flow. Once water is flowing from groups, turn them off and switch to position “2”.
Display readout

Pump adjustment
Prepare a porta filter with coffee at the desired dose/grind calibration and insert into the group. Turn group on by selecting the continuous (SR logo) button, insert stubby screwdriver into pump hole and adjust WHILST the group is extracting the coffee.
Adjusting water mix for hot water tap
Water mix valve located near water pipe connection
Group Volumetric Programming
- Press and hold Sanremo logo (continuous) button on group 1 (left most group) until touchpad LED’s begin flash and pressure display reads ‘DOSES SETTING SELECT DOSE IN 30 S’.
- Insert coffee prepped porta filter into group and select dose button for programming.
- When desired volumetric dose has been reached, press the same dose button to store volumetric program.
- Repeat steps 2 & 3 for remaining dose buttons.
- Follow same procedure to program hot water tap dispensing volume.
- When finished, do not touch any of the group buttons for 30 seconds. Machine will then store program and transfer to the remaining groups.

Individual Group Cleaning Mode

Accessing Programming Menu
- Press and hold Sanremo logo (continuous) button on group 1 (left most group) until ‘HEATING CUP’ is read on pressure display.
- If continuous button is released when display reads ‘DOSES SETTING SELECT DOSE IN 30 S’, DO NOT press group buttons or volumetric programming will be overwritten. Please wait for volumetric programming to time out after 30 seconds (Doses setting message will disappear from pressure display) and re-try holding the continuous button to enter programming menu.
Programming Menu Options
Navigating Programming
![]() | ![]() |
| Long dose buttons to change category | Short dose buttons will light up when category is selected. These are used to change category values. |
| Continuous (Sanremo logo) button to enter categories / store values | |
Warranty Terms and Conditions
| Client Name | Date | ||||||
| Machine Model | Machine Serial N° | ||||||
| N° of Groups | Supply Voltage | Location Address / Type | Install Date | Installed By | |||
Water Quality Report (Before & After Filtratio
| TDS: | ppm | |
| Total Hardness: | ppm | |
| pH: | ||
| Chlorides: | ppm | |
| Total Alkalinity: | ppm | |
| Total Chlorine: | ppm | |
| Iron: | ppm | |
| TDS: | ppm | |
| Total Hardness: | ppm | |
| pH: | ||
| Chlorides: | ppm | |
| Total Alkalinity: | ppm | |
| Total Chlorine: | ppm | |
| Iron: | ppm | |
Water Filtration Make / Model / Details (Please Send Photos of Installation and Filtration Setup).
Recommended Water Specifications
| Recommended Water Specifications | |
Dedicated cold water line with shut-off valve
| |
| Total Dissolved Solids (TDS): | 30-150 ppm |
| Total Hardness: | Below 85 ppm |
| pH: | 6.5-8 |
| Chlorides: Any presence of Chlorides can cause corrosion* | 5-15 ppm |
| Total Alkalinity: | 35-75 ppm |
| Total Chlorine: | 0 ppm |
| Iron: | 0 ppm |
| Water levels outside of these parameters can void warranty. Consult with a water filtration professional for water testing and recommended systems. | |
Terms & Conditions
SANREMO Srl guarantees that the machines and the components supplied are free from defective material and / or workmanship for a period of twelve (12) months from invoice date.
The warranty does not cover any faults or malfunctions due to normal wear and tear, inappropriate use and / or use not in accordance with normal operation, the use of non-original spare parts and non-compliance with what is indicated in the use and maintenance manual delivered together with the machine, accidental events, unauthorized modifications or adaptations, tampering, anomalies caused by electrical and hydraulic systems or inadequate water filtering and insects infestation.
In the case a failure is found; labor, diagnosis fees, travel fees are not included in the warranty, nor are freight costs in cases of shipping.
During the warranty period, all parts that are deemed defective based on the judgment of SANREMO TSD (Technical Service Department) will be replaced.
SANREMO Srl has the right to make changes to its products at any time necessary for technical and / or aesthetic reasons, reserving all rights deriving from these changes.
Consult with Sanremo TSD prior to performing any warranty repairs.
Customer Support
E-mail Form and supporting media to [email protected]
SANREMO Coffee Machines USA
99 Grand Street – Unit 20
Moonachie, NJ 07074
























