ANALOG DEVICES LT8334 Low IQ Boost/SEPIC/Inverting Converter with 5A 40V Switch Instruction Manual
DESCRIPTION
Evaluation circuit EVAL-LT8334-AZ features the LT®8334 in a SEPIC configuration. It operates with a switching frequency of 2MHz and is designed to convert a 3V to 26V source to 12V output. The converter can output up to 2.2A depending on the input voltage (see Figure 3 for the maximum output current vs VIN curve).
This evaluation circuit features Spread Spectrum Frequency Modulation (SSFM), EMI filters, and space for an option EMI shield to provide optimum EMI performance. This PCB layout is optimized for good EMI performance and small solution size. The evaluation board contains a selectable jumper, JP1, to aid in the selection of the desired SYNC pin mode of operation. At light load, either PULSE SKIP or low-ripple BURST mode can be selected to improve the efficiency.
The LT8334 boost/SEPIC/inverting converter IC operates over an input range of 2.8V to 40V, suitable for automotive, telecom, and industrial applications. The converter provides adjustable and synchronizable operation from 300kHz to 2MHz with SSFM option. The LT8334 packs other popular features such as soft-start, bias pin, input undervoltage lockout. The IC can exhibit a low quiescent current down to 9μA in BURST mode and 1μA in shutdown, which makes it ideal for battery-operated systems. The LT8334 is assembled in a thermally enhanced 12-lead 4mm × 3mm DFN package.
The data sheet gives a complete description of the device, operation, and applications information. The data sheet must be read in conjunction with this demo manual for EVAL-LT8334-AZ.
Design files for this circuit board are available.
All registered trademarks and trademarks are the property of their respective owners
BOARD PHOTO

PERFORMANCE SUMMARY
| PARAMETER | CONDITIONS | MIN | TYP | MAX | UNIT |
| Input Voltage (VIN) | VOUT = 12V | 3 | 26 | V | |
| Output Voltage (VOUT) | R6 = 1MΩ, R7 = 154kΩ | 12 | V | ||
| Maximum Output Current (IOUT) | VOUT = 12V, VIN = 9V | 1.75 | A | ||
| VOUT = 12V, VIN = 12V | 2 | A | |||
| VOUT = 12V, VIN = 16V to 26V | 2.2 | A | |||
| Switching Frequency (fSW) | R2 = 20.0kΩ, SSFM OFF | 2 | MHz | ||
| R2 = 20.0kΩ, SSFM ON | 2 | 2.4 | MHz | ||
| Input EN Voltage (Rising) | R3 = 1MΩ, R1 = 1.15MΩ | 3.2 | V | ||
| Input UVLO Voltage (Falling) | R3 = 1MΩ, R1 = 1.15MΩ | 3.0 | V | ||
| Typical Efficiency (with EMI Filters) | VIN = 9V, VOUT = 12V, IOUT = 1.75A | 86 | % | ||
| VIN = 12V, VOUT = 12V, IOUT = 2A | 87 | % | |||
| VIN = 16V, VOUT = 12V, IOUT = 2.2A | 87 | % | |||
| Zero Load Quiescent Current (VOUT = 12V)* R6 = 1MΩ, R7 = 154kΩ R3 = 1MΩ, R1 = 1.15MΩ | VIN = 12V, JP1 = BURST | 35 | µA | ||
| VIN = 12V, JP1 = PULSE SKIP | 1.2 | mA | |||
| VIN = 24V, JP1 = BURST | 33 | µA | |||
| VIN = 24V, JP1 = PULSE SKIP | 1.2 | mA | |||
*Please see PULSE SKIP, BURST, SSFM, SYNC section on how to achieve lower quiescent current.
QUICK START PROCEDURE
Evaluation circuit EVAL-LT8334-AZ is easy to set up to evaluate the performance of the LT8334. Refer to Figure 1 for proper measurement equipment setup and follow the procedure below.
NOTE: Make sure that the input voltage is always with the specification.
- Connect EN/UVLO turret to GND.
- With power off, connect the input power supply to VIN and GND terminals of the board. Include voltage and current meters as shown in Figure 1 if desired.
- Connect the load to the VOUT and GND terminals.
- Turn on the power at the input. Increase VIN slowly to 12V.
- Disconnect EN/UVLO turret from GND and the output turns on.
- Check for the proper output voltage. The output should be regulated at 12V.
If there is no output, temporarily disconnect the load to make sure that the load is not set too high. - Once the proper output voltage is established, adjust the input voltage and load current within the operating range and observe the output voltage regulation, ripple voltage, efficiency, and other parameters.
NOTE: When measuring the input or output voltage ripple, care must be taken to avoid a long ground lead on the oscilloscope probe. Measure the input or output voltage ripple by touching the probe tip directly across the input and output capacitors.
Figure 1. Proper Equipment Setup for EVAL-LT8334-AZ
OUTPUT VOLTAGE AND POWER
The LT8334 is a low IQ non-synchronous DC/DC converter that can be configured in boost, SEPIC, or inverting converters. Although EVAL-LT8334-AZ is designed to regulate 12V output from a 3V-to-26V source, the feedback resistors R6 and R7 can be easily adjusted for higher or lower output voltage. In addition to adjusting feedback resistors, the input and output capacitors should be sized appropriately. The catch diode, D1, must also be able to handle the output voltage.
The 5A peak switch current limit allow a maximum 2.2A output current at 16VIN or higher. Figure 3 shows the maximum output current for versus VIN for DC operation.
PULSE SKIP, BURST, SSFM, SYNC
The LT8334 achieves low power consumption at light loads. The different SYNC/MODE pin states can be evaluated by changing the position of jumper JP1. It is easy to change from BURST to PULSE SKIP and to explore SSFM ON, SSFM OFF, and external SYNC with this jumper.
PULSE SKIP allows low quiescent current at light load consumption without changing switching frequency until a very light load. BURST allows the lowest light load power consumption and has a unique low ripple feature on the LT8334. These two features can be explored further in the data sheet of the LT8334. For even lower no-load input current, the EN/UVLO pin should be shorted to VIN and the R1 resistor should be removed. The feedback resistors, R6 and R7, can be replaced with higher resistance values for best no-load input current results.
Spread Spectrum Frequency Modulation (SSFM) can be enabled to reduce the emissions of the converter. SSFM spreads the frequency between the RT-programmed frequency and +20% higher.
If an external SYNC signal is provided, the SYNC option of JP1 can be used to synchronize with an external clock. The clock frequency should be slightly higher than the RT-programmed frequency for best performance.
EN/UVLO
R3 and R1 set the undervoltage lockout falling and rising thresholds. The LT8334 data sheet gives a formula for calculating these values. EVAL-LT8334-AZ has a falling UVLO threshold of 3V and a rising threshold of 3.2V. This threshold can easily be adjusted by changing resistors R3 and R1 according to the data sheet equations.
BIAS
In this evaluation circuit, the bias pin is unused and tied to GND through R5. However, the bias pin can be connected to an auxiliary input supply for powering INTVCC to improve efficiency when 4.4V ≤ BIAS ≤ VIN. To use the BIAS pin, R5 needs to be replaced by an 0402 sized ceramic capacitor with a value of at least 1µF, and BIAS terminal should be connected to the auxiliary source, which could be VOUT.
OUTPUT SHORT-CIRCUIT PROTECTION
The LT8334 configured in a SEPIC configuration protects the circuitry when the output is shorted. The EVALLT8334-AZ prevents damage to circuitry during quick transient output short circuits. However, the existing diode on the evaluation circuit is selected for optimal efficiency and quiescent current, but not for protecting continuous short-circuits. If continuous output short circuit protection is required, a diode with the current rating above the “Switch Overcurrent Threshold” stated in the data sheet is recommended.
TEST RESULTS
Figure 2. EVAL-LT8334-AZ Efficiency at VOUT = 12V and Different VIN, EVAL-LT8334-AZ is Assembled with EMI Filters, JP1 = BURST

Figure 3. EVAL-LT8334-AZ Steady State Maximum Output Current vs Input Voltage
Figure 4. EVAL-LT8334-AZ VOUT Transient Response with VIN = 12V, VOUT = 12V, IOUT = 1A to 2A (JP1 = PULSE SKIP)
Figure 5. EVAL-LT8334-AZ Thermals at VIN = 12V, VOUT = 12V, IOUT = 2A
Figure 6. EVAL-LT8334-AZ CISPR25 Voltage Conducted EMI Average Performance with 12VIN to 12VOUT at 2A, JP1 = BURST+SSFM
Figure 7. EVAL-LT8334-AZ CISPR25 Voltage Conducted EMI Peak Performance with 12VIN to 12VOUT at 2A, JP1 = BURST+SSFM
Figure 8. EVAL-LT8334-AZ CISPR25 Radiated EMI Average Performance with 12VIN to 12VOUT at 2A, JP1 = BURST+SSFM
Figure 9. EVAL-LT8334-AZ CISPR25 Radiated EMI Peak Performance with 12VIN to 12VOUT at 2A, JP1 = BURST+SSFM
Figure 10. EVAL-LT8334-AZ CISPR25 Current Conducted EMI Average Performance with 12VIN to 12VOUT at 2A, JP1 = BURST+SSFM
Figure 11. EVAL-LT8334-AZ CISPR25 Current Conducted EMI Peak Performance with 12VIN to 12VOUT at 2A, JP1 = BURST+SSFM
EMISSIONS SHIELD (OPTION)
For the ultimate lowest emissions, an EMI shield can be attached to EVAL-LT8334-AZ. The PCB was fabricated with placeholders for five shield clips which can hold a 32mm × 32mm metal shield. Part numbers for an example shield are provided in the Parts List section in the Hardware list. The top silkscreen picture (Figure 12) shows the placeholders for the eight surface mount shield clips. Then the emissions of the board can be tested with and without the removable clip-shield.
Figure 12. EMI Shield Clips Can Be Soldered to the Five Placeholders on the PCB, a Square 32mm × 32mm Outline Shows Where the EMI Shield Fits onto the PCB
PARTS LIST
| ITEM | QTY | REFERENCE | PART DESCRIPTION | MANUFACTURER/PART NUMBER |
| 1 | 1 | C5 | CAP. CER 0.1μF 50V 10% X7R 0402 AEC-Q200 | MURATA, GCM155R71H104KE02D |
| 2 | 3 | C11, C17, C18 | CAP. CER 22μF 25V 20% X5R 0805 AEC-Q200 | MURATA, GRT21BR61E226ME13L |
| 3 | 1 | C3 | CAP. CER 0.1μF 25V 10% X7R 0402 AEC-Q200 | TAIYO YUDEN, TMK105B7104KVHF |
| 4 | 1 | C4 | CAP. CER 10μF 50V 20% X5R 1206 AEC-Q200 | MURATA, GRT31CR61H106ME01L |
| 5 | 1 | C6 | CAP. CER 4.7μF 50V 10% X5R 0805 AEC-Q200 LOW ESR | TDK, CGA4J3X5R1H475K125AB |
| 6 | 1 | C7 | CAP. CER 1000pF 10V 10% X7R 0402 | KEMET, C0402S102K8RACAUTO |
| 7 | 1 | C8 | CAP. CER 1μF 25V 10% X5R 0402 AEC-Q200 | MURATA, GRT155R61E105KE01D |
| 8 | 1 | C9 | CAP. CER 4.7pF 0.25pF 50V C0G 0402 AEC-Q200 | MURATA, GCM1555C1H4R7CA16D |
| 9 | 1 | D1 | DIODE LOW VF MEGA SCHOTTKY BARR RECT | NXP SEMICONDUCTORS, PMEG4030ER, 115 |
| 10 | 1 | L1 | IND. POWER SHIELDED DRUM CORE 1.986μH/7.944μH 20% 100kHz 4.66A/2.33A 0.013Ω/0.0521Ω DCR | EATON, DRQ74-2R2-R |
| 11 | 1 | R1 | RES. SMD 1.15M 1% 1/16W 0402 AEC-Q200 | VISHAY, CRCW04021M15FKED |
| 12 | 1 | R2 | RES. SMD 20k 1% 1/10W 0402 AEC-Q200 | PANASONIC, ERJ-2RKF2002X |
| 13 | 2 | R3, R6 | RES. SMD 1M 1% 1/10W 0402 AEC-Q200 | PANASONIC, ERJ-2RKF1004X |
| 14 | 1 | R4 | RES. SMD 22k 1% 1/10W 0402 AEC-Q200 | PANASONIC, ERJ-2RKF2202X |
| 15 | 1 | R7 | RES. SMD 154k 1% 1/10W 0402 AEC-Q200 | PANASONIC, ERJ-2RKF1543X |
| 16 | 1 | U1 | IC-ADI LOW IQ BOOST/SEPIC/INVERTING CONVERTER WITH 5A 40V SWITCH | ANALOG DEVICES, LT8334RDE#PBF |
Optional Low EMI Components
| 1 | 2 | C1, C2 | CAP. CER 0.1μF 50V 10% X7R 0402 AEC-Q200 | MURATA, GCM155R71H104KE02D |
| 2 | 3 | C10, C12, C13 | CAP. CER 2.2μF 25V 10% X5R 0402 AEC-Q200 | MURATA, GRT155R61E225KE13D |
| 3 | 1 | C14 | CAP. CER 1μF 25V 10% X7R 0603 AEC-Q200 | MURATA, GRT188R71E105KE13D |
| 4 | 1 | C16 | CAP. ALUM ELECT 68μF 35V 20% 6.3mm × 7.7mm AEC-Q200 280mA 2000H | PANASONIC, EEE-FK1V680XP |
| 5 | 1 | FB1 | IND. FERRITE BEAD MULTI-LAYER 880Ω 25% 100MHz 4A 0.035Ω 1812 AEC-Q200 | WURTH ELEKTRONIK, 74279252 |
| 6 | 1 | FB2 | IND. CHIP FERRITE BEAD, 0.05Ω DCR, 3A | WURTH ELEKTRONIK, 742792515 |
Optional Low EMI Components
| 1 | 0 | C15 | CAP., OPTION, 0402 | |
| 2 | 1 | R5 | RES SMD 0Ω JUMPER 1/10W 0402 AEC-Q200 | PANASONIC, ERJ-2GE0R00X |
| 3 | 1 | R8 | RES SMD 100k 1% 1/10W 0402 AEC-Q200 | PANASONIC, ERJ-2RKF1003X |
| 4 | 0 | R9, R10 | RES., OPTION, 0402 |
Hardware: For Evaluation Circuit Only
| 1 | 7 | E1, E2, E3, E4, E5, E6, E7 | CONN-PCB SOLDER TERMINAL TURRETS | MILL-MAX, 2501-2-00-80-00-00-07-0 |
| 2 | 1 | JP1 | CONN-PCB 10-POS MALE HDR UNSHROUDED DOUBLE ROW ST, 2mm PITCH, 4mm POST HEIGHT, 2.6mm SOLDER TAIL | MOLEX, 87758-1016 |
| 3 | 0 | CL1–CL5 | FIVE EMI SHIELD CLIPS | WURTH, 36900000 |
| 4 | 0 | SH1 | EMI SHIELD 32mm × 32mm | WURTH, 36906326S |
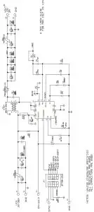
SCHEMATIC DIAGRAM

ESD Caution
ESD (electrostatic discharge) sensitive device. Charged devices and circuit boards can discharge without detection. Although this product features patented or proprietary protection
circuitry, damage may occur on devices subjected to high energy ESD. Therefore, proper ESD precautions should be taken to avoid performance degradation or loss of functionality
Legal Terms and Conditions
By using the evaluation board discussed herein (together with any tools, components documentation or support materials, the “Evaluation Board”), you are agreeing to be bound by the terms and conditions set forth below (“Agreement”) unless you have purchased the Evaluation Board, in which case the Analog Devices Standard Terms and Conditions of Sale shall govern. Do not use the Evaluation Board until you have read and agreed to the Agreement. Your use of the Evaluation Board shall signify your acceptance of the Agreement. This Agreement is made by and between you (“Customer”) and Analog Devices, Inc. (“ADI”), with its principal place of business at One Technology Way, Norwood, MA 02062, USA. Subject to the terms and conditions of the Agreement, ADI hereby grants to Customer a free, limited, personal, temporary, non-exclusive, non-sublicensable, non-transferable license to use the Evaluation Board
FOR EVALUATION PURPOSES ONLY
Customer understands and agrees that the Evaluation Board is provided for the sole and exclusive purpose referenced above, and agrees not to use the Evaluation Board for any other purpose. Furthermore, the license granted is expressly made subject to the following additional limitations: Customer shall not (i) rent, lease, display, sell, transfer, assign, sublicense, or distribute the Evaluation Board; and (ii) permit any Third Party to access the Evaluation Board. As used herein, the term “Third Party” includes any entity other than ADI, Customer, their employees, affiliates and in-house consultants. The Evaluation Board is NOT sold to Customer; all rights not expressly granted herein, including ownership of the Evaluation Board, are reserved by ADI.
CONFIDENTIALITY
This Agreement and the Evaluation Board shall all be considered the confidential and proprietary information of ADI. Customer may not disclose or transfer any portion of the Evaluation Board to any other party for any reason. Upon discontinuation of use of the Evaluation Board or termination of this Agreement, Customer agrees to promptly return the Evaluation Board to ADI.
ADDITIONAL RESTRICTIONS
Customer may not disassemble, decompile or reverse engineer chips on the Evaluation Board. Customer shall inform ADI of any occurred damages or any modifications or alterations it makes to the Evaluation Board, including but not limited to soldering or any other activity that affects the material content of the Evaluation Board. Modifications to the Evaluation Board must comply with applicable law, including but not limited to the RoHS Directive.
TERMINATION
ADI may terminate this Agreement at any time upon giving written notice to Customer. Customer agrees to return to ADI the Evaluation Board at that time.
LIMITATION OF LIABILITY
THE EVALUATION BOARD PROVIDED HEREUNDER IS PROVIDED “AS IS” AND ADI MAKES NO WARRANTIES OR REPRESENTATIONS OF ANY KIND WITH RESPECT TO IT. ADI SPECIFICALLY DISCLAIMS ANY REPRESENTATIONS, ENDORSEMENTS, GUARANTEES, OR WARRANTIES, EXPRESS OR IMPLIED, RELATED TO THE EVALUATION BOARD INCLUDING, BUT NOT LIMITED TO, THE IMPLIED WARRANTY OF MERCHANTABILITY, TITLE, FITNESS FOR A PARTICULAR PURPOSE OR NONINFRINGEMENT OF INTELLECTUAL PROPERTY RIGHTS. IN NO EVENT WILL ADI AND ITS LICENSORS BE LIABLE FOR ANY INCIDENTAL, SPECIAL, INDIRECT, OR CONSEQUENTIAL DAMAGES RESULTING FROM CUSTOMER’S POSSESSION OR USE OF THE EVALUATION BOARD, INCLUDING BUT NOT LIMITED TO LOST PROFITS, DELAY COSTS, LABOR COSTS OR LOSS OF GOODWILL. ADI’S TOTAL LIABILITY FROM ANY AND ALL CAUSES SHALL BE LIMITED TO THE AMOUNT OF ONE HUNDRED US DOLLARS ($100.00).
EXPORT
Customer agrees that it will not directly or indirectly export the Evaluation Board to another country, and that it will comply with all applicable United States federal laws and regulations relating to exports.
GOVERNING LAW
This Agreement shall be governed by and construed in accordance with the substantive laws of the Commonwealth of Massachusetts (excluding conflict of law rules). Any legal action regarding this Agreement will be heard in the state or federal courts having jurisdiction in Suffolk County, Massachusetts, and Customer hereby submits to the personal jurisdiction and venue of such courts. The United Nations Convention on Contracts for the International Sale of Goods shall not apply to this Agreement and is expressly disclaimed.




















