Roco 73162 Electric Locomotive E.656 FS
Starting locomotive operation
- Unwrap the model: Take out the model cautiously with foil.
- Operating instructions: Before use is advisable to let the loco go around about 30 minutes for-wards and 30 minutes backward without load, to obtain an optimal circuit and best tractive power. The smallest radius this model should run is R2 of the ROCO track system (R2 = 358 mm).

Your locomotive will run smoothly on clean tracks only. For this purpose, we recommend using item no. 46400, Roco track cleaning van, or item no. 10002, Roco track cleaning rubber, for removing heavy dirt.
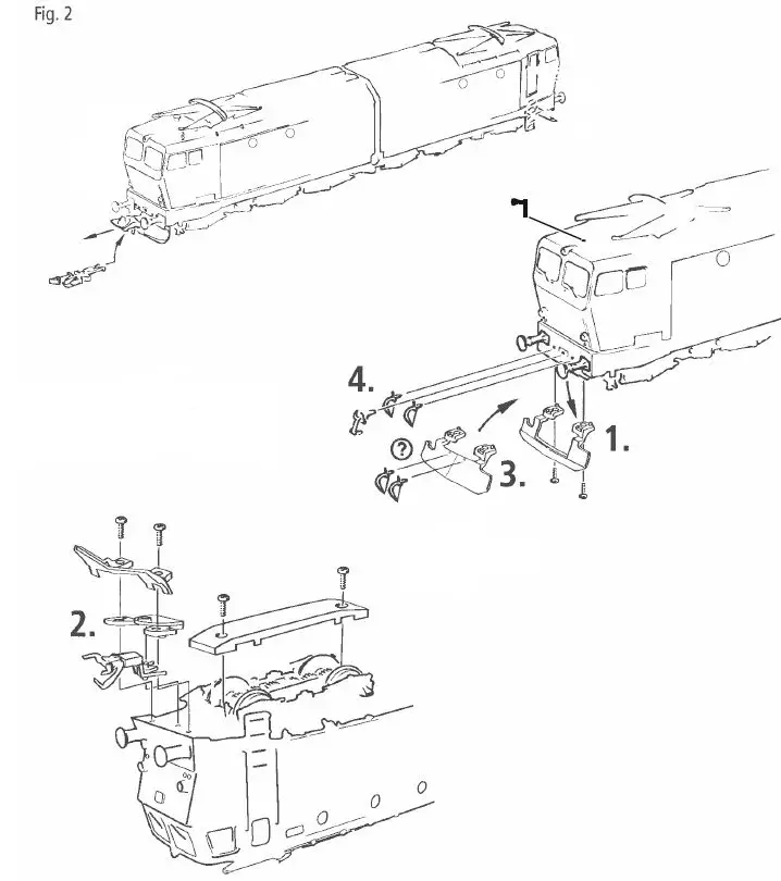
- Fittings: Operation is possible with different couplings. We recommend using the Roco close coupling. In the enclosed accessory bag you will find small kits to be fitted on your locomotive. Please mount them cautiously.
- Attention: Use glue only if indicated.

- Running in digital mode:
Remove the jumper from the interface. Finally, put the plug of the chip into the interface as shown in fig. 4.
A.C. operation
More information about the sound decoder can be found here
Maintenance of the model
To enjoy your model for a long time, it is necessary to service it regularly (i.e. after it has been in operation for approximately 30 hours).
- Cleaning of wheel contacts: Wheel contacts easily get dirty on tracks that are not entirely clean. Use a small brush to remove dirt from spots marked

- Lubrication: Apply tiny oil drops to spots marked in fig. 6+7. Prior to lubrication dismantle the locomotive.
- We recommend using item no. 10906, Roco oiler. For lubrication of the gear parts (e.g. cogwheels, worm) we would recommend our Roco special grease (item no. 10905).
Attention: Please do not oil these parts when using our grease. - Change of traction tire: Remove the gear cover


- Take out the wheelset and remove the traction tire using a pin or a fine screwdriver when pressing on the new traction tire please avoid twisting it.

- Carbon Brush Changing: First, remove the loco body (fig. 3), and then the motor

Assembly: During assembly please take care of the correct position of contacts.

Decoder interface





























