ITC Runner Flex Light

PARTS / TOOLS NEEDED
Safety Instructions
- Disconnect power before installing, adding, or changing any component.
- To avoid a hazard to children, account for all parts and destroy all packing materials.
- Do not install any luminaire assembly closer than 6” from any combustible materials.3
Installation Considerations For All Flexible Lighting Products
- Do not bend lighting more than necessary. It should only be bent to a 3” radius. Bending to a tight 90-degree angle could cause damage to the circuit.
- Only bend the LED ribbon in one natural direction, do not try to bend it in an unnatural direction such as twisting.
- It is highly recommended that appropriate fusing be used, to be determined by tape light length.
- The product cannot be field cut. Field cutting will void the warranty.
- Determine your installation location, making sure to consider wire routing and access as well as any corner applications. The light can only be bent to a 3” radius, wrapping it around a corner at a tighter radius may damage the light and will void the warranty.

wire routing and access as well as any corner applications. The light can only be bent to a 3” radius, wrapping it around a corner at a tighter radius may damage the light and will void the warranty.
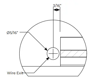
- Mark a center point for a 5/16” wire entry hole located 3/16” from the end of the light. Double-check the fit of this hole with the end cap to ensure it will not interfere with the end cap screw hole. Drill a 5/16” hole. Clean any sharp edges around the hole. If installed into metal, a rubber grommet/bushing is recommended.

- Clean the mounting surface using alcohol wipes (not provided). For more information on surface prep please review the 3M websites*. Starting at the wire exit, begin removing the tape backing two to three feet at a time. Removing more backing may contaminate the adhesive. Carefully position the light and gently press it in place. Once the light is positioned properly push firmly in place to activate the pressure-sensitive adhesive. Allow 72 hours for full bond strength.
Feed the wires through the hole.
- Place end caps on each end and use them as a template to mark the screw hole. Drill appropriate size holes for your application, making sure wires are clear of the hole before drilling. Install the screws to secure each end cap.

- Follow the wiring diagram below to wire the light to your system.

- 3030 Corporate Grove Dr. Hudsonville, MI 49426 Phone: 616.396.1355 itc-us.com
- For warranty information please visit www.itc-us.com/warranty-return-policy DOC #: 710-00082 • Rev A • 08/23/18



























