ON Semiconductor FUSB302 Type C Interface Detection Solution Evaluation Board
![]()
This user guide supports the evaluation kit for the FUSB302 It should be used in conjunction with the FUSB302 data sheets as well as ON Semiconductor’s application notes and technical support team. Please visit ON Semiconductor’s website at www.onsemi.com.
INTRODUCTION
The FUSB302 evaluation board (EVB) and included software allows customers a complete platform to evaluate the Type−C interface detection solution the FUSB302 provides. The EVB is designed for both stand−alone operation and connection to test equipment for specific testing requirements. The FUSB302 software provides both fully automatic control and manual control of the FUSB302 functions. With a single connection to a PC and a couple configurations in the GUI, the EVB can function as a source, sink or dual−role port.
Description
The FUSB302 targets system designers looking to implement a DRP/DFP/UFP USB Type−C connector with low amount of programmability. The FUSB302 does the USB Type−C detection including attach, and orientation. The FUSB302 integrates the physical layer of the USB BMC Power Delivery (PD) protocol to allow up to 100 W of power and role swap. The BMC PD block enables full support for alternative interfaces of the Type−C specification.
Features
- Dual−Role functionality:
- Autonomous DRP toggle
- Ability to automatically connect as either a source or a sink based on what has been attached
- Software configurable as a dedicated source, dedicated sink, or dual−role
- Dedicated devices can operate both on a Type−C receptacle or a Type−C plug with a fixed CC and VCONN channel
- Full Type−C 1.3 support. Integrates the following functionality of the CC pin:
- Attach/detach detection as source
- Current capability indication as source
- Current capability detection as sink
- Audio adapter accessory mode
- Debug accessory mode
- Active cable detection
- Integrates CCx to VCONN switch with over−current limiting for powering USB3.1 full featured cables
- USB PD 3.0 support
- Automatic GoodCRC packet response
- Automatic retries of sending a packet if a GoodCRC is not received
- Automatic soft reset packet sent with retries if needed
- Automatic hard reset ordered set sent
- Support for extended/chunked messages
- Programmable Power Supply (PPS) support
- Basic source−side collision avoidance
- Package 9−ball WLCSP (1.215 × 1.260 mm)
POWER CONFIGURATION
The FUSB302 EVB is designed to be able to be powered from a PC connection or powered externally based on the testing requirements.
Power Supplied from Board
The FUSB302 can fully operate from the VBUS input of the micro−B USB receptacle J2. To operate the EVB, the USB power should be provided to the board over the micro−B USB. Then, the on board regulator generates VDD, which is 3.3V for device supply. Once valid USB power is provided, the indicator LED, 3.3V, will be turned on.
2C Communication
Communication with the FUSB302 is done through I2C accesses. The EVB allows different ways of connecting I2C masters to the FUSB302.
Direct I2C Connection
Customers that want to directly connect their I2C masters to the EVB can connect the I2C master signals to the SCL, SDA and INT_N test points.
PC I2C Connection
The EVB uses a PIC32MX250F128 micro−controller as an I2C master to control the FUSB302. This is the communication method used by the FUSB302 GUI. By connecting the PC to the micro−B USB receptacle J2, the EVB automatically powers the microcontroller and
FUSB302GEVB
Figure 1. EVB Layout
![]()
connects the I2C master to the FUSB302. The EVB automatically generates a regulated 1.8 V supply, U6, which
is used by an external I2C translator to set the I2C levels used with the FUSB302.
TYPE−C SIGNAL CONNECTIONS
The FUSB302 EVB allows different ways of connecting to another Type−C device or controlling the signals of the Type−C receptacle based on the type of testing that is required.
CC Pins
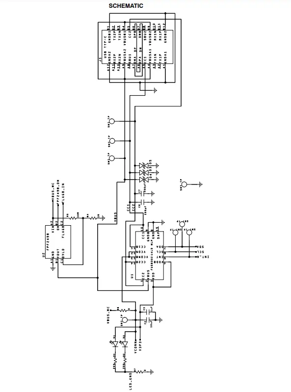
The Type−C CC1 and CC2 pins are directly connected to the Type−C receptacle J1 on the board. There is also a test point for each pin that can be used to connect the CC pins externally. Note that the FUSB302 EVB contains the minimum cReceiver capacitance specified in the USB PD specification for the CC pins which is 200pF. This capacitance is C6 and C7 in the schematic.
VBUS
VBUS is used differently based on the Type−C port type. As a sink port, VBUS is directly connected to the Type−C receptacle J1 and the VBUS test point located near J1. As a source port, VBUS can be supplied to the receptacle J1 and controlled by the FUSB302 GUI. When controlled by the FUSB302 software, VBUS is supplied from the PC micro−B USB connection. The FUSB302 software uses an on board load switch to control the enabling of VBUS to the Type−C receptacle.
VCONN
VCONN is supplied to the FUSB302 from the VBUS pin of the PC connection. To supply VCONN externally, remove R6 and apply the external VCONN to the VCON test point. Note that the EVB has 10F on VCONN input of the FUSB302 which is the minimum bulk capacitance specified in the Type−C specification. This capacitance is C4.
USB2.0 and SBU
They are left open in the Type−C connector and no connections in the board.
STATUS LEDs
The following status LEDs are provided on the EVB.
Table 1. STATUS LEDs
| LED | Status |
| D1 | VDD is Supplied to FUSB302 |
| D2 | VCONN is Supplied to FUSB302 |
Figure 2. FUSB302 EVB FM150702B Schematic (1/2)
![]()
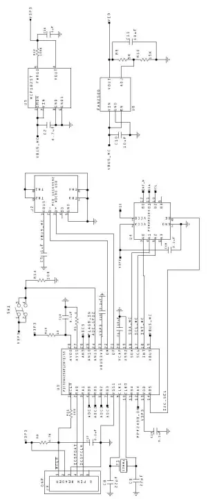
Figure 3. FUSB302 EVB FM150702B Schematic (2/2)
![]()
FUSB302 EVALUATION PLATFORM GUI CONFIGURATION
GUI Installation
Instructions for installing ON Semiconductor FUSB302 Control Software
- Locate and extract the file “fusb302_gui_1_0_0_Customer.exe” (versions of the file will include the release number) from the archive file “fusb302_gui_1_0_0_Customer.7z”. The .exe can be located in any location you prefer. Double−click the .exe file to tart the GUI.
- Plug the STD−A end of the USB cable into the USB port of your PC. Plug the STD A end of the USB Cable into the USB port of your PC.
- Plug the micro−B end of the USB cable into the GUI Interface (J2 at the top board edge) on the EVB (3.3V LED will illuminate if properly connected).
- Wait for the USB Port to connect with a message in the lower left hand corner of the GUI that states “USB Device: VID:0x0779 PID:0x1118”. If the message states “Disconnected”, then there is a connection problem
Upgrading the GUI Software:
- Simply delete the previous version of the .exe.
- Repeat the installation process above.
Figure 4. Initial Page of FUSB302GUI
![]()
GUI OPERATION
Program Startup
To operate the FUSB302 Evaluation Platform, perform the following steps:
- Install the FUSB302 GUI software as described in the previous section.
- Connect the FUSB302 board to your computer with a micro−USB cable.
- Start the GUI software by clicking the .exe file from the location you saved it to.
- The base operation GUI will appear as shown in Figure 4 below.
- The lower right part of the screen will now indicate “Device Connected v4.0.0” (the version number may be different as newer firmware is released). If this is not shown, there is a likely a power configuration issue with the FUSB302 device. If power is supplied correctly, check that the firmware was programmed correctly. The document for firmware download is posted separately. You can now read, write, and configure the FUSB302. Accessories can be plugged in and used.
USING THE GUI
There are two basic modes of operation using the FUSB302 GUI:
- Autonomous operation which uses the “Enable USB Type C State Machine” option on the “General USB” tab
- Manual operation which disables the “Enable USB Type C State Machine” option and requires manually configuring the device using all the tabs These two modes should not be used together, as it will interfere with the autonomous mode state machine. Type−C Status and Power Delivery Status information is shown in the “General USB” tab as well as in the “State Logs” tab. Scripts can also be entered in the “Script” tab for easier loading of multiple sequential steps. More information on specific operation of each section ofthe GUI is provided in the following sections.
- “File”
- Click “Exit” to exit the FUSB302 GUI program
- “Preferences”
- Select “Auto Poll” for the GUI to continuously poll
the FUSB302 for register and log updates
- Select “Auto Poll” for the GUI to continuously poll
- “Help”
- “About” provides GUI version information
Device Control Tabs
Tabs provide detailed control and monitoring of the FUSB302. The sections below describe how to use these controls.
General USB
The “General USB” tab implements functional Type−C state machines to configure the FUSB302 EVB as a Dual−Role Port (DRP), Sink Port, or Source Port interface. When first attaching the EVB, the options in the “Control Status” section are automatically updated. To configure the device to the desired state, select either “DRP”, “Sink”, or “Source” in the “Port Type” drop down box, then click the “Write Config” button to update the FUSB302.
Figure 5. General USB Tab
![]()
he autonomous Type−C State Machine control is enabled and disabled by selecting the checkbox and then clicking the “Write Config” button. Connect any desired Type−C port to the FUSB302, and the status change will be seen in the Status sections. The PD state machines are enabled by default when the Type−C state machine is enabled. You can enable or disable.
PD by clicking the appropriate button in the Control Status section. When the PD state machine is running, it will automatically negotiate a power contract based on what was detected on attach and the configuration in the “Capabilities” tab.
PD Control
The “PD Control” tab logs any PD activity in the USB PD Message History window. The log file can be expanded or collapsed to show more or less detail of the PD packets. The other control boxes indicate the current state of the PD state machine and what contract was negotiated. When connected as a sink, it displays the source capabilities of the source that is attached. The user can select different capabilities and make the requests. The user can also manually send different PD messages through the pull−down menu and the click buttons.
Figure 6. PD Control Tab
![]()
State Logs
Events can be logged in the software by checking the “Auto Poll” option in the Preferences menu. These logs can be useful in debugging and in checking the timing of various operations. Each log message has the timestamp (with 100 s resolution). To stop logging, click the “Auto Poll” option in the Preferences menu. An example of a Type−C attach and the PD communication flow is shown below.
To support debug efforts, the “Set State” button can be used to force a specific state machine state. The state can be selected in the pull down menu to the left of the “Set State” button. The screens can be cleared with the “Clear State Log” and “Clear PD State Log” buttons to the right of each window.
Figure 7. State Logs Tab
![]()
Capabilities
The “Capabilities” tab is to set−up PD functionality of the EVB. The settings in this tab dictate how the PD state machine will respond once a connection is made. It is the programmed source and sink capabilities of the device and the charging algorithm that is used to automatically select a source capability when connected to a source. Note, the “Read Src Caps”, “Read Sink Caps”, and “Read Settings” buttons need to be clicked to reflect the default settings of the PD state machine.
Figure 8. Capabilities Tab
![]()
Register Map
The “Register Map” tab enables reading and writing any value to any register in the FUSB302. When performing a register write, the selected register/registers is/are read back again to confirm the write action. So the write button actually performs a write and then a read operation.The “Device Poll” option tells the GUI to automatically check the DEVICE_ID register for the I2C address selected in the “Addr” pull down box and display the “Device Connected …” or “ No Device” message in the lower left corner of the GUI.
The “Register Poll” option tells the GUI to constantly poll the FUSB302 registers and update the register values. This should be used only for debugging since it can disrupt the timing operations of the firmware and also can clear interrupts that occur because the FUSB302 interrupt registers are “Read to Clear”.
Figure 9. Register Map Tab
![]()
Figure 10. Script Tab
![]()
Script
The “Script” tab enables the use of scripts to configure the FUSB302. Scripts can be added through the GUI using the editing window on the left of the tab. This edit window allows for normal copying and pasting to or from any text file if you want to save or copy your scripts from external files. Each line of the script should be formatted as follows:
Command, port, I2C adder, # bytes, register add, data1, …, dataN, optional comment
- The Command is: “r” or “w”
- The port is always 0
- The I2C addr is either 0x44, 0x46, 0x48, or 0x4A
- The # bytes is the number of bytes to read or write
- The register addr is the starting register address
- The data1, …, dataN are for writing values to registers
- And optional comment is just informational Each field can be separated with a space (“ ”), a comma (“,”), or a semicolon (“;”). r 0 0x42 3 0x04 ; read 3 bytes starting at MEASURE (register address 0x04) An example of writing to 2 consecutive registers: w 0 0x42 2 0x0E 0x22 0x55 ; write 2 bytes starting at MASKA (register address 0x0E)
The Execute button will run all the lines of the script. The Step button will execute the highlighted line. The Loop feature will loop the entire script up to 99 times. Setting Loop count to 0 will loop indefinitely. Results of the executed script are shown in the box on the
right side of the tab. These results can be copied and pasted to an external file.
An example of the power delivery loopback test is given below:
w,0,0×44,1,0x02,0x44; Switches0(PU_EN1, MEAS_CC1)
w,0,0×44,1,0x03,0x01; Switches1(TXCC1)
w,0,0×44,1,0x04,0x31; MDAC
w,0,0×44,1,0x05,0x20; SDAC
w,0,0×44,1,0x0B,0x0F; Configure Power
w,0,0×44,1,0x06,0x10; Control0(Loopback, clear int mask)
w,0,0×44,1,0x43,0x12; SOP1
w,0,0×44,1,0x43,0x12; SOP1
w,0,0×44,1,0x43,0x12; SOP1
w,0,0×44,1,0x43,0x13; SOP2
w,0,0×44,1,0x43,0x82; PACKSYM with 2 bytes
w,0,0×44,1,0x43,0x01; Data1
w,0,0×44,1,0x43,0x02; Data2
w,0,0×44,1,0x43,0xFF; Jam CRC
w,0,0×44,1,0x43,0x14; EOP
w,0,0×44,1,0x43,0xFE; TXOFF
w,0,0×44,1,0x43,0xA1; TXON
VDM
The VDM tab supports Vendor Defined Messages (VDM). The “Configuration” section is used for configuring the FUSB302. The upper left “FUSB302” section window is used for displaying and modifying or adding VDM information to the EVB. Right−clicking on the Sop field allows you to add SVIDs. Right clicking on an SVID allows you to remove the SVID or add a Mode. Right−clicking on a Mode allows you to remove it. Retrieving VDM information from a connected device can be done in the lower left “Other” section window. Right−clicking on Sop allows you to request Discover Identity or Discover SVIDs. Right−clicking on a SVID allows you to request Discover Modes. Right−clicking on a Mode allows you to request to Enter or Exit that Mode.
Figure 11. VDM Tab
![]()
onsemi, , and other names, marks, and brands are registered and/or common law trademarks of Semiconductor Components Industries, LLC dba “onsemi” or its affiliates and/or subsidiaries in the United States and/or other countries. onsemi owns the rights to a number of patents, trademarks, copyrights, trade secrets, and other intellectual property. A listing of onsemi’s product/patent coverage may be accessed at www.onsemi.com/site/pdf/Patent−Marking.pdf. onsemi is an Equal Opportunity/Affirmative Action Employer. The evaluation board/kit (research and development board/kit) (hereinafter the “board”) is not a finished product and is not available for sale to consumers. The board is only intended for research, development, demonstration and evaluation purposes and will only be used in laboratory/development areas by persons with an engineering/technical training and familiar with the risks associated with handling electrical/mechanical components, systems and subsystems. This person assumes full responsibility/liability for proper and safe handling. Any other use, resale or redistribution for any other purpose is strictly prohibited.
HE BOARD IS PROVIDED BY ONSEMI TO YOU “AS IS” AND WITHOUT ANY REPRESENTATIONS OR WARRANTIES WHATSOEVER. WITHOUT LIMITING THE FOREGOING, ONSEMI (AND ITS LICENSORS/SUPPLIERS) HEREBY DISCLAIMS ANY AND ALL REPRESENTATIONS AND WARRANTIES IN RELATION TO THE BOARD, ANY MODIFICATIONS, OR THIS AGREEMENT, WHETHER EXPRESS, IMPLIED, STATUTORY OR OTHERWISE, INCLUDING WITHOUT LIMITATION ANY AND ALL REPRESENTATIONS AND WARRANTIES OF MERCHANTABILITY, FITNESS FOR A PARTICULAR PURPOSE, TITLE, NON−INFRINGEMENT, AND THOSE ARISING FROM A COURSE OF DEALING, TRADE USAGE, TRADE CUSTOM OR TRADE PRACTICE.
on semi reserves the right to make changes without further notice to any board.
You are responsible for determining whether the board will be suitable for your intended use or application or will achieve your intended results. Prior to using or distributing any systems that have been evaluated, designed or tested using the board, you agree to test and validate your design to confirm the functionality for your application. Any technical, applications or design information or advice, quality characterization, reliability data or other services provided by on semi shall not constitute any representation or warranty by on semi, and no additional obligations or liabilities shall arise from on semi having provided such information or services.
on semi products including the boards are not designed, intended, or authorized for use in life support systems, or any FDA Class 3 medical devices or medical devices with a similar or equivalent classification in a foreign jurisdiction, or any devices intended for implantation in the human body. You agree to indemnify, defend and hold harmless on semi, its directors, officers, employees, representatives, agents, subsidiaries, affiliates, distributors, and assigns, against any and all liabilities, losses, costs, damages, judgments, and expenses, arising out of any claim, demand, investigation, lawsuit, regulatory action or cause of action arising out of or associated with any unauthorized use, even if such claim alleges that on semi was negligent regarding the design or manufacture of any products and/or the board.
This evaluation board/kit does not fall within the scope of the European Union directives regarding electromagnetic compatibility, restricted substances (RoHS), recycling (WEEE), FCC, CE or UL, and may not meet the technical requirements of these or other related directives.
FCC WARNING – This evaluation board/kit is intended for use for engineering development, demonstration, or evaluation purposes only and is not considered by onsemi to be a finished end product fit for general consumer use. It may generate, use, or radiate radio frequency energy and has not been tested for compliance with the limits of computing devices pursuant to part 15 of FCC rules, which are designed to provide reasonable protection against radio frequency interference. Operation of this equipment may cause interference with radio communications, in which case the user shall be responsible, at its expense, to take whatever measures may berequired to correct this interference.
onsemi does not convey any license under its patent rights nor the rights of others.
LIMITATIONS OF LIABILITY: onsemi shall not be liable for any special, consequential, incidental, indirect or punitive damages, including, but not limited to the costs of requalification, delay, loss of profits or goodwill, arising out of or in connection with the board, even if onsemi is advised of the possibility of such damages. In no event shall onsemi’s aggregate liability from any obligation arising out of or in connection with the board, under any theory of liability, exceed the purchase price paid for the board, if any.
The board is provided to you subject to the license and other terms per onsemi’s standard terms and conditions of sale. For more information and documentation, please visit www.onsemi.com.
PUBLICATION ORDERING INFORMATION
LITERATURE FULFILLMENT:
Email Requests to: [email protected]
onsemi Website: www.onsemi.com
TECHNICAL SUPPORT North American Technical Support:
Voice Mail: 1 800−282−9855 Toll Free USA/Canada
Phone: 011 421 33 790 2910
Europe, Middle East and Africa Technical Support:
Phone: 00421 33 790 2910 For additional information, please contact your local Sales Representative
Downloaded from



















