EVBUM2798 Board
User Guide
Micro−Controller Interface
The NCL31000 hardware requires at least a GND connection and an I2C or SPI connection to control the main functions of the chip. The SCL/SDA and connections are designated to Arduino pins D15 and D14. All Nucleo boards can be programmed to route an I2C peripheral to these pins. The default I2C address is 0x52. This is configurable with zero−ohm resistors.
The NCL310xx devices are internally hardwired to use either SPI or I2C. For now, NCL31000ASGEVB is only available with the I2C version populated. Note that the SPI slave in NCL310xx only supports Mode 2.
For Visual Light Communication, preferably a DAC connection or alternatively 2 x PWM connections are needed. See section Dimming and VLC − YellowDot. The DAC connection is not specified by the Arduino hardware interface and different microcontroller boards connect the DAC to different pins. By default, the NCL31000ASGEVB assumes the DAC can be connected to A2 or D13 (see Schematic). This is compatible with the ST Nucleo boards.
NCL31000ASGEVB User Guide
EVBUM2798/D
Introduction
This guide explains how to use the NCL31000ASGEVB with a USB to I2C interface or with an Arduino microcontroller board of choice to evaluate the product.
Board Connections
The NCL31000ASGEVB (Figure 1) is an Arduino shield form factor containing a single NCL31000MNITWG LED driver. These few steps are required to get started.
- Connect a lab power supply from 24 V to 57 V to the DC IN connector. A reverse polarity protection circuit is in place to protect the system against faulty connections.
- Connect a LED string rated for 16 V to 42 V to the LED connector.
- Optionally, connect an NTC from the LED module to the TLED connector to measure the LED board temperature. If doing so, remove R24 and short R33, see section LED Power.
- Connect a microcontroller to the Arduino interface connectors and develop firmware to evaluate the product.
- An alternative for step 4 is to use a USB to I2C interface to send commands from the PC to NCL31000ASGEVB.
DC−DCs
Two DC−DC supplies are available to supply different parts of the application. VDD1 is a fixed 3.3 V supply rated to deliver up to 150 mA and VDD2 is configurable, but on the EVB it is set for 5 V. It can source up to 500 mA. VDD1 and VDD2 are not connected to the Arduino interface so VDD1 does not by default supply the Arduino board because the Arduino interface standard does not provide a 3V3 supply connection. Some Arduino micro−controller boards can be adjusted so that they can be supplied with 3V3. For example, the Nucleo boards normally need one or more solder bridge configuration changes to be able to get powered from a 3V3 supply. See the VDD1_EXT connection in the schematic. The VDD2 cannot be used to supply the microcontroller since it has to be enabled first in a register after startup. Thus, by default, without making any changes to the hardware, the microcontroller board has to be supplied by the USB connection or another supply.
LED Power
This EVB has a significant copper cooling plane for the top fet of the LED driver. It is therefore possible to drive LED loads up to 100 W with this EVB. 2 NTCs are placed onto the cooling plane to measure the plane’s temperature to estimate the top fet junction temperature. One NTC is connected to the TLED metrology measurement pin so that the temperature can be monitored over I2C. The second NTC is electrically connected on one side to the copper plane and one side floating so that a multimeter can measure the voltage over the NTC. This is an alternative NTC sensing method. To measure the NTC voltage from the LED board, make the connection to the TLED connector and solder R24, and remove R33 to disable the top fet measurement. It is best to replace the sense resistor with 50 mΩ or place a second resistor in parallel to reduce the temperature of the sense resistor and the dissipation when going above 1.6 A
LED current or so. See the Thermal section for more info.
Dimming
To make dimming possible, enable the LED driver by setting the LED_EN bit in the CTRL register and closing the PWM_EN jumper on the EVB. There are 5 ways to dim the LEDs. The selection for the first three methods is made with the DIMSEL jumpers. See Figure 2.![]()
- MDAC: DAC in MCU connected to DIM pin (Arduino: A2 or D13)
- ADIM: Analog dimming. A low−pass filtered DC signal converted from a PWM signal from MCU (Arduino: D5)
- ADIMP: potmeter on the EVB connected to DIM pin The others are (DIMSEL does not matter):
- PWMDIM: PWM dimming. PWM from MCU directly to PWM pin (Arduino: D9)
- INTDIM: The internal 7−bit DAC
INTDIM
The internal 7−bit DAC can be used to DIM the LEDs. With 128 dimming steps in the entire range, this method provides a coarse method to dim the LEDs. The lowest current value is about 10 mA if a 100 mΩ sense resistor is used. If deep dimming or VLC is not needed this method may suffice. No extra hardware is needed, only the I2C or SPI interface.
ADIM
The ADIM signal can dim the LEDs with higher accuracy and precision compared to the other methods. It is possible to accurately dim down to about 0.1% of the maximum range. The accuracy at these low dimming values is dominated by the relative offset error, which is no more than a few ms or approximately 0.1% of VREF. The precision or resolution is defined by the number of steps the duty cycle has in the PWM period. For example, if an 8−bit timer is used, 256 steps are available. PWM oversampling can increase this number. The ADIM method is an alternative to the INTDIM method. Switching between these methods is possible by controlling the INTDIMEN bit. To use the ADIM method, the microcontroller must provide a PWM signal with a frequency preferably between 1 to 10 kHz. The duty cycle defines the dim value. This PWM signal is filtered heavily and the resulting average value is presented to the DIM input. The resulting LED current is thus a constant current, not a PWM’ ed current. This ADIM or the MDAC method can use VLC. Next to low pass filtering the PWM signal, the filtering circuit also couples the VLC signal on the DIM signal. To make use of this method configure the DIMSEL jumper for ADIM and pull the PWM pin high by closing the PWM jumper.
PWMDIM
The PWMDIM does not provide the widest dim range or best accuracy and should not be used as the primary dim method, but it can be used on top of the ADIM method to achieve hybrid dimming and dim to even lower LED currents. For example, set ADIM to 220 mV and apply a PWM signal of 1 kHz and 25% duty−cycle to achieve an average internal DIM voltage of 200 mV + 0.25 * 20 mV = 205 mV
Important to note that the measured LED current from the ILED metrology register is not valid when using PWMDIM. This is because the ADC sampling is in the range of 100 ms and the PWMDIM frequency is in the range of 400 Hz and higher thus oversampling is not possible and no averaging can be done.
MDAC
This method uses the DAC in the microcontroller, if available. This method can dim the LEDs and still have the possibility to use VLC. To use the DAC, route it to A2 or D13 on the Arduino interface (possible for Nucleo−64 or Nucleo−144 connections) and configure the DIMSEL jumper for ’ MDAC’. When using the DAC you cannot use the SPI_CLK and thus only I2C is an option. One exception is the Nucleo−64 boards, which connect the DAC to A2 on the Arduino interface. Also, pull the PWM pin high by closing the PWM jumper.
ADIMP
The potmeter on the EVB can be used to apply a voltage on the dim pin and manually control the LED current. To make use of this method configure the DIMSEL jumper for ADIMP and pull the PWM pin high by closing the PWM jumper.
Status Indication
The boards have four LEDs. Two green LEDs indicate the 3V3 (VDD1) and 5 V (VDD2) supplies are active. Note that VDD1 must be active on power-up. This is a good check to see if the board (supplies) is operational. VDD2 is disabled at startup and can be enabled in a register. The orange INTB LED is active if the INTB line is low. This is the case when a fault bit is active or became active since the last read. The red FAULT LED can be used by the microcontroller.
VLC − YellowDot
The YellowDot program is a luminaire certification program that allows manufacturers to test and certify that their LED luminaires are interoperable with Signify’s indoor positioning technology. A key aspect of YellowDot-ready LED drivers is that data can be transmitted by modulating data onto the LED current and thus in the light output. The
NCL310xx products are Yellow−dot compatible. This means that it is possible to modulate the LED current to conform to the Yellow–dot specification. Contact Signify for more information about this program and the technical requirements. Modulating the data on the DIM pin can be done either by using the MDAC (preferred) method or by using the ADIM method together with the PWMVLC signal.
VLC with MDAC
The DAC voltage controls the DIM voltage directly.
When no data is transmitted, it should regulate a stable DC value to provide a stable LED current. When transmitting data, the DAC voltage swings between the 3 voltage levels
at the symbol rate.
VLC with ADIM + PWMVLC
An alternative for the DAC is to use 2 PWM signals. One is for setting the DC dim value using the ADIM method and the other PWM signal is connected to the PWMVLC signal. The PWMVLC data is coupled to the DIM signal. The frequency must be about 200 kHz or more. A digital one is represented by a duty cycle of 50% + k. A digital zero is represented by a duty cycle of 50% − k. The resulting signal is a 200 kHz PWM signal for which the duty cycle varies between 2 values (0.5 − k and 0.5 + k). The symbol rate of the VLC signal (Typ: 4 kHz) is defined by the rate at which the duty−cycles alternate. The ’ k’s value defines the amplitude of the VLC signal. After filtering the resulting signal is a 4 kHz AC signal with a given amplitude. This signal is capacitively coupled to the DIM signal so for this to work the ADIM dimming method must be used to define the DC DIM level.
Thermal
The highest temperatures on the board are to be expected in the top fet of the LED driver and in the sense resistor of the LED driver.
LED Sense Resistor
It is best to keep the sense resistor value as small as possible without impacting the dynamic dimming range too much. Keep the power dissipation in the 6430 packages below 400 mW. Ideally 200 mW. It is possible to add a sense resistor in parallel to spread the dissipation (1% or better). For example, a 120 mΩ 6430 package with a 0.62 Ω 3216 package in parallel gives 100 mΩ and better spreading of heat.
Thermal Plane
The power dissipation in the top fet is dominated by switching and conduction losses. The device used on the board is carefully selected to achieve the lowest power dissipation. Still, mainly depending on the input voltage, switching frequency and during the highest current, the power dissipation (Pt) can reach up to about 1.2 W in this device. A copper cooling plane is required to transfer enough heat to the environment to keep the temperature of the fat in 4 checks. The cooling plane is about 3 x 2 cm. It is present on 3 layers: top, bottom, and one internal layer. The remaining internal layer is reserved for a ground plane. The copper extends to the edges of the board. The layers are interconnected by via’ s. See Figure 3. The red area is the copper plane on the top copper. This copper plane is a bit overkill for applications that do not require 90 W or more.
Erratum
Boards with version «ncl31000as» and date «25/03/2021» had a mistake in the Arduino pinout. Headers J6 and J7 are swapped in the layout and do not correspond with the correct Arduino placement. Modifications have been made to these connectors so that the board can still be plugged on top of an Arduino MCU. 5 pins have been cut and 3 connections rewired.
Because of this patch, the Arduino shield fits an Arduino microcontroller board and it can be used as expected except for the PWM1 pin which is not available due to this patch.
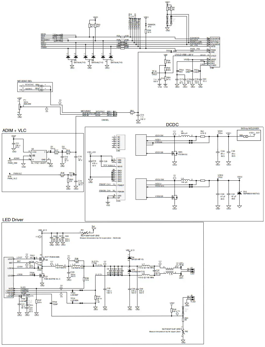
SCHEMATIC
Reverse polarity protection + overvoltage protection![]()
RSL10 headers
Status![]()
Headers J6 and J7 are swapped in the layout and do not correspond with the correct Arduino placement. Modifications have been made to these connectors so that the board can still be plugged on top of an Arduino MCU. The PWM1 pin is not available due to this patch.
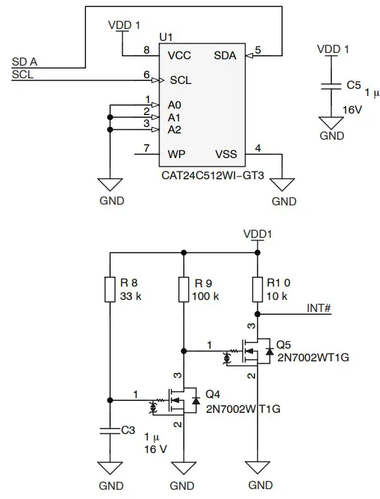
Strata EEPROM & HOT PLUG Detection
Pulse INT# on plug event
34 k, 1μF = 50 ms negative pulse
The system can also mask INT# for level-based interrupt.
Pull the gate of the first FET low to disable pulse INT# events.![]()
Table 1.
BILL OF MATERIAL
| Qty | Designator | Manufacturer | Part No. | Value | Footprint | Description |
| 1 | D1 | ON Semiconductor | MMSZ5245BT1G | ONSC−SOD−123−2−42 5−04_V | Zener Voltage Regulator, 500 mW, 2−Pin SOD−123, Pb−Free, Tape and Reel | |
| 1 | J1 | Samtec | SSQ−108−03−F−S | SSQ−108−03−X−S | Board−To−Board Connector, 2.54 mm, 8 Contacts, Receptacle, Through Hole, 1 Row | |
| 1 | J2 | Samtec | SSQ−106−03−G−S | SSQ−106−03−X−S | Board−To−Board Connector, 2.54 mm, 6 Contacts, Receptacle, Through Hole, 1 Row | |
| 1 | J3 | Weidmueller | 1862960000 | SC_SMT_3_81_90G_0 2 | OMNIMATE Signal − series BC/SC 3.81 | |
| 1 | J4 | 61201621721 | 61201621721 | Male Box Header WR−BHD, THT, Angled, pitch 2.54 mm, 16 pins | ||
| 1 | J5 | Weidmueller | 1862960000 | SC_SMT_3_81_90G_0 2 | OMNIMATE Signal − series BC/SC 3.81 | |
| 1 | J6 | Samtec | SSQ−110−03−G−S | SSQ−110−03−X−S | Board−To−Board Connector, 2.54 mm, 10 Contacts, Receptacle, Through Hole, 1 Row | |
| 1 | J7 | Samtec | SSQ−108−03−G−S | SSQ−108−03−X−S | Board−To−Board Connector, 2.54 mm, 8 Contacts, Receptacle, Through Hole, 1 Row | |
| 1 | J9 | Weidmueller | 1862960000 | SC_SMT_3_81_90G_0 2 | OMNIMATE Signal − series BC/SC 3.81 | |
| 1 | L3 | 7447709470 | WE−PD−XXL | SMD−Shielded Power Inductor WE−PD, L = 47.0 µH | ||
| 1 | L4 | Wurth Electronics | 74479876124C | SMD 0806 | Power Multilayer Inductor WE−PMI, L = 0.24 µH | |
| 1 | L5 | Wurth Electronics | 744777239 | WE−PD 7345 | SMD−Shielded Power Inductor WE−PD, L = 390 µH | |
| 1 | L6 | Wurth Electronics | 7447714101 | WE−PD 1050 | SMD−Shielded Power Inductor WE−PD, L = 100 µH | |
| 1 | U1 | CAT24C512WI−GT3 | FP−751BD−01−IPC_C | IC EEPROM 512K I2C 1 MHZ 8SOIC | ||
| 1 | U2 | ON Semiconductor | NL17SZ125DFT2G | FP−419A−02−MFG | IC BUFFER NON−INVERT 5.5 V SC88A | |
| 1 | U4 | ON Semiconductor | NCL31000 | 485EP | ||
| 2 | D8, D9 | ON Semiconductor | BAS21AHT1G | ONSC−SOD−323−2−47 7−02_V | Low Leakage Switching Diode, 2−Pin SOD−323, Pb−Free, Tape and Reel | |
| 2 | Q4, Q5 | ON Semiconductor | 2N7002WT1G | ONSC−SC−70−3−419− 04_V | Small Signal MOSFET, 60 V, 340 mA, Single, N−Channel, 3−Pin SC70, Pb−Free, Tape and Reel | |
| 2 | Rt1, Rt2 | NCP18WF104F12RB | FP−NCP18−0_15−IPC_ C | NTC Thermistor for Temperature Sensor, 0603, 100 kO, 1%, 0.032 mA, 5 V | ||
| 3 | D5, D6, D7 | ON Semiconductor | BAT54ALT1G | ONSC−SOT−23−3−318 −08_V | Schottky Barrier Diodes, 3−Pin SOT−23, Pb−Free, Tape and Reel | |
| 5 | SB1, SB2, SB3, SB4, SB9 | 1005−SB−2 | Solder bridge | |||
| 5 | R5, R7, R33, R46, R47 | CRG0603ZR | OE | RESC1608L | Resistor | |
| 1 | R42 | RL1220S−R20−F | 0.2E | RESC2012N | Resistor |
Table 1. BILL OF MATERIAL (continued)
| 1 | R41 | RCWE0603R750FKE A | 0.75E | RESC1608N | Resistor | |
| 2 | R13, R31 | CRGCQ0603F1K0 | 1 k | RESC1608L | Resistor | |
| 1 | C10 | TDK | CGA3E2X7R2A102M 080AA | 1 n | CAPC1608L | Capacitor |
| 1 | C15 | TDK | CGA3E2X7R2A102M 080AA | 1 n | CAPC1608L | Capacitor |
| 5 | C3, C5, C13, C17, C25 | TDK | C1608X7R1C105K08 0AC | 1 µ | CAPC1608L | Capacitor |
| 1 | R44 | Harwin | D3082−05 | 2 pins | Ground bar D3082−05 | 2 (1 x 2) Position Shunt Connector Non−Insulated 0.400 (10.16 mm) Gold |
| 1 | R20 | CPF0603F2K0C1 | 2 k | RESC1608L | Resistor | |
| 2 | R12, R14 | CRGCQ0603F2K2 | 2.2 k | RESC1608L | Resistor | |
| 1 | C12 | TDK | C2012X7R1C225K12 5AB | 2.2 µ | CAPC2012N | Capacitor |
| 1 | C19 | TDK | C2012X7R1C225K12 5AB | 2.2 µ | CAPC2012N | Capacitor |
| 1 | J8 | Wurth Electronics | 61300621121 | 2.54 mm THT Dual Pin Header, 6p | 61300621121 | Board−To−Board Connector, Vertical, 2.54 mm, 6 Contacts, Header, WR−PhD Series, Through Hole |
| 3 | R18, R21, R22 | CRG0603F4K7 | 4k7 | RESC1608L | Resistor | |
| 1 | C14 | TDK | CGA3E2X7R1H472 M080AA | 4.7 n | CAPC1608L | Capacitor |
| 1 | C37 | TDK | C1608X7R2A472K08 0AA | 4.7 n | CAPC1608L | Capacitor |
| 1 | L2 | Wurth Electronics | 7427922808 | 8 Ω @ 100 MHz | WE−MPSB_0603 | WE−MPSB EMI Multilayer Power Suppression Bead, size 0603, 8 Ω @ 100MHz |
| 5 | R10, R17, R19, R32, R39 | CRGCQ0603F10K | 10 k | RESC1608L | Resistor | |
| 3 | C20, C21, C22 | TDK | CGA3E2X7R1H103K 080AA | 10 n | CAPC1608L | Capacitor |
| 1 | R37 | CPF0603F20KC1 | 20 k | RESC1608L | Resistor | |
| 2 | C38, C40 | KEMET | C1206C226K9PACT U | 22 µ | CAPC3216N | Capacitor |
| 1 | C6 | Nichicon | UVR2A220MED | 22 µF | CAPPR2.5−6.3×11 | Capacitor |
| 1 | D10 | ON Semiconductor | NSPM0051MUT5G | 30 kV ESD 70 A 8/20 µs Surge | Case 517CZ | Transient Voltage Suppressors |
| 1 | R38 | CRGCQ0603F33R | 33E | RESC2012L | Resistor | |
| 2 | R4, R8 | CRGCQ0603F33K | 33 k | RESC1608L | Resistor | |
| 1 | R16 | CRGH0603F39K | 39 k | RESC1608L | Resistor | |
| 1 | R35 | CRGCQ0603F47K | 47 k | RESC1608L | Resistor | |
| 2 | C39, C41 | KEMET | C1210C476M9PAC | 47 µF | CAPC3225N | Capacitor |
| 1 | C7 | KEMET | A759MS566M1KAAE 045 | 56 µF | CAPPR5−10×12.5 | Capacitor |
| 1 | Q6 | ON Semiconductor | NVTFS6H888N | 80 V, 13 A, 55 mΩ | MKT−MLP08T | Power MOSFET 80 V, 55 m, 13 A, Single N−Channel |
| 1 | Q7 | FDMA037N08LC | 80 V, 6 A, 36.5 mΩ | Case 511DB | MOSFET FET 80 V 3.7 MΩ MLP33 |
Table 1. BILL OF MATERIAL (continued)
| 4 | R25, R26, R29, R30 | CRGCQ0603F100R | 100 E | RESC1608L | Resistor | |
| 1 | P1 | Vishay | TS53YJ103MR10 | 100 k | TS53YJ | 5 mm Square Surface Mount Miniature Trimmers Single−Turn Cermet Sealed 5 K 250 mW 35.4 V 20% |
| 5 | R1, R2, R3, R9, R43 | CRGCQ0603F100K | 100 k | RESC1608L | Resistor | |
| 1 | R40 | LVM25FVR100E−TR | 100 m | RESC6332N | Resistor | |
| 1 | R11 | CRA2512−FZ−R100 ELF | 100 m 1% 3W | RESC6332N | Resistor | |
| 3 | C11, C18, C23 | AVX | 06033C104KAT4A | 100 n | CAPC1608L | Capacitor |
| 4 | C8, C9, C28, C33 | TDK | C2012X7R2A104K12 5AA | 100 n | CAPC2012L | Capacitor |
onsemi,
, and other names, marks, and brands are registered and/or common law trademarks of Semiconductor Components Industries, LLC dba “onsemi” or its affiliates and/or subsidiaries in the United States and/or other countries. onsemi owns the rights to a number of patents, trademarks, copyrights, trade secrets, and other intellectual property. A listing of on semi’s product/patent coverage may be accessed at www.onsemi.com/site/pdf/Patent−Marking.pdf. onsemi is an Equal Opportunity/Affirmative Action Employer. This literature is subject to all applicable copyright laws and is not for resale in any manner.
The evaluation board/kit (research and development board/kit) (hereinafter the “Board”) is not a finished product and is not available for sale to consumers. The board is only intended for research, development, demonstration, and evaluation purposes and will only be used in laboratory/development areas by persons with engineering/technical training and familiar with the risks associated with handling electrical/mechanical components, systems, and subsystems. This person assumes full responsibility/liability for proper and safe handling. Any other use, resale, or redistribution for any other purpose is strictly prohibited.
THE BOARD IS PROVIDED BY ONSEMI TO YOU “AS IS” AND WITHOUT ANY REPRESENTATIONS OR WARRANTIES WHATSOEVER. WITHOUT LIMITING THE FOREGOING, ONSEMI (AND ITS LICENSORS/SUPPLIERS) HEREBY DISCLAIMS ANY AND ALL REPRESENTATIONS AND WARRANTIES IN RELATION TO THE BOARD, ANY MODIFICATIONS, OR THIS AGREEMENT, WHETHER EXPRESS, IMPLIED, STATUTORY, OR OTHERWISE, INCLUDING WITHOUT LIMITATION ANY AND ALL REPRESENTATIONS AND WARRANTIES OF MERCHANTABILITY, FITNESS FOR A PARTICULAR PURPOSE, TITLE, NON−INFRINGEMENT, AND THOSE ARISING FROM A COURSE OF DEALING, TRADE USAGE, TRADE CUSTOM OR TRADE PRACTICE.
onsemi reserves the right to make changes without further notice to any board.
You are responsible for determining whether the board will be suitable for your intended use or application or will achieve your intended results. Prior to using or distributing any systems that have been evaluated, designed, or tested using the board, you agree to test and validate your design to confirm the functionality of your application. Any technical, applications, or design information or advice, quality characterization, reliability data, or other services provided by on semi shall not constitute any representation or warranty by a semi, and no additional obligations or liabilities shall arise from semi having provided such information or services.
onsemi products including the boards are not designed, intended, or authorized for use in life support systems, any FDA Class 3 medical devices or medical devices with a similar or equivalent classification in a foreign jurisdiction, or any devices intended for implantation in the human body. You agree to indemnify, defend and hold harmless on semi, its directors, officers, employees, representatives, agents, subsidiaries, affiliates, distributors, and assigns, against any and all liabilities, losses, costs, damages, judgments, and expenses, arising out of any claim, demand, investigation, lawsuit, regulatory action or cause of action arising out of or associated with any unauthorized use, even if such claim alleges that on semi was negligent regarding the design or manufacture of any products and/or the board.
This evaluation board/kit does not fall within the scope of the European Union directives regarding electromagnetic compatibility, restricted substances (RoHS), recycling (WEEE), FCC, CE, or UL, and may not meet the technical requirements of these or other related directives.
FCC WARNING – This evaluation board/kit is intended for use for engineering development, demonstration, or evaluation purposes only and is not considered by one semi to be a finished end product fit for general consumer use. It may generate, use, or radiate radio frequency energy and has not been tested for compliance with the limits of computing devices pursuant to part 15 of FCC rules, which are designed to provide reasonable protection against radio frequency interference. Operation of this equipment may cause interference with radio communications, in which case the user shall be responsible, at its expense, to take whatever measures may be required to correct this interference.
onsemi does not convey any license under its patent rights nor the rights of others.
LIMITATIONS OF LIABILITY: onsemi shall not be liable for any special, consequential, incidental, indirect or punitive damages, including, but not limited to the costs of requalification, delay, loss of profits, or goodwill, arising out of or in connection with the board, even if onsemi is advised of the possibility of such damages. In no event shall semi’s aggregate liability from any obligation arising out of or in connection with the board, under any theory of liability, exceed the purchase price paid for the board, if any.
The board is provided to you subject to the license and other terms per on semi’s standard terms and conditions of sale. For more information and documentation, please visit
www.onsemi.com.
PUBLICATION ORDERING INFORMATION
LITERATURE FULFILLMENT:
Email Requests to: [email protected]
onsemi Website: www.onsemi.com
TECHNICAL SUPPORT
North American Technical Support:
Voice Mail: 1 800−282−9855
Toll-Free USA/Canada
Phone: 011 421 33 790 2910
Europe, Middle East, and Africa Technical Support:
Phone: 00421 33 790 2910
For additional information, please contact your local Sales Representative


















