ON Semiconductor STK5x4U3xx Compact IPM Series EVB Evaluation Board
STK5x4U3xx Series, NFAxxx60xxx Series Evaluation Board User’s Manual
Introduction
This user’s guide is intended to provide practical guidelines for the STK5x4U3xx series and NFAxxx60xxx series. From now on, these series are called the compact IPM series. It should be used in conjunction with the datasheet and application note
Product Description
The compact IPM series is Intelligent Power Module (IPM) for 3−phase motor drives which contain the main power circuitry and the supporting control circuitry.
The Compact IPMs are a fully−integrated inverter power stage consisting of a high−voltage driver, six IGBTs for three−phase inverter, six fast recovery diodes, three bootstrap diodes and a thermistor, suitable for driving permanent magnet synchronous (PMSM) motors, brushless−DC (BLDC) motors and AC asynchronous motors. The IGBTs are configured in a 3−phase bridge with separate emitter connections for the lower legs for maximum flexibility in the choice of control algorithm.
Features
- Three−phase 3 A ~ 15 A/600 V IGBT Module with Integrated Drivers
- Compact IPM 29.6 mm x 18.2 mm, Dual In−line Package
- Cross−conduction Protection
- Adjustable Over−current Protection Level
- Integrated Boot−strap Diodes and Resistors
- Enable Pin
- Thermistor
Typical Application
- Industrial Pumps, Fans and Automation
- Home Appliances
Table 1. LINE−UP
| STK5C4U332J−E | STK5Q4U352J−E | STK5C4U362J−E NFAQ1060L33T (Note 1) | NFAQ1560R43T (Note 1) | |
| Package | DIP−S (Note 2) | DIP−S3 (Note 3) | DIP−S3/6 (Note 3) | DIP−S6 (Note 3) |
| Voltage (VCEMAX) | 600 V | |||
| Current, IC | 3 A | 8 A | 10 A | 15 A |
| Peak Current, ICMAX | 6 A | 16 A | 20 A | 30 A |
| Isolation Voltage | 2000 V | |||
- Under development.
- DIP−S package is full package and has cavity hole.
- DIP−S3/6 are DBC version, DIP−S3 has cavity hole, DIP−S6 is no cavity hole.
COMPACT IPM SERIES EVB
EVALUATION BOARD DESCRIPTION
Schematic
Figure 1 shows a circuity of the evaluation board of Compact IPM. The evaluation board consists of interface circuit, bootstrap capacitors, snubber capacitor, short−circuit protection circuit, fault out circuit and one shunt resistor.![]()
Figure 2 shows the evaluation board of the Compact IPM.![]()
COMPACT IPM SERIES EVB
PCB Map
Figure 3 shows the PCB layout of compact IPM.![]()
Circuit Layout Design Guidance
- PCB size is 83.0 mm x 60.0 mm
- To avoid malfunction, the wiring of each input should be as short as possible. (Less than 2−3 cm)
- To prevent protection function errors, the “R12” and “C20” wiring should be as short as possible
- All the de−coupling capacitors and filter capacitors should be placed very close to IPM
- The short−circuit protection time constant
R12*C20 should be set in the range of 1.5~2.0 sec - The isolation distance of DC−P, U, V, W−phase, DC−N/GND block should be over 2.54 mm (100 mil) for 300 V~500 V P−N voltage
- Power−GND and signal−GND should be connected with each other through only one 1.5~2 mm width pattern
- To prevent surge destruction, the wiring between the filter capacitor and the P & Ground pins should be as short as possible. The use of a high frequency non−inductive capacitor (Snubber, C3) between the P & Ground pins is recommended. In addition to reducing local voltage spikes, the placement and quality of this capacitor will have a direct impact on both conducted and radiated EMI.
This evaluation board is simple, customer have to connect just the signal interface, VPN voltage and Motor connection (U/V/W). For future detail information, refer to the datasheet and application note.
Pin Description
Table 2. PIN DESCRIPTION
| Connection | Pin | Description |
| Signal Interface (CN1) | 1 | High−Side Input Signal from MCU (Phase U) |
| 2 | High−Side Input Signal from MCU (Phase V) | |
| 3 | High−Side Input Signal from MCU (Phase W) | |
| 4 | Low−Side Input Signal from MCU (Phase U) | |
| 5 | Low−Side Input Signal from MCU (Phase V) | |
| 6 | Low−Side Input Signal from MCU (Phase W) | |
| 7 | Fault−Out Signal to MCU | |
| 8 | TC Monitoring to MCU | |
| 9 | IPM Bias Supply +5 V Terminal | |
| 10 | IPM Bias Supply +15 V Terminal | |
| 11 | IPM Bias Supply GND Terminal | |
| Power Connection | P | Positive DC Link Input Connection |
| N | Negative DC Link Input Connection | |
| U | Motor Input Connection (Phase U) | |
| V | Motor Input Connection (Phase V) | |
| W | Motor Input Connection (Phase W) |
Printed Circuit Board![]()
BILL of Materials
Table 3. BILL OF MATERIALS
| Part No. | Type Name | Definition | pcs | Definition |
| R1 | MCR10EZPJ101 | 100 , 1/8W, 5% | 1 | ROHM |
| R2 | MCR10EZPJ101 | 100 , 1/8W, 5% | 1 | ROHM |
| R3 | MCR10EZPJ101 | 100 , 1/8W, 5% | 1 | ROHM |
| R4 | MCR10EZPJ101 | 100 , 1/8W, 5% | 1 | ROHM |
| R5 | MCR10EZPJ101 | 100 , 1/8W, 5% | 1 | ROHM |
| R6 | MCR10EZPJ101 | 100 , 1/8W, 5% | 1 | ROHM |
| R7 | MCR10EZPJ203 | 20 k , 1/8W, 5% | 1 | ROHM |
| R8 | MCR10EZPJ225 | 2.2 M , 1/8W, 5% | 1 | ROHM |
| R9 | MCR10EZPJ203 | 20 k , 1/8W, 5% | 1 | ROHM |
| R10 | MCR10EZPJ101 | 100 , 1/8W, 5% | 1 | ROHM |
| R11 | MCR10EZPJ472 | 4.7 k , 1/8W, 5% | 1 | ROHM |
| R12 | MCR10EZPJ201 | 200 , 1/8W, 5% | 1 | ROHM |
| R13 | MPR 5RS XXX | 0.10/0.04/0.03/0.02 , 5 W (Non−Inductive Resistor) | 1 | RARA ELEC. |
| C1 | CL21B104KB | 100 nF, 50 V | 1 | SAMSUNG ELEC. |
| C2 | KXL 33 µF, 35 V | 33 µF, 35 V | 1 | SAMYOUNG |
| C3 | PCMP483D6U104 | 0.1 µF, 630 V | 1 | PILKOR |
| C4 | CL21B102 KB | 1 nF, 50 V | 1 | SAMSUNG ELEC. |
| C5 | CL21B102 KB | 1 nF, 50 V | 1 | SAMSUNG ELEC. |
| C6 | CL21B102 KB | 1 nF, 50 V | 1 | SAMSUNG ELEC. |
| C7 | CL21B102 KB | 1 nF, 50 V | 1 | SAMSUNG ELEC. |
| C8 | CL21B102 KB | 1 nF, 50 V | 1 | SAMSUNG ELEC. |
| C9 | CL21B102 KB | 1 nF, 50 V | 1 | SAMSUNG ELEC. |
| C10 | CL21B104 KB | 100 nF, 50 V | 1 | SAMSUNG ELEC. |
| C11 | KXL 33 µF, 35 V | 33 µF, 35 V | 1 | SAMYOUNG |
| C12 | CL21B102 KB | 1 µF, 50 V | 1 | SAMSUNG ELEC. |
| C13 | CL21B102 KB | 1 µF, 50 V | 1 | SAMSUNG ELEC. |
| C14 | KXL 220 µF, 35 V | 220 µF, 35 V | 1 | SAMYOUNG |
| C15 | CL21B104 KB | 100 nF, 50 V | 1 | SAMSUNG ELEC. |
| C16 | CL21B102 KB | 1 nF, 50 V | 1 | SAMSUNG ELEC. |
| C17 | CL21B102 KB | 1 nF, 50 V | 1 | SAMSUNG ELEC. |
| C18 | CL21B102 KB | 1 nF, 50 V | 1 | SAMSUNG ELEC. |
| C19 | CL21B104 KB | 100 nF, 50 V | 1 | SAMSUNG ELEC. |
| C20 | CL21B103 KB | 10 nF, 50 V | 1 | SAMSUNG ELEC. |
| C21 | CL21B104 KB | 100 nF, 50 V | 1 | SAMSUNG ELEC. |
| C22 | KXL 33 µF, 35 V | 33 µF, 35 V | 1 | SAMYOUNG |
| ZD1 | MMSZ5252B | 24 V, 0.5 W | 1 | ON Semiconductor |
| ZD2 | MMSZ5252B | 24 V, 0.5 W | 1 | ON Semiconductor |
| ZD3 | MMSZ5252B | 24 V, 0.5 W | 1 | ON Semiconductor |
| ZD4 | MMSZ5252B | 24 V, 0.5 W | 1 | ON Semiconductor |
| CN1 | SMW250−11 | 11pin Connector | 1 | YEONHO |
| U1, V1, W1, P1, N1 | GP881191−2 | Tab Terminal | 1 | KET |
| IPM1 | Compact IPM | Motion−SPMTM in a small−DIP | 1 | ON Semiconductor |
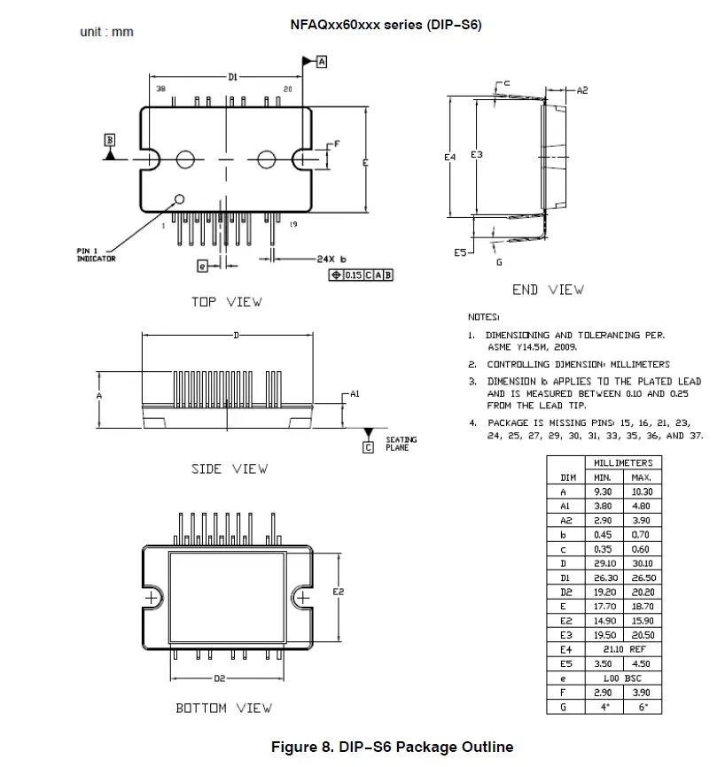
PACKAGE OUTLINE
- There are three kind of package type for compact IPM.
- The package of DIP-S shown in Figure 6, DIP-S3 shown in
- Figure 7 and DIP-S6 shown in Figure 8.
Package Outline and Dimension


Recommended Land Pattern 
HEAT SINK MOUNTING
Heat Sink Mounting and Torque
If a heat sink is used, insufficiently secure or inappropriate mounting can lead to a failure of the heat sink to dissipate heat adequately. This can lead to an inability of the device to provide its inherent performance, a serious reduction in reliability, or even destruction, burst and burn of the device due to overheating.
The following general points should be observed when mounting IPM on a heat sink:
- Verify the following points related to the heat sink:
- There must be no burrs on aluminum or copper heat sinks
- Screw holes must be countersunk
- There must be no unevenness in the heat sink surface that contacts IPM
- There must be no contamination on the heat sink surface that contacts IPM
- Highly thermal conductive silicone grease needs to be applied to the whole back (substrate side) uniformly, and mount IPM on a heat sink. Upon re−mounting apply silicone grease (50um to 100um) again uniformly
- For an intimate contact between the IPM and the heat sink, the mounting screws should be tightened gradually and sequentially while a left/right balance in pressure is maintained. Either a bind head screw or a truss head screw is recommended. Please do not use tapping screw. We recommend using a flat washer in order to prevent slack. The standard heat sink mounting condition of Compact IPM series is as follows
Table 4. MOUNTING CONDITION
| Item | Recommended Condition |
| Pitch | 26.0±0.1 mm (Please refer to package outline diagram) |
| Screw | Diameter: M3 Bind machine screw, Truss machine screw, Pan machine screw |
| Washer | Plane washer, Don’t use spring washer The size is D: 7.0 mm, d: 3.2 mm and t: 0.5 mm |
| Heat sink | Material: Copper or Aluminum Warpage (the surface that contacts IPM) : −50 ~ 50 µm Screw holes must be countersunk No contamination on the heat sink surface that contacts IPM |
| Torque | DIP−S/DIP−S3/DIP−S6 Final tightening : 0.4 ~ 0.6 Nm Temporary tightening : 50 ~ 60% of final tightening |
| Grease | Silicone grease Thickness : 50 ~ 100 µm Uniformly apply silicon grease to whole back (Figure 12) |
![]()
Steps to mount an IPM on a heat sink
- Temporarily tighten maintaining a left/right balance.
- Finally tighten maintaining a left/right balance.
Mounting and PCB considerations
In designs in which the printed circuit board and the heat sink are mounted to the chassis independently, use a mechanical design which avoids a gap between IPM and the heat sink, or which avoids stress to the lead frame of IPM by an assembly that slipping IPM is forcibly fixed to the heat sink with a screw.![]()
Figure 13. Fix to Heat Sink
Maintain a separation distance of at least 1.5 mm between the IPM case and the printed circuit board. In particular, avoid mounting techniques in which the IPM substrate or case directly contacts the printed circuit board.
Do not mount IPM with a tilted orientation. This can result in stress being applied to the lead frame and IPM substrate could short out tracks on the printed circuit board. Always mount the IPM vertically. If stress is given by compulsory correction of a lead frame after the mounting, a lead frame may drop out. Be careful of this point.![]()
Since the use of sockets to mount IPM can result in poor contact with IPM leads, we strongly recommend making direct connections to PCB.
IPMs are flame retardant. However, under certain conditions, it may burn, and poisonous gas may be generated or it may explode. Therefore, the mounting structure of the IPM should also be flame retardant.
Mounting on a Printed Circuit Board
- Align the lead frame with the holes in the printed circuit board and do not use excessive force when inserting the pins into the printed circuit board. To avoid bending the lead frames, do not try to force pins into the printed circuit board unreasonably
- Do not insert IPM into printed circuit board with an incorrect orientation, i.e. be sure to prevent reverse insertion. IPM may be destroyed, exploded, burned or suffer a reduction in their operating lifetime by this mistake
- Do not bend the lead frame
ON Semiconductor and the ON Semiconductor logo are trademarks of Semiconductor Components Industries, LLC dba ON Semiconductor or its subsidiaries in the United States and/or other countries. ON Semiconductor owns the rights to a number of patents, trademarks, copyrights, trade secrets, and other intellectual property. A listing of ON Semiconductor’s product/patent coverage may be accessed at www.onsemi.com/site/pdf/Patent−Marking.pdf. ON Semiconductor is an Equal Opportunity/Affirmative Action Employer. This literature is subject to all applicable copyright laws and is not for resale in any manner.
The evaluation board/kit (research and development board/kit) (hereinafter the “board”) is not a finished product and is as such not available for sale to consumers. The board is only intended for research, development, demonstration and evaluation purposes and should as such only be used in laboratory/development areas by persons with an engineering/technical training and familiar with the risks associated with handling electrical/mechanical components, systems and subsystems. This person assumes full responsibility/liability for proper and safe handling. Any other use, resale or redistribution for any other purpose is strictly prohibited.
The board is delivered “AS IS” and without warranty of any kind including, but not limited to, that the board is production−worthy, that the functions contained in the board will meet your requirements, or that the operation of the board will be uninterrupted or error free. ON Semiconductor expressly disclaims all warranties, express, implied or otherwise, including without limitation, warranties of fitness for a particular purpose and non−infringement of intellectual property rights.
ON Semiconductor reserves the right to make changes without further notice to any board.
You are responsible for determining whether the board will be suitable for your intended use or application or will achieve your intended results. Prior to using or distributing any systems that have been evaluated, designed or tested using the board, you agree to test and validate your design to confirm the functionality for your application. Any technical, applications or design information or advice, quality characterization, reliability data or other services provided by ON Semiconductor shall not constitute any representation or warranty by ON Semiconductor, and no additional obligations or liabilities shall arise from ON Semiconductor having provided such information or services.
The boards are not designed, intended, or authorized for use in life support systems, or any FDA Class 3 medical devices or medical devices with a similar or equivalent classification in a foreign jurisdiction, or any devices intended for implantation in the human body. Should you purchase or use the board for any such unintended or unauthorized application, you shall indemnify and hold ON Semiconductor and its officers, employees, subsidiaries, affiliates, and distributors harmless against all claims, costs, damages, and expenses, and reasonable attorney fees arising out of, directly or indirectly, any claim of personal injury or death associated with such unintended or unauthorized use, even if such claim alleges that ON Semiconductor was negligent regarding the design or manufacture of the board.
This evaluation board/kit does not fall within the scope of the European Union directives regarding electromagnetic compatibility, restricted substances (RoHS), recycling (WEEE), FCC, CE or UL, and may not meet the technical requirements of these or other related directives.
FCC WARNING – This evaluation board/kit is intended for use for engineering development, demonstration, or evaluation purposes only and is not considered by ON Semiconductor to be a finished end product fit for general consumer use. It may generate, use, or radiate radio frequency energy and has not been tested for compliance with the limits of computing devices pursuant to part 15 of FCC rules, which are designed to provide reasonable protection against radio frequency interference. Operation of this equipment may cause interference with radio communications, in which case the user shall be responsible, at its expense, to take whatever measures may be required to correct this interference.
ON Semiconductor does not convey any license under its patent rights nor the rights of others.
LIMITATIONS OF LIABILITY: ON Semiconductor shall not be liable for any special, consequential, incidental, indirect or punitive damages, including, but not limited to the costs of requalification, delay, loss of profits or goodwill, arising out of or in connection with the board, even if ON Semiconductor is advised of the possibility of such damages. In no event shall ON Semiconductor’s aggregate liability from any obligation arising out of or in connection with the board, under any theory of liability, exceed the purchase price paid for the board, if any.
For more information and documentation, please visit www.onsemi.com.
PUBLICATION ORDERING INFORMATION
LITERATURE FULFILLMENT:
Email Requests to: [email protected]
ON Semiconductor Website: www.onsemi.com
TECHNICAL SUPPORT
North American Technical Support:
Voice Mail: 1 800−282−9855 Toll Free USA/Canada Phone: 011 421 33 790 2910



















