Operation Manual
PRODUCT NAME
Valve Controller
MODEL / Series / Product Number
VXFC06D
VXFC10D
VXFC06D-6
VXFC10D-6
Safety Instructions
These safety instructions are intended to prevent hazardous situations and/or equipment damage.
These instructions indicate the level of potential hazard with the labels of “Caution,” “Warning” or “Danger.”
They are all important notes for safety and must be followed in addition to International Standards (ISO/IEC)*1) , and other safety regulations.
*1) ISO 4414: Pneumatic fluid power — General rules relating to systems.
ISO 4413: Hydraulic fluid power — General rules relating to systems.
IEC 60204-1: Safety of machinery — Electrical equipment of machines .(Part 1: General requirements) ISO 10218: Manipulating industrial robots -Safety. etc.
Caution
Caution indicates a hazard with a low level of risk which, if not avoided, could result in minor or moderate injury.
Warning
Warning indicates a hazard with a medium level of risk which, if not avoided, could result in death or serious injury.
Danger
Danger indicates a hazard with a high level of risk which, if not avoided, will result in death or serious injury.
Warning
- The compatibility of the product is the responsibility of the person who designs the equipment or decides its specifications.
Since the product specified here is used under various operating conditions, its compatibility with specific equipment must be decided by the person who designs the equipment or decides its specifications based on necessary analysis and test results. The expected performance and safety assurance of the equipment will be the responsibility of the person who has determined its compatibility with the product. This person should also continuously review all specifications of the product referring to its latest catalog information, with a view to giving due consideration to any possibility of equipment failure when configuring the equipment. - Only personnel with appropriate training should operate machinery and equipment. The product specified here may become unsafe if handled incorrectly. The assembly, operation and maintenance of machines or equipment including our products must be performed by an operator who is appropriately trained and experienced.
- Do not service or attempt to remove product and machinery/equipment until safety is confirmed.
1.The inspection and maintenance of machinery/equipment should only be performed after measures to prevent falling or runaway of the driven objects have been confirmed.
2.When the product is to be removed, confirm that the safety measures as mentioned above are implemented and the power from any appropriate source is cut, and read and understand the specific product precautions of all relevant products carefully.
3. Before machinery/equipment is restarted, take measures to prevent unexpected operation and malfunction. - Contact SMC beforehand and take special consideration of safety measures if the product is to be used in any of the following conditions.
1. Conditions and environments outside of the given specifications, or use outdoors or in a place exposed to direct sunlight.
2. Installation on equipment in conjunction with atomic energy, railways, air navigation, space, shipping, vehicles, military, medical treatment, combustion and recreation, or equipment in contact with food and beverages, emergency stop circuits, clutch and brake circuits in press applications, safety equipment or other applications unsuitable for the standard specifications described in the product catalog.
3. An application which could have negative effects on people, property, or animals requiring special safety analysis.
4.Use in an interlock circuit, which requires the provision of double interlock for possible failure by using a mechanical protective function, and periodical checks to confirm proper operation.
Caution
The product is provided for use in manufacturing industries.
The product herein described is basically provided for peaceful use in manufacturing industries.
If considering using the product in other industries, consult SMC beforehand and exchange specifications or a contract if necessary.
If anything is unclear, contact your nearest sales branch.
Limited warranty and Disclaimer/Compliance Requirements
The product used is subject to the following “Limited warranty and Disclaimer” and “Compliance Requirements”.
Read and accept them before using the product.
Limited warranty and Disclaimer
- The warranty period of the product is 1 year in service or 1.5 years after the product is delivered,whichever is first.*2) Also, the product may have specified durability, running distance or replacement parts. Please consult your nearest sales branch.
- For any failure or damage reported within the warranty period which is clearly our responsibility, a replacement product or necessary parts will be provided. This limited warranty applies only to our product independently, and not to any other damage incurred due to the failure of the product.
- Prior to using SMC products, please read and understand the warranty terms and disclaimers noted in the specified catalog for the particular products. *2) Vacuum pads are excluded from this 1 year warranty. A vacuum pad is a consumable part, so it is warranted for a year after it is delivered. Also, even within the warranty period, the wear of a product due to the use of the vacuum pad or failure due to the deterioration of rubber material are not covered by the limited warranty.
Compliance Requirements
- The use of SMC products with production equipment for the manufacture of weapons of mass destruction(WMD) or any other weapon is strictly prohibited.
- The exports of SMC products or technology from one country to another are governed by the relevant security laws and regulation of the countries involved in the transaction. Prior to the shipment of a SMC product to another country, assure that all local rules governing that export are known and followed.
Caution
SMC products are not intended for use as instruments for legal metrology.
Measurement instruments that SMC manufactures or sells have not been qualified by type approval tests relevant to the metrology (measurement) laws of each country.
Therefore, SMC products cannot be used for business or certification ordained by the metrology (measurement) laws of each country.
Specifications
Warning
- Confirm the specifications.
If the voltage or temperature are outside the specification range, it may cause destruction, malfunction,electric shock or fire. - Confirm the specifications of the connecting valve
Check that the electrical specification of the valve; rated voltage, leakage current, etc. conform to the specifications of the controller.
If they are outside the specification range, it may cause destruction, malfunction, electric shock or fire.
Storage
Caution
- Avoid direct sunlight or ultraviolet ray.
It may break/ damage the resin parts. - Do not store in an atmosphere where the product may be exposed to water, solvents, oils and chemicals.
This may cause rust and/or corrosion on the metal parts and deterioration of resin parts. - Do not use in environments where the product may be exposed to particles or dust.
This may cause burnout of electrical parts such as short circuits on the terminal block. - Do not store in a strong magnetic field atmosphere.
This may cause electrical components such as transistors to malfunction.
Mounting
Warning
- Install with the power turned off.
Touching the electrical connection of the valve controller (naked charging unit) may cause electric shock. Be sure to turn off the power before working with this product. - Do not apply external force to the board or element.
Do not drop, hit or apply excessive shock to the product.
Even if the board body is not damaged, the element may be damaged and cause malfunction.
Caution
- Allow for sufficient space for maintenance.
When installing the products, allow access for maintenance. - Tighten threads with the proper tightening torque.
If the screws are tightened in excessive of the specified torque range, it may damage the mounting screws, mounting brackets, board, etc.
If the tightening torque is insufficient, the mounting screws and brackets may become loose.
| Nominal thread size | Appropriate tightening torque (Nm) |
| M3 | 0.2~0.3 |
| M4 | 0.6~0.7 |
Wiring
Warning
- Check the terminal number when wiring.
Incorrect wiring can lead to controller failure and malfunction. Please check the terminal number before wiring. - Make sure that no excessive force is applied to the lead wires.
Broken lead wires will result if bending stresses or tensile forces are applied to the lead wires. - Check the insulation of the wiring.
Avoid defective insulation (crossed lines with other circuit, ground fault, defective insulation between terminals, etc.) with the wiring. Excessive current can flow through the controller, which may cause damage.
Operating Environment
Warning
- Do not use in an atmosphere containing corrosive gases, chemicals, sea water, water, steam, or where there is direct contact with any of these. This may cause rust and/or corrosion on metal parts and deterioration of resin parts.
- Do not use in environments where Areas where the product may be exposed to particles or dust. This may cause burnout of electrical parts such as short circuits on the terminal block.
- Avoid direct sunlight or ultraviolet ray. It may break/ damage the resin parts.
- Do not use in potentially explosive environments. It must not be used in an environment with explosive gases, as there is a possibility of explosion.
- Do not mount the product in locations where it is exposed to radiant heat or other excessive heat. It may lead to damage or malfunction of the board or element.
- Do not store in a strong magnetic field atmosphere. This may cause electrical components such as transistors to malfunction.
- Do not operate in a location subject to vibration or impact. It may lead to damage or malfunction of the board or element.
Maintenance
Warning
- Perform regular inspections and confirm normal operation.
Otherwise it may be impossible to guarantee safety due to unexpected malfunction or erroneous operation.
Please check once every 6 months. - Inspection before maintenance
Turn off the power supply and check safety before removing the product.
Setting
Warning
- Turn the power switch off before changing the timer settings, etc. Setting up with the power switch on may cause malfunction or operation non-conformance.
- Specifications
Table 1 Specifications
| Product No. | VXFC06D | VXFC10D | VXFC06D-6 | VXFC10D-6 | |
| Number of outputs | 6 | 10 | 6 | 10 | |
| Common | 6 in 1 Common | 10 in 1 common | 6 in 1 common | 10 in 1 common | |
| Power supply voltage | 24VDC to 48VDC ±5% | 12VDC ±5% | |||
| Load output voltage *1 | 24VDC to 48VDC Same as the input power supply voltage. | 12VDC Same as the input power supply voltage. | |||
| Load output current *2 | 0.5A/ output | 0.5A/ output | |||
| Withstand Vltage | 800V/ 1output | ||||
| Leakage current | 1.5mA or less | ||||
| ON time | Setting range | 0.01 to 0.99sec | |||
| Min. unit | 0.01sec | ||||
| How to Set | Digital switch 2 digits | ||||
| Setting accuracy | ±2% | ||||
| OFF time | Setting range | 0 to 299sec | |||
| Min. unit | 1sec | ||||
| How to Set | Digital switch 3 digits | ||||
| Setting accuracy | ±2% | ||||
| Pulse repetition cycle | Possible to set 1 or 2 cycles | ||||
| Operation | Single | Continuous operation of a single unit Temporary Stop / Start Operation | |||
| Interlinking | Cascade transmission | ||||
| Ground connection | It is recommended to ground with resistance of 100 ohms or less | ||||
| Ambient temperature | 0 to 50oC (no condensation) | ||||
| Ambient humidity | 45 to 80% (no condensation) | ||||
※1: Use within the allowable voltage fluctuation range of the load to be connected.
※2: Check the current of the connected load does not exceed the load output current.
3. Names of Parts

(1) Power switch
Powered by turning to ON position. Output is started.
(2) Power supply LED
Lights up when switch is ON.
(3) Power supply terminal block (M4 terminal block)
Connect to DC+ and DC- within the range of DC24 to 48V.
(VXFC06D-6,VXFC10D-6:DC12V)
Connected voltage becomes the output voltage to valve. Also, connect earth ground with resistance of 100 ohms or less to FG.
(4) Common terminal block for output (M4 terminal block) Common terminal block for valve output.
(5) Output terminal block (M3 terminal block) Output terminal block for valve output Output from SV1 to SV10.
(6) Output display LED
LED corresponding to the terminal block lights up when the valve outputs. Display color: Green
(7) Input terminal block (M3 terminal block)
Input terminal block for temporary stop signal or cascade trigger signal. Electrical specifications: Photo coupler
(8) Output terminal block (M3 terminal block)
Output terminal block for cascade trigger signal.
Electrical Standard: O/C DC5V 25mA or less
(9) Dip switch for setting cascade or temporary stop.
Operation is changed by the combination of the switches.
| 1 | 2 | 3 | Operating conditions: |
| ON | ON | OFF | Cascade base |
| ON | OFF | OFF | Cascade remote |
| OFF | ON | OFF | Temporary stop (external power) |
| OFF | ON | ON | Temporary stop (internal power) |
| OFF | OFF | OFF | Single Operation |
(10)DIP switch for setting
Set the number of energisations (1 or 2) for each output.ON side: twice, OFF side: once
(11)Set the rotary switch (Refer to 6-4).
Set the number of outputs.
(12) Digital switch for setting ON time
Set the output time for the valve.
Set for 6 or 10 points at once.
(13) Digital switch for setting OFF time
Set the pause time between outputs.
Set for 6 or 10 points at once.
(14) Status display LED
Lights up when cascading connection settings are enabled. (Display color: Green)
(15)Cascade input display LED
Lights up when cascade trigger signal is input. (Display color: Green)
Also lights up when a temporary stop signal is input.
(16) Cascade output display LED
Lights up when cascade trigger signal is output. (Display color: Green)
(17) Power fuse 〔125V/1A〕
If they become damaged, please replace them.
4. Wiring
1) Power input

(1) Make sure the power switch is off. If Switch is ON Turn the switch to OFF.
(2) Connect 12,24 to 48VDC to the terminal block.
(3) Connect the earth ground (resistance of 100 ohms or less) to the power terminal block (FG).
2) Valve output
(1) Make sure the power supply voltage and valve rated voltage match.
(2) Connect the valve to the output terminal block in order from SV1.
5. Description of operation
1. Check the wiring before supplying power.
1) Number of output
Set the rotary switch for output setting to the number of valves to be used.
(0 indicates 10 outputs)
Setting is read when powered or one cycle is completed.
① ”1” is specified

②”3” is specified
ONt: ON time setting
OFFt: OFF time setting
2)Setting the number of energizations (1 or 2). Determine which valves to have 1 or 2 outputs, and set the dip switch for the correct setting. (ON: twice, OFF side: once)

①When there are 4 outputs and “1” and ”3” are energized twice.

3) Time setting
Set the time to output to the valve (ON time) and the pause time (OFF time) to the next output.
※The above 1) to 3) can be changed even after power is on, but time cannot be set during operation. Changes are enabled from the next ON or OFF time..



6. Cascade connection
There are only outputs up to 10 points (6 points in the case of VXFC06A) on a single board. However, it is possible to increase the output points by cascading (multiple board connection). VXFC06D and VXFC10D can be cascaded to create a 16-point output, and it is possible to increase to any output points by combining boards.
Ⅰ. Connection method
- In the case of no cascading connection (operation of single unit)
Do not connect anything either to the input or output terminal block. - When connecting 2 Boards in cascade
1.Set the DIP switch for cascading with one board as base and the other as remote.
2.Connect the OUT1 of the base board to IN1 of the remote board and OUT2 of the
base board to IN2 of the remote board.
3.Connect OUT1 of the remote board to IN1 of the base board and OUT2 of the remote
board to IN2 of the base board. - In case of cascading 3 or more boards
1.Set only one DIP switch for cascading to base, and configure other boards to the remote.
2.Connect the OUT1 of the base board to IN1 of the remote board(1) and OUT2 of the base board to IN2 of the remote board(1).
3.Connect OUT1 of the remote board(1) to IN1 of the base board(2) and OUT2 of the remote board(1) to IN2 of the base board(2). In the same way, connect the remote board 3, 4 …n.
4.Connect OUT1 of the remote board(n) to IN1 of the base board and OUT2 of the remote board(n) to IN2 of the base board.

II. Setting of the DIP switch for cascading
1) DIP switch setting
For a cascading connection, set the board that operates first to the base.
Boards connected after the base are set as remote.
| 1 | 2 | 3 | Operating conditions: |
| ON | ON | OFF | Cascade base |
| ON | OFF | OFF | Cascade remote |

Ⅲ. Example for cascade connection
1) Setting
Cascaded board: 3 pcs.
| Setting | 1st. board | 2nd board | 3rd. board |
| Cascading | Base | Remote | Remote |
| Output setting | 3 output | 2 output | 3 output |

2) Operation seqence
Please see the following sequence under above setting.
7. Temporary stop operation
7-1. When an external power supply is used
I. Setting of DIP switch for temporary stop.
1) DIP switch setting
Change the DIP switch as shown below.
| 1 | 2 | 3 | Operating conditions: |
| OFF | ON | OFF | Temporary stop |

Ⅱ.How to connect
(1)Switch contact, relay contact output
Temporary stop operation: Switch / relay contact OFF
Re-Start operation: Switch / relay contact ON
(2) Transistor output
Temporary stop operation : Transistor OFF
Re-Start operation: Transistor ON
(3) Open collector output
Temporary stop operation: Open collector OFF
Re-Start operation: Open collector ON
7-2 When an internal power supply is used
I. Setting of DIP switch for temporary stop.
1) DIP switch setting
Change the DIP switch as shown below.
| 1 | 2 | 3 | Operating conditions: |
| OFF | ON | ON | Temporary stop |

II. How to Connect
(1) Connect a switch with OUT1 on one side and with IN1 on the other.

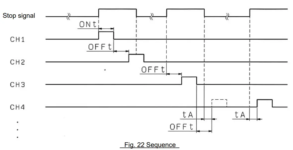
7.3 Sequence when temporary stop is operating
1) Operation sequence
The sequence of a temporary stop is shown below.
When the Switch is turned ON the temporary stop operation begins.
When the switch is turned OFF the operation stops.
Operation starts from the next output when the switch is ON again.
When the switch is turned OFF during the output, the operation stops after completing the output, and the operation stops until it is in the ON status.
If the power is OFF during operation is stopped, the status returns to the initial status.
SMC Corporation
4-14-1, Sotokanda, Chiyoda-ku, Tokyo 101-0021 JAPAN
Tel: + 81 3 5207 8249 Fax: +81 3 5298 5362
URL https://www.smcworld.com
Note: Specifications are subject to change without prior notice and any obligation on the part of the manufacturer.
© 2021 SMC Corporation All Rights Reserved



















