

Instruction Manual Supplement
D104028X012
DVC6200 SIS March 2022
Monitoring Health of External Solenoid Valve (SOV) with FIELDVUE ™ DVC6200 SIS Digital Valve
The FIELDVUE DVC6200 SIS digital valve controller can be used to monitor the capability of the external solenoid valve to exhaust when it is briefly de-energized (pulse test from the Logic Solver). This is achieved by using the digital valve controller to monitor the pressure drop on the external SOV when the voltage signal to the SOV is pulsed. The procedures contained in this Instruction Manual Supplement are to be considered as a guideline only and should be modified to address site‐specific requirements. Use these procedures in conjunction with the Safety manual (D103601X012) and Instruction Manual (D103557X012). In addition, exercise good engineering practices and abide by specific plant safety guidelines for safe operation.
WARNING
This document is not intended to be used as a stand‐alone document. It must be used in conjunction with the following
documents: Safety manual for FIELDVUE DVC6200 SIS Digital Valve Controller and Position Monitor (D103601X012) FIELDVUE DVC6200 SIS Instruction Manual (D103557X012) Failure to use this instruction manual supplement in conjunction with the above-referenced manuals could result in personal injury or property damage. If you have any questions regarding these instructions or need assistance in obtaining any of these documents, contact your Emersonsalesoffice.
Hardware and Software Requirements
The following equipment is required for testing and monitoring of SOV performance using the DVC6200 SIS:
- Single acting valve actuator assembly
- A Logic Solver or external means capable of creating a pulse (short voltage interruption) on the external SOV. The voltage interruptions must be configurable and repeatable. The typical voltage interruptions are in the range of 20 to 1000 ms depending upon size and volume of the actuator.
- An external SOV without local manual reset. Pulsing an SOV with a manual local reset will cause the SOV to trip and not automatically reset.
- A DVC6200 SIS digital valve controller with the following: Relay C or Relay B An additional impulse line (tubing) connected downstream of the solenoid valve
- ValveLink ™ software
Final Element Pneumatic Tubing Schematics
The DVC6200 SIS digital valve controller is available with two different internal pneumatic relays for use in single-acting applications:
RELAY C
DIRECT‐ACTING RELAY
DE-ENERGIZE TO TRIP
RELAY C is the configuration that will typically be used when the digital valve controller is used as a shutdown device and is directly connected to the DO of a Logic Solver.
RELAY B
REVERSE‐ACTING RELAY
ENERGIZE TO TRIP
RELAY B is the configuration that will typically be used when the digital valve controller is only used as a test device (Partial & Full Stroke Test) and is connected to a DCS and not a Logic Solver. The RELAY B configuration reduces spurious trips as failures on the DVC6000 SIS will not cause the safety valve to close (PASSIVE DEVICE).
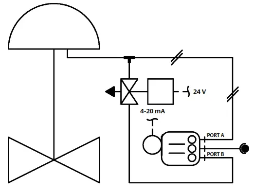
In order to have the digital valve controller measure pressure drop on the external SOV, additional tubing is required from downstream of the SOV to the digital valve controller’s available input port:
- RELAY C = the available input port to measure pressure downstream of the SOV is PORT B
- RELAY B = available input port to measure pressure downstream of the SOV is PORT A
The schematics shown in figures 1 and 2 illustrate external tubing requirements when used with RELAY C or RELAY B configuration.
Figure 1. Relay C
(Direct‐Acting Relay = De‐Energize to Trip) 
PRESSURE IMPULSE LINE FOR SOLENOID VALVE TESTING
Figure 2. Relay B
(Reverse‐Acting Relay = Energize to Trip) 
PRESSURE IMPULSE LINE FOR SOLENOID VALVE TESTING
Configuration Steps
- Ensure that the DVC6200 SIS digital valve controller, with a single‐acting relay, is powered separately from the solenoid.
- The unused output of the DVC6200 SIS must be connected between the solenoid and the actuator as described in the Final Element Pneumatic Tubing Schematics section.
- The relay configuration selection must be “special application” and
- ValveLink software must have Triggered Profile enabled, see below. However,
- If SIS Triggers are enabled you must use the Profile view, as using Triggered Profile will overwrite the existing trigger definitions (see figure 3). See page 6 for information on setting up a Profile.
- Configure the Logic Solver.
Figure 3. Existing Trigger Definitions will be Overwritten
Setting Up SOV Health Monitoring
Triggered Profile
The Triggered Profile diagnostic test collects predefined profile data when a triggered event occurs in the instrument.
The Performance Diagnostics Triggered Profile configuration screen is accessible from the ValveLink software menu shown in figure 4.
Figure 4. Accessing Triggered Profile
In order to have the DVC6200 SIS record pressure and travel when a SOV pulse test occurs the Pressure Differential Event has to be enabled, as shown in figure 5.
Figure 5. Selecting the Trigger Event
Trigger Record Length will typically be set to 20 seconds if the purpose of the Trigger Profile Diagnostic is to record only the SOV pulse test. The length may be increased to 60 – 100 seconds if the user intends to also record safety and spurious trip information using the same trigger event (i.e. Pressure Differential). Both pulsing and tripping the SOV will cause the Profile Diagnostic to record data if the trigger event is Pressure Differential.
Then, Clear Instrument Buffer as shown in figure 6.
Figure 6. Clearing Instrument Buffer
Profile
Using Profile allows you to preserve the user-set SIS Triggers.
The Performance Diagnostics Profile configuration screen is accessible from the ValveLink software menu as shown in figure 7.
Figure 7. Accessing Profile
Click the Profile diagnostic test to collect the specified date.
Figure 8. Profile Diagnostic
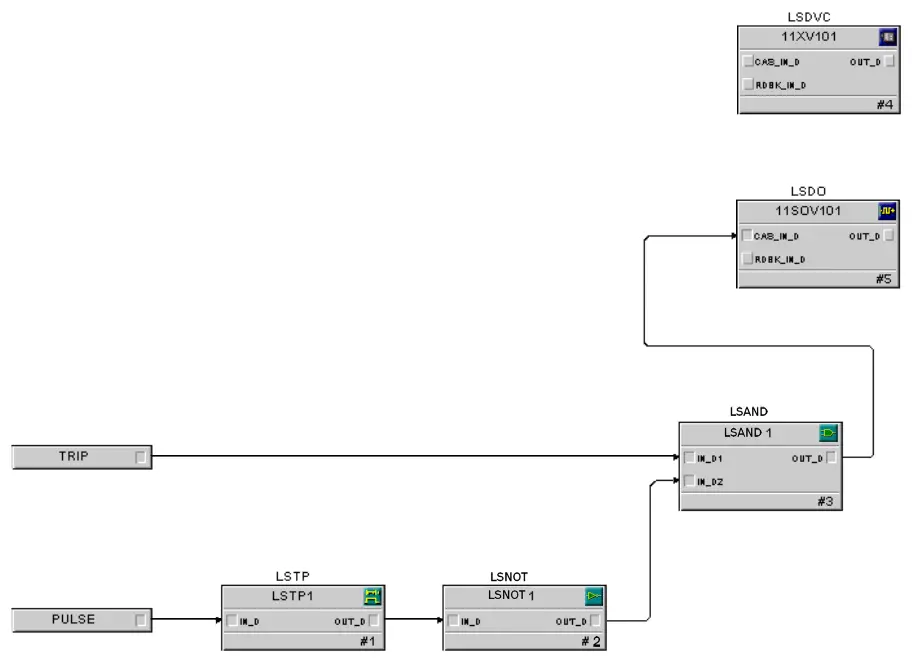
Pulse the SOV from the Logic Solver
Use the Logic Solver or other external means to briefly de-energize the SOV. For example, when using DeltaV SIS, an
LSTP block can be used to control duration of the pulse test, as shown in figure 9.
Figure 9. Defining Pulse Duration
Determining Pulse Duration Time
The pulse duration must be long enough to monitor a pressure differential across the SOV yet also be fast enough not to create any valve movement. Typically the pulse duration is in the range of 20 to 1000 ms depending upon actuator size and volume.
A brief test can be conducted during a Factory Acceptance Test (FAT) to define the best pulse duration for a Final Control Element. The ValveLink software Performance Diagnostic Profile can run continuously while the Logic Solver is pulsing the SOV starting with a pulse duration of 20 ms up to 1000 ms (see figure 10).
Figure 10. Example of Pulse Test
In this example, only the first pulse test (100ms) is acceptable. The 100 ms pulse duration is the only one which is not cause the valve to move (Valve Travel in green).
Performing SOV Health Monitoring while In-Service
ValveLink software is not necessary for the detection and recording of the pulse signature. The DVC6200 SIS digital valve controller does it automatically, however it is recommended to have ValveLink software continuously connected with the digital valve controller to be able to upload the pulse signature from the instrument memory. When the digital valve controller detects a pressure drop on the SOV, it starts to record the pre-configured collection variables during the pre-defined Trigger Record Length. Data is stored in the instrument memory and the instrument is ready to record a new pulse test as soon as a new trigger event (Pressure Differential in the example shown in figure 11) is detected. When data is available in the instrument memory for upload the Diag Data Available alert is activated.
The Diag Data Available alert is visible/available from the EDDL Alerts Status view or from the ValveLink software monitoring diagnostic.
The Diag Data Available alert will remain active until it is cleared from instrument buffer memory using ValveLink software. It is recommended that you upload the pulse signature and clear the memory buffer after each individual test.
Examine the graph and observe that there was a change in the pressure reading downstream of the solenoid. The SOV is considered healthy (i.e. not stuck) when the DVC6200 SIS detects a brief pressure drop on the SOV after the pulse.
Figure 11. Collection Variables
Figure 12 illustrates an example of SOV Health Monitor Trigger Event:
Figure 12. SOV Health Monitor Test Result Example
The trigger event is assigned a time/date stamp and can be saved within the ValveLink software database for future reference or recordkeeping purposes.
Neither Emerson, Emerson Automation Solutions, nor any of their affiliated entities assumes responsibility for the selection, use or maintenance of any product. Responsibility for proper selection, use, and maintenance of any product remains solely with the purchaser and end user.
Fisher, FIELDVUE, and ValveLink are marks owned by one of the companies in the Emerson Automation Solutions business unit of Emerson Electric Co. Emerson Automation Solutions, Emerson, and the Emerson logo are trademarks and service marks of Emerson Electric Co. All other marks are the property of their respective owners.
The contents of this publication are presented for informational purposes only, and while every effort has been made to ensure their accuracy, they are not to be construed as warranties or guarantees, express or implied, regarding the products or services described herein or their use or applicability. All sales are governed by our terms and conditions, which are available upon request. We reserve the right to modify or improve the designs or specifications of such products at any time without notice.
Emerson Automation Solutions
Marshalltown, Iowa 50158 USA
Sorocaba, 18087 Brazil Cernay, 68700 France
Dubai, United Arab Emirates Singapore 128461 Singapore
www.Fisher.com
2015, 2022 Fisher Controls International LLC. All rights reserved.


















