Vertical EconoMi er Accessory for Small Rooftop Products

SAFETY CONSIDERATIONS
Installation of this accessory can be hazardous due to system pressures, electrical components, and equipment location (such as a roof or elevated structure). Only trained, qualified installers and service technicians should install, start-up, and service this equipment.
When installing this accessory, observe precautions in the literature, labels attached to the equipment, and any other safety precautions that apply:
- Follow all safety codes
- Wear safety glasses and work gloves
- Use care in handling and installing this accessory
It is important to recognize safety information. This is the safety-alert symbol: . When you see this symbol on the unit and in instructions or manuals, be alert to the potential for personal injury. Understand the signal words DANGER, WARNING, CAUTION, and NOTE. These words are used with the safety-alert symbol. DANGER identifies the most serious hazards which will result in severe personal injury or death. WARNING signifies hazards which could result in personal injury or death. CAUTION is used to identify unsafe practices, which may result in minor personal injury or product and property damage. NOTE is used to highlight suggestions which will result in enhanced installation, reliability, or operation.
DANGER
ELECTRICAL SHOCK HAZARD
Failure to follow this warning will result in personal injury or death.
Before performing service or maintenance operations on unit, turn off main power switch to unit and install lock(s) and lock-out tag(s). Ensure electrical service to rooftop unit agrees with voltage and amperage listed on the unit rating plate. Unit may have more than one power switch.
PERSONAL INJURY HAZARD
Failure to follow this caution may result in personal injury.
Sheet metal parts may have sharp edges or burrs. Use care and wear appropriate protective clothing, safety glasses and gloves when handling parts and servicing air conditioning equipment.
GENERAL
The EconoMi$er IV system utilizes the latest technology available for integrating the use of free cooling with mechanical cooling for packaged rooftop units. The solid-state control system optimizes energy consumption, zone comfort, and equipment cycling by operating the compressors when the outdoor-air temperature is too warm, integrating the compressor with outdoor air when free cooling is available, and locking out the compressor when outdoor-air temperature is too cold. Demand control ventilation is supported.
The EconoMi$er IV system utilizes gear-drive technology with a direct-mount spring return actuator that will close upon loss of power. The EconoMi$er IV system comes standard with an outdoor air temperature sensor, supply air temperature sensor, and low temperature compressor lockout switch. Outdoor enthalpy, indoor enthalpy, and CO2 sensors are available for field installation.
Standard barometric relief dampers provide natural building pressurization control. An optional power exhaust system is available for applications requiring even greater exhaust capabilities. The power exhaust set point is adjustable at the EconoMi$er IV controller.
See Table 1 for package usage. See Table 2 for package contents. See Table 3 for sensor usage. See Fig. 1 for EconoMi$er IV component locations.
Table 1 — Package Usage
| UNIT SIZE | PART NUMBER |
| Small Cabinet, Footprint size: 46-3/4 in. x 74-3/8 in. | CRECOMZR020A02 |
| Large Cabinet, Footprint size: 58-1/2 in. x 88-1/8 in. | CRECOMZR021A03 |
| Extra-Large Cabinet, Footprint size: 63-3/8 in. x 115–7/8 in. | CRECOMZR062A00 |
Table 2 — Package Contents
| PACKAGE NO. | QTY | CONTENTS |
|
CRECOMZR020A02, CRECOMZR021A03 | 1 | Hood Top and Sides |
| 1 | Hood Divider | |
| 1 | Aluminum Filter | |
| 18 | Screws | |
| 1 | EconoMi$er IV Assembly | |
| 1 | Supply Air Temperature Sensor | |
|
CRECOMZR062A00 | 1 | Hood Top and Sides |
| 1 | Hood Divider | |
| 1 | Hood Filter Divider | |
| 2 | Aluminum Filters | |
| 1 | Hardware Bag | |
| 1 | EconoMi$er IV Assembly | |
| 1 | Supply Air Temperature Sensor |
Table 3 — EconoMi$er IV Sensor Usage
| APPLICATION | ECONOMI$ER IV WITH OUTDOOR AIR DRY BULB SENSOR |
| Accessories Required | |
| OUTDOOR AIR DRY BULB | None. The outdoor air dry bulb sensor is factory installed. |
| SINGLE ENTHALPY | HH57AC078 |
| DIFFERENTIAL ENTHALPY | HH57AC078 and CRENTDIF004A00* |
| CO2 FOR DCV CONTROL USING A WALL-MOUNTED CO2 SENSOR | 33ZCSENCO2 or CGCDXSEN004A00 |
| CO2 FOR DCV CONTROL USING A DUCT-MOUNTED CO2 SENSOR | 33ZCSENCO2 or CGCDXSEN004A00† and 33ZCASPCO2 or CGCDXASP00100** OR CRCBDIOX005A00†† |
| DESCRIPTION | PART NUMBER |
| Small Cabinet Power Exhaust 208-230v 1 Ph | CRPWREXH030A01 |
| Small Cabinet Power Exhaust 460v 3 Ph | CRPWREXH021A01 |
| Large Cabinet Power Exhaust 208-230v 1 Ph | CRPWREXH022A01 |
| Large Cabinet Power Exhaust 460v 3 Ph | CRPWREXH023A01 |
| Extra Large Cabinet Power Exhaust 208-230v 1 Ph | CRPWREXH080A00 |
| Extra Large Cabinet Power Exhaust 460v 3 Ph | CRPWREXH081A00 |
| Outdoor Air Enthalpy Sensor | HH57AC078 |
| Indoor Air Enthalpy Sensor | CRENTDIF004A00 |
| Return Air CO2 Sensor (4 to 20 mA) | CRCBDIOX005A00 |
| CO2 Room Sensor (4 to 20 mA) | 33ZCSENCO2 or CGCDXSEN004A00 |
| Aspirator Box for Duct Mount CO2 Sensor (4 to 20 mA) | 33ZCASPCO2 or CGCDXASP001A00 |
| Space Temperature and CO2 Room Sensor with Override (4 to 20 mA) | 33ZCT55CO2 |
| Space Temperature and CO2 Room Sensor with Override and Set Point (4 to 20 mA) | 33ZCT56CO2 |
CRENTDIF004A00 accessory is used on many different base units. As such, these kits may contain parts that will not be needed for installation. †33ZCSENCO2 and CGCDXSEN004A00 are accessory CO2 sensors. **33ZCASPCO2 and CGCDXASP00100 are accessory aspirator boxes required for duct-mounted applications.
††CRCBDIOX005A00 is an accessory that contains both 33ZCSENCO2 and 33ZCASPCO2 accessories.
ACCESSORIES LIST
The EconoMi$er IV system has several field-installed accessories available to optimize performance. See Table 4 for authorized parts and power exhaust descriptions.
Table 4 — EconoMi$er IV Field-Installed Accessories
INSTALLATION
- Turn off unit power supply(s) and install lockout tag.
WARNING
ELECTRICAL OPERATION HAZARD
Failure to follow this warning could result in personal injury or death.
Disconnect power supply and install lockout tag before at-tempting to install accessory. - Remove the existing unit filter access panel. (See Fig. 2.) Raise the panel and swing the bottom outward. The panel is now disengaged from the track and can be removed.
- Remove the indoor coil access panel and discard. (See Fig. 2.)
- The box with the EconoMi$er IV hood components is shipped with the EconoMi$er IV assembly. Remove hood from packaging. The hood top and sides are shipped factory assembled. (See Fig. 3.)
NOTE: If the power exhaust accessory is to be installed on the unit, the hood shipped with the EconoMi$er IV assembly will not be used and may be discarded. Save the aluminum filter for use in the power exhaust hood assembly. - Insert the hood divider between the hood sides. (See Fig. 3) Secure hood divider with 2 screws (provided) on each hood side. Screws should go through the hood sides into the divider. The hood divider is also used as the bottom filter rack for the aluminum filter. (See Fig. 4.) Install filter divider on hood for extra large cabinet. (See Fig. 5.)
- Set the EconoMi$er IV assembly upright. (See Fig. 6.)
- Slide the EconoMi$er IV assembly into the rooftop unit. (See Fig. 6). On small and large cabinets be sure to engage the rear EconoMi$er IV flange under the tabs in the return-air opening of the unit base. (See Fig. 7.)
- Secure the EconoMi$er IV system to the unit along side and bottom flanges using the screws provided.
- Remove the tape securing the relief dampers in place.
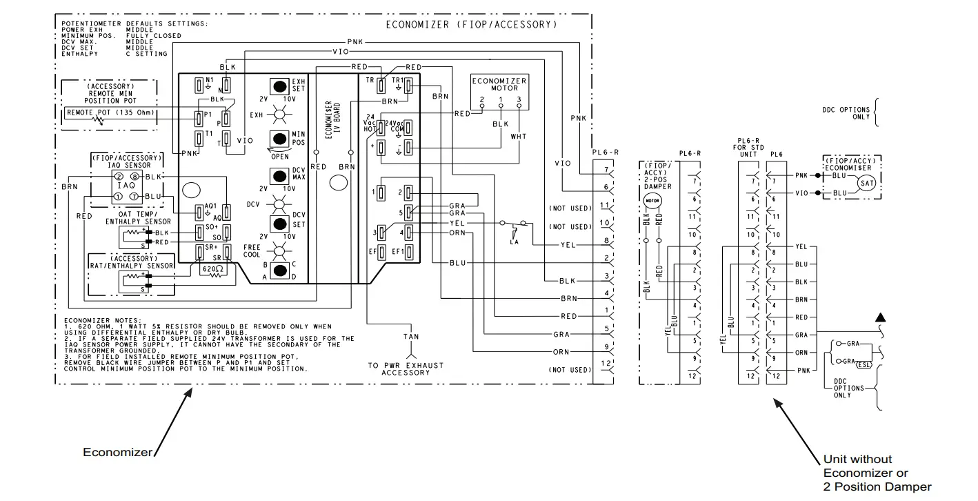
- Remove and save the 12-pin jumper plug from the unit wiring harness (located in the upper left corner of the unit). (See Fig. 6.) Insert the EconoMi$er IV plug into the unit wiring harness. Refer to Fig. 8 for wiring diagram.
NOTE: The 12-pin jumper plug should be saved for future use, in the event that the EconoMi$er IV system is removed from the unit. The jumper plug is not needed as long as the EconoMi$er IV system is installed. - The outside air temperature (OAT) is taped to the front economizer divider plate for shipping purposes. Relocate sensor to operating position as shown in Fig. 1.
- If EconoMi$er IV system will be operating under enthalpy control, replace the factory installed outdoor dry bulb tem-perature sensor with accessory enthalpy sensor HH57AC078.
- Remove the indoor fan motor access panel. (See Fig. 9.)
- The supply air temperature sensor looks like an eyelet terminal with wires running to it. The sensor is located on the “crimp end” and is sealed from moisture. Mount the supply air temperature sensor (provided) to the lower left section of the indoor fan blower housing. (See Fig. 10.) Use the screw provided and use existing hole. Connect the violet and pink wires to the corresponding connections on the supply air temperature sensor. (See Fig. 8.)
- While everything is open install and wire any other accessories and/or sensors as applicable and convenient, per their installation instructions and/or the Configuration section of this instruction. Some accessories require that unit ducting already be installed.
NOTE: If also installing a power exhaust accessory, skip Step 16 and follow the power exhaust instructions instead. - Install the EconoMi$er IV hood over the EconoMi$er IV system. Use screws provided. (See Fig. 11.)
- Review the controller setting options in the Configuration section.
- The standard EconoMi$er IV outdoor air sensor has a factory setting of 63°F (17°C) for the outdoor air temperature changeover and 55°F (13°C) for the supply air temperature sensor. The outdoor air temperature setting can be adjusted on the sensor by setting the dip switches on the sensor. (See Fig. 12.) The ABCD potentiometer on the EconoMi$er IV controller should be set to the “D” position.
- The low temperature compressor lockout switch setting is fixed at 42°F (6°C).
The minimum position for the outdoor damper can be configured at the controller. When not using CO2 sensors, set the DCV Max potentiometer to completely closed (CCW) to insure that the Minimum Position potentiometer functions correctly. When using a remote minimum position potentiometer, the Min Pos Pot on the controller must be fully CW. (See Fig. 13.)
Settings on the optional outdoor enthalpy sensor, indoor enthalpy sensor, power exhaust and CO2 sensor can be configured at the controller.
- Check all wiring for safety then reapply power to the unit. Verify correct operation and setting of the accessory(s) per the Configuration and Operations sections of the instruction.
- Replace the indoor fan motor access panel.
Replace the filter access panel. Slide top of panel into track and lift. Push bottom of panel into place.
Install the economizer hood filter(s) by opening the filter clips which are located underneath the hood top. Insert the aluminum filter(s) into the bottom filter rack (hood divider). Push the filter into position past the open filter clips. Close the filter clips to lock the filter into place. (See Fig. 4.)
Access Panel Locations
NOTE: The CRECOMZR062A00 hood has 2 aluminum filters and a hood filter divider that installs between the filters. (See Fig. 5.)
Fig. 3 — Hood Assembly
Fig. 4 — Filter Installation
Fig. 5 — Hood for Extra Large Cabinet
Fig. 6 — EconoMi$er IV Installed in HVAC Unit (3 to 6 Ton Shown)
Fig. 7 — Rear EconoMi$er IV Flange Installation (Small and Large Cabinet)
Fig. 8 — EconoMi$er IV Wiring
Fig. 9 — Typical Indoor Fan Motor Access Panel Locations
Fig. 10 — Supply Air Sensor Placement
Fig. 11 — EconoMi$er IV Hood Installation
CONFIGURATION
EconoMi$er IV Control Modes
Determine the EconoMi$er IV control mode before setup of the control. Some modes of operation may require different sensors (see Table 3). The EconoMi$er IV kits for field installation are supplied from the factory with supply air temperature sensors, low temperature compressor lockout switches, and outdoor air temperature sensors. This allows for operation of the EconoMi$er IV system with outdoor air dry bulb changeover control. Additional accessories can be added to allow for different types of changeover control and operation of the EconoMi$er IV system and unit.
Occupancy Control (R-22 Models)
The factory default configuration for the EconoMi$er IV control is occupied mode. Occupied status is provided by the black wire from Pin 3. When unoccupied mode is desired, install a field-supplied timeclock function interrupting the black wire to the N terminal. (See Fig. 8.) When the timeclock contacts are closed, the EconoMi$er IV control will be in occupied mode. When the timeclock contacts are open (removing the 24-v signal from terminal N), the Economizer IVcontrol will be in unoccupied mode.
Occupancy Control (R-410A Models)
The factory default configuration for the EconoMi$er IV control is occupied mode. Occupied status is provided by installing a field-supplied timeclock function on the OCCUPANCY terminals on the CTB (Central Terminal Board) in the unit’s main control box and cutting the “CUT FOR OCCUPANCY” jumper on the CTB (See Fig. 14 and 15). When the timeclock contacts are closed, the EconoMi$er IV control will be in occupied mode. When the timeclock contacts are open removing the 24v signal from terminal N, the EconoMi$er IV control will be in unoccupied mode.
Thermostats
The EconoMi$er IV control works with conventional thermostats that have a Y1 (cool stage 1), Y2 (cool stage 2), W1 (heat stage 1), W2 (heat stage 2), and G (fan). The EconoMi$er IV control does not support space temperature sensors. Connections are made at the thermostat section of the central terminal board located in the main unit control box.
NOTE: When using differential enthalpy control and “integrated economizer operation” is desired, a 2-stage cooling thermostat is required even on 1-stage cooling units (e.g. 2-6 ton rooftop units). A thermostat lead must be made between Y2-output on thermostat and Y2-input on rooftop unit’s Central Terminal Board (CTB). Internal wiring between Y2-input on the unit CTB and the economizer controller’s Y2 input already exists in unit wiring harness and the economizer plug, so no field modifications are required.
Supply Air Temperature (SAT) Sensor
The supply air temperature sensor is a 3 K thermistor located at the inlet of the indoor fan. (See Fig. 10.) This sensor is field installed. The operating range of temperature measurement is 0°F (–18°C) to 158°F (70°C). See Table 5 for sensor temperature/resistance values. The temperature sensor looks like an eyelet terminal with wires running to it. The sensor is located in the “crimp end” and is sealed from moisture.
Table 5 — Supply Air Sensor Temperature/Resistance Values
| TEMPERATURE (°F) | RESISTANCE (ohms) |
| –58 | 200,250 |
| –40 | 100,680 |
| –22 | 53,010 |
| –4 | 29,091 |
| 14 | 16,590 |
| 32 | 9,795 |
| 50 | 5,970 |
| 68 | 3,747 |
| 77 | 3,000 |
| 86 | 2,416 |
| 104 | 1,597 |
| 122 | 1,080 |
| 140 | 746 |
| 158 | 525 |
| 176 | 376 |
| 185 | 321 |
| 194 | 274 |
| 212 | 203 |
| 230 | 153 |
| 248 | 116 |
| 257 | 102 |
| 266 | 89 |
| 284 | 70 |
| 302 | 55 |
Low Temperature Compressor Lockout Switch
The EconoMi$er IV system is equipped with a low ambient temperature lockout switch located in the outdoor airstream which is used to lock out the compressors below a 42°F (6°C) ambient temperature. (See Fig. 1.)
Outdoor Air Temperature (OAT) Sensor
The outdoor air temperature sensor (HH57AC080) is a 10 to 20 mA device used to measure the outdoor-air temperature. The outdoor-air temperature is used to determine when the EconoMi$er IV system can be used for free cooling. The sensor has 8 selectable temperature changeover set points, ranging from 48°F (9°C) to 78°F (26°C). The temperature changeover is set using the 3 dip switches on the sensor. (See Fig. 12 and 13.)
Fig. 13 — EconoMi$er IV Controller Potentiometer and LED Locations
Outdoor Dry Bulb Changeover
The standard controller for field installed accessory economizers is shipped from the factory configured for outdoor dry bulb changeover control. For this control mode, the outdoor temperature is compared to a selectable set point on the OAT sensor. If the outdoor air temperature is above the set point, the EconoMi$er IV controller will adjust the outdoor air dampers to minimum position. If the outdoor air temperature is below the set point, the position of the outdoor air dampers will be controlled to provide free cooling using outdoor air. When in this mode, the Free Cool LED next to the outdoor enthalpy set point (ABCD) potentiometer will be on. The changeover temperature set point is controlled by the dip switches on the sensor. See Fig. 12 and 13 for the switch positions corresponding to the temperature changeover values. The ABCD potentiometer on the controller should be turned fully clockwise (CW) to the “D” position.
Outdoor Enthalpy Changeover
For enthalpy control, accessory enthalpy sensor (part number HH57AC078) is required. Replace the standard outdoor dry bulb temperature sensor with the accessory enthalpy sensor in the same mounting location. (See Fig. 1.) When the outdoor air enthalpy rises above the outdoor enthalpy changeover set point, the outdoor-air damper moves to its minimum position The outdoor enthalpy changeover set point is set with the outdoor enthalpy set point (ABCD) potentiometer on the EconoMi$er IV controller. The set points are A, B, C, and D (see Fig. 13, 14, and 17). The factory-installed 620-ohm jumper must be in place across terminals SR and SR+ on EconoMi$er IV controller. (See Fig. 8.) When not using CO2 sensors, set the DCV Max potentiometer to completely closed (CCW) to ensure that the Minimum Position potentiometer functions correctly.
Differential Enthalpy Control
For differential enthalpy control, the EconoMi$er IV controller uses two enthalpy sensors, HH57AC078 in the outside air and CRENTDIF004A00 in the return airstream. The EconoMi$er IV controller compares the outdoor air enthalpy to the return air enthalpy to determine EconoMi$er IV damper position. The controller selects the lower enthalpy air (return or outdoor) for cooling. For example, when the outdoor air has a lower enthalpy than the return air, the EconoMi$er IV damper opens to bring in outdoor air for free cooling. Replace the standard outside air dry bulb temperature sensor with the accessory enthalpy sensor in the same mounting location. (See Fig. 1.) Mount the return air enthalpy sensor in the return air duct. (See Fig. 8 and 16.) When using this mode of changeover control, turn the outdoor enthalpy set point (ABCD) potentiometer fully clockwise to the D setting.
Power Exhaust Set Point Adjustment
If the optional power exhaust accessory is installed, the exhaust set point will determine when the power exhaust fan runs based on damper position. The set point is modified with the Exhaust Fan Set Point (EXH SET) potentiometer. (See Fig. 14.) The set point represents the damper position above which the exhaust fans will be turned on. When there is a call for exhaust, the EconoMi$er IV controller provides a 45 ± 15 second delay before exhaust fan activation to allow the dampers to open. This delay allows the damper to reach the appropriate position to avoid unnecessary fan overload.
CAUTION
EQUIPMENT DAMAGE HAZARD
Failure to follow this caution may result in damage to equip-ment.
If a separate field-supplied transformer is used to power the IAQ sensor, the sensor must not be grounded or the EconoMi$er IV control board will be damaged.
Fig. 14 — EconoMi$er IV Controller
Fig. 17 — Enthalpy Changeover Setpoints

Minimum Damper Position Control
There is a minimum damper position potentiometer on the EconoMi$er IV controller. (See Fig. 13.) Adjust the Min Pos potentiometer to allow the minimum or base amount of outdoor air, as required by local codes, to enter the building. Make minimum position adjustments with at least 10°F (–12°C) temperature difference between the outdoor and return-air temperatures. The minimum damper position maintains the minimum airflow for full occupancy into the building during the occupied period when demand control ventilation is not being used.
When the control is operating in Demand Control Ventilation (DCV) mode (see separate section following), the minimum damper position sets the minimum ventilation position for VOC (volatile organic compound) contaminant removal during lightly occupied periods. In this mode the DCV Max potentiometer is used for fully occupied ventilation.
NOTE: When DCV is not being used, set the DCV Max potentiometer to completely closed (CCW) to ensure that the Minimum Position potentiometer functions correctly. If the DCV Max is set more open than Min Pos and <1 Vdc is detected across the CO2 sensor terminals, then DCV Max will override and become the actual lower limit on damper position.
To determine the minimum position setting, perform the following procedure:
- Calculate the appropriate mixed air temperature using the following formula:
(TO x OA/100) + (TR x RA/100) = TM
TO = Outdoor-Air Temperature OA = Percent of Outdoor Air TR = Return-Air Temperature RA = Percent of Return Air TM = Mixed-Air Temperature - Disconnect the supply air sensor from terminals T and T1 (see Fig. 17) and jumper them together. The mixed air temperature controller will sense 55°F (13°C) and will not modulate the damper.
- Ensure that the factory-installed jumper is in place across terminals P and P1 (for remote control of damper position see the Remote Control of Damper Position section).
- Connect 24 Vac across terminals TR and TR1 (factory wiring should ensure this if the 12-pin plug is connected). Carefully adjust the Min Pos potentiometer until the measured mixed-air temperature matches the calculated value. Measurement must be done with a separate thermometer or sensor accurate to ± 0.5°F.
- If the DCV maximum ventilation position is set with the DCV Max potentiometer, the setting should be made while the 24 Vac is across terminal TR and TR1. See the Demand Controlled Ventilation section.
- Remove the jumper and reconnect the supply air sensor to terminals T and T1.

Remote Control of Damper Position
Remote control of the EconoMi$er IV damper is desirable when additional temporary ventilation may be required. If a field-supplied remote potentiometer (such as Honeywell part number S963B1128) is wired to the EconoMi$er IV controller, the minimum position of the damper can be controlled from a remote location. If remote damper positioning is being used, use Steps 1 and 2 above, then follow these additional steps to determine the remote position setting for the desired percent airflow.
- Remove the factory-installed black jumper connecting terminals P and P1 (see Fig. 8).
- Turn the EconoMi$er IV Min Pos potentiometer fully clock-wise.
- Connect the remote minimum position potentiometer across terminals P and P1.
- Connect 24 Vac across terminals TR and TR1.
- Carefully adjust the remote minimum position potentiometer until the measured mixed-air temperature matches the calculated value.
- Reconnect the supply air sensor to terminals T and T1.
Damper Movement
Damper movement from full open to full close (or vice versa) takes 3 minutes.
Demand Controlled Ventilation (DCV)
Demand controlled ventilation uses an optional accessory carbon dioxide (CO2) sensor to measure the amount of CO2 in indoor air. The controller uses this input to adjust outside air ventilation to maintain indoor air quality (IAQ) based on a user configurable maximum CO2 level. This typically reduces outside air intake requirements and therefore energy consumption.
When using the EconoMi$er IV system for demand controlled ventilation, three controller potentiometers require adjustment to be set:
- the minimum damper position to ventilate the lightly occupied building
- the triggering CO2 level to begin opening the damper
- the maximum damper position to provide fresh air to for a fully occupied building.
The damper settings (in terms of % fresh air flow) and the CO2 level in term of parts per million (ppm) should be provided by the consulting engineer(s) on the job, calculated based on building codes and/or ASHRAE Standard 62.1. Examples in this instruction use typical numbers.
To set up DCV:
CO2 / Indoor Air Quality (IAQ) Sensor
Mount the accessory IAQ sensor according to manufacturer specifications in the space or return air duct. The IAQ sensor should be wired to the AQ and AQ1 terminals of the controller.
Fig. 19 — Proportional and Exponential Control
CO2 Sensor Configuration
Set up the CO2 sensor according to the manufacturer’s instructions that come with the unit. The default setting on factory-supplied sensors is a measuring range of 0 to 2000 ppm CO2 concentration with a 0 to 10 Vdc proportional (linear) output.
NOTE: The EconoMi$er IV control assumes the presence of a correctly functioning CO2 sensor if the voltage across the AQ – AQ1 terminals ≥ 1 Vdc, because it assumes the sensors are set up for 2 to 10 Vdc output. Otherwise it will not operate in DCV mode and instead opens the dampers to the more open of the MIN POS and DCV Max set points. Factory-supplied sensors’ default settings are 0 to 10 Vdc, but because there is always CO2 in the air, a reading of at least 2 Vdc will be shown under normal circumstances. However if the factory-supplied sensors are reprogrammed (to increase the range, change the output voltage, etc.) it is possible to lower the sensor voltage output too low. Therefore, if the factory-supplied CO2 sensor is reprogrammed, ensure the minimum voltage output up is adjusted from 0 to 2 Vdc to avoid this issue.
Factory-supplied sensors offer the option of changing to an exponential anticipatory response (see Fig. 19) which generates higher output voltages at midrange sensor readings to make the controller introduce more outside ventilation air at lower CO2 concentrations. Continuing the example from Step 3 (page 11) of the Demand Controlled Ventilation section, if after DCV Set adjustment the CO2 sensor is adjusted from proportional to exponential, the sensor voltage output would reach 5 Vdc at a CO2 concentration below 1000 ppm, prompting the controller to open sooner to anticipate ventilation demands. Exponential anticipatory response would be appropriate for zones with:
- large air volumes such as gyms or theaters where higher CO2 levels might take a while to build up or reach the sensor.
- widely varying occupancy levels
- HVAC equipment that cannot exceed the required ventilation rate at design conditions. Exceeding the required ventilation rate means the equipment can condition air at a maximum ventilation rate that is greater than the required ventilation rate for maximum occupancy.
Performance Data
Refer to Fig. 20 for barometric relief capacity.
Refer to Fig. 21 for return air pressure drop.
Table 6 — EconoMi$er IV Input/Output Logic
| INPUTS | OUTPUTS | |||||||
| DEMAND CONTROLLED VENTILATION (DCV) | ENTHALPY1 | Y1 | Y2 | COMPRESSOR | N TERMINAL2 | |||
| OUTDOOR | RETURN | STAGE 1 | STAGE 2 | OCCUPIED2 | UNOCCUPIED2 | |||
| DAMPER | ||||||||
|
BELOW SET (DCV LED OFF) | High (Free Cooling LED Off) | Low | On | On | On | On | Minimum position | Closed |
| On | Off | On | Off | |||||
| Off | Off | Off | Off | |||||
| Low (Free Cooling LED On) | High | On | On | On | Off | Modulating3 (between min. position and full-open) | Modulating3 (between closed and full-open) | |
| On | Off | Off | Off | |||||
| Off | Off | Off | Off | Minimum position | Closed | |||
|
ABOVE SET (DCV LED ON) | High (Free Cooling LED Off) | Low | On | On | On | On | Modulating4 (between min. position and DCV maximum) | Modulating4, 7 (between closed and DCV maximum) |
| On | Off | On | Off | |||||
| Off | Off | Off | Off | |||||
| Low (Free Cooling LED On) | High | On | On | On | Off | Modulating5 | Modulating6 | |
| On | Off | Off | Off | |||||
| Off | Off | Off | Off | |||||
CHECKOUT AND TROUBLESHOOTING
Checkout requires a 9V battery, 620 ohm, 1.2K ohm, 5.6K ohm, and 6.8K ohm resistors. Use Table 7 and Fig. 22 for checkout.
Fig. 22 — Meter Location for Checkout and Troubleshooting
Table 7 — Checkout for EconoMi$er IV
| STEP | CHECKOUT PROCEDURE | PROPER RESPONSE |
|
1 | CHECKOUT PREPARATION FOR ECONOMIZING ONLY. | |
| Disconnect power at TR and TR1. |
All LED are off; exhaust fan contacts are open. | |
| Disconnect devices at P and P1. | ||
| Jumper P to P1 (defaults to on board MIN POS potentiometer). | ||
| Place 5.6K ohm resistor across T and T1 (Blue sleeve- provides input to economizer that the MAT is between 50°F to 55°F). | ||
| Jumper TR to 1 (call for cooling from the thermostat). | ||
| W7212 only: Jumper TR to N (places economizer in occupied mode). | ||
| If connected, remove C7400 Enthalpy Sensor from terminals SO and +. | ||
| Connect 1.2K ohm, from 4074EJM Checkout Resistor kit, (purple sleeve) across terminals SO and + (makes OA enthalpy high). | ||
| Place 620 ohm resistor (white sleeve) across SR and + (makes return enthalpy lower than OA). | ||
| Set MIN POS and DCV MAX potentiometers fully CCW. | ||
| Turn DCV setpoint potentiometer mid position (this sets the DCV ventilation at approximately 1000 ppm). | ||
| Turn exhaust potentiometer to mid position (motor will be approximately 50% open when the exhaust fan contacts make). | ||
| Set enthalpy potentiometer to D. | ||
| Apply power (24 Vac) to terminals TR and TR1. | ||
Table 7 — Checkout for EconoMi$er IV(cont)
| STEP | CHECKOUT PROCEDURE | PROPER RESPONSE |
|
2 | DIFFERENTIAL ENTHALPY | |
| Execute step one, checkout preparation. | — | |
| Turn DCV MAX to mid position. | ||
| Place 620 ohm resistor across SO and + (white sleeve resistor makes OA enthalpy low). | — | |
| Place 1.2K ohm resistor across SR and + (purple sleeve resistor makes RA enthalpy high). | Free cool LED turns on; motor drives to approximately 45 degrees (half) open. | |
| Remove 620 ohm resistor from SO and +. | Free cool LED turns off; motor drives closed. | |
|
3 | SINGLE ENTHALPY | |
| Execute step one, checkout preparation. | — | |
| Turn DCV MAX to mid position. | ||
| Set enthalpy potentiometer to A (fully CCW). | Free cool LED turns on; motor drives to approximately 45 degrees (half) open. | |
| Set enthalpy potentiometer to D (fully CW). | Free cool LED turns off; motor drives closed. | |
|
4 | DCV AND EXHAUST | |
| Execute step one, checkout preparation. | — | |
| LED for both DCV and Exhaust should be off. | ||
| Turn DCV MAX to mid position. | Motor drives to mid position, 45 degrees open. | |
| Turn MIN POS fully CW. | Motor drives fully open. | |
| Turn MIN POS and DCV MAX to fully CCW. | Motor drives closed. | |
| Turn DCV MAX to mid position. Connect 9v battery positive to AQ and negative to AQ1. | LED for both DCV and Exhaust turn on. Actuator drives to 45 degrees open. | |
| Remove jumper from N terminal (economizer goes into not occupied mode). | Motor remains at 45 degrees open. | |
| Adjust DCV MAX towards CW. | Motor will move to position set by DCV MAX pot. | |
| Adjust DCV MAX to fully CCW. | Motor will drive closed. | |
| Reconnect jumper to N terminal. | ||
| Adjust DCV MAX and MIN POS pots. | Motor will drive to the most open position of the pots. | |
| Adjust DCV MAX and MIN POS pots to fully CCW. | ||
| Remove power from N terminal adjust MIN POS towards CW. | Motor should not move. | |
| Adjust DCV MAX towards CW. | Motor will move to position set by DCV MAX pot. | |
|
5 | MINIMUM AND MAXIMUM POSITION | |
| Execute step one, checkout preparation. | — | |
| Connect 9v battery positive to AQ and negative to AQ1. Adjust DCV MAX potentiometer to mid position. | DCV LED turns on. Actuator drives to 45 degrees open | |
| Turn DCV maximum position potentiometer to fully CCW. | Actuator drives fully closed. | |
| Turn minimum position potentiometer to midpoint. | Actuator drives to 45 degrees open. | |
| Turn minimum position potentiometer fully CW. | Actuator drives fully open. | |
| Turn MIN POS to fully CCW. | Actuator drives fully closed. | |
| W7212: Remove jumper from TR and N. | Actuator drives fully closed. | |
|
6 | MIXED AIR INPUT | |
| Execute step one, checkout preparation. | — | |
| Turn DCV MAX to mid position; set enthalpy potentiometer to A. | Free cool LED turns on. Actuator drives to 45 degrees open. | |
| Remove 5.6K ohm resistor (green sleeve) and place jumper from T and T1. | Actuator drives to 45 degrees open. | |
| Remove jumper from T and T1 and leave open. | Actuator drives fully closed. | |



















