TRANE Outside Air Control for V.S. Economizer Installation Guide

SAFETY WARNING
Only qualified personnel should install and service the equipment. The installation, starting up, and servicing of heating, ventilating, and air-conditioning equipment can be hazardous and requires specific knowledge and training. Improperly installed, adjusted or altered equipment by an unqualified person could result in death or serious injury. When working on the equipment, observe all precautions in the literature and on the tags, stickers, and labels that are attached to the equipment.
Installation
Important: This Document is customer property and is to remain with this unit. Please return to service information pack upon completion of work
WARNING
SAFETY AND ELECTRICAL HAZARD!
Failure to follow this Warning could result in property damage, severe personal injury, or death.
These servicing instructions are for use by qualified personnel only. To reduce the risk of electrical shock, do not perform any servicing other than that contained in these operating instructions unless you are qualified to do so.
PURPOSE
The BAYOSAC001B allows for the adjustment of the Minimum Fresh Air Damper position to a desired air flow at each stage and mode of operation. It allows for a constant volume of fresh air to be brought into the conditioned space.
INSTALLATION
- Turn the thermostat
- Disconnect and verify that power is
- Remove control box
- Using existing holes in the unit control box, mount airflow control board bracket to control
- Remove the minimum position resistor R3 (attached to the P and P1 terminals on the economizer module), and turn the minimum position potentiometer (on economizer) fully
- Wire per the appropriate wiring diagram . Route the orange and the white wires through the control box side to the economizer, and attach to the P & P1
terminals of the economizer module. Route the remaining wires through the low voltage barrier, and attach to the thermostat wiring as indicated.
Note: If the outdoor ambient is less than 75 degrees, it will be necessary to remove the (YL) wire from the + terminal on the economizer actuator. This wire should be re-installed once the following adjustments are made and the installation is complete.
Be careful not to pinch any wires between the bracket and unit control box. A short could result from pinched wires.
- Apply power to the unit and energize the indoor blower (G) lead. Adjust the fan or blower (G), potentiometer (R5), on the OSAC control board to give the desired volume of fresh air through the Turning the potentiometers clockwise (CW) will drive dampers open, counter clockwise (CCW) will drive them shut. Opening the dampers increases fresh air volume.
- Place an airflow hood on the economizer Fresh air volume can be measured by several different methods. One method is subtracting the total CFM at the return grills from the total CFM at the supply grills. Another method can be an actual measurement of air flowing through the economizer hood.
- Repeat steps 7 & 8 for low cool (Y1), potentiometer (R4), high cool (Y2), potentiometer (R2), low heat (W1), potentiometer (R3), and high heat (W2), potentiometer (R1). The economizer dampers drive slowly so allow adequate time for the economizer to adjust after each step. Once the proper airflow has been established for each mode of operation, it should not need to be adjusted
- Turn power to unit OFF then replace the control box
- Reapply power to the unit
Figure 1. Hookup Diagram — 4TCY/4YCY5048–5060 and 4YCZ Models
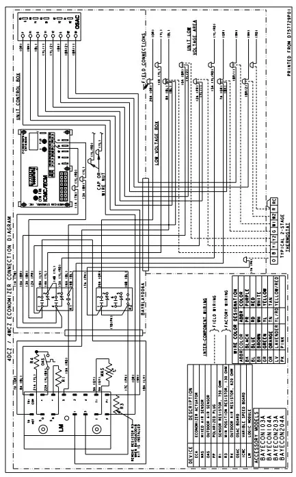
Figure 2. Hookup Diagram — 4DCZ, 4WCZ and 4WCY5048–060 Models






















