EcoAir ECO15P Room Air Conditioners
Do not dispose this product as unsorted municipal waste. Collection of such waste separately for special treatment is necessary. When this product reaches its end of life, contact your local authorities regarding disposal.
BS Plug Wiring
Wiring Instructions:
Should it be necessary to change the plug please note the wires in the mains lead are coloured in accordance with the following code :
- BLUE – NEUTRAL
- BROWN – LIVE
- GREEN AND YELLOW – EARTH
As the colours of the wires in the mains lead of this appliance may not correspond with the coloured markings identifying the terminals in your plug, proceed as follows:
- The BLUE wire is the NEUTRAL and must be connected to the terminal which is marked with the letter N or coloured BLACK.
- The BROWN wire is the LIVE and must be connected to the terminal which is marked with the letter L or coloured RED.
- The GREEN/YELLOW is the EARTH and must be connected to the terminal which is marked with the letter E or or coloured GREEN OR GREEN/YELLOW.
- Always ensure that the cord grip is positioned and fastened correctly.
If a 13A (BS 1363) fused plug is used it must be fitted with a 13A fuse. If in doubt consult a qualified electrician.
Wiring for a 13 Amp Plug (BS1363)
Please note. The Earth Terminal is marked with the letter E or Earth Symbol
SPECIFICATION
| Model no. | ECO15P |
| Cooling capacity | 15000 BTU/hr 4395watts |
| Heating capacity | 15000 BTU/hr 4395watts |
Power/Ampere consumption for cooling | 1655 W/ 7.5A |
Power/Ampere consumption for heating | 1280 W/ 5.9A |
| Air volume (max. speed) | 550m3/h |
| Humidity removal capacity | 1.6L/hour |
| Power supply | 220-240V~. 50Hz |
| Compressor | rotary |
| Noise Level | 55 dB |
| Refrigerant | R410A (560g) |
| Fan speed | 3 |
| Timer | 1~24 hours |
| Working temperature | Cooling: 18 ~ 32oC Heating: 7 ~ 25oC |
| Exhaust pipe | Ø 145x1500mm |
| Net Weight | 33.5 kgs |
| Gross Weight | 38.5 kgs |
| Net Dimension | 422x825x443 mm (WxHxD) |
| Gross Dimension | 490x875x575 mm (WxHxD) |
REMARK:
- Measuring condition for above is as per EN 14511 :
- Cooling – DB=35°C , WB=24°C
- Heating – DB=20°C , WB=12°C
- *DB = temperature of dry bulb = room temperature,
- WB = temperature of wet bulb = relative humidity.
BEFORE USE | |
GENERAL SAFETY | |
| FIG. 1 |
| |
| |
| ![]() FIG. 2 |
| ELECTRICAL SAFETY | |
| |
| FIG.3 |

PRODUCT DESCRIPTION
Front
- Control Panel
- Air vent
- Handle
- Caster
Back
- Air filter
- Air inlet
- Cord storage
- Outlet of exhaust air
- Water stopper / outlet of condensed water
Accessories
- Exhaust hose.
- PVC strip – for filling the open window space
- PVC strip – for filling the open window space
- PVC strip (with hole) – for filling the open window space and with hole for connection to tie-in
- Outward adaptor – for insertion over hose and into PVC strip (or into hole in the wall/window).
- Cover for outward adaptor
- Remote control
- Active carbon filter
- Tube for continuous drainage
INSTALLATION
Installation of the exhaust pipe
The unit is a portable air conditioner that may be moved from room to room.
- Using the PVC strip

- Offer PVC strips to the window gap and adjust to size if necessary.
- Connect one end of the exhaust pipe to outlet of exhaust air and the other end with the outward adapter.
- Feed the exhaust hose to the PVC strip as shown and slide window across so that PVC strip is held securely. Note: Take care to maintain protection against intruders.
- Using the adaptor


- Cut a 151mm diameter hole in the wall or window.
- Feed exhaust hose through the window or wall and attach the threaded adaptor from the outside as shown.
- When not in use, plug the hole with the cover provided.
MOUNTING OF THE EXHAUST PIPE
- Use only the hose provided and clip exhaust hose and unit adaptor to the back of the air conditioner.

- Avoid kinks and bends in the exhaust hose as this will cause expelled moist air to build up causing the unit to overheat and shut down. Fig 8 & 9 show correct position.

- The hose may be extended from 300mm to 1500mm but for maximum efficiency use the shortest length possible.
INSTALLATION OF CARBON FILTER

OPERATION OF THE CONTROL PANEL
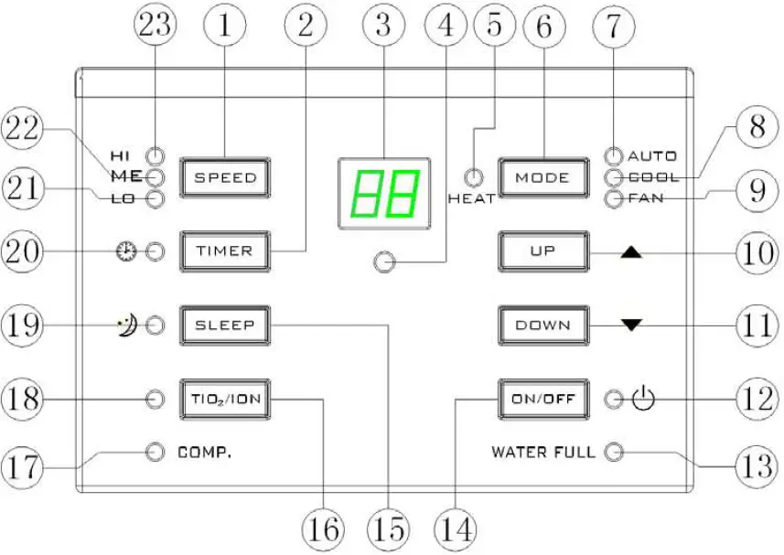
Control panel
- Speed (ventilation) button
- Timer button
- Display window
- Receiver for remote control
- Heating operation indicator(optional)
- Mode (function) button
- Auto operation indicator
- Cooling operation indicator
- Fan operation indicator
- “Temperature up” button
- “Temperature down” button
- Power indicator
- “Water Full” indicator
- ON/OFF (power) button
- .Sleep function button
- TiO2(UV light)/Ionizer button (optional)
- Indicator for compressor
- TiO2(UV light)/ionizer indicator (optional)
- Sleep operation indicator
- Timer operation indicator
- Low ventilation indicator
- Medium ventilation indicator
- High ventilation indicator
Turning ON/OFF
Adjust the louvers to desired angle and position.
Press ON/OFF button, the unit will start to work. If the ambient temperature is
- higher than 23oC, the unit will work in cool mode.
- higher than 20oC but below or equal to 23oC, the unit will work in ventilation model.
- below 20oC, the unit will work in heat function (This is for cooling & heating models only)
Indicators of the functions in progress come on at the same time. - NOTE! The display window shows the ambient room temperature from 0oC to 50oC To turn the unit off, press ON/OFF button again, then close the air louvers.
Setting mode/function
Press MODE button to select required working mode: automatic, cooling, fan or heat (Heat is only available for heating & cooling models.)
Indicator of the selected mode comes on.
Setting temperature
- Press ‘Temperature up’ or ‘Temperature down’ button to regulate the temperature you desired.
- The display window will show the temperature you set as you press ‘Temperature up’ or ‘Temperature down’ button. Otherwise, it will always show the ambient temperature.
- The pre-setting temperature of this machine is: 24oC for cooling, 20oC for heating.
Setting ventilation speed
- Press SPEED button to choose the ventilation speed you need, high, medium or low. The sign of high, low or medium ventilation will light on at the same time.
- If the unit is in AUTO mode, it will choose the ventilation speed automatically according to the ambient temperature.
Setting timer
- Press TIMER button to set the operating hours you desired (1 to 24 hours, the sign of timer will light on). The window will show the hour(s) you set as you press TIMER button. If the timer button is not pressed, the unit will work continuously.
- By pressing the timer but without turning on the other functions, you can PRE-SET the time for the machine to work. For example, if you press the timer to ‘2’, the unit will work automatically after 2 hours.
Sleep function
- In cooling mode, by pressing the SLEEP button, the set temperature will increase 1oC at the 1st hour, another 1 oC at the second hour, then keeps at that temperature.
- In heat mode, by pressing the SLEEP button, the set temperature will descend 1oC at the 1st hour, another 1 oC at the second hour, then keeps at that temperature.
- In SLEEP mode, the ventilation will be kept at low speed. Re-press the SLEEP button, the setting temperature and ventilation speed will return to the pre-selected one.
- In SLEEP mode, the unit will shut down automatically after running for 12 hours.
- Please note, the sleep function is not available while the machine is working in ventilation. Only available in Cooling or Heating mode.
Heating function (This is optional, only for cool & heat model.)
- When using Heat Pump, the ambient warm air is recycled and use to heat the area where it is required. The Exhaust Pipe must be fitted firmly to allow the cold air to be removed outside.
- Continuous drain is compulsory while the unit is in heat mode. Working ambient temperature range for heating function is 5 to 27oC.
Regulating air flow direction
Adjust the air louvers by hand to control the air flow direction.
SELF DIAGNOSIS
This machine is equipped with self-diagnosis function. Please contact us if your machine displays “E1” or “E2” codes.
All the above functions can also be performed with the supplied remote control.
This remote control requires 2 pcs. AAA size batteries to operate.
NOTICE !
- To prolong the compressor’s life, after switching off the unit, please wait for a minimum of 3 minutes before switching on again.
- The cooling system will switch off if the ambient temperature is lower than the set temperature. The ventilation, however, keeps working on the set level. If the ambient temperature rises above the selected level, the cooling will return to work.
- The heating will switch off if the ambient temperature is higher than the set temperature. The ventilation keeps working on the set level. As the ambient temperature drops below the selected level, the heating will return to work.
- This machine is equipped with ANTI-FROST function. While using the heating function during low temperature, sometimes the heating will stop for a while in order to melt the frost. As this occurs, just wait for the heating to return to work.
DRAINAGE
During the process of cooling, some water will be extracted from the air into the unit. Most of the water will be evaporated by the coil for maximum efficiency. However in very warm temperature or humid condition, excessive condensation may occur and will require water drainage when tank is full. If the tank is full, both of the compressor and motor will stop. The “water full” sign will light ON, also the machine will beep as reminder.
To make the cooling work again, please empty the water by one of the following ways:
- Turn off the air conditioner and avoid moving it when full.
- Position a container (a water tray for example) underneath the drain hole.
- Remove the drain knob & rubber plug from the drain hole and allow the water to drain out.
- When the container is almost full, replace the rubber plug in the drain hole and empty the water tray.
- Repeat until the unit is emptied.
- Replace the rubber plug and tighten the drain knob firmly.
- Switch on the unit – the full water or compressor operating indicator should not be flashing.

If you wish to operate the unit without the need to empty the water tank, please:
- Remove the drain knob and rubber plug and retain for future use.
- Connect the drain tube supplied to the water outlet as shown and locate the other end into a drain.

- The drain tube may be extended by adding an extension tube and using a suitable connector.

Please note
- The drain must be at or below the outlet level.
- Flashing comp / ‘full water’ indicator will not function in this mode of drainage.
- If you want to extend the water tube, you can connect it with another tube (OD: 18mm)

Special caution for heating function!
While using the heating function, please note:
- Install the exhaust pipe well, in order to exhaust the cool air to outdoor. (Please refer to the instruction manual for installation method.)
- Fix the drainage to be continuous one (i.e. drain the water by water tube). This is compulsory for use in heating mode. This is compulsory for use in heating mode.
- Working range for heating function is 7 to 27oC (for cooling function, it is 18 to 32oC). For temperature outside this range, the unit may not work properly.

MAINTENANCE
Always unplug the air conditioner from the mains before cleaning. To maximize the efficiency of the air conditioner, clean regularly.
Cleaning the housing
Use a soft, damp cloth to wipe the body clean. Never use aggressive chemicals, gasoline, detergents, chemically treated cloths, or other cleansing solutions. These all could possibly hurt the cabinet.
Cleaning the filter
Use a vacuum cleaner or tap the filter lightly to remove loose dust and dirt from the filters and then rinse thoroughly under running water (no hotter than 40oC).
Dry thoroughly before replacing.
Notice!
Never operate the unit without the filters.
End of season storage
- Drain any water in the unit before completely operating the unit on ventilation only mode for a few hours, to thoroughly dry the inside.
- Clean or change the filter
- Unplug and store the power cord as shown
- Cover the cord storage
- Place in the original carton or cover for storage.

FAULT CHECK LIST
The air conditioner does not run
- Is the air conditioner plugged in?
- Is there a power failure?
- Is the comp / ‘full water’ indicator flashing?
- Is the room temperature below the set temperature?
The machine seems to do little
- Is there direct sunshine? (Please put down the curtain.)
- Are too many windows or doors open?
- Are there too many people in the room?
- Is there something in the room producing lots of heat?
The machine seems to do nothing.
- Is the filter dusty, contaminated?
- Is the air intake or output blocked up?
- Is the room temperature below your selected temperature?
Too noisy
- Is the machine positioned unevenly so as to create vibration?
- Is the floor underneath the machine uneven?
The compressor doesn’t run.
- Is so, it is possible the overheat protection of the compressor is on. Just wait for the temperature to drop.
- Never try to repair or dismantle the unit yourself
EASY TO ORDER FORM FOR ACCESSORIES
(Please complete in BLOCK CAPITALS in black ink)
| Full Name: | |
| Previous Invoice No.: (If available) | |
| Model No. | |
| Delivery Address: | |
| Telephone No.: | |
| Email Address: | |
| Signature |
| DESCRIPTION | PRODUCT CODE | QTY | UNIT PRICE | TOTAL |
| Filters | ||||
| Rear Filter & Fixer | 15P-108&109 | £14.99 | ||
| Side Filter | 15P-110 | £14.99 | ||
| Filter Track | 15P-116 | £8.99 | ||
| Active Carbon Filter | 15P-806 | £12.99 | ||
| Remote Control | 15P-205 | £19.99 | ||
| Exhaust Accessories | ||||
| Exhaust Hose (1.5m) | 15P-141 | £24.99 | ||
| Tube for continuous drainage | 15P-137 | £6.99 | ||
| Extension drainage tube (1m) | 15P-817 | £4.99 | ||
| Water Bung | 15P-135 | £6.99 | ||
| Other Accessories | ||||
| Caster Wheels | 15P-308 | £4.99 | ||
| PVC Window Kit | 15P-144,145&146 | £19.99 | ||
| Round Window Connector Set | 15P-142&143 | £14.99 | ||
| Sub Total | ||||
| Standard Delivery(Free) | ||||
| Next Day Delivery(Call) | ||||
| TOTAL | ||||
ONE (1) YEAR LIMITED WARRANTY SAVE THIS WARRANTY INFORMATION
EcoAir guarantees this product free from defects in materials and workmanship for a period of one (1) year from the date of purchase, limited to parts only.. Faults arising from a faulty installation is specifically excluded. This unit must be operated under conditions as recommended, at voltages indicated on the unit. Any attempts made to service or modify the unit by un qualified technician, will render this WARRANTY VOID. The actual product may differ slightly from the illustration. This warranty is in addition to,
and does not affect, your statutory rights. For after sales needs, please visit www.ecoair.org/service or email [email protected] or contact +44 845 474 3574

FIG. 1
FIG.3






























