SIEMENS SJD6-B Molded Case Circuit Breaker Instruction Manual
Installation Instructions
Danger
Hazardous Voltage
Will cause death or serious injury.
Turn off and lock out all power supplying this equipment before working on this device.
Replace all covers before power supplying this device is turned on.
Use only with Siemens certified Components.

NOTE – These instructions do not purport to cover all details or variations in equipment, or to provide for every possible contingency to be met in connection with installation, operation or maintenance. Should further information be desired or should particular problems arise, which are not covered sufficiently for the purchaser’s purposes, the matter should be referred to the local Siemens sales office. The contents of this instruction manual shall not become part of or modify any prior or existing agreement, commitment or relationship. The sales contract contains the entire obligation of Siemens. The warranty contained in the contract between the parties is the sole warranty of Siemens. Any statements contained herein do not create new warranties or modify the existing warranty.
Trademarks – Unless otherwise noted, all names identified by ® are registered trademarks of Siemens AG or Siemens Industry, Inc. The remaining trademarks in this publication may be trademarks whose use by third parties for their own purposes could violate the rights of the owner.
INTRODUCTION
The JD and LD Frame circuit breaker line includes types SJD6-B, SHJD6-B, SCJD6-B, SLD6-B, SHLD6-B, and SCLD6-B circuit breaker types. These circuit breakers are listed under UL489 and rated for operating voltages up to 600 VAC, 50/60 Hz.
INSTALLATION

The JD and LD Frame circuit breakers (See Fig. 1) are for use in individual enclosures, panelboards, or other approved equipment. The installation procedure consists of inspecting, attaching required accessories, mounting the circuit breaker and connecting and torquing the line and load wire connectors. Mounting hardware and unmounted wire connectors (where required) are available as separate catalog items.
CIRCUIT BREAKER PREPARATION
A. Before installing or servicing the breaker, turn off and lock out all power to prevent incidental or accidental contact.
B. Make sure that the device is suitable for the installation by comparing nameplate ratings with system requirements. Inspect the circuit breaker for completeness and check for any damage before mounting.
NOTE: Accessory installation should be completed before the circuit breaker is mounted and connected.
(See installation instructions supplied with the accessory before proceeding.)
C. Depress the red trip button (See Fig 4) or turn the breaker off before installation.
D. To mount the circuit breaker, perform the following steps:
- For enclosures, panelboards and switchboards manufactured by Siemens Industry, Inc., follow the instructions provided with the equipment.
- For applications where mounting is on a flat surface of the equipment, drill and tap mounting bolt holes as shown in Fig. 2. For escutcheon cut out refer to Fig. 3.
- Ensure that any internal accessory terminals can be properly connected with the circuit breaker in the mounted position.
- Position the circuit breaker in the mounting location, install the mounting hardware and tighten securely.
- Connect the line and load terminals and torque using the values shown on the circuit breaker nameplate.
- Connect all accessory terminals, if present.
- Check all mounting hardware for secureness.
Check wire connectors for correct torque requirements per the rating label on the front of the breaker.
MANUAL OPERATION
Manual operation of the circuit breaker is controlled by the circuit breaker handle and the PUSH-TO-TRIP button.
The circuit breaker handle has three indicating positions, two of which are molded into the handle to indicate ON and OFF. The third position indicates a TRIP position and is between the ON and OFF positions. (See Fig. 4)
A. Circuit Breaker Reset
After tripping, the circuit breaker is reset by moving the circuit breaker handle to the reset position and then moving the handle to the ON position.
B. The PUSH-TO-TRIP Button
The PUSH-TO-TRIP button checks the tripping function and is used to manually exercise the tripping mechanism.

ELECTRONIC OPERATION
All circuit breaker devices have adjustable Continuous Current and Instantaneous Overcurrent protection.
Optional features include Short Time Overcurrent and Ground Fault protection.
Breaker functionality is denoted in the catalog number suffixes. There are four types of configurations LI, LSI, LIG and LSIG.
L = Continuous Current (Ir) and LongTime Delay (tld)
I = Instantaneous Pickup (Ii)
S = Short Time Pickup (Isd) and Short Time Delay (tsd)
G = Ground Fault Pickup and Ground Fault Delay (tg)
The setting dials on the face of the electronic trip unit are rotary switches that must be properly set to mechanical detent (click stop) positions. Dial settings not set to the detent position will cause the setting to be either value between the dial setting and, consequently, may result in unintentional or nuisance tripping.
There are ten (10) positions on each rotary switch and the circuit breaker is shipped with all settings in the minimum settings.

Continuous Current (Ir)
All model types have an adjustable Continuous Current dial setting. The first dial is always used to adjust the Continuous Current setting of the circuit breaker and the markings are displayed in Amps. The Long Time Pickup (Ild) setting is set to Ir x 1.15. LI and LIG configurations have ten (10) adjustable settings and the LSI and LSIG configurations have five (5) adjustable settings. See Fig. 5 for an example of the four LD 600A configurations.

Long Time Delay (tld)
All model types have an adjustable Long Time Delay. The Long Time Delay times are an I2 t function calibrated at 6 times the Continuous Current setting. For LI and LIG breakers (see Fig. 6), there are ten (10) Long Time Delay settings that range from 2.5 to 30 seconds. For LSI and LSIG breakers (see Fig. 7), there are two Long Time Delay settings which are selected based on the Continuous Current setting. As shown in Fig. 7, the Continuous Current settings on the left selects a Long Time Delay setting of 10 seconds and the Continuous Current settings on the right select a Long time Delay setting of 20 seconds.

Instantaneous Pickup (Ii)
All model types have an adjustable Instantaneous Pickup setting. This adjustment sets the Instantaneous Overcurrent Pickup of the circuit breaker. For LI, LSI, and LIG breakers (see Fig. 8), there are ten (10) Instantaneous Pickup settings that are displayed in Amps. For LSIG breakers (see Fig. 9), there are two Instantaneous Pickup settings which are selected based on the Short Time Pickup setting. These two settings are a multiple of the maximum Frame Rating (In). As shown in Fig. 9, the Short Time Pickup settings on the left select an Instantaneous Pickup of 5 x In and the Short Time Pickup settings on the right select an Instantaneous Pickup of 10.5 x In.

Short Time Pickup (Isd) (Optional)
Circuit breakers with the LSI and LSIG catalog number suffixes have an adjustment to set the Short Time Pickup. Short Time Pickup is an overcurrent protection setting with intentional tripping delay. There are ten (10) Short Time Pickup current settings that range from 1.5 to 10 times the Continuous Current (lr) setting (see Fig. 10).
Short Time Delay (tsd) (Optional)
Circuit breakers with the LSI and LSIG catalog number suffixes have an adjustment to set the Short Time Delay. Short Time Delay is either a fixed or I2t time delay function. The I2t function is based on a calibration point of 8 times the Continuous Current Setting (lr). As shown in Fig. 11, the five (5) settings on the left select the fixed (FIXED) Short Time Delay settings and the five (5) settings on the right select the I2 t Short Time Delay settings.

Ground Fault Pickup (lg) (Optional)
Circuit breakers with the LIG and LSIG catalog number suffixes have integral equipment ground fault protection in compliance with UL1053. The Ground Fault Pickup (Ig) setting is displayed in Amps. As shown in Fig. 12, there are three (3) Ground Fault Pickup settings available: 240A, 360A and 600A.
Ground Fault Delay (tg) (Optional)
Circuit breakers with the LIG and LSIG catalog number suffixes, have an adjustment to set the Ground Fault Delay. Ground Fault Delay is an I2t time delay function based on a calibration point of 3 times the Ground Fault Pickup (Ig) setting. As shown in Fig. 13, there are four (4) Ground Fault Delay settings selectable based on the Ground Fault Pickup (Ig) setting: .1s, .2s, .3s and .32s.

Ground Fault Method
The integral ground fault protection option has two modes of operation. The mode is set by a DIP switch under the trip unit cover with the settings defined as RESIDUAL and GROUND RETURN. See Fig. 17 for switch location.
These two modes function as follows:
RESIDUAL METHOD – This is the default position to which the breaker is set when shipped from the factory.
With the switch in this position the circuit breaker may be used on 3 phase 3 wire or, with the addition of an external neutral sensing transformer, on 3 phase 4 wire systems.
See Neutral Sensing Transformer section for more information.
GROUND RETURN METHOD – This setting may only be used for service disconnects or separately derived systems. With the switch in this position, the circuit breaker may be used on 3 phase 3 wire and 3 phase 4 wire systems. An external sensing transformer, which is installed on the main bonding jumper, is required for this method. See Neutral Sensing Transformer section for more information.
Neutral Sensing Transformer
An external transformer is required for circuit breakers equipped with ground fault protection when operating in the RESIDUAL METHOD on 3 phase 4 wire systems and when operating in the GROUND RETURN METHOD on any system. The sensors listed below must be used for these applications. The sensor catalog number must be matched to the circuit breaker Frame Rating (ln) as shown in the table. Please note that sensors used with other breaker types cannot be used with the SJD/SLD circuit breakers. Installation instructions are included with the sensors.
| Catalog No | Max Ampere Rating | Color |
| N02SJD | 200 Amps | GREEN |
| N03SJD | 300 Amps | GREEN |
| N04SLD | 400 Amps | GREEN |
| N05SLD | 500 Amps | GREEN |
| N06SLD | 600 Amps | GREEN |
Maintenance Mode
The National Electrical Code (NFPA 70) mandates that all circuit breakers 1200A and larger be equipped with means to reduce the arc flash energy while a worker is within the circuit breaker arc-flash boundary as defined in NFPA 70E-2012, Standard for Electrical Safety in the Workplace. The Sentron Series Sensitrip IV circuit breakers with “6A” included in the catalog number meet this requirement by use of a Maintenance Mode (MM) setting.
MM Operating Principle
The MM is initiated by maintenance personnel pressing a normally open (NO) latching “maintenance switch” either before or upon entering a room to perform service. The first circuit breaker interprets the closed contact as a digital input command and immediately enables the MM setting of 2xIn with no intentional delay and illuminates its local blue LED. The circuit breaker then activates its output signal which is connected to the next circuit breaker in a series chain. The second circuit breaker receives the input and immediately enables its MM and illuminates its local blue LED, and so on. The last circuit breaker in the system activates the “maintenance light” as indication that all the circuit breakers in the system are in MM.
All circuit breakers that receive the input signal shall maintain MM, even with loss of control power, until a valid OFF signal is received. The OFF signal is initiated by maintenance personnel opening the “maintenance switch” with the control power maintained for at least 1 second.

MM Technical Data
An external 24VDC, UL Class 2, power supply is required to implement this feature. On the right side of the circuit breaker are six multi-colored, 2-foot length, 18 AWG wires for connection. It is recommended that the interconnection wiring be 12-18 AWG, shielded, twisted-pair and ζ1000- feet (300-meters). Refer to Fig. 14 for an example maintenance mode wiring diagram. In this example, the recommended components listed can support up to 25 circuit breakers.
MM Configuration
MM is enabled by a DIP switch under the trip unit cover and the default setting is set to MM. See Fig. 17 for DIP switch configuration.
| Wire Color | Function | Rating |
| RED | 24VDC LINE | 24VDC ±20% 20mA max. |
| BLACK | 24VDC COM | |
| WHITE | INPUT+ | 24VDC 5mA typ. sinked |
| BROWN | INPUT- (24VDC COM) | |
| YELLOW | OUTPUT+ | 24VDC 100mA max. sourced |
| BLUE | OUTPUT- (24VDC COM) |
Zone Selective Interlocking (Optional)
Sentron Series Sensitrip IV circuit breakers with “6A” included in the catalog number support Zone Selective Interlocking (ZSI).
ZSI is a method which allows two or more circuit breakers to communicate with each other so that a short circuit or ground fault will be cleared by the breaker closest to the fault with a minimum time delay. The primary goal of ZSI is to limit stress on the distribution system by clearing a fault in the shortest time without sacrificing coordination. The benefits of ZSI are lower potential costs of system damage due to the reduced time to clear faults and increased uptime because coordination is not sacrificed.
ZSI Operating Principle
In a distribution system comprised of several levels, each circuit breaker affected by a short-circuit communicates with the circuit breaker directly downstream, to ascertain whether the short-circuit also occurred. All downstream circuit breakers experiencing the short-circuit provide a restraint signal to all circuit breakers upstream so that the circuit breaker closest to the short-circuit clears the fault.
| FUNCTION NON-RESTRAINT TRIPPING TIME |
| Short Time Delay tsd(ZSI) = 50ms |
| Ground Fault Delay tg(ZSI)= 100ms |
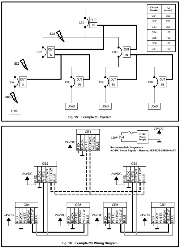
ZSI Example
Fig. 15 shows an example of a ZSI system with set Short Time Delay times.
Short-circuit at SC1:
Only CB1 establishes that a short-circuit has occurred and does not receive a restraint signal from CB2. For this reason, CB1 trips after tsd(ZSI) = 50 ms
Short-circuit at SC2:
CB1 and CB2 establish that a short-circuit has occurred. CB2 issues a restraint signal to CB1. The tsd for CB1 will be set to its programmed setting of 300ms. CB2 does not receive a restraint signal from CB4 or CB5. For this reason, CB2 trips after tsd(ZSI) = 50 ms
Short-circuit at SC3:
CB1, CB2 and CB4 establish that a short-circuit has occurred. CB4 issues a restraint signal to CB2 and CB2 issues a restraint signal to CB1. The tsd for CB1 and CB2 will be set to their programmed setting of 300ms and 200ms, respectively. CB4 does not receive a restraint signal since it is the last circuit breaker in the system. For this reason, CB4 trips after tsd(ZSI) = 50 ms
ZSI Technical Data
An external 24VDC, UL Class 2, power supply is required to implement this feature. On the right side of the circuit breaker are six multi-colored, 2-foot length, 18 AWG wires for connection. It is recommended that the interconnection wiring be 12-18 AWG, shielded, twisted-pair and ζ1000-feet (300-meters). Refer to Fig. 16 for an example ZSI wiring diagram. In this example, the recommended components listed can support up to 50 circuit breakers.
ZSI Configuration
ZSI is enabled by a DIP switch under the trip unit cover and the default setting is set to Maintenance Mode. See Fig. 17 for DIP switch configuration.
| Wire Color | Function | Rating |
| RED | 24VDC LINE | 24VDC ±20% 20mA max. |
| BLACK | 24VDC COM | |
| WHITE | INPUT+ | 24VDC 5mA typ. sinked |
| BROWN | INPUT- (24VDC COM) | |
| YELLOW | OUTPUT+ | 24VDC 100mA max. sourced |
| BLUE | OUTPUT- (24VDC COM) |

DIP SWITCH CONFIGURATION
On the front of the Sensitrip IV trip unit there is a 4 position configuration switch for configuring the Maintenance Mode, ZSI Mode and Ground Fault Method. Use a small pocket screwdriver to open the access cover. The shipping default of this DIP switch is with all positions in the DOWN position.
Switch #1:
DOWN = Selects Maintenance Mode
UP = Selects Zone Selective Interlocking Mode
Switch #2:
DOWN = Disables Short Time Zone Interlocking
UP = Enables Short Time Zone Interlocking
Switch #3:
DOWN = Disables Ground Fault Zone Interlocking
UP = Enables Ground Fault Zone Interlocking
Switch #4:
DOWN = Selects Ground Fault Residual Method
UP = Selects Ground Fault Ground Return Method
STATUS INDICATORS
On the front of the Sensitrip IV trip unit there are 3 LED status indicators that display the status of the circuit breaker: Active, Overload and Maintenance Mode. The Active and Overload LEDs are available on all circuit breaker types and the Maintenance Mode LED is only available on circuit breakers with “6A” included in the catalog number. See Fig. 18 for location of LEDs.

| LED | State | Trip Unit State |
| Active | OFF | Ok. Ipri < min Ipri to power trip unit |
| Flashing GREEN (1 Hz) | Ok. Trip unit fully operational. | |
| Flashing GREEN (>>1Hz) | Ok. Ipri < min Ipri to power trip unit | |
| Static RED | Trip unit in error state. Contact technical support. | |
| Overload | OFF | Ok |
| Flashing AMBER | Trip pending Ipri > Ir | |
| Static Amber | Trip pending Ipri > Ir* 115% | |
| Maint. Mode | OFF | Maintenance mode OFF |
| Static BLUE | Maintenance mode ON |
1National Electrical Code® is a Registered Trademark of the National
Fire Protection Association
Electronic Testing
Sensitrip IV solid state molded case circuit breakers may be tested for electronic functionality by the use of ELTPHB or EPSP18V test sets, available from local Siemens sales offices. See Fig. 18 for location of test connector. NOTE: Time current characteristic curves and information on factory installed accessories can be obtained from local Siemens sales offices or Siemens Online.
Maintenance
JD and LD frame circuit breakers are designed to provide years of maintenance free service. However, some industrial users may choose to establish an inspection and maintenance procedure to be carried out on a regular basis. For detailed information, consult applicable NEMA publication or your local Siemens sales office.
NOTE: Do not spray or allow any petroleum based chemicals, solvents or paints to contact the molded parts or nameplates.
Technical Support: Toll Free: 1-800-241-4453
Internet: www.usa.siemens.com/powerdistribution
Subject to change without prior notice
Siemens Industry, Inc., Norcross, GA 30092
© Siemens Industry Inc. 2018
R813152Ȼ01

















