SIEMENS ED63A002BP Molded Case Circuit Breaker

Product Information
The installation instructions provided are for the following devices:
- ED Frame Types ED2, ED2Y, ED4, HED4, HED6, HHED6 and HCED6 Circuit Breakers
- Type ED6 ETI Motor Circuit Interrupters, Types ED2, ED4, ED6, HHED6 and HCED6 Molded Case Switches
The molded case switches are only available in 100A and 125A ratings and do not come with a push-to-trip button. The ETI motor circuit interrupters are available with ratings down to 1A.
Product Usage Instructions
Before installation or servicing, turn off and lock out all power.
- Inspect the circuit breaker for completeness and check for any damage before mounting. Make sure the circuit breaker is suitable for installation by comparing its nameplate ratings with system requirements.
- Complete accessory installation before mounting and connecting the circuit breaker (refer to accessory installation instructions).
- Make sure the circuit breaker is in the tripped or OFF position before mounting.
- To mount the circuit breaker, follow these steps:
- For individual enclosures, panelboards, and switchboards manufactured by Siemens Energy and Automation, Inc., follow the instructions provided with the equipment.
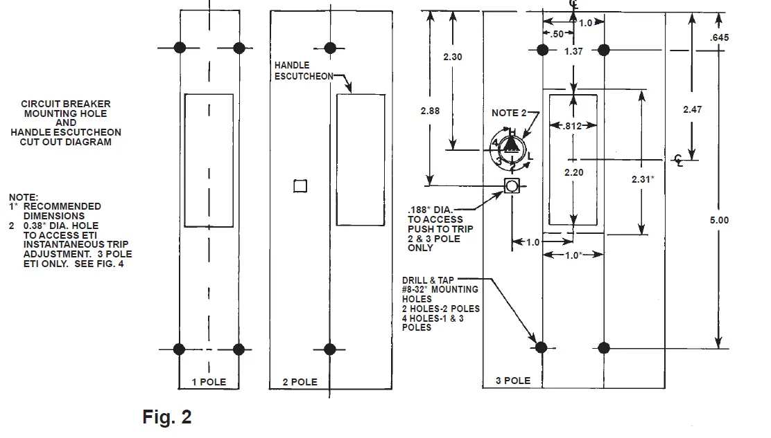
- For applications where mounting is on a flat surface of the customer’s equipment, drill and tap mounting bolt holes according to the drilling plan in Fig. 2. For handle escutcheon cut out plans refer to Fig. 2.
General Product Information
The ED frame circuit breaker line includes Types ED2, ED2Y, ED4, ED6, HED4, HED6, HHED6 and HCED6 Circuit Breakers; Type ED6 ETI Motor Circuit Interrupters; and Types ED2, ED4, ED6, HHED6 and HCED6 Molded Case Switches. These devices are rated 15A. to 125A. continuous current and are available for use at operating voltages up to 600 V.A.C., 50/60 Hz.; 240 V.A.C., 400 Hz.; and 250 V.D.C. (Type ED2 and ED2Y Circuit Breakers and Molded Case Switches are rated 100 A. maximum. Type HHED6 and HCED6 Circuit Breakers and Molded Case Switches are rated for A.C. 50/60 Hz. current only.)
NOTE: Molded Case Switches are available as 100 A. and 125 A. ratings only, and are not provided with a “Push-to-Trip” button. In addition, Type ED6 ETI Motor Circuit Interrupters are available with ratings down to 1 A.
For this publication, the term Circuit Breaker also includes Molded Case Switches and Motor Circuit Interrupters.
Installation
ED-frame circuit breakers are for use in individual enclosures, panelboards, switch boards or other approved equipment.
The installation procedure consists of inspecting, attaching required accessories, mounting the circuit breaker, and connecting and torquing the line and load wire connectors.
Mounting hardware and wire connectors (where required) are available as separate catalog items.
NOTE: Accessory installation must be completed before the circuit breaker is mounted and connected. (See installation instructions supplied with accessory before proceeding).
NOTE: Accessories manufactured by Siemens Energy and Automation, Inc. that are suitable for use with Circuit Breaker Types ED2, ED2Y, ED4, ED6, HED4 and HED6 are also suitable and may be used with Types HHED6 and HCED6.
- A. Turn off and lock out all power before installing or servicing.
- B. Make sure that the circuit breaker is suitable for the installation by comparing nameplate ratings with system requirements. Inspect the circuit breaker for completeness and check for any damage before mounting.
- C. The circuit breaker must be in the “Tripped” or “OFF” position prior to mounting.

- D. To mount the circuit breaker, perform the following steps:
- For individual enclosures, panelboards and switchboards manufactured by Siemens Energy and Automation, Inc., follow the instructions provided with this equipment.
- For those applications where mounting is on a flat surface of the customers equipment, drill and tap mounting bolt holes according to the drilling plan in Fig. 2. For handle escutcheon cut out plans refer to Fig. 2.
NOTE: For mounting single pole breakers, the use of a back mounting plate (Catalog Number E2BMB) is required. - If circuit breaker contains accessories, make sure terminals can be connected when the circuit breaker is mounted.
- Position circuit breaker on mounting surface.
- Install mounting screws and washers from kit Catalog Number MSE6. Torque mounting hardwareto 12-15 in-lbs.
- After mounting the circuit breaker, line and load terminals and accessory terminals should be connected. Install wire connectors with correct torque requirements. Torque values for line and load connectors are provided on the circuit breaker nameplate. Insure that wire and wire connectors are fully engaged on terminals and that connectors are flush with end of terminal.
NOTE: When aluminum conductors are used, the application of a suitable joint compound is recommended to reduce the possibility of terminal overheating.
NOTE: Circuit Breaker Types HHED6 and HCED6 have load terminals that can rotate between two positions. When installing wire connectors, the load terminal must be positioned at an angle as shown in Fig. 3.
- After the circuit breaker is installed, check all mounting hardware for secureness.
Manual Operation
Manual operation of the circuit breaker is controlled by the circuit breaker handle and the PUSH-TOTRIP button. The circuit breaker handle has three indicating positions, two of which are molded into the handle to indicate ON and OFF. The third position indicates a TRIP position and is between the ON and OFF position. (See Fig. 4)
- A. Circuit Breaker Reset
After tripping, the circuit breaker is reset by moving the circuit breaker handle to the reset position and then moving the handle to the ON position.
NOTE: In the event of a thermal trip, the circuit breaker cannot be reset until the thermal element cools. - B. PUSH-TO-TRIP Button
The PUSH-TO-TRIP button checks the tripping function and is used to manually exercise the operating mechanism. (PUSH-TO-TRIP button not provided on switch)
Inspection and Field Testing
ED-frame circuit breakers are designed to provide years of maintanance free service. The following procedure outlines how to inspect and test a circuit breaker in service.
Inspection and Maintenance
Circuit breakers in service should be inspected periodically. The inspection should include the following steps:
- A. Turn off and lock out power before inspecting or servicing. Special attention should be paid to reverse feed applications to ensure no voltage is present.
- B. Remove dust, soot, grease or moisture from the surface of the circuit breaker using a lint free cloth brush or vacuum cleaner. DO NOT blow debris into the circuit breakers. If contamination is found, eliminate the source of the problem.
NOTE: Do not spray or allow any petroleum based chemicals, solvents or paints to contact the inside or outside of breaker or electrical connections. - C. Switch the circuit breaker to the ON and OFF positions several times to be sure the mechanical linkages are free and do not bind. If mechanical linkages are not free, replace the circuit breaker.
- D. Press the PUSH-TO-TRIP button to mechanically trip the circuit breaker. Trip, reset, and switch the breaker on several times. If the circuit breaker cannot be turned on replace the circuit breaker.
- E. Check circuit breaker housing and handle for cracks, chipping and discoloration. Circuit breakers should be replaced if cracks or severe discoloration is found.
- F. Check terminals and wire connectors for looseness or signs of overheating. Overheating will show as discoloration, melting or blistering of conductor insulation, or as pitting or melting of conductor surfaces due to arcing. If there is no evidence of overheating or looseness, do not disturb or tighten the connections. If there is evidence of overheating, terminations should be replaced. Before re-energizing the circuit breaker, all wire connectors and cable should be refurbished to the original installed condition.
IMPORTANT: Refer to instructions on page 2, Item 6. - G. Check circuit breaker mounting hardware. Tighen if necessary.
H. Check area where circuit breaker is installed for any safety hazards, including personal safety and fire hazards. Exposure to certain types of chemicals can cause deterioration of electrical connections.
Field Testing
Any field testing should be conducted in accordance with NEMA Standards Publication AB2.
Adjustment procedures for ETI Motor Circuit Interrupter
- A. Determine the Motor Full Load Amperes from the motor nameplate or table 430-150 of N.E.C. (1990).
- B. Use Table 1 for suggested device catalog number and adjustment setting.
- C. Adjust the instantaneous button by rotating to the desired setting determined above (Ref. Fig. 5).

ETI instantaneous-trip circuit breakers are recommended for use in combination motor starters to provide selective short-circuit protection for the motor branch circuit. The adjustable instantaneous-trip feature of the ETI circuit breaker provides for a trip setting slightly above the peak motor-inrush current. With this setting, no delay is introduced in opening the circuit when a fault occurs. This circuit breaker has no time-delay trip element. Therefore it must be used in conjunction with, and immediately ahead of, the motor-running overcurrent protective device.
The recommended ETI instantaneous only circuit breakers listed in Table 1 have continuous-current ratings of at least 115% of motor full-load currents. The trip-setting positions are approximately 11 times motor full-load currents. The suggested trip settings, and in some cases, the allowable maximum setting of 1300% of motor full load current may not be sufficient to get “energy efficient” motors on line.
(When Breaker is Mounted Immediately Ahead of Motor Starter)
3 Phase Induction Type Motors (ETI circuit breakers for branch circuit use with alternating-current combination, full voltage motor starters).

Manufactured Under One or More of the Following U.S. Patents: 4,594,567; 4,595,896; 4,675,640; 4,680,564





















