GEBRUIKSAANWIJZING
MODE D’EMPLOI
BEDIENUNGSANLEITUNG
USER’S MANUAL


ADI-250
INTRODUCTION
The ADI-250 is a wireless video door telephone system. It allows you to see who’s
at the door and to ask what the purpose of the visit is before you open the door.
Additionally, a photo is taken of each visitor ringing your doorbell, including the date
en time, which is saved in the memory of the indoor post. The indoor post has a
memory capacity for 50 of these photos.
INTENDED USE
The Alecto ADI-250 allows you to wirelessly see who’s at the door and to communicate with this person. The Alecto ADI-250 is only suitable for household use and can in no way prevent undesired visitors.
PACKAGING CONTENTS

outdoor unit with built-in camera and microphone / speaker, suspension bracket, optionally with battery compartment (extra large suspension bracket)

indoor unit with built-in display and microphone / speaker and rechargeable battery pack and belt clip

charger with adaptor

screwdriver with screws for installation and mounting
INSTALLATION
Charger:
- Insert the small plug of the adaptor cable into the bottom of the adaptor and plug the adaptor into a 230V wall socket.
- You may choose to place the charger into a table or to use the 2 screws for wall-mounting.
The adaptor for the charger is included.
Indoor unit:
- Slide the battery cover at the rear of the indoor unit down and off the indoor unit.
- Install the supplied battery pack in the indoor unit, connecting the plug to the battery input.
- Slide the battery cover back onto the indoor unit.
- You may also place the belt clip.
- Place the indoor unit into the charger and leave it there for 10-15 hours to properly charge the battery pack.



The charge indicator will remain lit while charging (attention: this indicator will NOT switch off when the battery pack is charged).
Outdoor unit:
You may choose to have the outdoor unit run on batteries or power it via a power
adaptor. When powered by batteries, the monitor function will be unavailable. Batteries or a power adaptor for the outdoor unit are NOT included. You may also choose to use the standard doorbell transformer; the current doorbell and bell pusher will then be excluded.

Batteries:
(size AA, penlite LR-6, 1.5V, 4x, excluded)
1. Remove the protective cover by flipping off the cover using a screwdriver underneath the clip.
2. Remove the battery cover by unscrewing the 4 small screws.
3. Install the batteries, paying attention to the + and -. Preferably, use Alkaline batteries.
4. Replace the battery cover onto the outdoor unit, fasten it with the 4 small screws and replace the protective cover.
5. Click the battery compartment into the bottom of the outdoor unit.

Power adaptor:
(8~12V AC or DC, 1000mA, excluded)
1. Remove the seal cover by unscrewing the 4 small screws.
2. Connect the 8-12V adaptor according to the illustration below.
3. Fasten the seal cover back onto the outdoor unit.


First, strip the insulation approximately 1cm. You may ignore the (+) and (-) connection. Push in the wire and fix it.
You may hide the connection for the battery compartment with the supplied rubber panel with bonding strip. Remove the protective layer of the rubber panel en stick it onto the bottom covering the connections.
Mounting:
1. Determine the installation height for the outdoor unit.
2. Hold the suspension bracket against the wall at the desired height and draw the
drill holes.
3. Drill the holes, insert the plugs and mount the suspension bracket. You can
suspend the bracket exactly straight using the built-in spirit level. When using an
external power source, lead the wires through the hole in the rear of the suspension bracket and connect them to the connection strip.
4. Now first slide the top of the outdoor unit into the suspension bracket and then
push the bottom into the bracket, according to the illustration below.
5. Now fasten the outdoor unit into the bracket using the supplied screw.


If the camera must be aimed at an angle to the left or right, first mount the wall
bracket at an angle to the wall and then place the straight wall bracket onto it.

OVERVIEW
Indoor unit:


- Display
- Left soft-button
- Talk button, to answer calls
- Charge LED indication
- Manual snapshot, camera selection button
- Direction buttons
- Built-in microphone
- Power button, Stop button, to end calls
- Right soft-button, to show images, to unlock
- Switch for clicking the external antenna outward for improved range
- External antenna
- Built-in speaker
- Battery compartment
- Charger
- Adaptor cable input
Outdoor unit:

16. Built-in speaker
17. Night light
18. Built-in camera
19. Photo cell
20. Bell pusher with built-in lighting
21. Built-in microphone
22. Separate battery compartment

OPERATION
To switch on/off:
Outdoor unit:
As soon as the batteries are installed or the adaptor is connected, the outdoor unit
will be enabled. The outdoor unit cannot be switched off.
Indoor unit:
Press and hold
the button for 4 seconds to switch on the indoor unit.
Press and hold
the button again for 8 seconds to switch off the indoor unit.
Attention: the indoor unit is NOT switched off automatically when placed into the charger.
When the doorbell rings:
Upon pressing the push button, the push button will illuminate. A “ding dong” sound
will be emitted and the face of the visitor will be shown on the display of the indoor
unit.
- when the surrounding light is inadequate, the object lighting of the outdoor unit is enabled
- a photo of the visitor is taken automatically and is stored in the memory of the
indoor unit (see also chapter 9)
– when you do nothing, the call is ended automatically after ± 20 seconds
– if you want to ignore this visit, press the
button; the image of the visitor will
disappear from the display
– if you’d like to talk to your visitor, you may press the
button to accept the call
After accepting the call (max. 1 minute):
- You may talk to your visitor through the built-in microphone and speaker in the
indoor unit and in the outdoor unit; please keep in mind NOT to hold the indoor
unit against your ear like a regular telephone receiver. Leave the indoor unit in the charger while talking to your visitor or keep the indoor unit in your hand at approx. 30cm from your mouth and speak at a normal voice volume level.
the volume of the speaker of the indoor unit may be adjusted using the
and
buttons (the volume of the speaker of the outdoor unit is fixed and cannot be changed).
use the
and
buttons to set the screen brightness.- a photo was already taken upon ringing the doorbell, but you may choose to take another picture of your visitor during your conversation by pressing the
button. - press the
button to disconnect the call (or wait for 2 minutes until the call is
disconnected automatically)
When multiple outdoor units are registered:
When multiple outdoor units are registered and somebody presses the doorbell,
the camera number X# in the upper part of the screen will indicate at which outdoor
unit your visitor is calling.
Monitor: (looking outside yourself (only when used on external power))
Also when there’s nobody pressing the doorbell, you may still enable the camera
and take a picture.
- briefly press the
button to switch on the indoor unit from its sleep mode - press and hold the
soft-button for 1 second to switch on the monitor function;
the display will be enabled to show the area in front of the camera - you may listen via the speaker (talking back is only possible after pressing the
button) - press the
button to take a picture - press the
button to disconnect or wait for 5 minutes until the connection is disconnected automatically
When multiple outdoor units are registered:
When multiple outdoor units are registered and you press and hold the
button for 1 second, you must first use the
and
buttons to select the desired outdoor unit and then press the button to confirm.
Attention: if the outdoor unit is powered by batteries, the monitor function is NOT available.

SETUP
Via the menu function of the indoor unit, you may manage the various settings of
the video door phone.

Battery capacity indication
Talk-back indication
Indication while zooming
Power indication, the intercom is connected to fixed power
Call signal disconnected
Active camera
RF signal strength
Volume:
Except for when in use, you may adjust the volume in the menu:
- with the indoor unit on stand-by, first briefly press the
button to wake up the
indoor unit - press the
MENU soft-button - use the
and
buttons to select the
Volume function - press the
Select soft-button - use the
and
buttons to set the volume - press 2x the
BACK soft-button to save your settings and to leave the menu
Brightness:
Except for when in use, you may adjust the Brightness in the menu:
- with the indoor unit on stand-by, first briefly press the
button to wake up the indoor unit - press the
MENU soft-button - use the
and
buttons to select the
Brightness function - press the
Select soft-button - use the
and
buttons to set the Brightness - press 2x the
BACK soft-button to save your settings and to leave the menu
Time and date:
The photo of the visitor also shows the time and date. You may set the time and
date here:
- with the indoor unit on stand-by, first briefly press the
button to wake up the
indoor unit - press the
MENU soft-button - use the
and
buttons to select the
Date & Time function - press the
Select soft-button - press the
and
buttons to switch between hours, minutes, day and date and
use the
and
buttons to change the settings - press 2x the
BACK soft-button to save your settings and to leave the menu
Key tone:
Each time you press a button, a key tone will be emitted. You may enable or disable this key tone:
- with the indoor unit on stand-by, first briefly press the
button to wake up the
indoor unit - press the
MENU soft-button - use the
and
buttons to select the
Key tone function - press the
Select soft-button - use the
and
buttons to select whether you want to switch the key tone On or Off - press the
Select soft-button to save your setting and press the
BACK button to leave the menu
Automatic snapshot:
Of each visitor pressing the doorbell a photo is taken automatically. You may disable or enable this function or set it to 1 photo/press, 2 photos/press or 3 photos/
press:
- with the indoor unit on stand-by, first briefly press the
button to wake up the
indoor unit - press the
MENU soft-button - use the
and
buttons to select the
Auto. snap set function. - press the
Select soft-button - use the
and
buttons to set the automatic snapshot to On or Off - press the
Select soft-button to save your setting and press the
BACK button to leave the menu
To view photos:
Of each visitor pressing the doorbell a photo is taken automatically (the automatic
snapshot function must be enabled). You may view these photos as follows:
- with the indoor unit on stand-by, first briefly press the
button to wake up the
indoor unit - press the
REPLAY button
OR
- with the indoor unit on stand-by, first briefly press the
button to wake up the
indoor unit - press the
MENU soft-button - use
the
and buttons to select the
Snap show function. - press the
Select soft-button
Now the last photo taken will appear in the display.
The red letter in the upper part of the screen indicates which camera has taken the
photo.
The green digits represent the photo number.
Press the
Del button to delete a photo.
Press the
BACK button to leave the photo viewer.
Reset to factory settings:
- with the indoor unit on stand-by, first briefly press the
button to wake up the indoor unit - press the
MENU soft-button - use the
and
buttons to select the
Default Set function. - press the
Select soft-button and use the
and
buttons to choose
whether to perform a factory reset (Yes ) or not (No)
Factory settings:
volume: level 5
brightness: level 5
key tone: on
automatic 1 snapshot: on
photo memory: empty
EXPANDING WITH MULTIPLE OUTDOOR UNITS
Introduction:
Up to a maximum of 4 outdoor units may be connected to a single indoor unit. In
this way you can guard multiple entrances to your company or home (main entrance, personnel entrance, warehouse, garden gate, and garage).
Additional outdoor units are available via the Alecto service department via the
internet www.alecto.nl
To register additional outdoor units:
Preparation for registration:
- Install the batteries into the indoor unit and charge them.
- Install the batteries into the outdoor unit or connect the adaptor to the unit
- Keep both the indoor unit and outdoor unit handy
- Keep a small screwdriver or paperclip handy
To register:
- with the indoor unit on stand-by, first briefly press the
button to wake up the indoor unit - press the
MENU soft-button - use the
and
buttons to select the
Register function - press 2x the
SELECT soft-button; in the lower part of the display ‘Searching…’ will appear. - press 1x the bell pusher of the outdoor unit
- now press and hold the register button at the rear of the outdoor unit until the camera lighting starts flashing after several seconds
- the indoor unit and outdoor unit are now searching for each other; the registration is successful as soon as the indoor unit shows the image of the outdoor unit; the number of the outdoor unit is indicated in the middle of the display at the top


Maximum 4 outdoor units.
The indoor unit is suitable for registering 4 outdoor units. As soon as you try to register a fifth outdoor unit, the warning “Register Full” will appear.

To de-register:
You can only de-register ALL outdoor units at once. After doing so you may choose
to register a certain outdoor unit again.
- With the indoor unit on stand-by, first briefly press the
button to wake up the
indoor unit - Now simultaneously press the
button and the right
button and press and hold these buttons for 5 seconds. - After 5 seconds the message ‘Registration Cleared’ will appear and all outdoor
units are now de-registered.

INCREASING THE RANGE USING THE EXTERNAL ANTENNA
The indoor unit is provided with an external antenna. The antenna sits on top of the
indoor unit.
- Push the silver button to the right.
- The external antenna will pop out.
- Rotate the antenna until it’s standing upright to increase the reception sensitivity

PHOTOS
Introduction:
- Of each person pressing the doorbell a photo is taken automatically.
- This photo is saved in the internal memory of the indoor unit, including the time
and date of that picture. - You may also take photos yourself in the monitor mode.
- The photos are saved in the internal memory of the indoor unit and CANNOT be copied or moved elsewhere.
- The indoor unit has a memory capacity for 50 photos.
- Via the menu function of the indoor unit you may disable the automatic snapshot
function for visitors. - The indoor unit has a memory capacity for 50 photos. When the memory is full,
each new photo will overwrite the oldest photo in the memory. You CANNOT
export the photos
To view and delete:
- with the indoor unit on stand-by, first briefly press the
button to wake up the
indoor unit - press the
Replay soft-button; the most recent photo will be shown - use the
and
buttons to scroll the photo directory - in the bottom of the screen the time and date of the snapshot are shown
- in the upper middle part of the screen the order number of the photo is shown
- press the left
DEL soft-button to delete the current photo, press the right
YES button to confirm or press the left
NO soft-button to cancel
In addition to using the
Replay soft-button, you may also view photos via the menu by selecting the ‘Snap Show’ option in the setup menu.
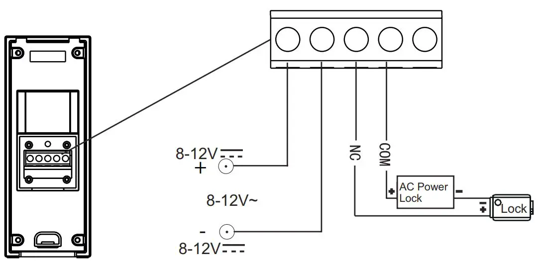
DOOR OPENER
Introduction:
The indoor post is provided with a control function to open an automatic electric
door lock. This function is only available when the talk-back function (
) is activated and the outdoor unit is connected to an external adaptor. The outdoor unit can control both NC (normally closed) and NO (normally opened) door locks.
Operating the door lock:
You may activate the door lock as follows.
- Upon pressing the push button, the push button will illuminate. A ‘ding dong’
bell signal is emitted and the face of your visitor appears in the display of the
indoor unit. - To talk to your visitor, press the
button to accept the call. - Press the
button to activate the door lock. - Your visitor can now open the door and enter.
Door lock connection:
The door lock may be connected according to the illustration below.


Door lock switch duration setup:
You may set a time for how long the door lock can be activated.
- With the indoor unit on stand-by, first briefly press the
button to wake up the
indoor unit - Now simultaneously press the
button and the right
button and press and hold these buttons for 5 seconds. “Unlock time” will appear in the display. - Use the
and
buttons to select the correct outdoor post with door lock (1~4) - Press the
or
button to set the switch duration (1~25 sec.) - Now press the
Back soft-button; “OK” will appear in the display as a confirmation. - The screen turns off automatically after 5 seconds

SYSTEM ERROR
If you think that an error has occurred in the system, please remove the batteries
from the indoor unit and outdoor unit. Now wait several minutes and replace the
batteries. If this does not resolve the problem, please contact the Alecto service
department via the internet www.alecto.nl
TECHNICAL SPECIFICATIONS
Indoor-unit
Receiving Frequency Range: 2.400GHz ~ 2.4835GHz
Monitor: 3.5’’ Color LCD
Data Rate: 2.0Mbps
Receiving Sensitivity: -90dBm
Demodulation Type: GFSK
Resolution: 320×240(RGB)
Transmitting Power: 19dBm (TYP)
Power Requirement: Ni-MH3.6V, 800mAh
Power Consumption: 400mA Max
Operating Temperature: -10°C ~ 40°C
Operating Humidity: 0% ~ 85%RH
Weight: 188g
Size receiver: 85x115x27mm (WxHxD)
charger: 93x55x75mm (WxHxD)
No. of outdoor stations: Max.4
Outdoor-unit
Transmit Frequency: Range 2.400GHz ~ 2.4835GHz
Data Rate: 2.0Mbps
Transmitting Power: 19dBm (TYP)
Modulation Type: GFSK
Transmitting Distance: Outdoor: 200m, Indoor: 50m
Image Sensor Type: 1/4″ Color CMOS Image Sensor
Effective Pixels: H:320 V:240
Image Processing: Motion JPEG
Image Resolution / Frame Rate: H:320 V:240 / 25fps
White Balance: Auto
Lens: 2.1mm / F2.6
Viewing Angle (Diagonal): 135°
Minimum Illumination: 1 LUX (without LED illumination)
LED: 6 LEDs
Power Requirement: 8~12V AC or DC +/- 5%
4 LR6(AA),1.5V alkaline batteries
Power Consumption: 500mA Max (cells)
400mA Max (8~12V AC or DC)
Door contact:
Contact rating (Res. load): 0.3A 60VDC / 0.5A 125VAC / 1A 30VDC
Max. switch voltage: 125VAC / 60VDC
Max. switching current: 2A
Max. switching power: 62.5VA / 30W
Operating Temperature: -30°C ~ 40°C
Operating Humidity: 0% ~ 85%RH
Weight: 109g excl. 251 incl. batteries
Size: 50x125x35mm (WxHxD) excl. batteries
50x200x35mm (WxHxD) incl. batteries
Information Power Adapter:
Manufacturers name and address: Something Output voltage : 6.0V DC
High Electric(Xiamen) Company Inc., Unit 1, Output current : 0.2 A
4F, No.903 Tong long Second Road, Torch Output Power : 1.8 W
Hi-tech Zone, Xiang an Industrial District Xiamen, Average active efficiency : 68.2 %
China. Efficiency at low 10% load : –
Model Identifier : P6-060030EU No load Power consumption : 0.1 W Input voltage : 100-240VAC
Input AC frequency : 50/60 Hz
DECLARATION OF CONFORMITY
This equipment complies with the essential requirements and provisions as
described in the European Directive 2014/53/EU.
The declaration of conformity is available at: http://DOC.hesdo.com/ADI-250-DOC.pdf
Frequency: 2.400GHz ~ 2.4835GHz
Maximum Power: < 19dBm


the volume of the speaker of the indoor unit may be adjusted using the
Snap show function.















