USER MANUAL
- Information & specifications contained in this manual maybe changed for the benefit of product development and improvements.
Name and Functions of Each Part
| NO. | Part Name | NO. | Part Name |
| 1 | LED for night vision | 5 | Microphone |
| 2 | Camera | 6 | AHD/CVBS switch |
| 3 | Speaker | 7 | Speaker volume adjust |
| 4 | Call button | 8 | Wires for monitor/electronic lock |
| 9 | Metal bracket for wall corner mounted | ||
Features
- Aluminum housing
- Sensor resolution: 2M
- IR LED for night vision
- IR-CUT filter with auto switch
- Water-proof and dust-proof (IP66)
- Surface mount
- Weight(g):255g
- Color HD CMOS camera:1080P
- Horizontal view angle:126°(AHD);115°(CVBS)
- Speaker volume adjustable
- Door lock release
- Operation temperature: -40~50℃
- Dimensions(mm):133(H)x48(W)x19(D)
Packing Contents
- Main body
- Wall bracket

- Bracket
- User manual

- KA M4 35mm Mounting screw
- M4 35mm Plastic expansion pipe

- KM4 8mm Fixing main body screw
- KM3 6mm Fixing main body screw

- Rubber stopper of regulating hole
- M2*50mm Wrench

- Screwdriver
- Warranty card

Connection Diagram
Wiring Diagram
- Please be careful to wiring on polarity.

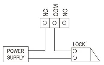
Electric Lock Connection
Note
- The external power supply must be used according to the lock.
- The inside relay contact is restricted to DC 3A/30V.
- There are two unlock types as the follows:
- Type 1: Power-on-to-unlock

- Type 2: Power-off-to-unlock

Installation
Installation location
- Camera installation location Standard installation height of outdoor station: lens’s height is about 1,400mm above the floor; in this case, camera stack center is about 1,390mm above ground level.
Wiring and Installation
There are two ways to install the door station:
- Surface-mounted

- Surface-mounted (at wall corner)




























![Hikvision Video Intercom Villa Door Station [ads-24s-12 1224gpcn] User Manual Hikvision Video Intercom Villa Door Station [ads-24s-12 1224gpcn] User Manual](https://static-data1.manualsee.com/1/img/266/17650/2020/12/Video-Intercom-Villa-Door-Station.png)




