09153 Push-Push White Dimmer
Instructions
Dimmer 230 V~ 50-60 Hz for incandescent lamps 100-500 W, controlled via push-push switch and adjustment with rotary potentiometer, location in the dark.
CHARACTERISTICS.
- Appliances with solid state device (TRIAC technology).
- Controlled via push-push switch and adjustment with rotary potentiometer
- The strength of location in the dark decreases as the brightness of the controlled lamps increases
- It should be used in dry, dust-free places at a temperature between 0 °C and +35 °C.
CONNECTIONS.
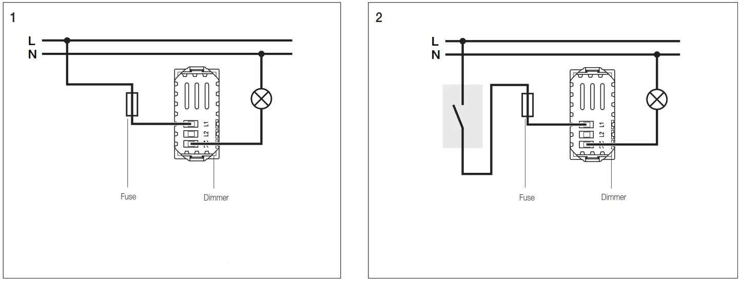
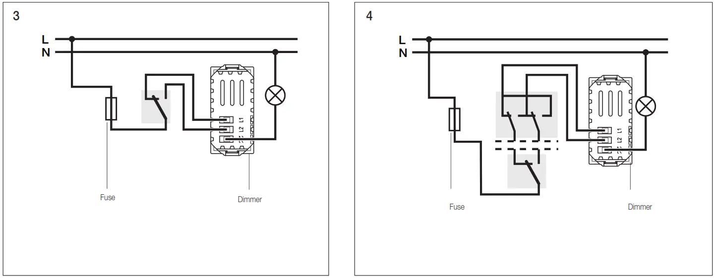
The connection should be made together with a quick-acting fuse with high breaking capacity type F2,5AH 250 V~ as shown in the following diagrams.
- In place of a switch (figure 1)
- In addition to a switch (figure 2)
- In a circuit making two or more points of operation (switches – figure 3; inverters – figure 4)
CONTROLLABLE LOADS.
Incandescent and halogen lamps: 100-500 W 230 V~ 50-60 Hz.
For installations with 2 dimmers in the same box the loads controllable by each dimmer should be reduced so that their total does not exceed the values indicated above.
INSTALLATION REGULATIONS.
- Installation should be carried out by qualified personnel in compliance with the current regulations regarding the installation of electrical equipment in the country where the products are installed.
- The rated power level should never be exceeded.
- The light buzzing noise eventually produced by the dimmer is due to the presence of the LC filter prescribed by the radio-frequency interference suppression regulations.
- Overloading, power surges and short-circuits may permanently damage dimmers. Before installation, check the circuit carefully and eliminate any of the above causes.
- Do not connect several dimmers in series between each other.
- The dimmer does not have a mechanical circuit breaker in the main circuit and so is not galvanically separated. The circuit load should be considered always under voltage.
STANDARD COMPLIANCE.
LV directive. EMC directive, RoHS directive.
Standards EN 60669-2-1, EN IEC 63000.
REACH (EU) Regulation no. 1907/2006 – Art.33. The product may contain traces of lead.
RAEE – Informazione agli utilizzatori
If the crossed-out bin symbol appears on the equipment or packaging, this means the product must not be included with other general waste at the end of its working life. The user must take the worn product to a sorted waste center, or return it to the retailer when purchasing a new one. Products for disposal can be consigned free of charge (without any new purchase obligation) to retailers with a sales area of at least 400 m2, if they measure less than 25 cm. An efficient sorted waste collection for the environmentally friendly disposal of the used device, or its subsequent recycling, helps avoid the potential negative effects on the environment and people’s health, and encourages the re-use and/or recycling of the construction materials.



It is recommended to position the connection conductors on the bottom of the box avoiding contact with the body of the dimmer.
Viale Vicenza, 14
36063 Marostica VI – Italy
www.vimar.com
49401598A0 02 2207
















