
SWRFD-60L
Radio Replacement with SWC + Aux Input Retention
for FORD, LINCOLN & MERCURY Vehicles
PRODUCT FEATURES:
- Retains factory features in select FORD, LINCOLN, and MERCURY vehicles while functioning with an aftermarket radio.
- Pre-programmed to retain factory Steering Wheel Controls (on vehicles without Sync).
- iPhone Voice Recognition (VR) feature from SWC on select Kenwood, Pioneer, Alpine, and JVC radios.
- Retains factory Aux-Input and Subwoofer (if equipped).
- EIA color-coded wiring for easy installation.
PARTS INCLUDED:

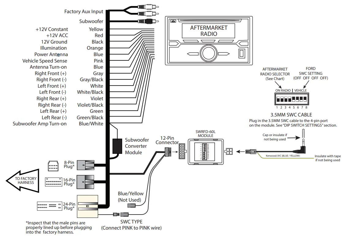
INSTALLATION DIAGRAM:
LED TROUBLESHOOTING ON MODULE
| LED LIGHT | LED MODULE FEEDBACK | |
| BLUE LED OFF | NO POWER | CHECK VOLTAGE |
| RED LED FLASHES | WHEN PRESSING SWC BUTTONS | |
NOTES:
- Only supports analog Steering Wheel Control type.
- Use part number SWRFD-60 for CAN-Bus Steering Wheel Control.
- The output signal stated above may not cover all Years/Models.
- Does not retain SYNC.
- Not compatible with factory-installed Sony systems and THX systems with amplifiers.
ANALOG CONNECTION:
HOW TO DETERMINE IF THE VEHICLE HAS ANALOG SWC:
Analog Steering Wheel Control (SWC) signal vehicles will have wires populated and lined up to the PINK and BLACK wire on the 24-Pin Crux connector.
If one wire is missing then you will need to use Crux part number SWRFD-60.
NOTE: The 2006 F250/F350 is a 1-wire analog system.
DIP SWITCH SETTINGS:
AFTERMARKET RADIO DIP SWITCH SETTINGS:
| RADIO BRAND: | DIP: | 1 | 2 | 3 | 4 |
| Atoto, Dual, Farenheit, Jensen, Pioneer Power Acoustik, Soundstream Blaupunkt, Most off-brand Radios Alpine Clarion Kenwood JVC Boss, Old Sony New Sony | OFF | OFF | ON | ON | |
| OFF | OFF | ON | ON | ||
| OFF | OFF | ON | ON | ||
| OFF | OFF | OFF | OFF | ||
| OFF | ON | ON | OFF | ||
| OFF | ON | ON | ON | ||
| OFF | ON | OFF | ON | ||
| OFF | ON | OFF | OFF | ||
| OFF | OFF | ON | OFF | ||

NOTE: For Auto, Blaupunkt, Dual, Farenheit, Power Acoustik, Soundstream, and most off-brand radios, check the aftermarket radio’s manual to see if the SWC buttons need to be programmed.
FORD STEERING WHEEL CONTROL DIP SWITCH SETTING:
| DIP: | 5 | 6 | 7 | 8 |
| Ford | OFF | OFF | OFF | OFF |

3.5MM SWC CABLE
Plug in the 3.5MM to 4-Pin SWC cable to the SWC module.
NOTE: Insulate the Blue/Yellow wire or 3.5mm plug if not being used.
For aftermarket radios that have wires for SWC connections, cut off the 3.5mm plug on the Crux SWC Cable and connect the SWC wires as follows: 
Note that there are some radios that only have SWC1 and SWC2, in this case, the “shield” does not need to be connected.
VEHICLE APPLICATIONS:
FORD
| 2004-2006 | Crown Victoria |
| 2007-2010 | Edge |
| 2008-2012 | Escape |
| 2004-2010 | Expedition |
| 2004-2010 | Explorer |
| 2004-2012 | F-150 |
| 2004-2012 | F-250 |
| 2004-2012 | F-350 |
| 2004-2012 | F-450 |
| 2004-2012 | F-550 |
| 2005-2007 | Five Hundred |
| 2009-2012 | Flex |
| 2004-2011 | Focus |
| 2004-2007 | Freestar |
| 2005-2007 | Freestyle |
| 2006-2012 | Fusion |
| 2004-2012 | Mustang |
| 2008-2010 | Taurus |
| 2004-2005 | Thunderbird |
MERCURY
| 2003-2005 | Grand Marquis |
| 2006-2010 | Mariner |
| 2006-2011 | Milan |
| 2005-2007 | Montego |
| 2004-2007 | Monterey |
| 2006-2010 | Mountaineer |
| 2008-2009 | Sable |
LINCOLN
| 2003-2005 | Aviator |
| 2004-2006 | LS |
| 2006-2008 | Mark LT |
| 2009-2010 | MKS |
| 2010-2011 | MKT |
| 2006-2011 | MKX |
| 2006-2011 | MKZ |
| 2007-2011 | Navigator |
| 2004-2010 | Town Car |
| 2006-2006 | Zephyr |
Compatible Ford SWC Types:
NOTE:
Steering Wheel Controls is NOT retained in vehicles with Sync.
http://www.cruxinterfacing.com
Crux Interfacing Solutions
• Chatsworth, CA 91311
phone: (818) 609-9299
• fax: (818) 996-8188
• www.cruxinterfacing.com
rev. 092022



















