FISHER and PAYKEL DD60SCHX9 FP BI DishDrawer Dishwasher

Product Information
The Fisher & Paykel DishDrawer Dishwasher, product code 82350-A, is a built-in dishwasher that is suitable for use in a household. It has a voltage of 220/240 VAC 50Hz and comes with a kit module display DD60C9. The product is manufactured by Fisher & Paykel.
Models
The user manual covers all the models listed on the front cover of the manual.
Parts List Key
The parts list key includes NI (not used), NS (not servicable), and part numbers that are not illustrated on the diagram or not used in the manual.
Product Usage Instructions
Front Panels/Controls
The front panels and controls of the dishwasher are illustrated in the diagram. The dishwasher comes with a control panel ESD shield 608V and a door assembly DD60SCX9 V2 (SP). The kit module display DD60C9 includes a MOD DISP 525 PH9 CLSC X 1 and a RIVET SNAP NYLON GREY X 3. The dishwasher also includes various screws,rivets, retaining rings, and brackets that are needed for assembly.
Cabinet Assembly
The cabinet assembly of the dishwasher is illustrated in the diagram. The dishwasher comes with a latch assembly RH DD 606 and a kit bracket slide RH & LH assy. The kit bracket slide RH & LH assy includes a bracket slide RH assy, a bracket slide LH assy, and a screw MC M5X10 TAPTITE X 6. The kit also includes an instruction sheet slide bracket spare kit, screws, and brackets that are needed for assembly.
INTRODUCTION
| BRAND | VOLTAGE | MODEL | PRODUCT CODE | |||
| Fisher & Paykel | 220/240 VAC 50Hz | DD60SCHX9 FP BI | 82350-A |
MODELS
The models covered by this manual are listed on the front cover.
- The information detailed in this manual is subject to change without notice. The latest version is indicated by the reprint date and replaces any earlier editions.
KIT PARTS
Where a part number is shown against the descriptions for kit components, they are also available as separate items. In addition, some parts may be supplied with these kits that are not available as separate items, and are therefore either not listed, or a part number is not shown against the part description in this manual.
PARTS LIST KEY
| NI | As a part reference, indicates the part is not illustrated on the diagram. |
| NOT USED | As a part number, indicates the diagram part reference is not used in this manual. |
| NS | As a part number, indicates the part is not servicable. |
toll free: 08000 886 605
fax: 08000 886 606
email: [email protected]
web: www.fisherpaykel.com
tel: 1800 625 174
fax: 1800 635 012
email: [email protected]
web: www.fisherpaykel.com
FRONT PANELS/CONTROLS


| REFERENCE | PART NUMBER | PART DESCRIPTION | |||
| 1 | 512019 | KIT MODULE DISPLAY DD60C9 | |||
| Includes | MOD DISP 525 PH9 CLSC X 1 | ||||
| Includes 511861 | RIVET SNAP NYLON GREY X 3 | ||||
| 2 | 510779 | WEDGE HOUSING UI DD PH9 | |||
| 3 | 524608 | CONTROL PANEL ESD SHIELD 608V | |||
| 4 | 524875 | HARNESS UI ONE PH8 | |||
| 5 | 511252 | BUTTON ASSY DD PH9 | |||
| 6 | 513231 | DOOR ASSY DD60SCX9 V2 (SP) | |||
| Includes | DOOR DD60SCX9 N BR X 1 | ||||
| Includes | HANDLE BODY DD PH9 GREY X 1 | ||||
| Includes 511152 | SCREW M3-5X10 CSK PN ZP BLK X 4 | ||||
| Includes 510932 | GRIP HANDLE DD PH9 X 1 | ||||
| Includes 510785 | SCREW M4X8 WAFER PH ZP YLW X 4 | ||||
| Includes 511854 | KIT ASSY TOPCAP AL DD PH9 X 1 | ||||
| Includes 550193 | RETAINING RING E18 X 4 | ||||
| Includes | LENS UI GREY DD60SC PH9 X 1 | ||||
| Includes 511861P | RIVET SNAP NYLON GREY (PKT 10) | ||||
| Includes 511861 | RIVET SNAP NYLON GREY X 3 | ||||
| 7 | 511152P | SCREW M3-5X10 CSK BLK (PKT 10) | |||
| 8 | 510785P | SCREW M4X8 WAFER YLW (PKT 10) | |||
| 9 | 511861P | RIVET SNAP NYLON GREY (PKT10) | |||
| 10 | 550193P | RETAINING RING E18 (PKT 10) | |||
| 11 | 518735P | PIN DOOR PH9 EXTENDED SP X2 | |||
| 12 | 532490 | SEAL DOOR DD609 V2 | |||
| 13 | 511854 | KIT ASSY TOPCAP AL DD PH9 | |||
| 14 | 510932 | GRIP HANDLE DD PH9 | |||
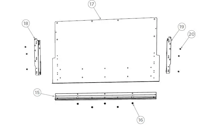
| 15 | 510871 | BRACE HANDLE DD | |||
| 16 | 511405P | SCREW ST 8X12 HILO ZP (PKT 10) | |||
| 17 | 511240 | REAR PANEL DD609 UPR | |||
| 18 | 529122 | BRACKET INT SHIELD LH ROHS | |||
| 19 | 529123 | BRACKET INT SHIELD RH ROHS | |||
| 20 | 556655P | SCREW ST 8X5/16 NP (PKT 10) | |||
| NI | 511241 | INSUL DOOR DD609 UPR |
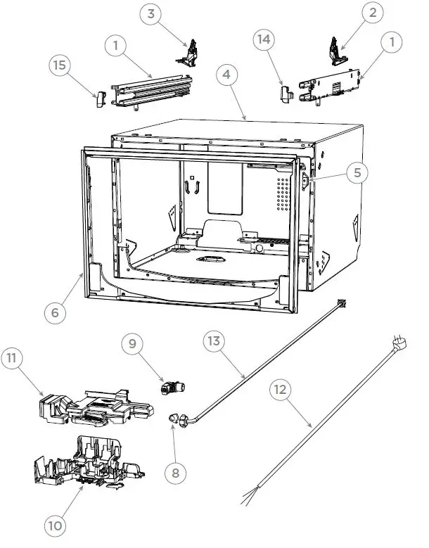
CABINET ASSEMBLY


| REFERENCE | PART NUMBER | PART DESCRIPTION | ||
| 1 | 524116P | KIT BRACKET SLIDE RH & LH ASSY | ||
| Includes | BRACKET SLIDE RH ASSY X 1 | |||
| Includes | BRACKET SLIDE LH ASSY X 1 | |||
| Includes 556607 | SCREW MC M5X10 TAPTITE X 6 | |||
| Includes | INSTR SHT SLIDE BRACKET SPARE KIT | |||
| NI | 556607P | SCREW MC M5X10 TAPTITE (PKT 10) | ||
| 2 | 522584 | LATCH ASSY RH DD 606 | ||
| 3 | 522585 | LATCH ASSY LH DD 606 | ||
| 4 | 511001 | KIT REPLACE CHASSIS DD60SA8 | ||
| Includes 525968 | MOUNT LINK TOP | |||
| Includes | CHASSIS SINGLE ASSY GALV | |||
| Includes | SHT INSTR REPLACE CHASSIS PH8 | |||
| Includes | TAB TOP (2) | |||
| Includes | TRIM UPPER COMOULD ASSY | |||
| Includes 524568 | 3 DEGREE PRISM (2) | |||
| 5 | 524568 | 3 DEGREE PRISM | ||
| 6 | 528455P | KIT TRIM UPPER COMOULD ASSY | ||
| Includes | TRIM SEAL UPPER COMOULD ASSY | |||
| Includes 524568 | 3 DEGREE PRISM (2) | |||
| 7 | 518481P | KIT MC 525 PH9 230V SGL W SP | ||
| 8 | 525466 | CLAMP HOSE HERBIE TYPE E | ||
| 9 | 529827 | VALVE INLET SINGLE 605 | ||
| 10 | 524559 | HOUSING CHASSIS MODULE DD608 | ||
| 11 | 524666 | COVER CHASSIS MODULE 608 | ||
| 12 | 510955 | FLEX MAINS GB PH8 | ||
| NI | 532017 | TERM STRIP SADDLE NIPL | ||
| NI | 556607P | SCREW MC M5X10 TAPTITE (PKT 10) | ||
| 13 | 527021 | HOSE INLET ASSY EU | ||
| 14 | 524783 | CLIP TUB RELEASE RH MID GREY | ||
| 15 | 524782 | CLIP TUB RELEASE LH MID GREY | ||
| 16 | 528821 | INSULATION CHASSIS TOP | ||
| 17 | 528822 | INSULATION CHASSIS SINGLE |
LID & LINK ASSEMBLY


| REFERENCE | PART NUMBER | PART DESCRIPTION | ||
| 1 | 529969 | LID YOKE RIGHT | ||
| 2 | 529970 | LID YOKE LEFT | ||
| 3 | 522085 | KIT LID ACTUATORS 605 (PKT 2) | ||
| 4 | 510856 | KIT DD FILL HOSE LOWER SPARE | ||
| 5 | 510852 | KIT DD DRAIN HOSE SPARE | ||
| Includes | O RING CUFF SOCKET UL REC | |||
| Includes | HOSE DRAIN UPPER ASSY 605 | |||
| Includes | FLAP VALVE DRAIN 605 | |||
| NI | 525798 | KIT DRAIN HOSE EXTENSION 3.6M | ||
| Includes | DRAIN HOSE EXTENSION (2) | |||
| Includes 525482 | CLIP WIRE DRAIN (4) | |||
| Includes | DRAIN HOSE JOINER (2) | |||
| NI | 527394 | KIT DRAIN HOSE JOINER | ||
| Includes 525482 | CLIP WIRE DRAIN (2) | |||
| Includes | DRAIN HOSE JOINER | |||
| 6 | 529964P | LID ASSY 605 | ||
| 7 | 510854 | KIT DD HARNESS LOWER 608 SPARE | ||
| 8 | 528674 | CLAMP HOSE TYPE 12232-17-4 | ||
| 9 | 524497 | ROD LINK SUPPORT 608 | ||
| 10 | 528101 | BRACKET LINK SUPPORT | ||
| 11 | 524541 | CLIP LINK SUPPORT 608 | ||
| 12 | 524543 | CLIP LINK CHASSIS SIDE | ||
| 13 | 524522 | CLIP LINK TUB RIB | ||
| 14 | 524478 | MOUNT LINK CHASSIS 608 |
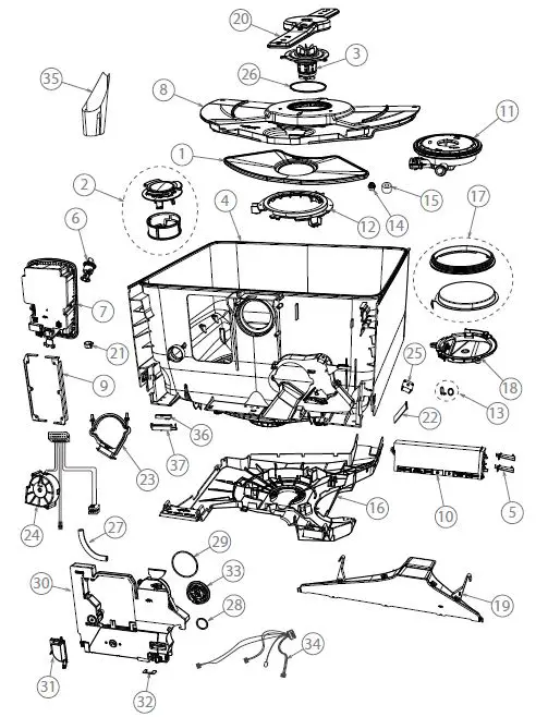
TUB & COMPONENTS

| REFERENCE | PART NUMBER | PART DESCRIPTION | ||
| 1 | 524467 | FP O MOULDED 608 TYPE 16 | ||
| 2 | 510921 | KIT DRAIN/MICROFILTER ASYS 608 | ||
| Includes 510129 | DRAIN FILTER ASSY 608 | |||
| Includes 510658 | MICRO FILTER ASSY 608 TYPE 11 | |||
| 3 | 518712P | ROTOR ASSY DD609.5 | ||
| 4 | 512613P | KIT TUB STD W/ASSY DD60H9 V2 | ||
| 5 | 524569 | 3 DEGREE LIGHTPIPE PH8 | ||
| 6 | 524837 | BUNG ASSY DISP R/AID MID GREY | ||
| 7 | 510912 | KIT DISPENSER MID GREY 608V | ||
| Includes | DISPENSER DDV MID GREY | |||
| Includes 526789 | BRACKET DISPENSER SHORT X 2 | |||
| NI | 556155P | SCREW M3.5X14 PANTX K35 (PKT 10) | ||
| 8 | 514134 | PUMP CAP ASSY 609 | ||
| 9 | 526789 | BRACKET DISPENSER SHORT | ||
| 10 | 518491P | KIT WASH CTRL P9 W EU GB DK | ||
| NI | 556155P | SCREW M3.5X14 PANTX K35 (PKT 10) | ||
| 11 | 518937 | KIT MOTOR ASSY DD609.5 | ||
| Includes | MHOUSING ASSY DD609.5 | |||
| Includes | MOTOR HOUSING SEAL | |||
| Includes 525940 | O RING CUFF SOCKET UL REC | |||
| Includes 522178 | O RING 208 DRAIN INLET | |||
| Includes 529194 | FLAP VALVE DRAIN 605 | |||
| 12 | 524536 | MOTOR LOCKING RING | ||
| NI | 556155P | SCREW M3.5X14 PANTX K35 (PKT 10) | ||
| 13 | 522150 | KIT FLAP VALVE/O RING 605 (PKT 2) | ||
| Includes | FLAP VALVE DRAIN 605 (2) | |||
| Includes | O RING CUFF SOCKET UL REC (2) | |||
| 14 | 421169 | GROMMET 4MM THERMISTOR | ||
| NI | 510669 | HARNESS THERMISTOR LDY EPCOS | ||
| 15 | 510572 | SPACER THERMISTOR 608 | ||
| 16 | 524428 | COVER TUB BASE 608 | ||
| NI | 556155P | SCREW M3.5X14 PANTX K35 (PKT 10) |
| REFERENCE | PART NUMBER | PART DESCRIPTION | ||
| 17 | 514230 | KIT ELEMENT & SEAL 609 230V | ||
| Includes | ELEMENT SEAL 608 | |||
| Includes | ELEMENT 608 KAWAI 230V | |||
| 18 | 514184 | KIT ELEMENT COVER 609 ASSY | ||
| 19 | 522578 | EXIT DUCT ASSY | ||
| 20 | 515617 | SPRAY ARM ASSY DD6010 | ||
| 21 | 528674 | CLAMP HOSE TYPE 12232-17-4 | ||
| 22 | 528063 | FLAP VALVE FAN HOUSING 605 | ||
| 23 | 518855 | ISOLATION DRYING FAN PH9.5 | ||
| 24 | 515747 | HARNESS RINSEAID FAN DET DIV | ||
| 25 | 528064 | RETAINER FLAP FAN HOUSING 605 | ||
| 26 | 510727 | O RING 152 SILICONE 40 608 | ||
| 27 | 522404 | HOSE FILL CO-EX SOFTENER | ||
| 28 | 526718 | O RING OVERFLOW SOFTENER | ||
| 29 | 526717 | O RING SALT TANK | ||
| 30 | 524886 | KIT WATER SOFTENER ASSY (SP) MID GREY | ||
| Includes | WATER SOFTENER ASSY MID GREY | |||
| Includes | DIVERTER VALVE SOFTENER ASSY | |||
| Includes | BRINE PUMP ASSY | |||
| Includes 526718 | O RING OVERFLOW SOFTENER | |||
| Includes 526717 | O RING SALT TANK | |||
| Includes 524842 | BUNG SOFTENER ASSY MID GREY | |||
| Includes 528606P | SALT SENSE SMD 525 PH3.5 ROHS | |||
| Includes 556155 | SCREW M3.5X14 PANTX WN1412KL35 (4) | |||
| Includes 522765 | STRAINER SOFTENER ASSY | |||
| Includes | O RING STRAINER SOFTENER | |||
| Includes | INSTRUCTION SHEET SOFTENER | |||
| Includes | O RING STRAINER SOFTENER | |||
| Includes | INSTRUCTION SHEET SOFTENER | |||
| NI | 556155P | SCREW M3.5X14 PANTX K35 (PKT 10) | ||
| 31 | 522765 | KIT STRAINER SOFTENER ASSY | ||
| Includes | STRAINER SOFTENER ASSY | |||
| Includes | INSTR SHT STRAINER SOFTENER |
| REFERENCE | PART NUMBER | PART DESCRIPTION | ||
| 32 | 528606P | SALT SENS 525 P3.5 ROHS SVC | ||
| 33 | 524842 | BUNG SOFTENER ASSY MID GREY | ||
| 34 | 529867 | HARNESS WATERSOFTENER 605 | ||
| 35 | 526835 | CONTAINER SALT FILLING | ||
| 36 | 563774P | MOD WIFI GEA3 LITE SVC | ||
| 37 | 518016 | DD BRACKET WIFI | ||
| NI | 515527 | HARNESS WIFI DD6010 |
BASKETS & RACKS

| REFERENCE | PART NUMBER | PART DESCRIPTION | ||
| 1 | 595598 | BASE RACK ASSY DD60C PH9V2 CTD | ||
| 2 | 512817 | CROCK INSERT FD DD60C PH9 | ||
| Includes | COMB RHS MP 7PS CTD X 1 | |||
| Includes | COMB LHS MP 7PS CTD X 1 | |||
| Includes | CLIP FOLDDOWN DD609 X 2 | |||
| 3 | 523649 | CROCK INS PA 60 ASSY | ||
| Includes | COMB PA FIXED 60 CTD | |||
| Includes | COMB PA MOVING 60 CTD | |||
| Includes | CLIP PA FRONT 60 | |||
| Includes | CLIP PA BACK 60 | |||
| 4 | 524147 | KIT CLIP FRONT/BACK PA | ||
| Includes | CLIP PA FRONT 60 | |||
| Includes | CLIP PA BACK 60 | |||
| 5 | 510076 | WIRE TRAPDOOR 608 LOOP CTD | ||
| 6 | 510026 | CLIP TRAPDOOR 608 | ||
| 7 | 522683 | WIRE SUPPORT CUP RACK STD | ||
| 8 | 524179 | RACK CUP LH DD60 100M ASSY | ||
| 9 | 524180 | RACK CUP RH DD60 80MM ASSY | ||
| 10 | 511870 | BASKET CUTLERY 60 ASSY MID-GY | ||
| 11 | 511874 | INSERT ST C BASKET 60 MID-GREY | ||
| 12 | 511872 | INSERT TABLET 60 MID-GREY | ||
| 13 | 511865 | CONTAINER C BASKET ASSY MID-GY | ||
| 14 | 522691P | SUPPORT GLASS CLIPON (PKT 2) | ||
| 15 | 523326 | DD KNIFE CLIP COMBINED |
INSTALLATION COMPONENTS

| REFERENCE | PART NUMBER | PART DESCRIPTION | ||
| 1 | 528690 | CLAMP HOSE DIA 32-14 | ||
| 2 | 525477 | SUPPORT DRAIN HOSE | ||
| 3 | 525460 | DRAIN SPIGOT CONNECTOR SINGLE | ||
| 4 | 523007 | KIT INSTALL TAB DISHDRAWER | ||
| Includes | TAB TOP (2) | |||
| Includes | INSTALL TAB TTA (2) | |||
| Includes | INSTALL TAB TTB (2) | |||
| Includes | SCREW WS 8X5/8TWINFST MTSPH ZP (6) | |||
| 5 | 592849 | BKST UG DD60 PH9 DC SC AABISG | ||
| Includes | BK UG DD60 PH9 DC SC AABISG | |||
| Includes | BOOK SERVICE & WARR’TY FP/EL | |||
| 6 | 525482P | CLIP WIRE DRAIN (PKT 2) | ||
| NI | 522995 | KIT INSTALL DBL/SGL PH5/PH6 | ||
| Includes 525477 | SUPPORT DRAIN HOSE | |||
| Includes 525482 | CLIP WIRE DRAIN (2) | |||
| Includes 525067 | DRAIN SPIGOT CONNECTOR DOUBLE | |||
| Includes 525460 | DRAIN SPIGOT CONNECTOR SINGLE | |||
| Includes 528690 | CLAMP HOSE DIA 32-14 | |||
| Includes | SCREW WS 8X5/8 TWIN FAST (7) | |||
| Includes 526797 | TAB TOP (2) | |||
| Includes | FOOT TOOL 605 | |||
| Includes | FOOT TOOL 45MM 605 | |||
| Includes | INSTALL TAB TTA (2) | |||
| Includes | INSTALL TAB TTB (2) | |||
| Includes | CORNER PLUG TRIM DDTALL (4) | |||
| Includes 527208 | TAPE UNDERBENCH CONDENSATION | |||
| NI | 527208 | TAPE UNDERBENCH CONDENSATION | ||
| NI | 592326 | BK IG DD60SD SC SA 9 NZAUUKIE |
© Fisher & Paykel Appliances Ltd 2022. All rights reserved.
The product specifications in this document apply to the specific products and models described at the date of issue. Under our policy of continuous product improvement, these specifications may change at any time. You should therefore check with your Dealer to ensure this document correctly describes the product currently available.
For current details about model and specification availability in your country, go to our website fisherpaykel.com or contact your local Fisher & Paykel dealer



















