Falcon 25-R-L-2 Double Cylinder Rim Device with Lever Trim

- Double Cylinder – Rim Device with Lever Trim
- For new device installation, begin here. For retrofit installation, go to page 5.
WARNING
- Double cylinder options (-2) are ideal for fire exit hardware and panic hardware that are not equipped with the dogging feature. Combining a double cylinder option with the dogging feature is not recommended, as the hardware could be in the dogged (unlatched) position when the user intends the device to be in the locked position.
- User manual to be transferred to owner after product installation.
Components
- Cylinder collar (2 pc)

- Optional wave washer and spacer

- Trim backpack assembly

- Cylinder mounting bracket

- Directional label
- -2 Cover Cubierta del

Install key cylinder to trim

Schlage 1-1/8″

- Mortise cylinder
Schlage 1-1/4″

- Mortise cylinder
Trim side cylinder spacing is limited in the -2 configuration. Depending on cylinder used, a combination of spacers and wave washers other than what is shown may be required for proper function. Additional cylinder spacer lengths are available and can be found in the Falcon key system catalog.

Install trim backpack assembly in orientation shown using the 2 original screws.
- Remove existing screws

- Notch must face UP
Prepare device cylinder assembly
2-1/2″ (64 mm)

- Assemble cylinder to 2-piece cylinder collar
- Spacer may be required for longer cylinders

- Break screws to required length

- Position mounting bracket to back of cylinder

- Secure bracket with 2 screws

- Schlage rim cylinder: 20-021
- Schlage rim cylinder: 20-022
- Falcon rim cylinder: 951
- Standard thumbturn cylinder; XB11-979
- ADA thumbturn cylinder: XB13-379
Install cylinder assembly to device.
- Confirm handing and slide bracket tab into slot

- Secure cylinder assembly with one screw


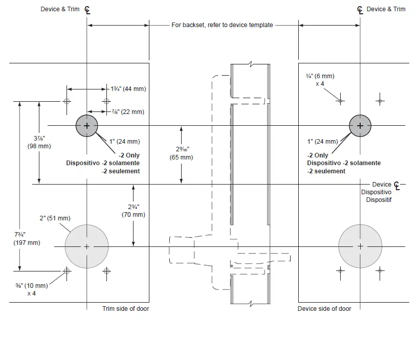
Install device and trim per standard instruction.
- Tailpiece from device cylinder to be inserted into trim backpack assembly

Install directional label to -2 device cover.

Checklist
- Confirm trim cylinder and device cylinder locks and unlocks appropriately.
- Confirm free egress.
Retrofit Installation
- Remove device and trim from door.
- With device laying on a table or bench, remove the 2 screws that connect mechanism case to center case.

- Use long shank screwdriver.
- Unhook baseplate from center case.
- Slide back mechanism case about 2” to access hooking parts
- Pushbar guides will come loose and will need to be reinstalled later.
- Unhook baseplate from center case.


- Reconnect new center case to baseplate via hooking parts.

- Insert remaining pushbar guide and slide mechanism case against center case.

- Reattach mechanism case to center case.

- For -2, modification to door is required. See below for additional prep.

- Return to beginning of instruction and follow installation steps on pages 1-4.
Customer Service
- 1-877-671-7011 www.allegion.com/us





































