1,2kg/7L AS
101923
Original-Gebrauchsanleitung V1/0718
Read this instruction manual before using it and keep them available at all times!
This instruction manual contains information about the installation, operation and maintenance of the device and should be consulted as an important source of information and reference guide. Awareness of the safety instructions and instructions for use in this manual will ensure the safe and correct use of the device. In addition to the information given here, you should comply with any local Health and Safety Controls and generally applicable safety regulations. The instruction manual forms part of the product and should be kept near the device and easily accessible for anyone carrying out the installation, servicing, maintenance or cleaning. Please keep these instructions and give them to future owners of the device.
Safety
This device is designed in accordance with the presently applicable technological standards. However, the device can pose a danger if handled improperly and inappropriately. All persons using the device must follow the recommendations and instructions in this instruction manual.
1.1 Key to symbols
In this manual, symbols are used to highlight important safety instructions and any advice relating to the device. The instructions should be followed very carefully to avoid any risk of accident, personal injury, or material damage.
DANGER! This symbol highlights hazards that could lead to injury.
WARNING! This symbol highlights dangerous situations which could lead to injury or death.
CAUTION! This symbol highlights dangerous situations which could lead to light injuries, or damage, malfunction, and/or destruction of the device.
NOTE! This symbol highlights recommendations and information aimed for effective and trouble-free device operation.
Safety instructions
- The device is not intended for use by individuals (including children) with physical or mental disabilities, insufficient experience, and/or insufficient knowledge unless such persons are under the care of a person responsible for their safety or have received instructions regarding appropriate use of the device.
- Children should be observed to ensure that they are not playing with or starting the device.
- Never leave the device unattended when in use.
- Only use the device indoors. The device must be operated in correct and safe technical condition only.
- In case of operational problems disconnect the device from the power supply (pull the plug from the socket) and contact the service company. Prevent access of children to the packing materials like plastic bags and foamed polystyrene elements. Suffocation hazard!
- Only a qualified technician using original spare parts and accessories should carry out repairs and maintenance of the device. Do not attempt to repair the device yourself.
- Do not use any accessories or spare parts that have not been recommended by the manufacturer. These can be dangerous for the user or lead to damages of the device or personal injury, and further, the warranty expires.
- To prevent hazards and to ensure optimum efficiency, no modifications or alterations to the device that are not explicitly approved by the manufacturer may be undertaken.
- DANGER! Electric shock hazard! To avoid the hazard results please follow the safety instructions below.
- Never allow the power cable to come into contact with heat sources or sharp edges.
- The power cable should not hang over the side of the working surface.
- Ensure that no one can step on or trip over the cable.
- The power cable must not be folded, bent, or tangled, and must always remain fully unrolled.
- Never place the device or other objects on the power cable.
- Do not cover the cable. Keep away the cable from the operating range and do not immerse it into water.
- Check the power cord regularly for damage. Do not use the device if the power cord is damaged.
- If this cable is damaged, it must be replaced by customer service or a qualified electrician in order to avoid dangers.
- The supply cable must be disconnected from the socket only by pulling the plug.
- Never carry or lift the device by the supply cable. In any case, do not open the device housing.
- In case of electrical or mechanical modifications, the electric shock hazard will occur.
- Do not use any acid agents and make sure no water ingresses the device.
- Never operate the device with moist hands or stand on a wet floor. Remove the plug from its socket:
– when the device is not used, – in case of anomalies during operation, – before cleaning.
WARNING! Injury hazard!- To avoid the hazard results please follow the safety instructions below.
- To prevent the injury, keep the hands, hair, clothing, as well as spatulas, or similar kitchen utensils away from the mixing bowl or stirrers during operation.
- Change the stirrers only when the motor, which rotates still for a short time after you switch off the power, has stopped completely. Attaching or removing the stirrers when the motor is still working can result in finger or hand injury.
1.3 Proper use
The operational safety of the device is assured only in case of proper use, according to the operation manual. All technical activities like installation and maintenance must be performed by qualified service personnel only.
The kitchen machine is intended only for kneading bread dough and mixing baking dough, whipping batter, making pastry, buttercreams, whipped cream, and whisking eggs.
CAUTION! Any use going beyond the intended purpose and/or any different use of the device is forbidden and is not considered as conventional. Any claims against the manufacturer or his authorized representative as a consequence of experiencing damages resulting from unconventional use are impossible. The operator is liable for all damages resulting from inappropriate use.
General information
2.1 Liability and Warranties
All the information and instructions in this manual take into account standard safety regulations, current levels of technical engineering as well as the expertise and experience we have developed over the years. The instruction manual was translated with all due care and attention. However, we do not accept liability for any translation errors. The German version of this instruction manual is definitive. If the delivery consists of a special model, the actual scope of delivery may differ from the descriptions and illustrations in this manual. This is also the case for special orders or when the device has been modified in line with new technology.
CAUTION! Read this manual carefully and thoroughly before any operation of the device, and especially before turning it on! The manufacturer is not liable for any damages or faults caused by:
– violation of advice concerning operation and cleaning;
– use other than designed;
– alterations made by the user;
– use of inadequate spare parts.
We reserve the right to make technical changes for purposes of developing and improving useful properties.
2.2 Copyright protection
The instruction manual including any texts, drawings, images or other illustrations is copyrighted. No part of this publication may be reproduced, transmitted or used in any form or by any means without permission in writing from the manufacturer. Any person who commits any unauthorized act in relation to this publication shall be liable to claims for damages. All rights reserved.
NOTE! The contents, texts, drawings, pictures, and any other illustrations are copyright and subject to other protection rights. Any person unlawfully using this publication is liable to criminal prosecution.
2.3 Declaration of conformity
The device complies with the current standards and directives of the EU. We certify this in the EC declaration of conformity. If required we will be glad to send you the according declaration of conformity.
Transport, packaging, and storage
3.1 Delivery check
Please check the delivery upon completeness and transport damage immediately after receipt. In case of visible damage do not accept or accept the delivery with reservation only. Note the extent of damage on the carrier’s bill of delivery. Trigger off the complaint. Hidden damages should be reclaimed immediately after notice, as claims for damages can only be asserted within the effective period for complaints.
3.2 Packaging
Please do not throw away the covering carton of your device as it might be useful for storage purposes, when moving or, in case of damages, when the device must be sent back to a repair center. The outer and inner packing material should be removed completely from the device before installation.
If you liked to dispose of the packing, consider the regulations applicable in your country. Supply re-usable packing materials to the recycling.
Please inspect the device upon completeness. In case any part is missing please contact our customer service center immediately.
3.3 Storage
Keep the package closed until installation and under consideration of the outside indicated positioning- and storage markings. Packages should be stored under consideration of the following:
– do not store outdoors,
– keep it dry and dust-free,
– do not expose it to aggressive media,
– do not expose it to direct sunlight,
– avoid mechanical shocks and vibration,
– in case of longer storage (> 3 months) make sure you check the state of the packaging and the parts regularly, if required refresh or renew.
Technical data
4.1 Overview of parts
| 1 Body 2 Control panel 3 Mixing bowl lift handle 4 Shaft 5 Mixing bowl support 6 Base unit | 7 Shield holder 8 Mixing bowl 9 Mixing bowl shield 10 Flat stirrer 11 Dough hook 12 Whisk |
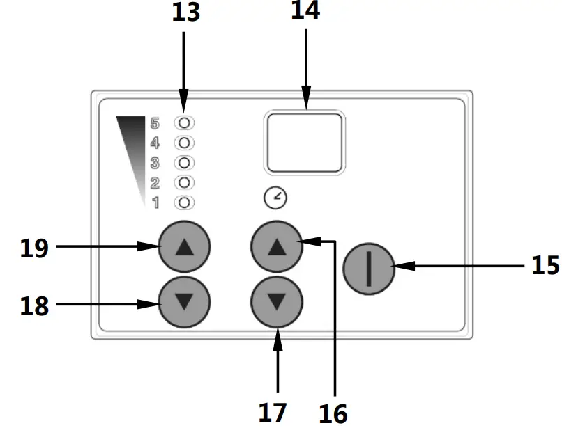
Control panel
| 13 Speed level LED indicator 14 Digital display 15 ON/OFF switch 16 Time up button | 17 Time down button 18 Speed down button 19 Speed up button |
Protective devices
- The kitchen machine is equipped with the safety protection against starting the device when:
– the mixing bowl shield is not attached,
– the feed chute in the shield is not closed,
– the mixing bowl is not attached to the support,
– the mixing bowl lift handle is not in the top position. - To provide additional protection, the device is equipped with power cut protection. It means that in the case of a power outage the device may be restarted only after you press the power switch button. The system protects the device from self-starting after the power supply has recovered.
- In the case of overload, the overheating protection turns on and stops the device automatically. In such a case, switch off the device using the power switch and reduce the amount of dough when the motor has stopped completely.
Technical specification
| Name | Kitchen machine 1.2 kg/7L AS |
| Code-No.: | 101923 |
| Material: | Device: aluminium, enameled Mixing bowl: stainless steel |
| Realization: | •Equipment connection: pluggable •Mixing bowl detachable •Safety switch •Digital display •Timer •ON/OFF switch |
| Output dough: | 1.2 kg / 7 litres |
| Speed control: | 5 levels |
| Time setting | 1 — 30 minutes, interval: 1 minute |
| Power supply: | 0.65 kW / 230 V 50 Hz |
| Dimensions: | W 315 x D 430 x H 495 mm |
| Weight: | 19.3 kg |
| Accessories (included): | 1 x whisk, stainless steel 1 x dough hook, stainless steel 1 x flat stirrer, stainless steel |
We reserve the right to make technical changes!
Installation and operation
5.1 Installation
Positioning
- Unpack the device and remove all package materials according to the valid environment protection regulations.
CAUTION! Never remove the nameplate and warning signs from the device. - Put the device on an even, stable, dry and waterproof surface which is resistant to high temperature.
- Never place the device on an inflammable surface.
- Place the device on the surface that supports the weight of the device also when fully loaded (min. 25 kg).
- Leave enough space around the device to ensure efficient operation and to be able to attach or remove the mixing bowl or stirrers.
- To protect the device from overheating, do not cover the ventilation slots at the rear panel.
- Never put the device in a moist or wet area. Place the device so that the plug is easily accessible so as to quickly disconneet the device if the need arises.
Connection
DANGER! Electric shock hazard! The device can cause injuries due to improper installation! Before installation and connecting the local power grid specification should be compared with that of the device (see rating plate). Connect the device only in case of compliance!
The power supply circuit with the socket must be protected by the fuse of at least 16A. Connect the device directly to a single grounded socket. Do not use any power bar or multiple socket.
Operation
- Before the first use Before the first use, thoroughtly clean the device and accessories with warm water and mild cleaning agent.
- Follow the instructions in point 6 “Cleaning and maintenance “.
- Thoroughly rinse the cleaned elements with clean water and then dry.
- Assemble the device according to the instructions.
Attaching the mixing bowl shield - Fit the mixing bowl shield to the holder in the body of the device. Place the mixing bowl shield above the stirrer holder and fasten using the two included fixing screws.
Attaching the mixing bowl
Before attaching the mixing bowl, switch off the device and place the fixing element of the mixing bowl in the down position.
Fit the selected stirrer in the mixing bowl and attach it to the holder. There are three attaching points in the mixing bowl:
a) locking shaft (pin) at the rear of the mixing bowl, to fit the relevant fastening notch in the mixing bowl;
b) two pins at the left and right of the mixing bowl support to catch the notches at the mixing bowl handles.
Select stirrers
The flat stirrer, whisk and dough hook are intended only for specified tasks according to their intended use. Do not use the flat stirrer to knead heavy dough, the whisk to other tasks than whipping, whisking, or mixing light mixtures.
![]() | Dough hook | is indended for heavy mixtures, for example bread dough; recommended speed level: 1 |
![]() | Flat stirrer | usually used for light cakes, cookies, fillings, and vegetable purée; recommended speed levels: 2 – 3 |
![]() | Whisk | useful for light mixtures, such as whipped cream, mayonnaise, eggs, egg whites, souflets or pancakes; recommended speed levels: 4 – 5 |
Attaching stirrers
Slide the shaft of the selected stirrer to the holder and turn anticlockwise until locked.
CAUTION! Make sure that the stirrer is fastened firmly to the spindle of the device.
To remove the stirrer, push it slightly towards the holder, turn clockwise and pull down.
Pour the ingredients
- When the selected stirrer is fastened, fill the mixing bowl with the ingredients of the mixture. Do not fill over the maximum filling level.
Output (amounts) - The table below presents the recommended baking loads (volumes after mixing refer to usual mixtures).
- The device is able to mix larger loads, however it may result in premature wear and possible damage of the device. Also, the device overload causes longer mixing/kneading time and unsatisfactory results.
- In the case of the overload of the motor, stop the device and immediately reduce the volume in the mixing bowl.
| Product | Stirrer | Max. filling level | |
| Egg white | Whisk | 700 g | |
| Potato mash | Flat stirrer | 1500 g | |
| Mayonnaise | Flat stirrer | 3 litres | |
| Meringue | Whisk | 1 litre | |
| Whipped cream | Whisk | 3 litres | |
| Pancake/waffle batter | Flat stirrer | 2 litres | |
| Puff pastry | Flat stirrer | 2000 g | |
| Sponge cake | Whisk | 1000 g | |
| Sweet pastry | Flat stirrer | 2500 g | |
| Bread dough or roll dough (light /60% moisture) | Dough hook, speed levell | Water 500 g | Flour 800 g |
Mixing bowl lift handle and mixing bowl shield
- When the ingredients are added, lift up the mixing bowl holder using the lift handle (fig. at the right).
- The mixing bowl lift handle is located at the right of the device. Turn it by180° anticlockwise to lift up the mixing bowl holder. Turn the lift handle by180° clockwise to lower the mixing bowl holder. Pay attention to the information at the lift handle.

- The mixing bowl holder and the shield are electrically interconnected and the device is active only when the mixing bowl is placed in the holder, the shield is property fastened and the mixing bowl holder is in the top lifted position. When the mixing bowl is lifted by the lift handle, you can safely turn on the device.
Device start-up
- Connect the device to the single grounded socket.
- Press ON/OFF switch
on the control panel to turn on the device.
Settings - Select the suitable speed and/or time level.
Speed levels
The device is provided with 5 speed levels.
Level 1 for slow beating, mixing and kneading yeast dough
Level 2 for light mixtures, fillings and vegetable purée
Level 3 for mixinign and beating mixturesLevel 4 for whipping cream, egg white
Level 5 for whipping small amount of cream, egg white - The speed level selection depends primarily on the amount and texture of the mixing ingredients.
- Select the speed level using the buttons
in the left zone of the control panel. - Always start from the lowest level, then gradually select higher levels to obtain the required level.]

- The selected speed level is indicated by the LED light.
- In the left zone of the control panel, the selected speed level is indicatedadditionally (e.g. 3).
- Time You can control operation time with 1-minute intervals (no time set = 0) in the rangefrom 1 to 30 minutes.
- Select the required time using
buttons in the central zone of the w control panel. - The set time value will appear in the right zone of the digital panel. When the time is not selected, “0” will appear .

WARNING! Risk of injury caused by rotating stirrers! When the device is in use, never insert any hard kitchen utensils through the feed chute or shield opening. The tools may be drawn inside by the rotating stirrers that may result in finger or hand injury.
To prevent the injury, first disconnect the device from the mains (unplug!) and then scrape the mixing bowl or remove the mixture from the mixing bowl.
During mixing, you can add further ingredients through the feed chute or opening in the shield. You can easily uncover the opening in the shield and close it after you added the ingredients.
Caution:
– Carefully pour ingredients from the sachets. Slide the opening of the sachet possibly dip into the feet chute or opening in the shield to prevent dusting from the flour for example.
Cleaning and maintenance
WARNING! Before cleaning the device, disconnect it from the mains (unplug!).
Do not clean the device with pressurized water!
Protect the device from water penetration.
Cleaning
- Clean all the elements of the device after each use.
- To lower the lift handle of the mixing bowl, turn the lift handle by 180o clockwise.
- Always, remove the stirrer for cleaning by pushing it slighly towards the holder and turning clockwise. Place it in the mixing bowl.
- Then, remove the mixing bowl together with the stirrer from the holder by lifting the mixing bowl.
- Loosen both fixing screws and remove the shield from the body.
- Remove any food residues from the disassembled elements.
- Clean the disassembled accessories (mixing bowl, stirrers, shield) thoroughly in warm sudsy water.
- Rinse the cleaned elements with clean water and leave to dry or wipe with a dry cloth that does not leave lint.
- Use only a soft cloth for cleaning, never use any abrasive cleaning agents that may scratch the device.
CAUTION! Never clean the stirrers or shield in the dishwasher. The dishwasher cleaning agents may damage the surface of the elements.
- Thoroughly clean the accessories holder, mixing bowl holder and the body of the device with a soft, damp cloth and mild cleaning agent.
- Pay particular attention not to leave any mixture residues, etc., on the pins of the mixing bowl holder as they may disturb the correct location of the mixing bowl.
- Rinse the cleaned surfaces with clean water and dry.
Maintenance
- The regular (annual) servicing should be performed by a qualified service technician or electrician.
- When the motor has stopped during operation, the motor brushes should be changed by the service technician.
Storing the device
- If the device is not used for a long time, clean it according to the above description and store in a dry, clean place, protected against cold, sun and, children. Do not place any heavy objects on the device.
Waste disposal
Old devices
The electric devices are marked with this symbol. You must not dispose of electric devices with household waste. When the device may not be longer used each consumer is obliged to dispose of the device at the dedicated local collection point, separately from household waste.
NOTE! Electric devices should be used and disposed of properly to prevent the impact on the environment.
Disconnect the device from the power supply and remove the power cord from the device.
Bartscher GmbH
Franz-Kleine-Str. 28
33154 Salzkotten
Germany
phone: +49 5258 971-0
fax: +49 5258 971-120
Service-Hotline: +49 5258 971-197
www.bartscher.com





















