GYS START 200 Battery Charger Starting Assist

SAFETY INSTRUCTIONS
This manual includes guidelines on the operation of your device and the precautions to follow for your own safety. Ensure it is read carefully before first use and keep it handy for future reference. These instructions should be read and understood before anyone operates the product. Any modifications or maintenance that are not specified in the manual should not be undertaken. The manufacturer is not liable for any injury or damage due to non-compliance with the instruction manual. In case of problems or uncertainties, please consult a qualified person that is able to handle the device correctly. This device should only be used for charging or starting within the limits indicated on the device and in the manual. The safety instructions must be followed. In case of improper or unsafe use, the manufacturer cannot be held responsible
Device is suitable for indoor use only. Do not expose to rain or excessive moisture.
This device may be used by children from age 8 and by persons with reduced physical, sensory or mental capabilities or lack of experience and knowledge, provided that they are under supervision or have been told how to use the device safely and are aware of the potential risks. Children must not use the device as a plaything. Cleaning and servicing tasks may not be carried out by children unless they are supervised.
- Do not use for charging non-rechargeable batteries
- Do not operate the device with a damaged power supply cord or a damaged mains plug.
- Never charge a frozen or damaged battery.
- Do not cover the device
- Do not place the device near a fire or subject it to heat or to longterm temperatures exceeding 50°C
- Do not obstruct the cooling vents. Refer to the installation section before operating the machine.
- The automatic mode of operation and usage restrictions are explained below in these operating instructions.
Risk of explosion and fire!
A battery being charged can emit explosive gas.
- During the charge, the battery must be placed in a well-ventilated area.
- Avoid flames and sparks. Do not smoke.
- Protect the electrical contacts of the battery against short-circuiting.
Acid projection hazard!
- Wear safety goggles and protective gloves
- If your eyes or skin come into contact with battery acid, rinse the affected part of the body with plenty of water and seek immediate medical assistance.
Connection/disconnection:
- Disconnect the power supply before connecting/disconnecting the device to the battery
- The terminal of the battery that is not connected to the car frame must be connected first. The other connection must be made on the car frame, far from the battery and the fuel line. The battery charger must be connected to the power supply network.
- After the charging process, disconnect the battery charger from the power supply network and remove the connector from the car frame and then the connector from the battery, in this order.
Connection:
- This device must be connected to an earthed power supply.
- This machine is fuse-protected.
- This hardware is compliant with the IEC 61000-3-12.
- This equipment complies with the IEC 61000-3-11.
Maintenance:
- If the power supply cable is damaged, it must be replaced by the manufacturer, its service agent or an equally qualified person.
- Service should be performed by a qualified person.
- Warning! Always remove the power plug from the wall socket before carrying out any work on the device.
- Regularly take off the cover and remove dust with an air gun. Take the opportunity to have a qualified person check the electrical connections with an insulated tool.
- Under no circumstances should solvents or other aggressive cleaning agents be used.
- Clean the device’s surfaces with a soft, dry cloth.
Regulations
- The device complies with European Directive.
- The certificate of compliance is available on our website.
- EAC conformity mark (Eurasian Economic Commission)
- Equipment in compliance with British requirements. The British Declaration of Conformity is available on our website (see home page).
- Equipment in conformity with Moroccan standards. The declaration Cم (CMIM) of conformity is available on our website (see cover page).
Disposal:
- This product should be disposed of at an appropriate recycling facility. Do not dispose of domestic waste.
GENERAL DESCRIPTION
The START range is designed to charge and start lead-acid batteries, 12V (6 elements) and 24V (12 elements):
| Charging capacity | Starting capacity | |
| Start 200 | 53 – 240 Ah | 35 – 80 Ah |
| Start 300 | 38 – 300 Ah | 35 – 100 Ah |
POWER SUPPLY
Check that the power supply and its protection (fuse and/or circuit breaker) are compatible with the current needed by the machine. The device must be positioned so that the socket is always accessible. The machine must be connected to a single-phase socket (230 V) WITH earth protected by a 16A circuit breaker.
CONNECTION AND DISCONNECTION
IMPORTANT!
Before any connection to a vehicle battery, make sure that the booster isn’t connected to the mains and that the booster’s switch is set to OFF. Also, check the battery polarity.
Warning:
The cables must not be kinked or in contact with hot or sharp surfaces.
- Disconnect any electronic system from the battery during the charge (do not charge the battery when it’s connectd to the vehicle).
Start and charge a battery in-situ:
In the event that the negative terminal is plugged onto the car’s chassis:
- Connect the red clamp to the battery’s positive terminal.
- Connect the black clamp to the vehicle’s chassis, make sure it is a safe distance from the battery and the fuel/exhaust pipe.
- Connect the device to the mains.
- After use, set the switch to OFF (if applicable), disconnect the charger from the mains then remove the black clamp, followed by the red clamp.
Some vehicles have the positive terminal plugged onto the car chassis, in this event:
- Connect the black clamp to the battery’s negative terminal.
- Connect the red clamp to the vehicle’s chassis, make sure it is a safe distance from the battery and the fuel/exhaust pipe (any combustible piping).
- Connect the device to the mains.
- After use, set the switch to OFF (for the START 300), disconnect the charger from the mains then remove the red clamp, followed by the black clamp.
Charging a battery when disconnected from the vehicle:
- Connect the red clamp to the battery’s positive terminal and the black clamp to the battery’s negative terminal.
- After use, set the switch to OFF (for the START 300), disconnect the charger from the mains then remove the red clamp, followed by the black clamp.
USE IN CHARGING MODE
Preliminary precautions
- Choose a sheltered and well-ventilated area or a dedicated battery charging area.
- Remove the battery caps (if applicable) and make sure that the liquid level (electrolyte) is sufficient. If not, add demineralised water and carefully clean the battery lugs and terminals.
- Check that the battery capacity (Ampere hour Ah) and the voltage (Volt V) are compatible with your charger.
- We recommend disconnecting of any electronic system battery while charging (do not charge the battery when connected to the vehicle). Risk of vehicle electronics damage.
Charge monitoring and state of charge
WARNING:
These are traditional chargers. The battery charge will require monitoring and the charge will stop when the operator will set the switch to «OFF» or disconnect the charger from the mains. Once the battery is charged, the liquid (electrolyte) contained in the battery will boil. When this starts, it is recommended to stop the charge to prevent any damage to the battery. Moreover, if the battery is connected to the vehicle (in situ), a prolonged unmonitored charge may damage the vehicle’s onboard electronics. A sulfated battery that cannot be charged can potentially lead to damage to the onboard electronics, as soon as the connection starts. The end of the charge is when the ammeter’s pin is indicated a value between 0 and 10 A, or by a charge time of 10 h.
Sealed battery
For a sealed battery, it is necessary to be extra careful. The charge must be performed while constantly monitoring the voltage at the battery terminals. It is recommended to stop the charge when the voltage reaches 14.4 V for a 12 V battery and 28.8 V for a 24 V battery. This voltage can be measured with a voltmeter.
Charge
Once the charger is connected to the vehicle battery while following the instructions (see connections and disconnections),
For the START 200 and 300:
- Set the switch to CHARGE or BOOST 1 with regard to the battery capacity.
Warning:
In Boost 1 mode, the thermal protection may activate if the battery is deeply discharged.
| CHARGE MODE | MODE BOOST | ||
| Voltage | Charging capacity | Charging capacity | |
| START 200 | 12 V | 53 to 240 Ah (11 A) | 90 to 240 Ah (18 A) |
| START 300 | 12 V | 42 to 150 Ah (10 A) | 115 to 300 Ah (23 A) |
| 24 V | 38 to 120 Ah (8 A) | 85 to 224 Ah (17 A) | |
After use follows the recommended instructions for disconnection.
Charging several batteries simultaneously
It is possible to charge several batteries simultaneously by connecting them in parallel. The positive terminals are connected to the red clamp and the negative terminals are connected to the black clamp. These batteries or battery groups must be of the same voltage, 12V or 24V.
Charging batteries in series is not recommended.
USE IN STARTER MODE
Preliminary precautions
Do not disconnect the battery from the vehicle. Connecting the battery can lead to the vehicle’s memory loss and the potential impossibility to restart it.
Starting
Once the charger is connected to the vehicle battery while following the instructions (see connections and disconnections), it may be necessary to perform a precharge in order to start the vehicle. To perform a precharge, set the switch to «BOOST».
| Instantaneously | 5 min pre-charge | |
| Start 200 | 35 – 40 Ah | 40 – 80 Ah |
| Start 300 | 35 – 50 Ah | 50 – 100 Ah |
To start the vehicle, set the switch to «START». Reach the vehicle controls. The «start» feature will activate when the first attempt to start is initiated (by turning the key). This mode must be stopped once the vehicle is started. It is recommended to do this with 2 people so that the person close to the START machine can switch to START at the exact moment and stop the device once the vehicle has started. If your engine does not start, wait 2 minutes between each start attempt. The attempt must last 3 seconds at most.
Nb:
If the vehicle does not start, it may be a problem other than a faulty battery e.g. alternator, or glowplug.
After the use, follow the disconnection procedure.
PROTECTIONS
These clamps have been designed for maximum protection:
- The charging clamps are fully insulated.
- A fuse guarantees protection against polarity inversion and short circuits.
| Start 200 | Start 300 | |
| Primary fuse | (No Gys reference for sells) Cylindrical 5× 20mm – 5A Littel Fuse reference: 0314.005MXP | C51382 (No Gys reference for sells) Cylindrical 5× 20mm – 10A Littel Fuse reference: 0314.010MXP |
| Secondary fuse | Gys reference: 054622 Type: BF1 – M5 – 32V 50A Littel Fuse reference: 153.5631.5502 | Gys reference: 054653 Type: BF1 – M5 – 32V 80A Littel Fuse reference: 153.5631.5802 |
Replacing it requires manual intervention.
- The thermal protection is monitored by a thermostat (cooling for approximately 1/4h). If the machine overheats, the green indicator switches on for the start 200 ou or the orange indicator switches on for the start 300.
SULPHATED OR DAMAGED BATTERIES
The START range does not detect sulfated or damaged batteries.
- The battery is badly damaged when in charge, and the ammeter pin goes up quickly to very high intensities. The battery is permanently damaged.
- In the event of a sulfated battery: set the device to «BOOST» and regularly check that the ammeter indicates a charging current. As soon as the charging current rises, set a charge that matches the battery capacity. If there are no improvements after 5 hours, the battery is permanently damaged.
Warning
This must be done with the battery disconnected from the vehicle!
TROUBLESHOOTING
| Symptoms | Causes | Remedies |
| The ON/OFF button does not switch on when set to ON (Start 300 only). | No mains voltage | Check that the power cord is plugged to a 230V 50/60Hz socket. Check the power supply network. |
| The machine’s anmeter does not fluctuate . | Power supply problem. | Check your mains power supply. |
| Check that the device is on charge mode. | ||
| Clamps in short circuit or polarity reversal. | Check that the fuses have not melted and that the circuit breaker is not tripped | |
| The battery that you are trying to charge is faulty. | Check the terminals’ voltage with a voltmeter. If this voltage jumps instantaneously to 2.5V per element, the battery may be sulfated or damaged. | |
| Voltage error (12 -24V) | Chck that the switch is on the right setting (12 or 24V) | |
| Following intensive use, your device has entered thermal protection mode. | Wait 1/4h so the device can cool down. | |
| The charger is properly connected but it does not charge the battery | Blown fuse | Replace the fuse by a new one. |
| Bad clamp connections. | Clean the terminals and the clamps. Check the state of the cables and clamps. | |
| Wrong charge settings | Check that the selected voltage matches the battery voltage. | |
| Following intensive use, your device has entered thermal protection mode. | Wait 1/4h so the device can cool down. |
| The anmeter’s pin goes above the maximum marking while the device is set to minimum intensity. | The battery is deeply discharged. | Keep charging using the minimum setting . |
| Voltage error (12 -24V) | Chck that the switch is on the right setting (12 or 24V) | |
| Your battery has elements in short circuit. | Damaged battery Replace the battery. | |
| The fuse blows every time it is replaced | Polarity reversal | Connect the + clamp to the battery’s (+) and the + clamp to the battery’s (-). |
| Wrong charge settings | Check that the selected voltage matches the battery voltage. | |
| Current overconsumption on the battery | Do not draw any of the battery’s current during the charge | |
| The machine is charging a 12V battery in 24V mode | Set the switch to 12V. | |
| The fuse trips. | Starts are attempted while the device is in charge mode. | Make sure to set the switch to « start » to prevent damage to the machine. Reset the circuit breaker. |
| You are charging a 12V battery in 24V mode | Set the switch to 12V. | |
| After charging for a whole day, the end-of-charge indicator does not switch on. | The battery is damaged | Change the battery. |
| The machine is charging a 24V battery in 12V mode | Set the switch to 24V. |
WARRANTY
The warranty covers faulty workmanship for 2 years from the date of purchase (parts and labor).
The warranty does not cover:
- Transit damage.
- Normal wear of parts (eg. : cables, clamps, etc..).
- Damages due to misuse (power supply error, dropping off equipment, disassembling).
- Environment-related failures (pollution, rust, dust).
In case of failure, return the unit to your distributor together with:
- The proof of purchase (receipt etc …)
- A description of the fault reported
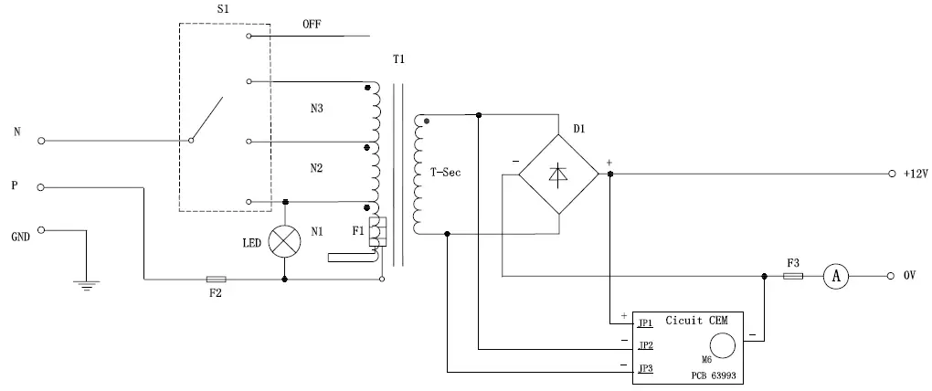
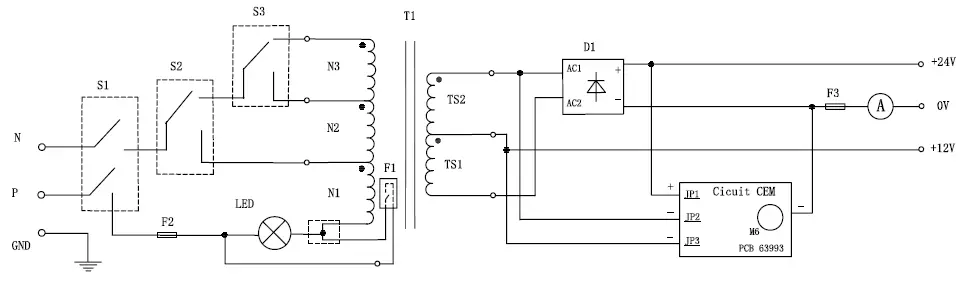
CIRCUIT DIAGRAM
START 200

START 300

SPARE PARTS
| START 200 | START 300 | |
| Power supply cable | 53341 | 53351 |
| Cable without clamps | 53342 | 53352 |
| Fuse holder | 53343 | |
| Fuse | 53346 (50 A) | 53353 (80 A) |
| Ammeter | 53344 | 53354 |
| Switch | 53345 | – |
| Switch | – | 53355 |
| Switch O/N | – | 53546 |
CONTROL PANEL

| 1 | Output for 24V battery |
| 2 | Ammeter |
| 3 | Switch |
| 4 | Thermal protection LED |
| 5 | Output for 12V battery |
SYMBOLS
- The recyclable product that falls within waste sorting recommendations (according to Decree n° 2014-1577).
- Protected against rain and against finger access to dangerous parts.
- Noise level
SAS GYS
1, rue de la Croix des Landes CS 54159
53941 SAINT-BERTHEVIN Cedex.
Find more languages of user manuals on our website. www.gys.fr.



















