GYS Energy 124 Lead Acid Battery Charger

SAFETY INSTRUCTIONS
This manual includes guidelines on the operation of your device and the precautions to follow for your own safety. Ensure it is read carefully before first use and keep it handy for future reference. These instructions should be read and understood before anyone operates the product. Any modifications or maintenance that are not specified in the manual should not be undertaken. The manufacturer is not liable for any injury or damage due to non-compliance with the instruction manual. In case of problems or uncertainties, please consult a qualified person that is able to handle the device correctly.This device should only be used for charging within the limits indicated on the device and in the manual. The safety instructions must be followed. In case of improper or unsafe use, the manufacturer cannot be held responsible.
- Device suitable for indoor use only. Do not expose to rain or excessive moisture.
- This device may be used by children from age 8 and by persons with reduced physi-cal, sensory or mental capabilities or lack of experience and knowledge, provided that they are under supervision or have been told how to use the device safely and are aware of the potential risks. Children must not use the device as a plaything. Cleaning and servicing tasks may not be carried out by children unless they are su-pervised.
- Do not use for charging non-rechargeable batteries.
- Do not operate the device with a damaged power supply cord or a damaged mains plug.
- Never charge a frozen or damaged battery. Do not cover the device.
- Do not place the device near a fire or subject it to heat or to longterm temperatures exceeding 50°C.
- Do not obstruct the cooling vents. Refer to the installation section before operating the machine.
Risk of explosion and fire!
A battery being charged can emit explosive gas.
- During the charge, the battery must be placed in a well ventilated area.
- Avoid flames and sparks. Do not smoke.
- Protect the electrical contacts of the battery against short-circuiting.
Acid projection hazard!
- Wear safety goggles and protective gloves
- If your eyes or skin come into contact with battery acid, rinse the affected part of the body with plenty of water and seek immediate medical assistance.
Connection/disconnection
- Disconnect the power supply before connecting/disconnecting the device to/from the battery.
- The terminal of the battery that is not connected to the car frame must be connected first. The other connection must be made on the car frame, far from the battery and the fuel line. The battery charger must be connected to the power supply network.
- After the charging process, disconnect the battery charger from the power supply network and remove the connector from the car frame and then the connector from the battery, in this order.
Connection:
- Class II device.
- This machine is fuse-protected.
Maintenance:
- If the power supply cable is damaged, it must be replaced by the manufacturer, its service agent or an equally qualified person.
- A qualified person should perform service.
- Warning! Always remove the power plug from the wall socket before carrying out any work on the device.
- If the internal fuse is blown, it must be replaced by the manufacturer, its after-sales service or an equally qualified person.
- Regularly take off the cover and remove dust with an air gun. Take the opportunity to have a qualified person check the electrical connections with an insulated tool.
- Under no circumstances should solvents or other aggressive cleaning agents be used.
- Clean the device’s surfaces with a soft, dry cloth.
Réglementation
- The device complies with European Directive.
- The certificate of compliance is available on our website.
- EAC conformity mark (Eurasian Economic Commission)
- Equipment in compliance with British requirements. The British Declaration of Conformity is available on our website (see home page).
- Equipment in conformity with Moroccan standards.
- The declaration Cم (CMIM) of conformity is available on our website (see cover page).
Mise au rebut:
- This product should be disposed of at an appropriate recycling facility. Do not dispose of in domestic waste.
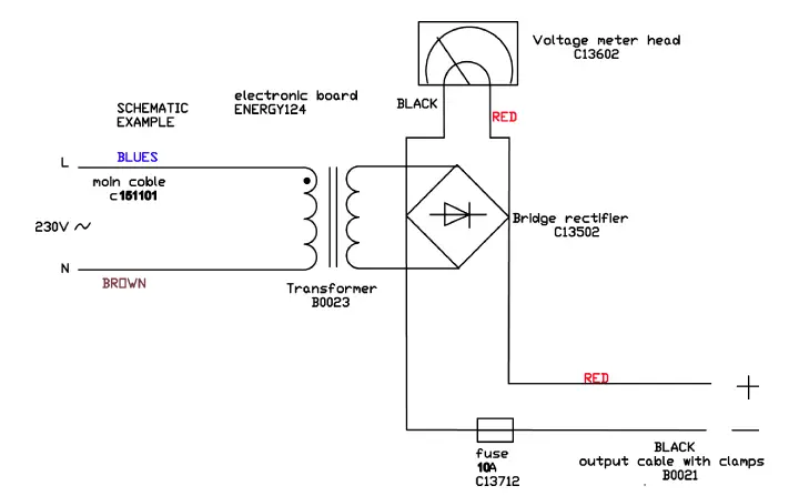
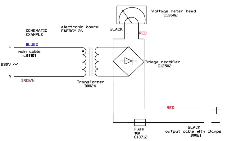
GENERAL DESCRIPTION
The chargers ENERGY 124 and 126 are designed to charge lead acid batteries with liquid electrolyte, nominal voltage from 12V (6 elements of 2 V), and with capacity according to the following table:
| Current | Minimum | Maximum | |
| ENERGY 124 | 3A DC | 10 Ah | 45 Ah |
| ENERGY 126 | 4A DC | 15 Ah | 60 Ah |
OPERATING MODE WITH TESTER FUNCTION
When it is not connected to the mains supply, this charger is a battery tester. It lets you know the state of the battery. The integrated voltmeter informs you:
- <12.3V: battery to be charged
- between 12.3 and 12.6V: middle charge
- >12.6V: charged
CONNECTION IN CHARGER FUNCTION
Preliminary precautions
- For indoor use, with good ventilation.
- Remove the battery caps if there is, and check the level of liquid. If it is not correct, filled up with distilled water. Clean well the battery terminals.
- Check if the battery capacity and voltage are compatible with your charger.
Connection and disconnection
- Disconnect from the battery all electronic system during the charge (Do not charge the battery when it is connected to the vehicle as it may damage the vehicle’s on-board electronics).
- Connect the clamps (+ red, – black) to + and – battery terminals, making sure you get a good electric contact, respecting the following order.
- Connect first the battery terminal not connected to the chassis of the vehicle.
- Then connect the other connection to the chassis remote from the battery and any fuel line.
- At last, plug in your charger to 230 V 50/60 Hz mains supply.
After charging, disconnected the battery charger from supply mains. Then remove the chassis connection and the battery connection, in this order.
Control of the charge process
- You should observe a variation of the voltage indicated by the voltmeter. When this voltage is over 14,8 volts, the battery has reached its full charge state. The charge must then be stopped.
- Do not connect the charger more than 24 hours on a battery.
PROTECTIONS
Your product has been developed with a maximum of protections:
- The clamps of the battery are isolated.
- The polarity reversal will not cause danger. The protection is insured by an automotive fuse, which must be changed in case of polarity error. Respect the rating of the fuse, which is indicated on the charger.
- Your charger is protected against over current that can occur with faulty batteries or false use of the product.
- Thermal protection: the transformer of the product is protected by a thermal switch (cooling: about ¼ h).
SULPHATED BATTERIES – START – POWER SUPPLY
- If your battery is sulfated, the indicator of the voltmeter goes directly up to the maximum. In that case, you can try to recover the battery by letting the charger connected for several hours (24 hours maximum).
- Do not leave your charger plugged on your car when you start it. It can break the fuse.
- Do not use your charger like an auxiliary power supply. It is forbidden to pull up current from the battery when the battery is connected to the charger.
TROUBLESHOOTING
| Symptoms | Causes | Remedies |
| The machine’s voltmeter does not fluctuate. | No mains voltage | Check that the power cord is plugged to a 230V 50/60Hz socket. Check the power supply network. |
| Clamps in short circuit or polarity reversal. | Remove the clamps. Check that the fuses have not melted and that the circuit breaker is not tripped | |
| Blown fuse | Replace the fuse by a new one. | |
| The charger is properly connected but it does not charge the battery | Blown fuse | Replace the fuse by a new one. |
| Bad clamp connections. | Clean the terminals and the clamps. Check the state of the cables and clamps. | |
| Following intensive use, your device has entered thermal protection mode. | Wait 1/4h so the device can cool down. | |
| The fuse blows every time it is replaced | Polarity reversal | Connect the + clamp to the battery’s (+) and the + clamp to the battery’s (-). |
| Starting the vehicle | Do not perform any starts when the charger is connected. | |
| Current overconsumption on the battery | Do not draw any of the battery’s current during the charge |
WARRANTY
The warranty covers faulty workmanship for 2 years from the date of purchase (parts and labour). The warranty does not cover:
- Transit damage.
- Normal wear of parts (eg. : cables, clamps, etc..).
- Damages due to misuse (power supply error, dropping of equipment, disassembling).
- Environment-related failures (pollution, rust, dust).
In case of failure, return the unit to your distributor together with: - The proof of purchase (receipt etc …)
- A description of the fault reported.


COMPONENTS
| ENERGY 124 | ENERGY 126 | |
| Fuse | 054530 (10 A) | |
| Red and black clamp | 053106 (40 A) | |
BATTERY ICONS
![]() | Recyclable product that falls within waste sorting recommendations (according to Decree n° 2014-1577). |
| IP20 | Protected against fingers access to dangerous parts. |
| < 70dB | Noise level |
SAS GYS
1, rue de la Croix des Landes CS 54159
53941 SAINT-BERTHEVIN Cedex


















