GYS BATIUM Electronic Battery Charger Instruction Manual

BATIUM
Electronic Battery Charger
7/12 • 15/12 • 7/24 • 15/ 24
73522_V12_02/05/2022
Find more languages of user manuals on our website
www.gys.fr
SAFETY INSTRUCTIONS
![]()
This manual includes guidelines on the operation of your device and the precautions to follow for your own safety.Ensure it is read carefully before first use and keep it handy for future reference. These instructions should be read and understood before anyone operates the product. Any modifications or maintenance that are not specified in the manual should not be undertaken. The manufacturer is not liable for any injury or damage due to noncompliance with the instruction manual. In case of problems or uncertainties, please consult a qualified person that is able to handle the device correctly. This device should only be used for charging within the limits indicated on the device and in the manual. The safety instructions must be followed. In case of improper or unsafe use, the manufacturer cannot be held responsible
![]()
Device suitable for indoor use only. Do not expose to rain or excessive moisture.
This device may be used by children from age 8 and by persons with reduced physical, sensory or mental capabilities or lack of experience and knowledge, provided that they are under supervision or have been told how to use the device safely and are aware of the potential risks. Children must not use the device as a plaything. Cleaning and servicing tasks may not be carried out by children unless they are supervised.
Do not use for charging non-rechargeable batteries
Do not operate the device with a damaged power supply cord or a damaged mains plug.
Do not use the device if the charging cable appears to be damaged or assembled incorrectly in order to avoid any risk of short circuiting the battery.
Never charge a frozen or damaged battery.
Do not cover the device
Do not place the device near a fire or subject it to heat or to longterm temperatures exceeding 50°C
Do not obstruct the cooling vents. Refer to the installation section before operating the machine.
Risk of explosion or acid projection in case of short-circuit of the clamps or if the 12V booster is connected to a 24V vehicle or vice versa.
The automatic mode of operation and usage restrictions are explained below in these operating instructions.
![]()
Risk of explosion and fire!
A battery being charged can emit explosive gas.
- During the charge, the battery must be placed in a well ventilated area.
![]()
- Avoid flames and sparks. Do not smoke.
- Protect the electrical contacts of the battery against short-circuiting.
Do not leave a charging battery unattended for a long time
![]()
Acid projection hazard!

- Wear safety goggles and protective gloves.
- If your eyes or skin come into contact with battery acid, rinse the affected part of the body with plenty of water and seek immediate medical assistance.

Connection / disconnection:
- Disconnect the power supply before connecting/disconnecting the device to/from the battery
- The terminal of the battery that is not connected to the car frame must be connected first. The other connection must be made on the car frame, farfrom the battery and the fuel line. The battery charger must be connected to the power supply network.
- After the charging process, disconnect the battery charger from the power supply network and remove the connector from the car frame and then the connector from the battery, in this order.

Connection:
- This device must be connected to an earthed power supply.
- This machine is fuse-protected.
- Connection to the mains must be made according to the nation- al installation regulations.
![]()
Maintenance:
- If the power supply cable is damaged, it must be replaced by the manufacturer, its service agent or an equally qualified person.
- Service should be performed by a qualified person.
![]()
- Warning! Always remove the power plug from the wall socket before carrying out any work on the device.
- If the internal fuse is blown, it must be replaced by the manufacturer, its after-sales service or an equally qualified person.
- Regularly take off the cover and remove dust with an air gun. Take the opportunity to have a qualified person check the electrical connections with an insulated tool.
- Under no circumstances should solvents or other aggressive cleaning agents be used.
- Clean the device’s surfaces with a soft, dry cloth.
Regulations:

- The device complies with European Directive.
- The certificate of compliance is available on our website.
- EAC conformity mark (Eurasian Economic Commission).
- Equipment in compliance with British requirements. The British Declaration of Conformity is available on our website (see home page).
![]()
- Equipment in conformity with Moroccan standards.
- The declaration Cم) CMIM) of conformity is available on our website (see cover page).
Disposal:
![]()
- This product should be disposed of at an appropriate recycling facility. Do not dispose of in domestic waste.
GENERAL DESCRIPTION
The Batium range is designed to charge all common batteries including lead-acid , electrolyte or gel batteries.

CONNECTIONS AND GENERAL OPERATIONS
Ensure that the correct sequences are followed.
Precaution: Check the electrolyte level for open batteries. Fill it up if necessary, before starting the charge.

FORCED CHARGE
If the battery is deeply discharged (very low voltage <2 V), the charge doesnt not start automatically. The charge indicator
does not switch on. The battery voltage indicators
, and capacity indicator
are switched on. In this situation, select the voltage and the charging current, then press the battery voltage button
during 5 seconds to start a “forced charge”. The indicator
switches on once the buttton is released. If no indicator switches on, your battery cannot be recovered (<0.5 V (± 0.3)).
« SOS RECOVERY » (BATIUM 15/12 AND 15/24)
When connecting the battery, the SOS Recovery indicator
flashes to signal that the battery suffered a deep discharge over a long period, with a start in sulfation.
The « SOS Recovery » mode uses a specific curve to repair the battery over a 24 to 48 hours cycle.
To activate this feature, follow these steps :
- Disconnect the battery from the vehicle. (OVERVOLTAGE DANGER)
- Connect the Batium to the battery.
- Connect the Batium to the mains.
- Choose the charging voltage.
- Activate « Sos Recovery » by pressing the button
during 5 seconds, until the indicator
switches on (the indicators
are switched off). - The indicator
switches on and blinks when the “Sos Recovery” stops and the normal charge resumes. - The green indicator
indicated the charge is over.
PROTECTIONS
The Batiums are protected against short-circuits, polarity reversals and vehicle start (they maintain a constant charge even when the vehicle is started). It has an anti-spark feature which prevents sparks whilst connecting the Gysflash to the battery. The Batium will not deliver current if there is no battery detected (no voltage in the clamps).
TROUBLESHOOTING


WARRANTY
The warranty covers faulty workmanship for 2 years from the date of purchase (parts and labour).
The warranty does not cover:
- Transit damage.
- Normal wear of parts (eg. : cables, clamps, etc..).
- Damages due to misuse (power supply error, dropping of equipment, disassembling).
- Environment related failures (pollution, rust, dust).
In case of failure, return the unit to your distributor together with:
- The proof of purchase (receipt etc …)
- A description of the fault reported
PRODUCT INTERFACE

- Charge indicator : lights up and flashes according to charging state
- End of charge indicator : lights up when the battery is fully charged
- Battery voltage selection key + forced start (5 sec)
- Battery capacity selection key (+ SOS : press 5 sec)
- 24V position only for BATIUM 7/24 – 15/24
- SOS Recovery : indicating the battery requires recovering (available for batium 15-12 & 15/24
BATTERIES COMBINATION

TECHNICAL FEATURES

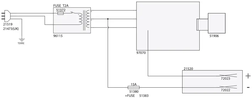
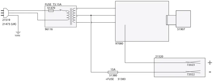
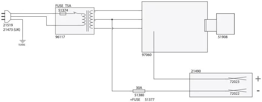
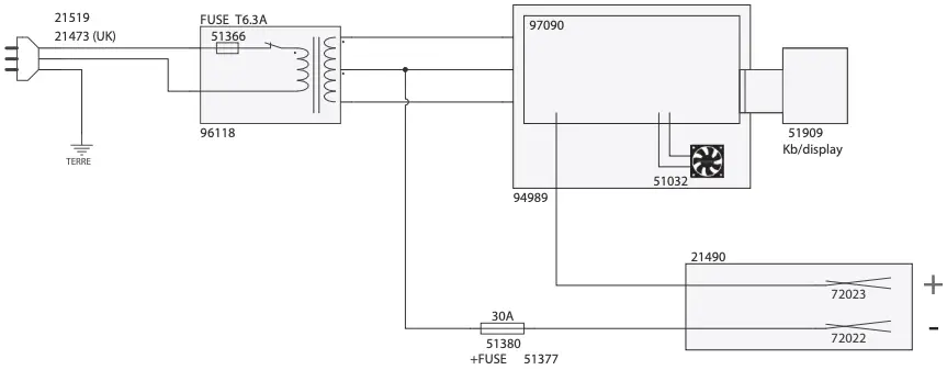
CIRCUIT DIAGRAM
BATIUM 7/12

BATIUM 7/24

BATIUM 15/12

BATIUM 15/24

SPARE PARTS

SYMBOLS




















