954501 Battery Charger and Starter
Instruction Manual
954501 Battery Charger and Starter
INSTRUCTION MANUAL
BATTERY CHARGER AND STARTER
EXPLANATION OF DANGER, MANDATORY AND PROHIBITION SIGNS.
DANGER OF EXPLOSION
GENERAL HAZARD
DANGER OF CORROSIVE SUBSTANCES
Symbol indicating separation of electrical and electronic appliances for refuse collection. The user is not allowed to dispose of these appliances as solid, mixed urban refuse, and must do it through authorized refuse collection centers.
INSTRUCTIONS FOR USE AND MAINTENANCE
WARNING: READ CAREFULLY BEFORE USING THE BATTERY CHARGER!
GENERAL SAFETY RULES FOR THE USE
– During the charge the battery produces explosive gases, avoiding the formation of flames and sparks. DO NOT SMOKE.
– Position the batteries to be charged in a well-ventilated place.
– Inexperience and untrained people should be properly instructed before using the appliance.
– This appliance can be used by children aged 8 years and above and persons with reduced physical, sensory or mental capabilities or lack of experience and knowledge if
they have been given supervision or instruction concerning the use of the appliance in a safe way and understand the hazards involved.
– Children shall not play with the appliance.
– Cleaning and user maintenance shall not be made by children without supervision.
– Use the battery charger only indoors and make sure that you start it in airy places. DO NOT SET IN THE RAIN OR SNOW.
– Disconnect the mains cable before connecting to or disconnecting the charging cables from the battery.
– Do not connect or disconnect the clamps to or from the battery with the battery charger operating.
– Never use the battery charger inside the car or in the bonnet.
– Substitute the mains cable only with an original one.
– If the supply cord is damaged, it must be replaced by the manufacturer, its service agent or similarly qualified persons in order to avoid a hazard.
– Do not use the battery charger to charge batteries that are not rechargeable.
– Make sure the available power supply voltage corresponds to that shown on the battery charger rating plate.
– To prevent damaging vehicle electronics, scrupulously respect the warnings given by the producer of the vehicle or the batteries used.
– This battery charger has components such as switches and relays which can cause arcs or sparks. Therefore when using it in a garage or in a similar place set the battery charger in a suitable case.
– Repair or maintenance of the inside of the battery charger can be executed only by skilled technicians.
– WARNING: ALWAYS DISCONNECT THE POWER SUPPLY CABLE FROM THE MAINS BEFORE CARRYING OUT ANY SIMPLE MAINTENANCE OPERATION ON THE BATTERY CHARGER.
– The battery charger is protected from indirect contact by an earth wire as indicated for class I equipment. Make sure the power outlet is protected by an earth connection.
– For models supplied without plugs, connect plugs having a capacitance suitable for the value of the fuse shown in the plate; for models supplied with cable and plug and with a ”P.MAX START” power higher than 9kW, when used for starting, we advise replacing the plug with one having a capacitance suitable for the fuse shown in the plate.
GENERAL DESCRIPTION
2.1 AUTOMATIC BATTERY CHARGERS (TRONIC)
Automatic battery chargers (electronic control of the charge process, interruption, and automatic restart) designed for charging sealed batteries (GEL AGM) in TRONIC mode, and lead electrolyte-free batteries (WET) in manual CHARGE mode, used on motor vehicles (petrol and diesel), motorcycles, boats, etc. It is possible to recharge 12V and 24V batteries.
Rechargeable batteries according to the output voltage available: 6V / 3 cells; 12V / 6 cells; 24V / 12 cells.
CONTROL, ADJUSTMENT, AND INDICATOR DEVICES
3.1 CHARGE LEVEL INDICATOR (AMMETER FIG. A)
During the charge phase, the charge level indicator moves from right to left indicating a decrease in the current required by the battery as far as near-zero levels (battery charged). Please note that the exact battery status can only be determined using a hydrometer, which allows you to measure the specific density of the electrolyte. For battery chargers in manual CHARGE mode, it will be necessary to monitor the ammeter to determine when the battery is fully charged and needs to be disconnected from the battery charger to prevent overheating or damage to the same. In START mode, the indicator will move to the far right indicating the use of maximum current.
3.2 SETTING THE CHARGE MODE AND CHARGE CURRENT (FIG. B)
The switch seen in figure B-1 is used to select the TRONIC or CHARGE mode settings.
The current and charge voltage (where available) is increased by moving the switch cursor seen in figure B-2 from left to right, within the CHARGE/TRONIC range.
Move the cursor seen in figure B-2 to the far right to reach the START position to help start the vehicle.
3.3 INDICATOR LEDS (FIG. C)
The LED seen in figure C-1 indicates that the charge clamps are connected to the battery with the poles inverted.
WARNING! Although the battery charger is protected by a resettable fuse, always avoid creating sparks connecting the clamps with the poles inverted! Disconnect the clamps immediately and connect them to the battery correctly.
The two-tone LED seen in figure C-2 is always red in CHARGE mode and indicates that the battery is charging. In TRONIC mode, the LED turns green when the charge phase is completed.
INSTALLATION
4.1 POSITIONING THE BATTERY CHARGER
During operation, position the battery charger on a stable surface and make sure that there is no obstruction to air passage through the openings provided to ensure sufficient ventilation.
4.2 CONNECTION TO THE MAIN SUPPLY
– The battery charger should be connected only and exclusively to a power source with the neutral lead connected to the earth. Check that the mains voltage is the same as the voltage of the equipment.
– Check that the power supply is protected by systems such as fuses or automatic switches, sufficient to support the maximum absorption of the equipment.
– The connection to the main supply has to be made using a suitable cable.
– If you put an extension to the primary cable, the section should be adequate and, in any case, never less than that of the cable supplied.
– You always have to earth the equipment with the yellow/green wire contained in the main cable, indicated by the label (
), while the other two wires should be connected to the phase and the neutral
OPERATION DURING CHARGING
NB: Before charging check that the capacity of the battery (Ah) which is to be charged, is not inferior to that reported on the data table of the battery charger (C min). Follow the instructions, taking great care to respect the order given below.
5.1 BATTERY PREPARATION
When recharging a WET-type battery, proceed as follows:
– Remove the caps of the battery charger (if foreseen) so as to let the gas produced go out. Check that the level of the electrolyte covers the plates of the battery. If these were not covered add distilled water and cover them up to 5-10 mm.
WARNING: USE THE MAXIMUM CAUTION DURING THIS OPERATION AS THE ELECTROLYTE IS A HIGHLY CORROSIVE ACID.
5.2 BATTERY CHARGER/BATTERY CONNECTION
– Make sure the power cable is disconnected from the mains.
– With models having more than one charge voltage, turn the deviator or the switch to the selected charge voltage. If there is no deviator or switch, suitably connect the red crocodile clip (+ symbol) to the specific battery charger terminal in correspondence with the selected charge voltage.
– Connect the red charge clamp to the positive terminal of the battery ( + symbol). If the symbols are indistinguishable remember that the positive terminal is the one not connected to the vehicle chassis.
– Connect the black charge clamp to the vehicle chassis, at a safe distance from the battery and the fuel pipe.
NOTE: if the battery is not installed in the vehicle, connect the clamp directly to the negative terminal of the battery (- symbol).
5.3 MANUAL CHARGE AND AUTOMATIC CHARGE MODES
5.3.1 MANUAL CHARGE (CHARGE) MODE
Mode recommended for free electrolyte lead batteries (WET).
– Follow the instructions provided in paragraphs 5.1 and 5.2 carefully.
– Turn the switch seen in figure B-1 to the CHARGE position and set the desired charge level using the switch seen in figure B-2.
– Power the battery charger by inserting the power cable into the mains and pressing the switch to ON (if available).
– Monitor the charge indicator as described in paragraph 3.1.
NOTE: When the WET battery is charged, you will also notice the liquid start to “boil”. It is recommended to interrupt the charging as soon as this happens to prevent damage to the battery.
5.3.2 AUTOMATIC CHARGE (TRONIC) MODE
The models that operate in TRONIC mode are recommended for charging sealed batteries (GEL, AGM).
– Follow the instructions provided in paragraphs 5.1 and 5.2 carefully.
– Turn the switch seen in figure B-2 to TRONIC and set the desired charge level using the switch seen in figure B-2.
– Power the battery charger by inserting the power cable into the mains. The battery charger controls the voltage present at the battery ends and automatically disconnects the current supply when the battery is charged (green charge LED) and connects it again automatically when the battery starts to run down. The TRONIC function is ideal for keeping batteries (AGM and WET) automatically charged over time with no risk of damage.
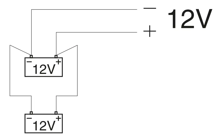
5.4 SIMULTANEOUS CHARGING OF MULTIPLE BATTERIES
WARNING: do not simultaneously charge batteries of different capacities, discharges or types. When simultaneous charging is required, it is possible to use “series” or “parallel” connections (FIG. D).
For “parallel” connections the batteries must have the same rated voltage (Volt), corresponding to that supplied by the battery charger and the total of the Ah must fall within the charge range of the battery charger.
For “series” connections the batteries must have the same capacity (Ah), and the total of rated voltage of all the batteries must correspond to the output rated voltage supplied by the battery charger.
5.5 CHARGE ENDING
– Disconnect the power to the battery charger move the switch to OFF (if available) and remove the power cable from the mains.
– Disconnect the black charge clamp from the vehicle chassis or from the negative battery terminal (symbol -)
– Disconnect the red charging clamp from the positive battery terminal (+ symbol).
– Return the battery charger to a dry place.
– Close the battery cells again, using the relative caps (if present).
VEHICLE STARTING OPERATION
WARNING: Before proceeding, read the vehicle manufacturer’s instructions carefully!
– Make sure the power line is protected by fuses or automatic circuit-breakers with sizes as indicated on the rating plate by the (
) symbol.
– To make the starting process easier, charge the battery for 10-15 minutes at a maximum level before starting.
– In order to prevent overheating in the battery charger, ALWAYS carry out the starting operation according to the work/pause (on/off) cycles as indicated on the appliance
(e.g. START 3s ON 120s OFF-5 CYCLES). Do not insist if the engine does not start: this could cause serious damage to the battery or even to the electrical equipment in the vehicle. If the engine does not start, do not insist, but wait a few minutes and then repeat the rapid charge operation.
6.1 BATTERY CHARGER/BATTERY CONNECTION
– With the power cord disconnected from the mains, connect the battery charger clamps as described in paragraph 5.2.
– Make sure the battery is connected properly to the respective (+ and -) terminals, and that it is in good condition (not sulfated or dead). Never ever start vehicles with batteries disconnected from their respective terminals; the presence of the battery is essential for the elimination of possible overvoltage.
6.2 STARTING WITH THE START
– With the battery charger switched OFF, plug the power cable into the mains.
– Press the switch to ON, if available.
– Turn the switch to START and turn the vehicle ignition key to start the engine.
6.3 END OF STARTING
– Disconnect the power to the battery charger by turning the switch (if present) to OFF and remove the power cable from the mains.
– Disconnect the black crocodile clip from the negative battery terminal (- symbol) and the red crocodile clip from the positive battery terminal (+ symbol).
– Store the battery charger in a dry place.
BATTERY CHARGER PROTECTION
The battery charger protects itself from:
– Overcharge (too much current supplied to the battery).
– Short-circuit (loading clips placed in contact with each other).
– Polarity inversion on the battery clamps.
For appliances fitted with fuses, if the fuses have to be replaced always use the same kind of fuse with the same rated size.
WARNING: If the replacement fuse has a different size from that shown on the rating plate it could cause damage to people or property. For the same reason, never ever replace the fuse with a bridge in copper or other material.
The power supply cable should always be DISCONNECTED from the main supply while the fuse is being changed.
USEFUL ADVICE
– If the positive and negative terminals are incrusted with oxide, clean them to ensure good contact with the clamps.
– Never ever allow the two clamps to come into contact when the battery charger is connected to the mains. In this case, the fuse will blow.
– If the battery, to which this battery charger is to be connected, is permanently installed in the vehicle, also consult the vehicle manufacturer’s user’s and maintenance handbook under the “ELECTRICAL SYSTEM” or “MAINTENANCE” section.
SERIES
PARALLEL
GUARANTEE
The manufacturer guarantees proper operation of the machines and undertakes to replace free of charge any parts should they be damaged due to poor quality of materials or manufacturing defects within 12 months of the date of commissioning of the machine when proven by certification. Returned machines, also under guarantee, should be dispatched CARRIAGE PAID and will be returned CARRIAGE FORWARD. This is with the exception of, as decreed, machines considered as consumer goods according to European directive 1999/44/EC, only when sold in member states of the EU. The guarantee certificate is only valid when accompanied by an offcial receipt or delivery note. Problems arising from improper use, tampering or negligence are excluded from the guarantee. Furthermore, the manufacturer declines any liability for all direct or indirect damages.
CERTIFICATE OF GUARANTEE
MOD. ……………….
NR…………………
Date of buying –
Sales company (Name and Signature)
The product is in compliance with:
DIRECTIVES
LVD 2014/35/EU + Amdt.
EMC 2014/30/EU + Amdt.
RoHS 2011/65/EU + Amdt.
















