
955064 Multifunction Battery Charger
Instruction Manual
MULTIFUNCTION BATTERY CHARGER
GENERAL SAFETY RULES FOR THE USE
955064 Multifunction Battery Charger

EXPLANATION OF DANGER, MANDATORY AND PROHIBITION SIGNS.
| DANGER OF EXPLOSION | |
![]() | GENERAL HAZARD |
| DANGER OF CORROSIVE SUBSTANCES | |
![]() | DANGER OF ELECTRIC SHOCK |
| EYE PROTECTIONS MUST BE WORN | |
| WEARING PROTECTIVE CLOTHING IS COMPULSORY | |
![]() | Symbol indicating separation of electrical and electronic appliances for refuse collection. The user is not allowed to dispose of these appliances as solid, mixed urban refuse, and must do it through authorised refuse collection centres. |
The documentation can be downloaded in PDF version from the link: www.telwin.com/usermanual
WARNING: BEFORE USING THE BATTERY CHARGER READ THE INSTRUCTION MANUAL CAREFULLY.
GENERAL SAFETY RULES FOR THE USE
– Avoid contact with battery acid. Should an operator be sprayed or come into contact with the acid, rinse the relative parts immediately under clean running water. Continue to rinse the area until the physician arrives.
– During the charge the battery produces explosive gases, avoid the formation of flames and sparkes. DO NOT SMOKE.
– Position the batteries to be charged in a well-ventilated place.
– Protect the eyes. Always wear protective goggles when using acid lead accumulators.
– Always wear suitable clothing. Never wear baggy clothing or jewellery that can get caught up in moving parts. During all operations, electrically insulated protection clothing and non-slip boots must be worn at all times. Persons with long hair must tie it back and wear a hair net.
– Inexperience and untrained people should be properly instructed before using the appliance.
– This appliance can be used by children aged from 8 years and above and persons with reduced physical, sensory or mental capabilities or lack of experience and knowledge if they have been given supervision or instruction concerning use of the appliance in a safe way and understand the hazards involved.
– Children shall not play with the appliance.
– Cleaning and user maintenance shall not be made by children without supervision.
– Use the battery charger only indoors and make sure that you start it in airy places. DO NOT SET IN THE RAIN OR SNOW.
– Disconnect the mains cable before connecting to or disconnecting the charging cables from the battery.
– Do not connect or disconnect the clamps to or from the battery with the battery charger operating.
– Never use the battery charger inside the car or in the bonnet.
– Substitute the mains cable only with an original one.
– If the supply cord is damaged, it must be replaced by the manufacturer, its service agent or similarly qualified persons in order to avoid a hazard.
– Do not use the battery charger to charge batteries which are not rechargeable.
– Make sure the available power supply voltage corresponds to that shown on the battery charger rating plate.
– To prevent damaging the vehicle electronics, scrupulously respect the warnings given by the producer of the vehicle or the batteries used.
– This battery charger has components such as switches and relays which can cause arcs or sparks. Therefore when using it in a garage or in a similar place set the
battery charger in a suitable case.
– Repair or maintenance of the inside of the battery charger can be executed only by skilled technicians.
– WARNING: ALWAYS DISCONNECT THE POWER SUPPLY CABLE FROM THE MAINS BEFORE CARRYING OUT ANY SIMPLE MAINTENANCE OPERATION ON THE BATTERY CHARGER.
– The battery charger is protected from indirect contact by an earth wire as indicated for class I equipment. Make sure the power outlet is protected by an earth connection.
– In models without this element, connect plugs of appropriate capacity, not below the fuse value indicated on the rating plate.
– Class A device:
This battery charger complies with the requirements of the technical standard for products to be used in industrial environments and for professional purposes.
No compliance with the electromagnetic compatibility in domestic use buildings is guaranteed and those connected directly to a low voltage power supply network that
furnishes buildings designated to domestic use.
GENERAL DESCRIPTION
Battery charger indicated for charging lead (WET, GEL, AGM, PbCa) and Lithium batteries, used by motorised vehicles (petrol and diesel) and electric vehicles: automobiles, motor vehicles, motorcycles, boats, etc.
It is possible to recharge 12V and 24V batteries. Also indicated for charging rechargeable accumulators based on the output voltage available: 12V and 24V.
INSTALLATION
3.1 BATTERY CHARGER POSITION
When running, position the battery charger in a stable position and make sure the air flow through the openings which guarantee required ventilation is not blocked.
3.2 CONNECTION TO THE MAINS
– The battery charger must only be connected to a power supply system with neutral conductor connected to earth.
– Check that the mains voltage is the same as the battery charger voltage indicated on the rating plate.
– The power line must have a protection system, such as fuses or circuit breakers, that can support the maximum apparatus absorption.
– Use the relative power cable when connecting to the mains.
– Any power cable extensions must be of suitable section size, never lower than that of the supplied power cable.
– It is always compulsory to connect the device to the grounding system, using the yellow-green wire in the power cable identified with the label (
), whilst the other two wires must be connected to the phase and neutral conductors on the mains power supply.
OPERATING DURING CHARGING
N.B.: Before charging, make sure the capacity (Ah) of the battery to be charged is not lower than that indicated on the battery charger rating plate (Cmin). Follow the instructions scrupulously in the order given below.
4.1 BATTERY PREPARATION
If the battery to be charged is the WET type, the procedure is as follows:
– Remove the battery caps (if present), so that the gas produced during charging can exit. Make sure the level of electrolyte covers the battery plates; if they are not covered,
add distilled water until they are submerged by 5-10 mm.
ATTENTION! BE VERY CAREFUL WHILE CARRYING OUT THIS OPERATION BECAUSE THE ELECTROLYTE IS AN EXTREMELY CORROSIVE ACID.
4.2 BATTERY CHARGER/BATTERY CONNECTION
– Check that the power cable plug has been disconnected from the mains socket.
– Connect the red charging clamp to the positive battery terminal (+ symbol). If the symbols are not clear, remember that the positive terminal is the one that is not connected to the vehicle chassis.
– Connect the black clamp to the vehicle chassis, at a distance from the battery and the fuel pipe.
N.B.: If the battery is not installed inside the vehicle, directly connect to the negative battery terminal (- symbol).
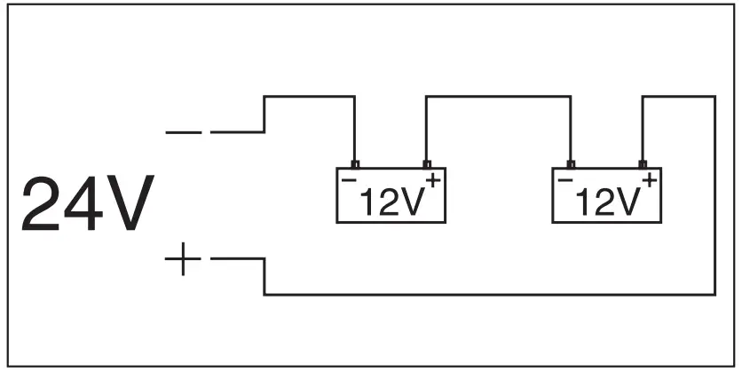
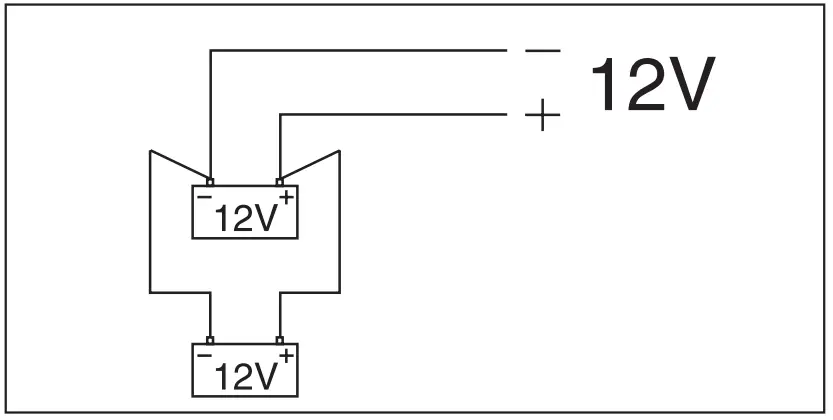
4.3 SIMULTANEOUS CHARGING OF MULTIPLE BATTERIES
When simultaneous charging is required, it is possible to use in “series” or “parallel” connections.
ATTENTION: In both cases, all the batteries used must be the same type: same capacity (Ah), same cold cranking amps (CCA), and same rated voltage (Volt).
Series
For “series” connections the batteries must have the same capacity (Ah), and the total of the rated voltage of all the batteries must correspond to the output rated voltage supplied by the battery charger.
Parallel
For “parallel” connections the batteries must have the same rated voltage (Volt), corresponding to that supplied by the battery charger and the total of the Ah must fall within the charge range of the battery charger.
4.4 CHARGE ENDING
– Disconnect the battery charger by removing the power cable from the mains socket.
– Disconnect the black charge clamps from the vehicle chassis or from the negative battery terminal (- symbol).
– Disconnect the red charging clamp from the positive battery terminal (+ symbol).
– Return the battery charger to a dry place.
– Close the battery cells again, using the relative caps (if present).
5. USEFUL ADVICE
– Clean the positive and negative terminals from possible oxide deposits to guarantee good clamp contact.
– If the battery to be recharged using this apparatus is permanently fitted inside the vehicle, consult also the “ELECTRIC SYSTEM” or “MAINTENANCE” sections of the
vehicle instruction and/or maintenance manual.
LCD DISPLAY (page 2)
- Battery charge level.
- Choice of battery type:
• GEL: Lead-Calcium (PbCa), solid electrolyte, gel, completely sealed battery. They are maintenancefree batteries.
• AGM (ABSORBENT GLASS MAT): lead batteries with electrolyte absorbed in fibreglass. Completely sealed. They are maintenance-free batteries.
• AGM+: they ensure a higher number of start-ups at higher current and more in-depth discharge than standard AGM. Used on vehicles with Start-Stop system. Compact dimensions, greater resistance to vibrations and fast recharge times.
• Lithium (Li): batteries with reduced weight, high energy density and very low auto-discharge. They are mainly used in the world of motorsport.
• EFB (Enhanced Flooded Battery): liquid electrolyte batteries with a higher recharge capacity and which support a higher quantity of cycles (start-ups) than traditional ones. Ideal for vehicles with Start-Stop system.
If no type of battery is selected, the battery charger automatically sets the type of battery. - Charges at low temperatures.
- Battery voltage set.
- RECOVERY mode.
- Generic alarm for polarity reversal, short circuit, worn or faulty battery.
- SUPPLY mode.
- PULSE-TRONIC charge phases.
- BOOST mode.
- TEST mode.
- Alternator test and Starting Load Efficiency test (CCA).
- Outcome of TEST, RECOVERY and charge end.
- FUNCTION – Setting button:
– PULSE-TRONIC CHARGE (GEL, AGM, AGM +, Li, EFB and low temperatures ).
– TEST (battery status, battery starting load efficiency, vehicle alternator).
– Advanced Programs: BOOST, RECOVERY, SUPPLY. - VOLT – Setting button:
– 12/24V battery voltage.
FUNCTIONS
A. PULSE-TRONIC CHARGE
B. TEST
– CHARGE STATUS TEST
– BATTERY CRANKING EFFICIENCY TEST (CCA)
– ALTERNATOR TEST
C. BATTERY MAINTENANCE
– RECOVERY
D. POWER SUPPLY
– SUPPLY OPTIONAL INFO ALARM
CHARGER CABLES CONNECTION


LOAD/MAINTENANCE
PULSE-TRONIC TECHNOLOGY 
- VOLTAGE SELECTION

- Pulse-Tronic PROCESS SELECTION
If no type of battery is selected, the battery charger automatically sets the type of battery. - OPTIONAL: ADVANCED MENU SELECTION
Optional for faster charging - CLAMPS CONNECTION

- PULSE-TRONIC GRAPHIC
1 Battery test
2 Sulphated/very discharged battery pulse recovery
3 Integrity check
4 Charge up to 80%
5 Charge up to 100%
6 Charge endurance monitoring
7 Charge holding (*)
8 Pulsed charge recovery (*)
(*) Maintenance phases after charging has ended.
They are interrupted only on disconnecting the battery charger. - CHARGE END – EXAMPLE
Pulse-Tronic charge end – Positive result
Pulse-Tronic charge end – Negative result
TEST
CHARGE STATUS
- VOLTAGE SELECTION

- TEST SELECTION

- CLAMPS CONNECTION

- TEST END – EXAMPLE

BATTERYY STARTING LOAD EFFICIENCY
- VOLTAGE SELECTION

- TEST SELECTION

- CLAMPS CONNECTION

- VEHICLE START

- TEST END – EXAMPLE

ALTERNATOR
- VOLTAGE SELECTION

- TEST SELECTION

- CLAMPS CONNECTION

- VEHICLE START

- TEST END – EXAMPLE

MAINTENANCE
RECOVERY
- VOLTAGE SELECTION

- ADVANCED MENU SELECTION

- CLAMPS CONNECTION
With symbols flashing in succession, the RECOVERY process in progress is indicated. - PROCESS END – EXAMPLE

- EXIT FUNCTION

POWER SUPPLY
OLTAGE SELECTION
- ADVANCED MENU SELECTION

- CLAMPS CONNECTION TO VEHICLE BATTERY CABLES

- VEHICLE POWERED

- EXIT FUNCTION

OPTIONAL
SUPPORT BRACKET
MAGNETIC KIT
INFO ALARM 

GUARANTEE
The manufacturer guarantees proper operation of the machines and undertakes to replace free of charge any parts should they be damaged due to poor quality of materials or manufacturing defects within 12 months of the date of commissioning of the machine, when proven by certification. Returned machines, also under guarantee, should be dispatched CARRIAGE PAID and will be returned CARRIAGE FORWARD. This with the exception of, as decreed, machines considered as consumer goods according to European directive 1999/44/EC, only when sold in member states of the EU. The guarantee certificate is only valid when accompanied by an official receipt or delivery note. Problems arising from improper use, tampering or negligence are excluded from the guarantee. Furthermore, the manufacturer declines any liability for all direct or indirect damages.
CERTIFICATE OF GUARANTEE
MOD…………………….
Date of buying ……………
NR. ……………………….
Sales company (Name and Signature)
The product is in compliance with:
LVD 2014/35/EU + Amdt.
EMC 2014/30/EU + Amdt.
RoHS 2011/65/EU + Amdt.



If no type of battery is selected, the battery charger automatically sets the type of battery.
Optional for faster charging
1 Battery test
Pulse-Tronic charge end – Positive result
Pulse-Tronic charge end – Negative result















With symbols flashing in succession, the RECOVERY process in progress is indicated.

OLTAGE SELECTION


















