TELWIN 807586 Professional Battery Chargers

LCD DISPLAY
- Set battery voltage.
- Main Display: voltage-current measured in the battery, selected Ah,voltage value selected for the Supply / Diagnostic / Equalization programs,messagges for the operator, alarm code.
- Polarity reverse alarm, short circuit, worn orfaulty battery.
- Set current and voltage.“AL1 – AL9”Alarm code.
- Battery charge level.
- PULSE-TRONIC Charge current choice: AUTO, BOOST, Customized (Ah setting).
- Low temperature operation.
- Silent operation.
- EQUALIZATION Mode.
- DESULFATION Mode.
- Battery type choice:
- WET: lead batteries, liquid electrolyte.
- GEL: lead batteries, sealed, solid electrolyte.
- AGM: lead batteries, sealed, electrolyte onabsorbent material.
- PbCa: lead-calcium batteries.
- SUPPLY Mode.
- DIAGNOSTIC Mode.
- PULSE-TRONIC charging steps.
- START mode (if present).
- Automatic charge Mode.
- PulseTronic Charge.
- Charging circuit operation Test (alternator).
- Battery starting capacity Test – CCA.
- Battery charge status Test .
- VOLT – Setting button:
- 6/12/24V battery voltage.
- silent operation.
- voltage/Ah adjustment.
- FUNCTION – Setting button:
- PULSE-TRONIC CHARGE (AUTO, AUTO ,WET, GEL, AGM, PbCa).
- TEST (battery status, vehicle’s alternator,battery starting capacity).
- Advanced Programs (DESULFATION,EQUALIZATION, DIAGNOSTIC, SUPPLY).
- voltage/Ah adjustment.
- MODE – Setting button:
- Output current (AUTO, BOOST, customized).
- START Mode (if present).
EXPLANATION OF DANGER, MANDATORY AND PROHIBITION SIGNS.
- DANGER OF EXPLOSION
- GENERAL HAZARD
- DANGER OF CORROSIVE SUBSTANCES
- DANGER OF ELECTRIC SHOCK
- EYE PROTECTIONS MUST BE WORN
- WEARING PROTECTIVE CLOTHING IS COMPULSORY
- Symbol indicating separation of electrical and electronic appliances for refuse collection. The user is not allowed to dispose of these appliances as solid, mixed urban refuse, and must do it through authorisedrefuse collection centres.
WARNING: BEFORE USING THE BATTERY CHARGER READ THE INSTRUCTION MANUAL CAREFULLY.
GENERAL SAFETY RULES FOR THE USE
- Avoid contact with battery acid. Should an operator be sprayed or come into contact with the acid, rinse the relative parts immediately under clean running water. Continue to rinse the area until the physician arrives.
- During the charge the battery produces explosive gases, avoid the formation of flames and sparkes. DO NOT SMOKE.
- Position the batteries to be charged in a well-ventilated place.
- Protect the eyes. Always wear protective goggles when using acid lead accumulators.
- Always wear suitable clothing. Never wear baggy clothing or jewellery that can get caught up in moving parts. During all operations, electrically insulated protection clothing and non-slip boots must be worn at all times. Persons with long hair must tie it back and wear a hair net.
WARNING
- Inexperience and untrained people should be properly instructed before using the appliance.
- People (children included) whose physical, sensory or mental capacities would prevent them from using the appliance correctly must be supervised by a person who is responsible for their safety while the appliance is in use.
- Children must be supervised to ensure that they do not play with the appliance.
- Use the battery charger only indoors and make sure that you start it in airy places. DO NOT SET IN THE RAIN OR SNOW.
- Disconnect the mains cable before connecting to or disconnecting the charging cables from the battery.
- Do not connect or disconnect the clamps to or from the battery with the battery charger operating.
- Never use the battery charger inside the car or in the bonnet.
- Substitute the mains cable only with an original one.
- Do not use the battery charger to charge batteries which are not rechargeable.
- Make sure the available power supply voltage corresponds to that shown on the battery charger rating plate.
- To prevent damaging the vehicle electronics, scrupulously respect the warnings given by the producer of the vehicle or the batteries used.
- This battery charger has components such as switches and relays which can cause arcs or sparks. Therefore when using it in a garage or in a similar place set the battery charger in a suitable case.
- Repair or maintenance of the inside of the battery charger can be executed only by skilled technicians.
- WARNING: ALWAYS DISCONNECT THE POWER SUPPLY CABLE FROM THE MAINS BEFORE CARRYING OUT ANY SIMPLE MAINTENANCE OPERATION ON THE BATTERY CHARGER.
- The battery charger is protected from indirect contact by an earth wire as indicated for class I equipment. Make sure the power outlet is protected by an earth connection.
- In models without this element, connect plugs of appropriate capacity, not below the fuse value indicated on the rating plate.
Class A device:
- This battery charger complies with the requirements of the technical standard for products to be used in industrial environments and for professional purposes. No compliance with the electromagnetic compatibility in domestic use buildings is guaranteed and those connected directly to a low voltage power supply network that furnishes buildings designated to domestic use.
GENERAL DESCRIPTION
Battery charger indicated for charging WET, GEL, AGM, PbCa lead batteries used by motorised vehicles (petrol and diesel) and electric vehicles: automobiles, motor vehicles, motorcycles, boats, etc. It is possible to charge 6V, 12V and 24V batteries; the 50 model also has a starter aid mode (for vehicles with petrol and diesel engines only). Rechargeable batteries according to the output voltage available: 6V / 3 cells; 12V / 6 cells; 24V / 12 cells.
INSTALLATION
BATTERY CHARGER POSITION
When running, position the battery charger in a stable position and make sure the air flow through the openings which guarantee required ventilation is not blocked.
CONNECTION TO THE MAINS
- The battery charger must only be connected to a power supply system with neutral conductor connected to earth.
- Check that the mains voltage is the same as the battery charger voltage indicated on the rating plate.
- The power line must have a protection system, such as fuses or circuit breakers, that can support the maximum apparatus absorption.
- Use the relative power cable when connecting to the mains.
- Any power cable extensions must be of suitable section size, never lower than that of the supplied power cable.
- It is always compulsory to connect the device to the grounding system, using the yellow-green wire in the power cable identified with the label ( ), whilst the other two wires must be connected to the phase and neutral conductors on the mains power supply.
OPERATING DURING CHARGING
N.B.: Before charging, make sure the capacity (Ah) of the battery to be charged is not lower than that indicated on the battery charger rating plate (Cmin). Follow the instructions scrupulously in the order given below.
BATTERY PREPARATION
If the battery to be charged is the WET type, the procedure is as follows:
- Remove the battery caps (if present), so that the gas produced during charging can exit. Make sure the level of electrolyte covers the battery plates; if they are not covered, add distilled water until they are submerged by
5- 10 mm.
ATTENTION! BE VERY CAREFUL WHILE CARRYING OUT THIS OPERATION BECAUSE THE ELECTROLYTE IS AN EXTREMELY CORROSIVE ACID.
BATTERY CHARGER/BATTERY CONNECTION
- Check that the power cable plug has been disconnected from the mains socket.
- Connect the red charging clamp to the positive battery terminal (+ symbol). If the symbols are not clear, remember that the positive terminal is the one that is notconnected to the vehicle chassis.
- Connect the black clamp to the vehicle chassis, at a distance from the battery and the fuel pipe. N.B.: If the battery is not installed inside the vehicle, directly connect to the negative battery terminal (- symbol).
SIMULTANEOUS CHARGING OF MULTIPLE BATTERIES
WARNING: do not charge batteries of different capacities, discharges or types. When simultaneous charging is required, it is possible to use “series” or “parallel” connections:
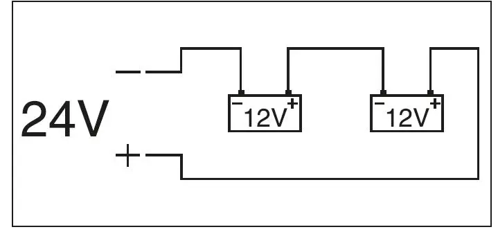
Series
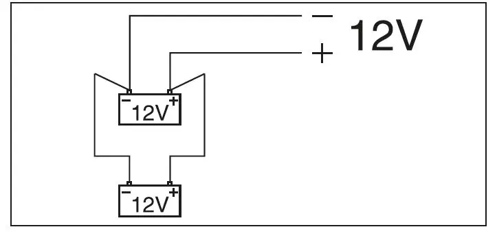
Parallel
For “parallel” connections the batteries must have the same rated voltage (Volt), corresponding to that supplied by the battery charger and the total of the Ah must fall within the charge range of the battery charger.
For “series” connections the batteries must have the same capacity (Ah), and the total of the rated voltage of all the batteries must correspond to the output rated voltagesupplied by the battery charger
CHARGE ENDING
- Disconnect the battery charger by removing the power cable from the mains socket.
- Disconnect the black charge clamps from the vehicle chassis or from the negative battery terminal (- symbol).
- Disconnect the red charging clamp from the positive battery terminal (+ symbol).
- Return the battery charger to a dry place.
- Close the battery cells again, using the relative caps (if present).
STARTER AID MODE (50 version)
ATTENTION: Before proceeding, read the vehicle manufacturers instructions carefully!
- Make sure the power line is protected by fuses or automatic circuit-breakers with sizes as indicated on the rating plate by the symbol ( ).
- To make the starting process easier, quick charge the battery for 10-15 minutes, with the battery charger in charge and NOT starter position.
- If the vehicle does not start, wait a few minutes and then repeat the rapid charge operation. Do not insist furtherif the vehicle motor does not start; this could causeserious damage to the battery or even to the electricalequipment in the vehicle.
BATTERY CHARGER/BATTERY CONNECTION
- Check before starting the vehicle that the battery nominal voltage corresponds to the value indicated on the battery charger.
- Make sure the battery is connected properly to the respective (+ and -) terminals, that the battery connections are correct and the battery is in good condition (not sulphated or dead).
- Never ever start vehicles with the batteries disconnected from their respective terminals; the presence of the battery is essential for the elimination of possible overvoltage that may be generated due to energy accumulating in the connection cables at the starting stage. Failure to comply with these instructions can cause damage to the vehicle electronic system.
STARTER AID
- To select this function, please refer to “STARTER AID”illustration.
STARTING COMPLETED
- Disconnect the power cable plug from the mains socket.
- Disconnect the black charge clamp from the negative battery terminal (- symbol) and the red clamp from the positive battery terminal (+ symbol).
- Return the battery charger to a dry place.
USEFUL ADVICE:
- Clean the positive and negative terminals from possible oxide deposits to guarantee good clamp contact.
- If the battery to be recharged using this apparatus is permanently fitted inside the vehicle, consult the “ELECTRIC SYSTEM” or “MAINTENANCE” sections of the vehicle instruction and/or maintenance manual
FUNCTIONS
- A. PULSE-TRONIC CHARGE




- B. TEST
- CHARGE STATUS TEST


- BATTERY START CAPABILITY (CCA)


- ALTERNATOR TEST


- CHARGE STATUS TEST
- C. BATTERY MAINTENANCE


- DESULFATION
- EQUALIZATION




- D. POWER SUPPLY
- DIAGNOSTIC




- SUPPLY





- DIAGNOSTIC
- E. START AID (if present)


- F. CABLE CALIBRATION


- G. SILENT OPERATION

CABLE CONNECTION

OPTIONAL
INFO ALARM
GUARANTEE
The manufacturer guarantees proper operation of the machines and undertakes to replace free of charge any parts should they be damaged due to poor quality of materials or manufacturing defects within 12 months of the date of commissioning of the machine, when proven by certification. Returned machines, also under guarantee, should be dispatched CARRIAGE PAID and will be returned CARRIAGE FORWARD. This with the exception of, as decreed, machines considered as consumer goods according to European directive 1999/44/EC, only when sold in member states of the EU. The guarantee certificate is only valid when accompanied by an oficial receipt or delivery note. Problems arising from improper use, tampering or negligence are excluded from the guarantee. Furthermore, the manufacturer declines any liability for all direct or indirect damages.
CERTIFICATE OF GUARANTEE
- Date of buying
- Sales company (Name and Signature)
- The product is in compliance with:
- DIRECTIVES






















































