
Starter and Power Supply
Instruction Manual

GYSPACK 660 /750
SAFETY INSTRUCTIONS
This manual includes guidelines on the operation of your device and the precautions to follow for your own safety. Ensure it is read carefully before first use and keep it handy for future reference.
These instructions should be read and understood before anyone operates the product. Any modifications or maintenance that are not specified in the manual should not be undertaken. The manufacturer is not liable for any injury or damage due to noncompliance with the instruction manual. In case of problems or uncertainties, please consult
a qualified person that is able to handle the device correctly. This device should only be used for start-up and / or power supply within the limits indicated on the device and in the manual. The safety instructions must be followed. In case of improper or unsafe use, the manufacturer cannot be held responsible.
Device suitable for indoor use only. Do not expose to rain or excessive moisture.
This device may be used by children from age 8 and by persons with reduced physical, sensory or mental capabilities or lack of experience and knowledge, provided that they are under supervision or have been told how to use the device safely and are aware of the potential risks. Children must not use the device as a plaything. Cleaning and servicing tasks may not be carried out by children unless they are supervised.
Do not use for charging non-rechargeable batteries.
Do not use any charger other than the one supplied with the machine to charge the batteries.
Do not operate the device with a damaged power supply cord or a damaged mains plug.
Never charge a frozen or damaged battery.
Do not cover the device
Do not place the device near a fire or subject it to heat or to longterm temperatures exceeding 50°C
Do not obstruct the cooling vents. Refer to the installation section before operating the machine.
The automatic mode of operation and usage restrictions are explained below in these operating instructions.
Risk of explosion or acid projection in case of short-circuit of the clamps or if the 12V booster is connected to a 24V vehicle or vice versa.
Risk of explosion and fire!
A battery being charged can emit explosive gas.
During the charge, the battery must be placed in a well ventilated area.
Avoid flames and sparks. Do not smoke.- Protect the electrical contacts of the battery against shortcircuiting.
Acid projection hazard!
Wear safety goggles and protective gloves
If your eyes or skin come into contact with battery acid, rinse the affected part of the body with plenty of water and seek immediate medical assistance.
Connection / disconnection
Disconnect the power supply before connecting/disconnecting the device to/from the battery- The terminal of the battery that is not connected to the car frame must be connected first. The other connection must be made on the car frame, far from the battery and the fuel line.
The battery charger must be connected to the power supply network. - After the charging process, disconnect the battery charger from the power supply network and remove the connector from the car frame and then the connector from the battery, in this order.
Connection:
Class II device (charger booster)
Class III device (booster)
This machine is fuse-protected- Connection to the mains must be made according to the national installation regulations.
Maintenance:
If the charging / power supply cable is damaged, the product must be disposed.- The power supply cable cannot be replaced. If the cable is damaged,the device should not be used.
- Service should be performed by a qualified person
Warning! Always remove the power plug from the wall socket before arrying out any work on the device.- Regularly take off the cover and remove dust with an air gun.
Take the opportunity to have a qualified person check the electrical connections with an insulated tool. - Under no circumstances should solvents or other aggressive cleaning agents be used.
- Clean the device’s surfaces with a soft, dry cloth.
Regulations:
The device complies with European Directive.
The certificate of compliance is available on our website.
EAC conformity mark (Eurasian Economic Commission)- Equipment in compliance with British requirements. The British Declaration of Conformity is available on our website (see home page).
Equipment in conformity with Moroccan standards.- The declaration C م (CMIM) of conformity is available on our website (see cover page).
Disposal:
This product should be disposed of at an appropriate recycling facility. Do not dispose of in domestic waste.
The battery fitted in this device is recyclable. Please proceed according to the applicable recycling regulations.- The battery must be removed from the device before the latter is discarded.
- The device must absolutely be disconnected from the power supply network before removing the battery.
GENERAL DESCRIPTION
The high performance internal battery allows the GYSPACK 660 / 750 to serve 4 functions:
– Test battery
– Instant Start from vehicle equipped with 12V Lead battery (Gel or Liquid electrolyte).
– 12 V DC power supply, to supply light Spot, TV, tools, etc…
– Light
CHARGE THE INTERNAL BATTERY
Before using the device turn the knob to OFF.
Charge the device once bought and after each use with the charger provided.
Do not use another charger than the one provided with the device.
This device is delivered with an automatic charger (for the internal battery), double insulated with a floating system enabling to keep the internal battery charged to 100% unsupervised.
To charge the internal battery :
- Place the device vertically during charging to avoid acid leaking and damaging the internal battery.
- Connect the charger to a 230V power supply, The green LED lights and the cigarette lighter LED lights red. Connect the cigarette lighter plug into the side of the device.
- Turn the knob to 12V to start charging. If the knob stays is on OFF or 24V it will not charge.
- The charger LED turns red when the cigarette lighter plug is connected. The charge is in progress.
- The device is charged once this LED turns back to green.
STARTING A VEHICLE
Do not disconnect the battery from the vehicle. Disconnecting the battery may result in loss of information and a possible inability to restart.
The booster must be stored in a vertical position. Any other storage position should only be temporary.
In order to use the GYSPACK 660 / 750 as a starter, follow these steps:
Disconnect the GYSPACK 660 / 750 from the mains. Turn the vehicle ignition key to OFF.
Position the switch «OFF».
When the battery negative terminal is connected to the vehicle chassis:
– Connect the red clamp to the positive terminal of the battery.
– Connect the black clamp to the vehicle chassis, ensure it is not close to fuel lines and the battery.
Some vehicles have the battery positive terminal connected to the chassis, in this case:
– Connect the black clamp to the negative terminal of the battery.
– Connect the red clamp to the vehicle chassis, ensure it is not close to fuel lines and battery.
The cables must not be pinched or in contact with hot or sharp surfaces.
Position the switch «ON».
Go to the driver’s seat and turn the ignition key ( 6 sec max). If your engine does not start, wait 3 minutes until next attempt.
– If the cooling period between each attempt (3 minutes) is not observed or if the duration of the attempt is too long (> 6 seconds), the chances of a successful jumpstart are significantly reduced (risk of power loss).
– Risk of battery acid leaks or damage if the recommended periods are not observed.
– If the vehicle does not start, it may be a problem other than a faulty battery: alternator, glowplug…
Position the switch «OFF».
– Risk of explosion or acid splashes when connecting a 12 V booster on a 24 V vehicle.
– Beware of possible short-circuit of the clamps.- After use, when the battery negative terminal is connected to the vehicle chassis:
– Turn the switch to OFF (if any), then disconnect the black clamp and finally the red clamp.
When the battery positive terminal is connected to the chassis, in this case:
– Turn the switch to OFF (if any), then disconnect the red clamp and finally the black clamp.
Recharge your GYSPACK 660 / 750 after use. (see ‘Charging internal battery’)
USE AS A 12V DC POWER SUPPLY
The cigarette lighter plug is protected by an integrated 20 A circuit breaker. In the event of an overheating due to an overcharge, the circuit breaker will stop the power supply.
This device can be used as a 12V DC power supply for many electrical debices such as radio, fan, electrical tools, camera, TV…
- Turn the knob to the OFF position.
- Plug the cigarette lighter socket of your electrical device in the Booster (cable not included).
- Turn the switch onto the ON position.
The output is protected by a 20A thermal circuit-breaker.
INTERNAL BATTERY TESTER
This device is designed with an internal battery tester which will show the condition of the internal battery. Use the test knob (6). The result will be displayed on the screen: if the result is between 0 and 12 the battery is deeply discharged and needs to be charged urgently. If the voltage of the battery is above 12 V the battery is in good condition.
LED LIGHT
This device has an integrated light comprised of 7 powerful LED’s.
PROTECTIONS
This device is designed with many protection features :
- ON/OFF switch to protect against overvoltage when connecting.
- An alarm beep in case of reversed polarity and misuse.
- Copper cable 2 x 1.30m, ø 25mm² with 600A insulated clamps.
- The GYSPACK 660 is equipped with 1 fuse of 200 A. The GYSPACK 750 is equipped with 2 x 200 A fuses.
- Fuses can be replaced by removing this protective cover. Spare fuses are located at the back of the substations.
TROUBLESHOOTING
| Troubleshooting | Causes | Solutions |
| The device beeps and the red LED is on. | The device detects a polarity reversal. | Check the battery polarity. |
| Sparks appear when the clampsmake contact with the battery terminals. | The switch is on 12V. | Switcht machine off before connecting the clamps to the battery. |
| The position of the negative and positive clamps on the battery terminals is incorrect (polarity reversal). | Check the battery polarity. | |
| The unit can not start the vehicle. The internal battery voltage is lower than 12V. | The internal battery is discharged. | Charge the unit, and try again after the charge is complete. |
| Several jump start attempts without pause between each. | Wait 3 minutes between 2 starts. A start must not last more than 6 seconds. | |
| The battery voltage is incorrect.. | Check that the battery voltage of the vehicle is 12V. | |
| The device can not start the vehicle anymore and the voltage battery is less than 8V or the display doesn’t work. | The voltage of the internal batteries is very low. It may be that the internal batteries are damaged. | Put the device on charge in order to attempt to recover the battery. |
| The internal batterie is damaged and it cannot be recharged. | Contact the GYS after sale service to replace the batterie. | |
| The charge of the internal batteries does not start (the charge LED remains green when first connected to the mains). | The cigarette lighter plug is not correctly plugged to the socket of the machine. | Check the cigarette lighter connection. |
| The fuse of the cigarette lighter socket has melted. | Replace the fuse of the cigarette lighter socket by unscrewing its end. | |
| The charger red LED flashes during the charge. | The internal batterie is damaged and it cannot be recharged. | Contact the GYS after sale service to replace the batterie. |
| After a day of charge, the end of charge indicator does not activate. | The internal batteries are damaged and cannot be recharged. | Contact the GYS after sale service to organise a replacement of the batteries. |
| In external 12V power source mode, the booster no longer delivers power. | The internal thermal protection circuit-breaker has cut the circuit. | Disconnect the external device connected to the machine and wait for the circuit-breaker to reset itself automatically. |
| The lamp does not switch on. | The internal battery is discharged. | Charge the unit, and try again after the charge is complete. |
| The voltage display does not switch on. |
BATTERY NOT COVERED BY WARRANTY
Batteries are live parts, their life depends on maintenance. After each use of this starter, it is essential to recharge the internal batteries. Storage in places with high temperatures greatly reduces the battery charge. In the case of prolonged non-use, it is strongly recommended to recharge the batteries before use. In general, we recommend leaving the product plugged in continuously to maintain the batteries at their best performance.
This product is equipped with 2 high performance batteries if the maintenance instructions are not followed the batteries can deteriorate irreversibly over time.
For this reason the GYSPACK batteries are excluded from the warranty.
BATTERY REPLACEMENT
GYSPACK 660

| Product | Battery | Type | Voltage (V) | Capacity (Ah) | Dimensions (cm) | Battery ref |
| GYSPACK 660 | CB28-12M | Lead- acid battery | 12 | 28 | 16,5 x 12,6 x 17,5 | 53062 |
To replace the battery :
- The booster must be disconnected form the power supply.
- First the back panel must be unscrewed (19 screws) and removed.
- Once the back panel is removed, the battery front appears (cf illustration). Remove the positioning belt 1 .
- The battery is connected to the GYSPACK at two points : at the – terminal 3 and at the + terminal 2 . To remove the battery, remove the 2 screws that enable the connection between the battery and the GYSPACK at the terminals + and -.
When putting a new battery, make sure to observe the polarities of both the battery and the GYSPACK. Terminal + up, terminal – down (cf illustration). Put the 2 screws and washers back, tighten the nuts (recommended torque wrench 4 N.m). - Place the booster’s backpanel screws back on.
GYSPACK 750

| Product | Battery | Type | Voltage (V) | Capacity (Ah) | Dimensions (cm) | Battery ref |
| GYSPACK 750 | 6-SPB-25 | Lead- acid battery | 12 | 28 | 20 x 14 x 16 | 53140 |
To replace the battery :
- The booster must be disconnected form the power supply.
- First the back panel must be unscrewed (19 screws) and removed.
- Once the back panel is removed, the battery front appears (cf illustration). Remove the positioning belt 1 .
- The battery is connected to the GYSPACK at two points : at the – terminal 3 and at the + terminal 2 . To remove the battery, remove the 2 screws that enable the connection between the battery and the GYSPACK at the terminals + and -.
When putting a new battery, make sure to observe the polarities of both the battery and the GYSPACK. Terminal – on the left, terminal + on the right (cfillustration). Put the 2 screws and washers back, tighten the nuts (recommended torque wrench 4 N.m). - Place the booster’s backpanel screws back on.
WARRANTY
The warranty covers faulty workmanship for 2 years from the date of purchase (parts and labour).
The warranty does not cover:
- Transit damage.
- Normal wear of parts (eg. : cables, clamps, etc..).
- Damages due to misuse (power supply error, dropping of equipment, disassembling).
- Environment related failures (pollution, rust, dust).
In case of failure, return the unit to your distributor together with:
– The proof of purchase (receipt etc …)
– A description of the fault reported
GYSPACK 660 / 750
PRODUCT INTERFACE

| 1 | Warning buzzer and LED polarity reversal |
| 2 | ON-OFF switch |
| 3 | Emergency light |
| 4 | flexible cable |
| 5 | Emergency light switch |
| 6 | Test switch |
| 7 | Clamps |
| 8 | 12V DC output socket with overload protection |
| 9 | 230 V adapter – charger cord – GYSPACK 660 |
| 10 | 230 V adapter – charger cord – GYSPACK 750 |
| 11 | Fuses |
| 12 | Spare fuses |
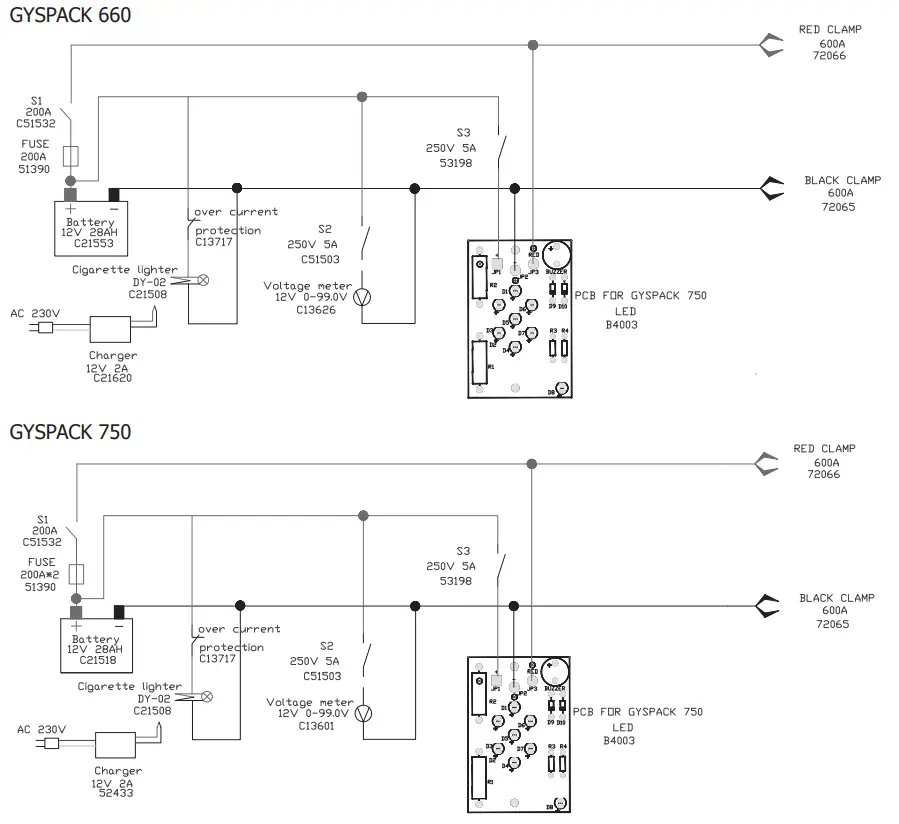
GYSPACK 660 / 750
CIRCUIT DIAGRAM

SPARE PARTS
| 660/750 | |
| Battery | 53062 (28Ah) /53140 (28Ah) |
| GYSPACK charger | 027992/ 054684 |
| Lighting system | 53200 |
| Push-button for the lamp | 53198 |
| Fuse holder | 51400 |
| Fuse | 54547 |
| Battery breaker | 53333 |
| Handle | 56153 |
| Copper terminal (x2) | C31342 |
TECHNICAL SPECIFICATION
| Voltage input | 220-240 V 50/60 Hz |
| Charger’s maximum nominal power | 30 W/90 W |
| harging voltage | 12 V |
| Charging current | 2:00 AM |
| Nominal charging capacity | 28 Ah |
| Charging curve | WUoU |
| Operating temperature | -10 °C / +40 °C |
| Storing temperature | -18 °C / +45 °C |
| Protection rating | IP21 |
| Machine weight (including all cables) | 13,9/13,5 |
| Dimensions (L x l x H) | 35 x 19 x 40 |
BATTERY ICONS
![]() | Keep away from flames and sparks. Do not smoke. |
![]() | Risk of electric shock |
![]() | Do not let children handle the battery. |
SYMBOLS
| Recyclable product that falls within waste sorting recommendations (according to Decree n° 2014-1577). | |
| IP 20 | Protected against fingers access to dangerous parts. |
| < 50dB | Noise level |
| Charger connection plug |

GYS SAS
1, rue de la Croix des Landes
CS 54159
53941 SAINT BERTHEVIN – FRANCE





















