POWERTECH DC5372 Portable Dust Collector Owner’s Manual
Visit us on the web at www.powertecproducts.com
You will need this manual for safety instructions, operating procedures, and warranty.
PRODUCT SPECIFICATIONS
Motor . . . . . . . . . . . . . . . . . . . . . . . . . . . . . . . . . . . . . . . . . . . . …………1-HP, 120 or 240 V, 60-Hz, 1PH (pre-wired to 120)
Motor Speed . . . . . . . . . . . . . . . . . . . . . . . . . . . . . . . 3450 RPM
Bearings . . . . . . . . . . . . . .. Sealed & Permanently Lubricated
Cord Length . . . . . . . . . . . . . . . . . . . . . . . . . . . . . . . . 6.56 Feet
Air Suction Capacity . . . . . . . . . . . . . . . . . . . . . . . . . . 560 CFM
Max. Static Pressure (at 0 CFM) . . . . . . . . . . . . . . . . . . . . 7.2″
Main Inlet Size . . . . . . . . . . . . . . . . . . . . . . . . . . . . . . . . . . . 4″
Main Outlet Size . . . . . . . . . . . . . . . . . . . . . . . . . . . . . . . . . . . 5″
Impeller Type . . . . . . . . . . . . . . . . . . . . . . . . . . . . . . Radial Fan
Impeller Size . . . . . . . . . . . . . . . . . . . . . . . . . . . . . . . . . . . . 10″
Dust Collection Bag
(with a clear window and bottom zipper) . . . . . . . . . . . . . . . . ……..Ø14-1/2″ x 25-1/2″ – 1 micron ………………………. with neck Ø 5-7/8″ x 4″ long
Overall Dimensions (without dust collection bag) ………………………….. 16-5/8″ x 15-7/8″ x 17″
Net Weight . . . . . . . . . . . . . . . . . . . . . . . . . . . . 38 lbs. (17.3 kg)
SAFETY RULES
WARNING
For your own safety, read and understand all warnings and operating instructions before using any tool or equipment.
WARNING
Some dust created by power sanding, sawing, grinding, drilling and other construction activities can expose you to chemicals known to the State of California to cause cancer, birth defects or other reproductive harm.
Some examples of these chemicals are:
- Lead from lead-based paints.
- Crystalline silica from bricks and cement and other masonry products.
- Arsenic and chromium from chemically-treated lumber.
Your risk from these exposures varies, depending on how often you do this type of work. To reduce your exposure to these chemicals: work in a well ventilated area and work with approved safety equipment. Always wear OSHA/NIOSH approved, properly fitting face mask or respirator when using such tools.
WARNING
Always follow proper operating procedures as defined in this manual even if you are familiar with the use of this or similar tools. Remember that being careless for even a fraction of a second can result in severe personal injury.
WORK PREPARATION
- Wear proper apparel. Do not wear loose clothing, gloves, neckties, rings, bracelets or other jewelry which may get caught in moving parts of the tool.
- Wear protective hair covering to contain long hair.
- Wear safety shoes with non-slip soles.
- Wear safety glasses complying with United States ANSI Z87.1. Everyday glasses have only impact resistant lenses. They are NOT safety glasses.
- Wear face mask or dust mask if operation is dusty.
- Be alert and think clearly. Never operate power tools when tired, intoxicated or when taking medications that cause drowsiness.
WORK AREA PREPARATION
- Keep work area clean. Cluttered work areas invite accidents.
- Do not use power tools in dangerous environments. Do not use power tools in damp or wet locations. Do not expose power tools to rain.
- Work area should be properly lit.
- Proper electrical receptacle should be available for tool. Three-prong plug should be plugged directly into properly grounded, three-prong receptacle.
- Extension cords should have a grounding prong and the three wires of the extension cord should be of the correct gauge.
- Keep visitors at a safe distance from work area.
- Keep children out of the work area. Ensure your work shop is child-proof. Use padlocks, master switches or remove switch keys to prevent any unintentional use of power tools.
TOOL MAINTENANCE
- Always unplug tool prior to inspection.
- Consult manual for specific maintaining and adjusting procedures.
- Keep tool lubricated and clean for a safe operation.
- Remove adjusting tools. Form habit of checking to see adjusting tools or accessories are removed before switching tool on.
- Keep all parts in working order. Check to determine that guard or other parts will operate properly and perform their intended function.
- Check for damaged parts. Check for alignment of moving parts, binding, breakage, mounting and any other condition that may affect tool’s operation.
- A guard or any other part that is damaged should be properly repaired or replaced. Do not perform makeshift repairs.
TOOL OPERATION
- Use the right tool for your job. Do not force your tool or attachment to do a job for which it was not designed.
- Avoid accidental start-up. Make sure that the tool is in the “OFF” position before plugging in.
- Never leave tool running unattended.
- Know your tool. Learn the tool’s operation, application and specific limitations before using it.
CAUTION
Think safety! Safety is a combination of operator common sense and alertness at all times when tool is being used.
WARNING
Do not attempt to operate tool until it is completely assembled according to the instructions.
SAVE ALL WARNINGS AND INSTRUCTIONS FOR FUTURE REFERENCE
IMPORTANT SAFETY WARNINGS
NOTE: When using an electrical appliance, basic precautions should always be followed, including the following:
READ ALL INSTRUCTIONS BEFORE USING (THIS APPLIANCE)
WARNING
a. Do not leave appliance when plugged in. Unplug from outlet when not in use and before servicing.
b. Do not allow to be used as a toy. Close attention is necessary when used by or near children.
c. Use only as described in this manual. Use only manufacturer’s recommended attachments.
d. Do not use with damaged cord or plug. If appliance is not working as it should, has been dropped, damaged, left outdoors, or dropped into water, return it to a service center.
e. Do not pull or carry by cord, use cord as a handle, close a door on cord, or pull cord around sharp edges or corners. Do not run appliance over cord. Keep cord away from heated surfaces.
f. Do not unplug by pulling on cord. To unplug, grasp the plug, not the cord.
g. Do not handle plug or appliance with wet hands.
h. Do not put any object into openings. Do not use with any opening blocked; keep free of dust, lint, hair, and anything that may reduce air flow.
i. Keep hair, loose clothing, fingers, and all parts of body away from openings and moving parts.
j. Turn off all controls before unplugging.
k. Use extra care when cleaning on stairs.
l. Do not use to pick up flammable or combustible liquids, such as gasoline, or use in areas where they may be present.
m.Connect to a properly grounded outlet only. See Grounding Instructions.
n. Unplug before connecting Dust Collection Bag.
GROUNDING INSTRUCTIONS
This appliance must be grounded. If it should malfunction or breakdown, grounding provides a path of least resistance for electric current to reduce the risk of electric shock. This appliance is equipped with a cord having an equipmentgrounding conductor and grounding plug. The plug must be inserted into an appropriate outlet that is properly installed and grounded in accordance with all local codes and ordinances.
WARNING
Improper connection of the equipment-grounding conductor can result in a risk of electric shock. Check with a qualified electrician or service person if you are in doubt as to whether the outlet is properly grounded. Do not modify the plug provided with the appliance – if it will not fit the outlet, have a proper outlet installed by a qualified electrician.
This appliance is for use on a circuit having a nominal rating more than 120 V and is factory-equipped with a specific electric cord and plug to permit connection to a proper electric circuit.
Make sure that the appliance is connected to an outlet having the same configuration as the plug. No adaptor should be used with this appliance. If the appliance must be reconnected for use on a different type of electric circuit, the reconnection should be made by qualified service personnel.
SPECIFIC SAFETY INSTRUCTIONS
WARNING
Read and understand the instruction manual before operating the dust collector. Basic precautions listed below should always be followed when using your dust collector to reduce the risk of injury, electrical shock or fire.
- This dust collector is designed to collect sawdust only.
- Never attempt to use this dust collector to vacuum water or any other liquids.
- Never try to use this dust collector to collect large wood pieces.
- Never attempt to use this dust collector to collect metal materials such as screws, nails or other metal parts.
- Always wear approved eye protection and respirator when emptying collection/filter bags.
- Never operate the dust collector with all blast gates closed.
- Turn machine off, disconnect power cord and ensure all moving parts have stopped completely before changing or emptying the bags.
- ALWAYS ensure collection/filter bags are secured in place.
- Do not place your hand or tools near the open inlet while operating. Serious personal injury or damage to the machine can happen.
- Always connect dust collector to the matched power source.
IMPORTANT: Always consider safety first as it applies to your individual working conditions, the environment in every shop is different.
SAVE ALL WARNINGS AND INSTRUCTIONS FOR FUTURE REFERENCE
ASSEMBLY
UNPACKING
Refer to Figure 1
Check for shipping damage. Check immediately whether all parts and accessories are included. If anything is missing or broken, contact your retailer or call 847-780-6120.
NOTE: Carefully remove all contents from shipping carton. The shipping carton contains:
| ITEM | DESCRIPTION | QTY |
| A | Motor with Paddle Switch and Dust Box | 1 |
| B | Dust Collection Bag | 1 |
| C | Base | 1 |
| D | Casters | 4 |
| E | Bag Clamp 5″ | 1 |
| F | Adhesive Foam Strip | 1 |
| G | Carriage Bolts M8 | 8 |
| H | Acorn Nuts 5-16″-18 | 4 |
| I | Flat Washers 5/16″ | 4 |
| J | Wrench (10-12 mm) | 1 |
| K | Motor Plate | 1 |
| L | Flange Nuts M8 | 8 |
Owner’s Manual (not shown)
INSTALLATION
Refer to Figures 2–4
Tools required for assembly:
- Wrench (10-12 mm)
CAUTION
- Do not attempt assembly if parts missing.
- Call the Customer service line to obtain replacent parts.
WARNING
Do not operate dust collector until completely assembled.
Do not operate this tool until you have completely read and
NOTE: After unit is assembled dispose of all packaging material In an wnvitomenratally safe way.
Refer to Figure 2
- Place the base plate upside down and attach the casters with the 5/16 flat washers and 5/16″-18 acom nutys (supplied) Align holes in motor plate with holes in base plate, secure in palce with four carriage bolts and fiange nuts (supplied).

- Align holes in motor plate with holes in motor housing (Figure 3) secure braket in palce with four carriage bolts and fiange nuts (supplied). Please make sure the square-neck of the carriage bolts are properly mounted into the square holes of motor plate.

- Place the adhesive foam strip (supplied) around the dust collector outlet port.
- Place the dust collector bag onto the outlet port and secure in place with the bag clamp (supplied)

TEST
WARNING
Before starting the dust collector, make sure you have read and understood the manual and you are familiar with the functions and safety features on the machine. Failure to do so may cause serious personal injurty.
Run a test to the dust collenctor operetes properly.
- Ensure all tools are removed from the work area and the wall mounting barcket is secure.
- Plug the power cord into the correct receptacle. (Refer to Power Source paragraph in this ssssssection ofthe manual.
- Turn the dust collector ON. (Refer to On/Off Switch paragraph in Operation section of the manual.)
- If unusual noise or excessive vibration is noticed, shut off the machine immediately and disconnect the cord from the power source. Check all the assembled parts once again and insvestigate to fgind the proble.
- If the dust collector operates correctly, turn the machine OFF
and remove the safety key on the switch. Once the safety key
is removed, turn the switch ON. The machine should not run with the safety key removed.
If everything operates correctly the dust collector is ready for use
POWER SOURCE
WARNING
Do not connect dust collector to the power source until all assembly steps have been completed.
The motor is designed for operation on the voltage and Running the unit on voltages which are not within the range may cause overheating and motor burn-out. Heavy loads require that the voltage at motor terminals be no less than the voltage specified on naneplate.
Power supply to the motor is controlled by a single pole locking rocker switch. Remove the key to prevent unauthorized use.
GROUNDING INSTRUCTIONS
WARNING
Improper connection of equipment grounding conductor can result in the risk of electrical shock. Equipment should be grounded while in use to protect operator from electrical shock.
- Check with a qualified electrician if you do not understand grounding instructions or if you are in doubt as to whether the tool is properly grounded.
- This tool is equipped with an approved cord rated at 120V and a 3-prong grounding type plug (see Figure 4) for your protection against shock hazards.
- Grounding plug should be plugged directly into a properly installed and grounded 3-prong grounding type receptacle, as shown (see Figure 5).

- Do not remove or alter grounding prong in any manner. In the event of a malfunction or breakdown, grounding provides a path of least resistance for electrical shock.
WARNING
Do not allow fingers to touch the terminals of plug when installing or removing from outlet.
- Plug must be plugged into matching outlet that is properly installed and grounded in accordance with all local codes and ordinances. Do not modify plug provided. If it will not fit in outlet, have proper outlet installed by a qualified electrician.
- Inspect tool cords periodically, and if damaged, have repaired by an authorized service facility.
- Green (or green and yellow) conductor in cord is the grounding wire. If repair or replacement of the electric cord or plug is necessary, do not connect the green (or green and yellow) wire to a live terminal.
EXTENSION CORDS
- The use of an extension cord is not recommended. The use of any extension cord will cause some drop in voltage and loss of power.
- Wires of the extension cord must be of sufficient size to carry the current and maintain adequate voltage.
- Use the table to determine the minimum wire size (A.W.G.) extension cord.
- Use only 3-wire extension cords having 3-prong grounding type plugs and 3-pole receptacles which accept the tool plug.
- If the extension cord is worn, cut or damaged in any way, Replace it immediately.
Extension Cord Length
Wire Size ……….. A.W.G
Up to 50 ft………14 gauge
NOTE: Extension cord over 50 ft. NOT RECOMMENDED.
MOTOR
The dust collector is assembled with motor and wiring installed. The electrical wiring schematic is shown in Figure 6.
The permanently split capacitor motor has the following specifications:
Horsepower (Peak HP)……………… . 1
Voltage ………… . ……. . .120/240
Amp… . ……………. . . . . .12/6
Hertz … . ………………. . . . . 60
Phase …………….. . Single
RPM … . …………. . . . . . . 3450
ELECTRICAL CONNECTIONS
WARNING
All electrical connections must be performed by a qualified electrician. Make sure tool is off and disconnected from power source while motor is mounted, connected, reconnected or anytime wiring is inspected. Motor and wires are installed as shown in wiring schematic (See Figure 6.) Motor is assembled with approved, 3-conductor cord to be used at 120 volts.
The power lines are inserted directly into the switch. The green ground line must remain securely fastened to the frame to properly protect against electrical shock. The power supply to the motor is controlled by a single pole locking rocker switch.
- Remove the key to prevent unauthorized use.
TO CONVERT TO 240V POWER SUPPLY
To convert the dust collector to 240V the switch box must be rewired and a new plug attached. A qualified electrician MUST inspect the switch box and new plug before the dust collector is connected to the power source.
Circuit Type. . . . . . . . . . . . . . . . . . . . 240V, 60 Hz, Single Phase
Current Size . . . . . . . . . . . . . . . 6 Amps
Plug Receptacle . . . . . . . . . . . . . . . . . . . . . . . … . .NEMA 6-15
TO CONVERT
- Make sure the tool is unplugged.
- Open the switch box cover.
- Follow the 240V wiring diagram on the inside of the switch box cover. NOTE: The 240V wiring diagram is also in Figure 7. Call the customer service line at 847-780-6120 for assistance if needed.
- After rewiring make sure all wire nuts are tight and use electrical tape to secure them in place.

Figure. Locotion of wire nuts to be loosened on when converting voltage. - Replace the plug on the existing power cord with a NEMA 6-15 plug. The plug must be plugged into matching outlet that is properly installed and grounded in accordance with all local codes and ordinances
- Have the wiring inspected by a qualified electrician. 7. Replace the switch box cover.

Figure. Model rewired to 240V.
OPERATION
WARNING
BASIC OPERATIONS
ON/OFF Switch The keyed switch is intended to prevent unauthorized use of the dust collector.
- 1. To turn the dust collector ON insert the yellow key into the key slot in the center of the switch. 2. Push the key firmly into the slot, then push switch to the ON position to start the dust collector.
- To turn the dust collector OFF push the switch to the down position.
- Remove the yellow switch key, when the dust collector has come to a complete stop, by gently pulling it outward.
WARNINGI
Remove the switch key whenever the dust collector is not in use. Place it in a safe place and out of reach of children.
WARNING
ALWAYS lock the switch OFF when the dust collector is not in use. Remove the key and keep it in a safe place. In the event of power failure, blown fuse, or tripped circuit breaker, turn the switch OFF and remove the key, preventing accidental startup when power comes on.
Operation
- Position the tool being used close to the dust collector.
- Connect one end of a dust collector hose to the dust collector inlet and one end to the machine outlet. Secure both ends with hose clamps (not included).
- Turn the dust collector ON. (Refer to On/Off Switch paragraph in this section of the manual).

MAINTENANCE
GENERAL MAINTENANCE
WARNING
Make sure the machine is turned off and the cord is disconnected from the power source before servicing and removing/replacing any components on the machine.
- Check the dust collector daily for loose mounting bolts, screws, damaged wires, worn switch, full collection bag and any other unsafe condition.
- The impeller screw may loosen with use. Check the impeller once a month to ensure the impeller screws are tight, securing the impeller on the shaft.
- To check: Make sure the machine is turned off and the cord is disconnected from the power source. Access the impeller screws through the inlet cover on the machine and tighten to secure the impeller on the shaft.
CLEANING
Check and empty the collection bag on your dust collector regularly. The machine operates at a much higher level of efficiency when the collection bag is empty.
This collection bag has a clear window and a bottom zip. The clear window allows operator to see the amount of dust in the bag and the bottom zip makes bag emptying easy.
LUBRICATION
The sealed bearings in the motor have been permanently lubricated at the factory. They require no further lubrication.
MACHINE STORAGE
- When the dust collector is not in use, disconnect the cord from the power source and store the machine in a dry place.
- Do not expose the machine to rain.
- Ensure the cord is kept away from potential damage sources such as; sharp objects, chemicals, heat sources and water.
TOOL REPAIRS
- If power cord is worn, cut, or damaged in any way, have it replaced immediately.
- Replace worn abrasives when needed.
- Replace any damaged or missing parts. Use parts list to order parts. Any attempt to repair motor may create a hazard unless repair is done by a qualified service technician. Call the customer service line at 847-780-6120 for assistance.
TROUBLESHOOTING
| SYMPTOM | POSSIBLE CAUSE(S) | CORRECTIVE ACTION |
| Motor will not start |
|
|
| Motor will not start; fuses blown or circuit breakers are tripped |
|
|
| Unit has vibration or noisy operation |
|
847-780-6120for assistance |
| Loud, repetitious noise or excessive vibration coming from dust collector |
|
4.Inspect and replace hose. |
| Sawdust blown into the air from the dust collector | Hose clamps or dust collection bag is not properly clamped and secured. | Check hose and dust collection bag, ensure hose and bag clamps are tight and completely over the hose and bag. |
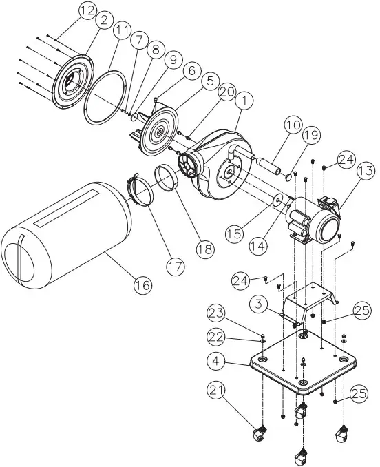
DUST COLLECTOR FENCE ASSEMB PARTS ILLUSTR LY ATION

DUST COLLECTOR PARTS LIST
| 1 | Part NoDC5372001 | DescriptionMain housing | Qty1 | |
| 2 | DC5372002 | Inlet cover 4″ | 1 | |
| 3 | DC5372003 | Motor plate | 1 | |
| 4 | DC5372004 | Base | 1 | |
| 5 | DC5372005 | Impeller 10″ | 1 | |
| 6 | DC5372006 | Socket head cap screw M8 x 12 mm (L) | 1 | |
| 7 | DC5372007 | Socket head cap screw M6 x 25 mm (LHT) | 1 | |
| 8 | DC5372008 | Spring washer M6 | 1 | |
| 9 | DC5372009 | Flat washer Ø1/4 x Ø30 x 4 mm (T) | 1 | |
| 10 | DC5372010 | Handle cover | 1 | |
| 11 | DCS371011 | Foam tape, Inlet cover | 2 | |
| 12 | DC5372012 | 12 | ||
| 13 | DC5372013 | Motor with paddle switch | 1 | |
| 14 | DC5372014 | Motor Key | 1 | |
| 15 | DCS371015 | Motor gasket | 1 | |
| 16 | DC5372016 | Collection bag | 1 | |
| 17 | DC5372017 | Bag clamp 5″ | 1 | |
| 18 | DCS371018 | Adhesive foam strip | 1 | |
| 19 | DC5372019 | Cap 1″ | 1 | |
| 20 | DC5372020 | Flange bolts M8 x 12 mm (L) | 4 | |
| 21 | DCS371021 | Casters | 4 | |
| 22 | DC5372022 | Flat washers 5/16″ | 4 | |
| 23 | DC5372023 | Acorn nuts 5/16″-18 | 4 | |
| 24 | DC5372024 | Carriage bolts M8 | 8 | |
| 25 | DC5372025 | Flange nuts M8 | 8 |
WARRANTY
Thank you for investing in a POWERTEC power tool. This product has been designed and manufactured to meet high quality standards and is guaranteed for domestic use against defects in workmanship or material for a period of 12 months from the date of purchase. This guarantee does not affect your statutory rights.
SOUTHERN TECHNOLOGIES LLC. BENCH TOP AND STATIONARY POWER TOOL LIMITED 1 YEAR WARRANTY AND 30-DAY SATISFACTION GUARANTEE POLICY
POWERTEC products are designed and manufactured by Southern Technologies LLC. All warranty communications should be directed to Southern Technologies LLC by calling 847-780-6120 (toll free), 9 AM to 5 PM, Monday through Friday, US Pacific Time.
30- DAY SATISFACTION GUARANTEE POLICY
During the first 30 days after the date of purchase, if you are dissatisfied with the performance of this POWERTEC tool for any reason, you may return the tool to the retailer from which it was purchased for a full refund or exchange. You must present proof of purchase and return all original equipment packaged with the original product. The replacement tool will be covered by the limited warranty for the balance of the one year warranty period.
LIMITED ONE YEAR WARRANTY
This warranty covers all defects in workmanship or materials in this POWERTEC tool for a one year period from the date of purchase. This warranty is specific to this tool. Southern Technologies, LLC eserves the right to repair or replace the defective tool, at its discretion.
HOW TO OBTAIN SERVICE
To obtain service for this POWERTEC tool you must return it, freight prepaid, to POWERTEC. You may call (toll free) 847-780-6120 for more information. When requesting warranty service, you must present the proof of purchase documentation, which includes a date of purchase. POWERTEC will either repair or replace any defective part, at our option at no charge to you. The repaired or replacement unit will be covered by the same limited warranty for the balance of one year warranty period.
WHAT IS NOT COVERED
This warranty applies to the original purchaser at retailer and may not be transferred.
This warranty does not cover consumable items such as saw blades, knives, belts, discs, cooling blocks, and sleeves. This warranty does not cover required service and part replacement resulting from normal wear and tear, including accessory wear.
This warranty does not cover any malfunction, failure or defect resulting from:
- misuse, abuse, neglect and mishandling not in accordance with the owner’s manual.
- damage due to accidents, natural disasters, power outage, or power overload.
- commercial or rental use.
- alteration, modification or repair performed by persons not recommended by POWERTEC.
DISCLAIMER
To the extent permitted by applicable law, all implied warranties, including warranties of MERCHANTABILITY or FITNESS FOR A PARTICULAR PURPOSE, are disclaimed. Any implied warranties, that cannot be disclaimed under state law are limited to one year from the date of purchase. Southern Technologies LLC. is not responsible for direct, indirect, incidental or consequential damages. Some states do not allow limitations on how long an implied warranty lasts and/or do not allow the exclusion or limitation of incidental or consequential damages, so the above limitations may not apply to you. This warranty gives you specific legal rights, and you may alsohave other rights which vary from state to state. Southern Technologies LLC., makes no warranties, representations, or promises as to the quality or performance of its power tools other than those specifically stated in this warranty.
Southern Technologies, LLC
Chicago, IL 60606






















