
Users Guide & Installation
Handbook

Belling 60 – 70 – 90cm
Hob Touch
Part No 082757203
Date 11.07.2012
CONTENTS & I NTRODUCTI ON
INTRODUCTION
Thank you for buying this Britishbuilt appliance from us.
This guidebook is designed to help you through each step of owning your new appliance, from installation to use. Please read it carefully before you start using your product, as we have endeavored to answer as many questions as possible, and provide you with as much support as we can.
If, however, you should find something missing, or not covered, please contact our Customer Care team. Their number is located on the back page of this book.
For customers outside the UK and Northern, I reland, please contact your local supplier.
When you dial this number you will hear a recorded message and be given a number of options. This indicates that your call has been accepted and is being held in a queue. Calls are answered in strict rotation as our Customer care representatives become available.
Alternatively, general information, spares, and service information are available from our website. The address is located on the back page of this book.
WARRANTY
Your new appliance comes with our 12-month guarantee, protecting you against electrical and mechanical breakdown. To register your appliance please call 0844 481 0182, complete the registration form included or register online at the web address located on the back page of this book.
For full terms & conditions of the manufacturer’s guarantee, refer to the website on the back of this book.
In addition, you may wish to purchase an extended warranty. A leaflet explaining how to do this is included with your appliance.
Our policy is one of constant development and improvement, therefore we cannot guarantee the strict accuracy of all of our illustrations and specifications – changes may have been made subsequent to publishing.
WARRANTY EXCLUSIONS
Damage or calls resulting from transportation, improper use, or the replacement of removable parts.
Costs incurred for calls to put right an appliance that is improperly installed.
Appliances found to be in use within a commercial environment, plus those which are subject to rental agreements.
Before using the hob
Make sure that you have removed all packaging, wrappings, stickers, and films from the hob surface.
It is recommended that you clean and washes the hob surface before using it for the first time.
Apply a thin coat of ceramic hob cleaner to the hob to help maintain and protect it.
See the customer care section for details of how to obtain all the available cleaning products.
SAFETY
WARNING!
This appliance and its accessible parts may become hot during use. To avoid burns, children less than 8 years of age shall be kept away unless continuously supervised.
This appliance can be used by children aged 8 years and above and persons with reduced physical, sensory or mental capabilities or lack of experience and knowledge if they have been given supervision or instruction concerning the use of the appliance in a safe way and understand the hazards involved. Children shall not play with the appliance. Cleaning and user maintenance shall not be made by children without supervision.
WARNING !- Unattended cooking on a hob with fat or oil can be dangerous and may result in a fire. NEVER try to extinguish a fire with water but switch off the appliance and then cover flame e.g. with a lid or fire blanket.
WARNING! – Metallic objects such as knives, forks, spoons, and lids should not be placed on the hob surface since they can get hot.
WARNING! – Danger of fire: do not store items on the cooking surfaces. Never leave any cooking zone on without a pan covering it. This causes a fire hazard.
WARNING! – If the surface is cracked, switch off the appliance to avoid the possibility of electric shock.
The appliance is not intended to be operated by means of an external timer or separate control system.
General
Servicing should be carried out only by authorized personnel.
Do not spray aerosols in the vicinity of this appliance while it is in operation.
Do not store or use flammable liquids or items in the vicinity of this appliance.
Do not modify this appliance.
- Always ensure that pan bases are dry, stable, and flat before using them on the hob.
- Always match the size of the pan to the cook zone do not use large pans on small zones or vice versa.
- Always position pans over the center of the cooking zone, and turn the handles to a safe position so they cannot be knocked or grabbed.
- Always lift pans onto and off the hob, rather than sliding them across the surface, to avoid marks and scratches.
- This appliance should only be used for normal domestic cooking of food.
- Never use the hob for any other purpose than cooking food.
- Plastic cooking utensils can melt if they come into contact with a warm hob. Never leave them close to, or on top of the hob.
- Never use the hob surface like a chopping board or food preparation area, as this may lead to it becoming damaged.
- Never leave the aluminum foil on the hob top, it reflects heat back into the element which leads to damage.
- Never heat up a sealed tin of food on the hob, as it may explode.
- Never leave pans overhanging the edge of the hob. The surface of the hob is smooth. If pans are knocked they may move on the hob top.
Fire Safety Advice
Most kitchen fires occur when people are distracted or leave things unattended, so remember:
If you’re called away from the hobby of the phone or someone at the door, either take pans off the heat or switch off your hob.
Don’t let yourself be distracted while cooking. If you do have a fire in the kitchen, don’t take any risks – get everyone out of your home and call the Fire Service.
If a pan catches fire:
- Do not move it – it is likely to be extremely hot.
- Turn off the heat if it’s safe to do so – but never lean over a pan to reach the controls.
- If you have a fire blanket or a lid, put it over the pan.
- If you have put the fire out, leave the pan to cool completely.
Deep-fat frying presents more dangers in your kitchen.
- Never fill a pan (or another deep-fat fryer) more than one-third full of oil.
- Do not use a fire extinguisher on a pan of oil – the force of the extinguisher can spread the fire and create a fireball.
If you have an electrical fire in the kit Chen:
- Pull the plug out, or switch off the power at the fuse box – this may be enough to stop the fire immediately
- Smother the fire with a fire blanket.
- Remember: never use water on an electrical or cooking oil fire.
Avoiding damage to the appliance.
The ceramic glass of the hob can be damaged by objects falling onto it. Be especially careful with heavy jars of food being stored in cupboards above the hob, we recommend storing them away from the hob area.
The edge of the glass can be damaged by being knocked by cookware.
Cookware made of cast iron, cast aluminum, or damaged bottoms can scratch the ceramic glass if pushed across the surface.
Objects that melt and things that boil over can burn onto the ceramic glass and should be removed as soon as possible.
To avoid damage to cookware and the ceramic glass, do not allow saucepans or frying pans to boil dry.
Do not use the cooking zones with empty cookware or without cookware in place.
DISPOSAL
Packaging Material
The packaging materials used with this appliance can be recycled.
Please dispose of the packaging materials in the appropriate container at your local waste disposal facilities.
Old Appliances
The Symbol
on the product or on its packaging indicates that this product may not be treated as household waste. Instead, it should be taken to the applicable collection point for the recycling of electrical and electronic equipment.
You will by ensuring the appliance is correctly disposed of help to prevent potential negative consequences for the environment and human health.
For additional details regarding the recycling of this product please contact your local government office, your household waste disposal service, or the retailer where you purchased the product.
USING THE HOB – ELECTRIC (CERAMIC)
Cooking Surface layout

Touch Controls
The touch controls of your hob have been designed to provide you with fingertip control of your hob, providing accurate and repeatable power settings for cooking and an easy clean surface that can be easily wiped over, When a cooking zone is activated the power setting is displayed for each zone individually.
Using The Touch Controls
Use the flat of your finger, not the tip, the controls respond to touch, so you don’t need to apply any pressure. The touch control keys take approximately 1 second to respond to your touch.
Always ensure the touch control area is clean, dry, and free from any objects (e.g. utensils, tea towels, and cloths), spillages, and water may make the controls difficult to operate.
A beeping sound will be activated and will keep on beeping every 10 seconds, to attract your attention, please remove any objects and clean the area as appropriate.
Applying Power To The Hob
Before switching on the power supply to the appliance, switch off any bright lights (Such as a cooker hood) and ensure the appliance is not in direct sunlight.
This is to enable the electronic controls to calibrate its sensitivity against the natural ambient lighting (Approx 30 seconds).
Failure to observe the above will result in the hob not functioning correctly, (Display showing “FL”). To rectify remove all strong lighting sources and re-apply power.
The hob should complete the calibration procedure satisfactorily and light such as cooker hoods can be used normally.
When power is first switched on the hob will always start up with the Key Lock activated.
Key Lock
A Red Led indicates when the key lock is active, to deactivate/ activate, touch the Key Lock key for 1 second.
The key lock is deactivated when the Red LED switches off.
If any of the cook zones are ON, the key lock function locks all the keys except the ON/ OFF key.
If the cook zones are OFF, the key lock function locks all the keys, including the ON/ OFF key.
Note: The Key Lock is automatically activated every time the electricity supply is switched off and back on to the hob.
To avoid unintentional switching on of the appliance, e.g. by small children and pets, we recommend the activation of the key lock f eat ur e.
Central On/ Off key
The central on off-key activates the cooking zone selection keys and enables all of the cooking zones to be switched off simultaneously at a touch of one key.
Sw itching On ( Individual Cook Zone)
- Ensure the Key lock is deactivated.
- Touch the On/ Off Key for 1 second a beep sounds and the cooking zone displays become illuminated.
- Touch the required cook zone key, it will start to flash.
- Whilst flashing adjust the cook zone power level as required by using the Up+ / down- keys.
- Then either touch the cook zone key again to confirm the setting or after 5-10 seconds the hob will auto-set the hob power and will beep and stop flashing.
Note: Quick operation with the power level at 0 touches the down (-) key will take the hob straight to power level 9. - To adjust the power setting follow steps 3-5 above.
- Repeat the above as necessary for the other zones.
Note: During cooking, the elements will cycle on and off. This is normal.
Dual Zone ( If fitted)
Note: The dual-zone is only available on 70cm and 90cm appliances, and is where the inner ring of the heating element can be controlled separately.

- COOK ZONE KEY (INNER ONLY)
- CENTRAL DUAL ZONE KEY (INNER & OUTER)
Note; Generic illustration shown above your appliance may visually di er.
To operate the dual cook zone
- Select the appropriate cook zone and set the power level as per the single-zone
- Whilst the heater display is still flashing press the central dual zone key, a red LED will illuminate next to the cooking zone to indicate it has been activated.
- The power level of the cooking zone will stop flashing and the power level is set.
To de-select the dual cook zone
- Touch the cook zone Key, the power level display will start flashing.
- Whilst the power level display is flashing press the center dual-zone key or return the power level to “0” and the red led will disappear and the inner and out elements will be disconnected. i.e. center element controlled only.
Note: Only the inner ring can be operated on its own, the outer ring can only be operated with the inner ring, match your pan accordingly.
Sw itching Off ( Individual Cook Zone)
- Touch the required cook zone key until the zone display flashes, now either return the power level to 0 by pressing the down(-) key or simultaneously press the down(-) and up (+ ) simultaneously and twill jump straight to the 0 settings.
Residual Heat Indicators ( For Each Cook Zone)
- If the glass surface is hot an “H” will be displayed in the cook zone display until the glass has sufficiently cooled.
Note: ” H” and “0” will flash alternatively if the cooking zone is hot and another cooking zone is in use.
Auto Heat Up
- Select appropriate cook zone and increase to power level 9
- Now press the up (+ ) key again until the Red LED is illuminated next to the cooking zone.
- The power level will still be flashing, so now select the power level you would like (use the heat up timetable for guidance).
- Once set the Red LED is illuminated
- Once the heat up time has elapsed a beep will sound and the Red Led disappears and the heater remains at the reduced level.
| Power Level | Time Min/Sec | |
| Heat-up Time (Approx) | 1 | 01:11 |
| 2 | 02:44 | |
| 3 | 04:47 | |
| 4 | 05:28 | |
| 5 | 06:29 | |
| 6 | 01:11 | |
| 7 | 02:44 | |
| 8 | 02:44 |
Note: During the heat-up time the power level is automatically set at full power until the times detailed above have elapsed.
Cookware
- Cookware made of enameled steel or with aluminum or copper bottoms can leave discolorations on the ceramic glass surface which are difficult or impossible to remove.
- You can recognize good cookware from the bottoms of the pans. The bottom should be as thick and flat as possible.
Timer ( All Cook Zones)
All 4 cooking zones can be operated under the timer independently and at the same time for up to 99 minutes. When the set time expires the timer will beep and the cooking zone will switch off automatically.
To Set The Timer To A Cook Zone
- Set the desired power level to the cooking zone.
- Whilst the cooking zone power level is flashing touch the timer key and the timer will illuminate “00” and two Red LEDs will illuminate the first one will be flashing on the timer to indicate the activated timed cook zone and the second one “00.” I indicate that the time can be adjusted.
- Set the required time using the up(+ ) and down(-) keys.
- To adjust the timer whilst in operation follow steps 2 and 3 above.
Note; Once the time has elapsed, touch the timer key to cancel the alarm. When more than one cook zone is being timed, touch the cook zone key to view the timer.

To cancel the Timer
Either return the time down to zero or switch off the cooking zone.
Safety Shut Down
If the power level is not changed for a long period of time the cooking zone will automatically turn itself off.
The maximum time a cooking zone can stay depends on the power level.
Power Level | Max Time (Hours) |
1 | 10 |
2 | 5 |
3 | 5 |
4 | 4 |
5 | 3 |
6 | 2 |
7 | 2 |
8 | 2 |
9 | 1 |
| Trouble Shooting Guide – Ceramic Touch Control Hobs | ||
| There is no power to the hob | The mains switch is not switched on | Ensure that the switch to the appliance is switched on and also check the fuse/circuit breakers to see if you are experiencing a power failure |
| The hob has turned itself off | The power has been switched off | Check switches and fuses as above |
| The control panel is covered with a cloth or object | Remove any objects and or cloths from the control area | |
| The hob has been switched off accidentally | Switch on the hob again after completing the above steps | |
| Display of F and Letters | If F and letters appear on the display, your unit has detected a fault, follow the required actions in the Error and hob status codes table. | Follow the directions in the Error Codes and Hob Status Codes Section |
| Important Information:- If the appliance has been operated/handled incorrectly, the engineer’s visit will be chargeable, even during the warranty period | ||
ERROR CODES
| Hob Status Codes | Fault Description | Action |
| H | Residual Heater | No-Fault” H” will switch off when glass surface drops below 60°C |
| Appliance Errors & Alarms | Fault Description | Action |
| FO | Touch Control Error | Switch the power off and on, The the system will reset and the hob should now be working correctly |
| FA | Touch Control Error | Switch the power off and on, The the system will reset and the hob should now be working correctly |
| FU | Touch Control Error | Switch the power off and on, The the system will reset and the hob should now be working correctly |
| FJ | Touch Control Error | Switch the power off and on, The the system will reset and the hob should now be working correctly |
| FC | Touch Control Error | Switch the power off and on, The the system will reset and the hob should now be working correctly |
| Fr | Touch Control Error | Switch the power off and on, The the system will reset and the hob should now be working correctly |
| Fc or F | Overheat/Temperature Problems | Allow hob to cool then Switch the power off and on, The system will reset and the hob should now be working correctly |
| FE | Overheat/Temperature Problems | Allow hob to cool then Switch the power off and on, The system will reset and the hob should now be working correctly |
| Ft | Overheat/Temperature Problems | Allow hob to cool then Switch the power off and on, The system will p reset and the hob should now be working correctly |
| FL | Poor Ambient Light Conditions | Switch off lighting in the area, Clean hob surface, Switch the power off and on, The system will reset and the hob should now be working correctly |
| If any of the above problems persist please contact the customer service department for further assistance, | ||
Energy Saving Tips
- Always place cookware in the cooking zone before it is switched on.
- Whenever possible place lids on pans. · Switch off the cook zones before the end of the cooking time, taking advantage
of residual heat. · The bottom of the cookware and the cooking zones should be the same size.
CLEANING
ELECTRIC HOB
Ceramic glass hobs
- It is recommended that you clean and washes the hob surface before using it for the first time. Apply a thin coat of ceramic hob cleaner to the hob to help maintain and protect it.
- The ceramic hob top can be cleaned using a clean, damp cloth or kitchen paper. Do not use a used dishcloth or sponge as they can leave a film of detergent on the surface which can lead to discoloration. Please ensure that the elements are cooled fully to avoid steam burns.
- You can use a specialist ceramic cleaner to restore the surface but use it sparingly to avoid coating the hob top too thickly. Too much cream cleaner will lead to discoloration. Use a dry, clean cloth to polish the surface.
- For stubborn marks, a specialist hob scraper or cleaner can be used.
- Do not use steam cleaners or high-pressure cleaning equipment.
- Regular cleaning will prevent any salts or minerals from accumulating on your hob and discoloring the glass.
- Wipe any spillage as soon as possible.
- Clean the hob top as regularly as possible, this will prevent any build-up of grease which may be a fire hazard.
Notes:
- The edge of the ceramic glass will always appear to be a different color than the top surface due to the ground safety edge.
- Scratches or dark stains on the ceramic glass that cannot be removed do not affect the function of the appliance.
Safety when Cleaning
- For cleaning, the appliance must be switched off and cooled down.
WARNING! Risk of burns from residual heat.
INSTALLATION
General information
Installation should only be carried out by a qualified installer or engineer.
Please keep to the following points most carefully;
Although every care has been taken to ensure this appliance has no burrs or sharp edges, we recommend that you wear protective gloves when installing and moving this appliance. This will prevent injury.
The minimum distances to other appliances and units are to be observed.
Wall surfaces above the work surface and in the immediate vicinity of the cooking hob must be heat resistant.
Laminated surfaces and the adhesive used for fixing them must be heat resistant in order to avoid any damage.
The space for air circulation, located underneath and at the back of the hob improves its reliability by ensuring that it will cool down, efficiently.
I installations should be carried out in line with the National Regulations applicable to this product type.
Note: Avoid installing the appliance next to doors and under windows. This will avoid the potential for hot cookware being knocked off the hob when doors and windows are opened (Risk of burns).
Built-in appliances may only be used after they have been built in to suitable built-in units and surfaces that meet the required standards.
CHOOSING YOUR INSTALLATION
We recommend that you install this appliance in a worktop that is a minimum of 38mm deep.
The hob can be fitted into a worktop less than 38mm deep, but the 25mm gap between the hob base and the appliance must be maintained.
Installation above an oven
Refer to the manufacturer’s instructions for clearances above the oven.
We recommend a 25mm gap between the bottom of the hob and appliance.
Installation above a unit with a drawer or door
The base of the appliance must be protected from damage e.g. draws may only be installed providing a partition panel is fitted to the required dimensions underneath the appliance.
INSTALLATION ABOVE AN OVEN

Clearances and dimension requirements
No shelf or overhang of combustible material should be closer than 650mm above the hob.
There must be a minimum clearance of 50mm between the edges of the hob and any sidewalls; this clearance must be maintained up to 420mm above the worktop.
There must be a minimum clearance of 50mm between the rear edge of the hob and the rear wall. This clearance must be maintained up to 650mm above the worktop.
When installing an extractor hood above the hob, refer to their Manufacturer’s instructions.

Fitting into worktop
Cut a hole in the work surface to the required size. The worktop must be of heat-resistant material or covered with heat-resistant material.
Protecting the cut-out;
The types of chipboard used for work surfaces swell relatively quickly in contact with humidity.
Apply a suitable sealant to the cut edge to protect it from moisture ingress.
This hob can be installed conventionally (glass above the worktop) or recessed into the worktop for a flush fit.
Self-adhesive seal
Apply the self-adhesive seal to the underside edges of the hob glass. For best results, the seal should be adhered along each side in turn, as close to the edge as possible, and trimmed at each corner, taking care to ensure a neat join.
UNDERSIDE OF HOB

Conventional Installation
Refer to the installation bracket advice to determine your installation type. Place the hob in the aperture, checking the hob glass is covering the worktop along all four sides.
Set the front edge of the appliance parallel with the front of the worktop. Locate and attach the securing clamps as required, Tighten the screws so that the hob is pulled down
firmly against the worktop, thus ensuring a good seal.
Recessed Method
Recess the worktop to the appropriate depth (Approx 5mm) and shape to fit the hob (add 1mm to overall glass size). Refer to the installation bracket advice to determine your installation type. Insert the hob into the recess, ensuring that the foam seal is sitting correctly. Locate and attach the securing clamps as required, Tighten the screws so that the hob is pulled down firmly against the worktop, thus ensuring a good seal. You may want to fill any gap between the hob top glass and the worktop surface with silicone sealant.
DO NOT fit silicone sealant under the glass hob instead of the self-adhesive seal.

Installation Bracket Advice
Secure the hob to the worktop by means of the brackets provided, taking the thickness of the worktop into account.
UNDERSIDE OF HOB

Depending on your appliance it will be supplied with one of the following installation packs;
Installation pack 1
4 x “U” shape installation brackets
4 x Spire clips
4 x No8 Screws
The spire clips must be fi tied to the base of the hob prior to fi testing the installation brackets.

Installation pack 2
4 x Cranked installation bracket
4 x Spire clips (70/90cm appliances only)
4 x No8 Screws
Depending on your appliance the cranked bracket may or may not require the spire clips detailed in pack 1. If your appliance is not supplied with spire clips, the installation brackets screw directly into the base of the hob in the ported holes provided.

important;
Do not modify this appliance
CONNECT TO THE ELECTRICITY SUPPLY
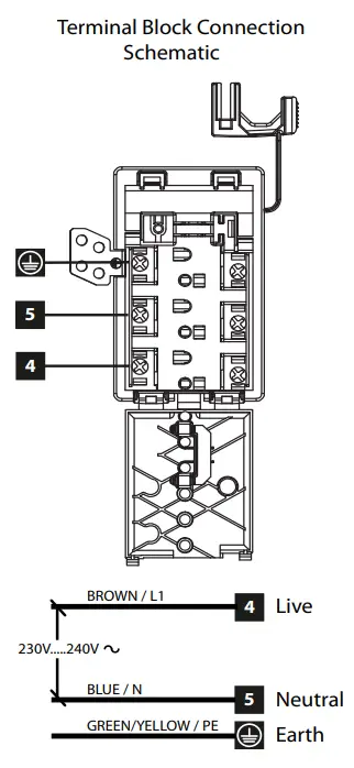
WARNING: This appliance must be earthed. Only connect to the electrical mains terminal with the power switched off. The electrical mains terminal is live.
Follow the terminal block connection schematic
Loose and inappropriate connections can make the terminal overheat.
Ensure the cable clamp is fi fitted correctly and securely.
A device must be provided in the electrical installation which allows the appliance to be disconnected from the mains at all poles with a contact opening of at least 3mm.
We recommend that the appliance is connected by a competent person who is a member of a “Competent Person Scheme” who will comply with the required local regulations.
Connection should be made with a suitable cable.
- Firstly open the terminal block cover using a small fl at bladed screwdriver in the door release tabs shown below

- Remove the cable clamp screw and release the cable clamp retaining arm.
Note;
The cable clamp has a ratchet-type mechanism on the right-hand side of the retaining arm. - Strip the wires & connect to the terminal block as appropriate:-

- Fit the cable clamp & secure with the screw provided.
- Close the terminal box, ensuring that the cover is closed and all screws are tight and in place.
Important: Ensure that you route all mains electrical cables well away from any adjacent heat source, such as the base of the hob oven or grill.
TECHNICAL DATA
SUPPLY: 220 -240V ~ 50Hz 5.04kW – 6.4kW
Refer to the data badge on the underside of your hob for specifi c power rating of your model
CUSTOMER CARE
CUSTOMER CARE WEBSHOP
Having purchased a superior cooker, hob, or hood from us, you’ll naturally want to keep it looking great. And who better to help you care for it than the manufacturer? We offer an extensive range of accessories, components and cleaning products which, will instantly give your cooker a good as new look. In addition to the list of our most popular products below, we also have an exciting range of Bakeware and Cookware essentials including Roasting Pans, Cake Tins, and Non-Stick Cooking Liners.
For all enquires, please visit our Web Shop at www.gdhaonline.co.uk or call the Spares Sales Team on 0844 815 3745. For countries outside the UK, please contact your local service agent.
| Product Description | Where used | Purpose |
| Ceramic Hob Cleaner | All-Ceramic glass hobs including Induction | Enables easier cleaning of your ceramic hob. Prevents the build-up of mineral deposits. Best used with Ceramic Hob Scraper Kit. 300m1 bottle. |
| Ceramic Hob Scraper kit | All-Ceramic glass hobs including Induction | Ideal for removing cooked on marks from ceramic glass hobs Best used with Ceramic Hob Cleaner |
| Sealed Hotplate Conditioner | All sealed/solid plate hobs | Restores the sleek matt black finish to solid hotplates |
| Multipurpose Kitchen Cleaner | General kitchen cleaner | Excellent multipurpose cleaner, For use around the kitchen. 500m1 bottle. |
| Oven Cleaner | All cooking appliances. | Cuts through grease & burnt on grime. 500m1 bottle |
| Restore-A-Cloth | All cooking appliances. | Chemical-free cleaning cloth Ideal for cleaning & polishing glass & stainless steel |
| Stainless Steel Cleaner | All stainless steel parts | Oil-based cleaner. Perfect for removing stub-born & greasy marks. 300m1 bottle. |
| Rectangular carbon filters | Cooker Hoods | New filters, help to maintain efficient cooker hood operation and keep your Kitchen odor free |
| Round Carbon Filters | Cooker Hoods | New filters, help to maintain efficient cooker hood operation and keep your Kitchen odor free |
Please keep this handbook for future reference, or for anyone else who may use the appliance.
CUSTOMER CARE
To contact Belling about your appliance, please call
Warranty Registration
0844 481 0182
to register your appliance
Customer Care Helpline
0844 815 3746
in case of diffi culty within the UK
Model No
Serial No
| Date of purchase | Installed by | Installation Date |
| Place of purchase: | ||
| Date | Part(s) replaced | Engineer’s name |
For customers outside the UK and Northern Ireland, please contact your local supplier.
Glen Dimplex Home Appliances, Stoney Lane, Prescot, Merseyside, L35 2XW


















