
3PT-45-12V-BL 3 Point Sprayer with Boomless Boom
Owner’s Manual
Point Sprayer with Boomless Boom
Model: 3PT-45-12V-BL (5303245) (45 Gallon, 12 Volt, Bolt-Together, 3 Point Sprayer w/Boomless Boom)

General Information
Thank you for purchasing this product. The purpose of this manual is to assist you in operating and maintaining your 3-Point sprayer.
BEFORE RETURNING THIS PRODUCT FOR ANY REASON, PLEASE CALL: 1-800-831-0027
MONDAY-FRIDAY, 8:00 AM TO 5:00 PM CST
If you should have a question or experience a problem withyour Fimco Industries Product: Visit our website: www.fimcoindustries.com or call the Toll free number above. Our technical support representatives will be happy to help you.
In most cases a customer service rep. can resolve the problem over the phone.
To obtain prompt, efficient service, always remember to give the following information.
- Correct Part Description and/or part number
- Model number and Serial Number Part descriptions and numbers can be obtained from the illustrated parts list section(s) of this manual.
Retain a copy of your receipt for your unit, as it will be required to validate any warranty service.
Warranted against manufacturer or workmanship defects from date of purchase with copy of receipt:
Homeowner Usage: Sprayer-One Year and Pump-Two Years.
Commercial Usage: Sprayer and Pump-90 Days.
WARNING: To reduce the risk of injury, the user must read and understand the operator’s manual before using this product.
WARNING: Cancer and Reproductive Harm www.P65Waminqs.ca.qov

IMPORTANT: Occasionally check your strainer screen to ensure it is clean and clear of any debris. Strainer is located on the end of the intake hose, inside of the tank. Use rotective gear when removing hose from tank and cleaning the strainer.

Technical Specifications
- 45 Gal. Corrosion-Resistant Polyethylene Tank
- 12 Volt Diaphragm Pump, 4.5 GPM – 60 PSI
- Deluxe Pistol Grip Handgun
- 25 Ft. Handgun Hose (3/8” I.D.)
- 28 Ft. Vertical throw, 40 Ft. Horizontal Throw
- Bypass (Recirculation) Line
- Bolt-Together Frame
- 30’ Spray Coverage w/Boom
CAUTION: When fully filled with water, this sprayer will weigh approx. 460 Lbs. Always check the vehicle load rating before using this sprayer. Do not exceed the recommended rating.
IMPORTANT
Remove tank lid and be sure the tank is clean and free of any foreign material. Rinse tank out of any tank residue before filling with water to test.
IMPORTANT
It is VERY important for you to test your sprayer with plain water before actual spraying is attempted. This will enable you to check the sprayer for leaks without the possibility of losing any expensive chemicals.
WARNING
Read and Understand the Owner’s Manual before using this sprayer. Test and use in accordance to instructions. Read and Follow chemical label instructions and wear rotective gear when filling, using, cleaning andservicing the sprayer.
Exercise Caution in vehicle handling when towing/hauling a filled sprayer to avoid loss of control or overturning. Keep Sprayer and Spray materials away from other people, children and pets. Do Not Turn on Power to the sprayer, until ready to spray in order to avoid unintentional spray release. Do Not Use on steep slopes. A full sprayer could cause loss of control or overturn sprayer and vehicle. Always operate up and down a slope, never across the face of a slope. Keep all movement on slopes slow and gradual. Do not make sudden changes in speed, directions or turning. Do not start or stop suddenly when going uphill or downhill. Stop on level ground, set the parking brake and shut off engine before leaving the operator’s position for any reason. Keep all parts in good condition and properly installed. Fix damaged or warn parts immediately.
Caution should be taken when towing and/or using any sprayer. This sprayer combined with the weight distribution, turning radius and speed of vehicle can result in damage to vehicle and/or sprayer or severe injury or death, if not used properly.
Improper use of this sprayer or handling of chemicals could result in serious injury or illness, or could cause damage to the environment.
Assembly Instructions
- The sprayer is partially assembled.
- Follow the steps on pages 4, 5 & 6 to properly assemble the sprayer.
- After assembly is complete and before testing your sprayer, make sure you connect the electrical hook-up to the end of your pump and clip the clips to a fully charged battery.
- The drain plug assembly should already be attached to the tank
Contents of your sprayer’s carton

Contents of Parts Bag (#5282432)

| Ref. # | Part # | Description | Qty |
| 1 | 5278114 | Lead Wire w/Fuse (96″ Long) | 1 |
| 2 | 5167007 | Pressure Gauge. 0-100 PSI | 1 |
| 3 | 5133276 | Hose Wrap | 2 |
| 4 | 5095990 | Tank Clamp | 4 |
Contents of Round Boom Parts Bag (#5282443)

| Ref. # | Part # | Description | Qty |
| 1 | 5101294 | Lift Arm Pin – Cat 1 | 2 |
| 2 | 5051114 | Hose Clamp (3/8″-1/2″) | 1 |
| 3 | 5034220 | 5/16-18 x 1.3125 x 1.75 Round U-Bolt | 2 |

| Ref. # | Part # | Description | Qty |
| 1 | 5117234 | #10-24 x 0.50 PH Truss Head Screw | 4 |
| 2 | 5006307 | 5/16-18 Serrated Flng Hex Nut | 8 |
| 3 | 5034634 | 5/16-18 x 0.625 Flng Hex Bolt | 4 |
| 4 | 5117307 | 3/8-16 x 1.00 Flng Hex Bolt | 6 |
| 5 | 5034667 | 3/8-16 x 2.50 Flng Hex Bolt (Full Thread) | 4 |
| 6 | 5006259 | 3/8-16 Serrated Flng Hex Nut | 16 |
| 7 | 5034660 | 3/8-16 x 0.75 Flng Hex Bolt | 6 |

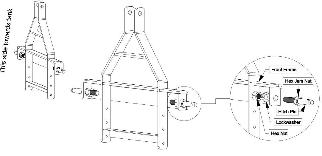
Step 1
Install the lower hitch pins into the bracket lift arm. Place these pins through the holes in the pin plates, slip the lock washers on and thread the nuts onto the pin. Tighten securely.

Step 2
Bolt the frame together as shown. Attach one side plate (side plates are the same) to the front frame weldment using (3) 3/8″-16 x 1″ Flange Whiz Lock Screws and (3) 3/8″-16 Hex Whiz Nuts. Attach back tie plate to side plate using (3) 3/8″-16 x 3/4″ Flange Whiz Lock Screws and (3) 3/8″-16 Hex Whiz Nuts. Repeat procedure for the other side plate. Attach Boom Mounts using (2) 5/16″-18 x 5/8″ Flange Whiz Lock Screws and (2) 5/16″-18 Hex Whiz Nuts.

Step 3
After positioning the tank on the assembled frame, bolt it down to the side members, as shown, with the supplied (4) 3/8”-16 x 2-1/2” Flanged Hex Bolts, (4) Tank Mount Clamps and (4) 3/8”-16 Flanged Hex Nuts.
Assembly Instructions (Cont.):

Step 4
Attach the boom to the boom support brackets with the (2) U-bolts and (4) whiz locknuts. Make sure the u-bolts are positioned within the grooves of the grommets on the boom tube
NOTE: The purpose of these grommets is to prevent metal-to-metal contact between the Ubolts, boom tube and boom mounting brackets. The grommets will ‘compress’ as you tighten the whiz locknuts onto the U-bolts. Tighten just so that the boom tube will NOT rotate within the grommets. Alternate the tightening of the locknuts to provide even pressure on the grommet.
**DO NOT OVER TIGHTEN the whiz locknuts, as this may cause the boom tube to flatten slightly!
Step 5
End Nozzle Assembly Procedure For Boomless “Wet”Boom

Your boom will come with the (2) end nozzle assemblies NOT affixed to your boom tube. Follow the instructions below to attach these properly to the boom tube, as shown.
- First REMOVE O-Ring, Item 2 (#5072517) from the end nozzle body assembly.
- Start by sliding Item 4, 3, 2 onto the boom tube (Item 1) as shown, leaving about 1/2” to 3/4” between the end of the boom tube and Item 2. Make sure the “Long” portion of Item 3 is facing the nozzle end.
- Slide the (complete) end nozzle assembly onto the stainless steel boom tube, with somewhat of a “twisting” motion, so that the end face of the boom tube “butts” up against the surface face inside the nozzle body.
- Now push the “compression olive” (Item 3) against O-ring (Item 2) and slide (both) into the nozzle body opening firmly. 5. Firmly tighten flynut (Item 4) onto threads of nozzle body.

Repeat for other side.
NOTE: If water is shooting back on the boom tube, item 2 is not in the correct placement.
End Nozzle Information (5275122)

** Each “click” of the ratcheting motion is approx. 15° **

For proper/optimal spray coverage, The nozzle must be at a 15° angle
The 15° angle shown will prevent the outer Nozzles from overlapping with the center nozzle.
“On/Off” Valve Positions

Eliminate line pressure, then pull out to check diaphragm condition.
Note: The check valve & diaphragm can fall out during transport, if the knob is not turned to the “ON” or “OFF” position.
Assembly Instructions (Cont.)

Step 6
After your nozzle harness is attached to the boom, attach the boom feeder hose. Place (2) hose clamps loosely onto each end of the hose, loosely. Slip the ends of the hose over the hose barbs on both the manifold and the poly tee fitting on the nozzle harness. Use a twisting motion, if necessary to get the hose fully onto each barb. Bring the hose clamps to the connection point and tighten securely. Thread the pressure gauge into the manifold. Hand tight should be sufficient. Attach hose wraps, as shown. Finally, thread the lid onto the tank.
***The Sprayer should now be ready to Test before actual use***
Operation Instructions
IMPORTANT: Remove tank lid and be sure the tank is clean and free of any foreign material. Rinse tank out of any tank residue before filling with water to test.
Testing the Sprayer
NOTE:
It is VERY important for you to test your sprayer with plain water before actual spraying is attempted. This will enable you to check the sprayer for leaks without the ossibility of losing any expensive chemicals. Important: After any repair work has been done, ALWAYS test for leaks with water before using.
Fill the tank about 1/2 full with plain water and drive to the starting place for spraying.
When you are ready to spray, turn the boom valve to the “on” position (Detail A). This will start solution spraying from the tips of the boom. The pressure will decrease lightly when the boom is spraying. Adjust the pressure by turning the “ON/OFF” valve lever on the bypass (Press Adj) line valve (Detail B). Make sure your pattern is sufficient. You may down-pressure the system by ‘bypassing’ solution back into the tank. This is achieved by opening the bypass (Press Adj) valve. Regulating pressure is done in this manner.
Read the operating instructions and initially begin spraying by closing the ‘Pressure Adjust’ valve and opening the boom line valve (Detail A). This will enable the air in the ine to be eliminated (purged) through all the tips, while building pressure.When everything tests all right (no leaks and good pressure), add the desired chemicals to the mixture and water combination and start your spraying operation. Adjust the pressure and spray as you did in the testing procedure. Conditions of weather and terrain must be considered when setting the sprayer. Do not spray on indy days. Protective clothing must eworn in some cases. Manifold Valves CLOSED


Be sure to read the chemical label(s) before application!
Operation
The pumping system draws solution from the tank, through the strainer and to the pump. The pump forces the solution under pressure to the handgun or boom nozzles. Connect the lead wire to a fully charged 12 volt battery. You may use either a stand -alone battery or the battery on your towing vehicle. Connect to the positive (red) terminal first, then connect to the negative (black) terminal. Then connect the end of the lead wire to the end of the pump. When disconnecting, disconnect the end of the pump wire from the lead wire, then disconnect the negative (black) connection and finally the positive (red) connection. The lead wire has an On/Off switch to activate the pump. “-” is on and “O” is off.
Fill the tank part way with water and then add the desired amount of chemical to be sprayed. Finish filling tank to proper level. Turn the pump on and by depressing the “-” side of the rocker switch. The pump is equipped with a pressure switch that is pre-set at the factory to shut the pump off when all discharges are closed. Only fill the tank with what you’re going to spray in a day, never leave chemicals sit in tank. The pump will turn back on when one of the following actions occurs:
- Handgun lever is squeezed to spray the handgun.
- Boom valve is opened to broadcast spray with the boom.
- Bypass (Press Adj) valve is opened to re-circulate solution back into the tank.
When spraying with either the boom or the handgun, pressure may be reduced by slowly opening the bypass (Press Adj) valve until desired pressure is achieved. Opening the valve decreases pressure, closing the valve increases pressure. When spraying with the boom, the proper method to set the pressure is to open the boom valve completely and if a lower pressure is desired, then slowly open the bypass (Press Adj) valve until that pressure is obtained. For the safest and most efficient chemical application, you will need to calibrate your sprayer using the tip and speed charts. Once you have determined the proper speed and pressure settings, you will need to consult your chemical label for the amount of chemical to be added to the tank. Read the entire label. Use only according to label directions.
Gallons per Acre Based on Water – 17 1/2″ Spacing. Note: The same figures are used for 1, 2, or 3 nozzles
| Pressure (p.s.i.) | Capacity (g.p.m.) (3 nozzles) | 1MPH | 2 MPH | 3 MPH | 4 MPH | 5 MPH | 6 MPH | 8 MPH |
| 20 30 40 | 1.68 2.05 2.40 | 28.0 34.4 39.6 | 14.0 17.2 19.8 | 9.4 11.4 13.2 | 7.0 8.6 9.9 | 5.6 6.9 7.9 | 4.7 5.7 6.6 | 3.5 4.3 5.0 |
Gallons per 1000 Sq. Ft. based on Water – 17 1/2″ SpacingPressure (p.s.i.) Capacity (g.p.m.) (3 nozzles) 1 MPH 2 MPH 3 MPH 4 MPH 5 MPH 6 MPH 8 MPH 20
30
401.68
2.05
2.400.64
0.78
0.900.32
0.39
0.450.21
0.26
0.300.16
0.20
0.230.13
0.16
0.180.11
0.13
0.150.08
0.10
0.12
Gallons per 100 Sq. Ft. based on Water – 17 1/2″ Spacing
| Pressure (p.s.i.) | Capacity (g.p.m.) (3 nozzles) | 1 MPH | 2MPH | 3 MPH | 4 MPH | 5 MPH | 6 MPH | 8 MPH |
| 20 30 40 | 1.68 2.05 2.40 | 0.064 0.078 0.090 | 0.032 0.039 0.045 | 0.021 0.026 0.030 | 0.016 0.020 0.023 | 0.013 0.016 0.018 | 0.011 0.013 0.015 | 0.008 0.010 0.012 |
** The rate of spray as shown in the chart will remain the same with 1, 2 or 3 Nozzles ** The only difference will be with the width of the spray swath.
Using the Boom Nozzles
Four things must be considered before spraying with the boom.
- How much chemical must be mixed in the tank.
- Rate of spray (gallons per acre to be sprayed).
- What pressure (p.s.i.) will be used.
- Speed traveled (mph) while spraying.
• Refer to the chemical label to determine your chemical mixture.
• See the tip chart to determine the pressure to be used. The chart will alsoshow the speed used when spraying.
• Start the pump and open the valve to the boom nozzles.
• Check the spray pattern. Usually you can see the coverage better on a solid concrete surface, such as a driveway.
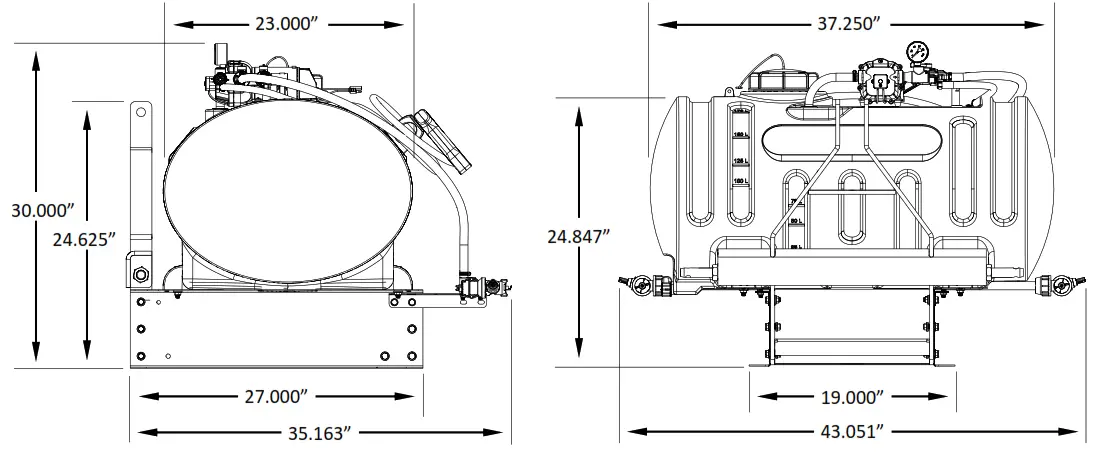
• Approximate height: 33”
Calibration
Chemical labels may show application rates in gallons per acre, gallons per 1000 square feet or gallons per 100 square feet. You will note that the tip chart shows 3 of these rating systems. Once you know how much you are going to spray, then determine (from the tip chart) the spraying pressure (PSI), and the spraying speed (MPH). Determining the proper speed of the pulling vehicle can be done by marking off 100, 200 & 300 feet. The speed chart indicates the number of seconds it takes to travel the distances. Set the throttle and with a running start, travel the distances. Adjust the throttle until you travel the distances in the number of seconds indicated by the speed chart. Once you have reached the throttle setting needed, mark the throttle location so you can stop and go again, returning to the same speed.
Add water and proper amount of chemical to the tank and drive to the starting place for spraying.Speed Chart Time Required in seconds to travel a distance of Speed in M.P.H. (Miles Per Hour) 100 Ft. 200 Ft. 300 Ft. 1.0 68 sec. 136 205 2.0 34 68 102 3.0 23 45 68 4.0 17 34 51 5.0 14 27 41
- The (3) nozzles are fixed at 17-1/2” spacing
- All (3) nozzles spraying at the same time will allow a maximum coverage of 30 feet
- The center nozzle will spray an 80” swath
- Each of the (3) nozzles has a shutoff valve, so you can shut off each nozzle individually. This may help in achieving the actual coverage needed for your application.
Maintenance During/After Spraying
Periodically check the strainer and clean the screen on your intake line. If sprayer becomes clogged during use, discontinue use immediately. DO NOT attempt to service while chemicals are in the sprayer and power is connected. Proper care and maintenance will prolong the life of your sprayer. After use, drain the tank and store or dispose of chemical properly.
Never allow chemical to sit in the sprayer or pump for long periods of time. Fill the sprayer half way with clean water. Start the pump and allow the water to pump through the entire plumbing system and nozzles. Drain and then refill half full, add the recommended amount of a good quality tank cleaner, such as FIMCO Tank Neutralizer and Cleaner. (If no tank cleaner is available, you may substitute dish soap for this step, about 1-2 oz. per gallon). Turn pump on and circulate through system for 15 minutes and then spray out through boom and handgun nozzles. Refill sprayer half way with clean water and repeat. Follow the chemical manu- facturer’s disposal instructions of all wash or rinsing water. If boom or handgun nozzles need cleaning, remove them from the sprayer and soak in warm soapy water. Clean with a soft bristled brush or toothpick if necessary. Never use a metal object. Even the slightest damage can change the flow rate and spray distribution. Water rinse and dry the tips before storing.
WARNING: Some chemicals will damage the pump valves if allowed to soak untreated for a length of time! ALWAYS flush the pump as instructed after each use. DO NOT allow chemicals to sit in the pump for extended times of idleness. Follow the chemical manufacturer’s instructions on disposal of all waste water from the sprayer.
Winter Storage
Page 8 Prepare the sprayer for end-of-season storage by running RV antifreeze through the system. This will keep internal parts lubricated, protect against corrosion and keep the unit from freezing. Note: RV antifreeze is non-toxic and biodegradable and generally safer for the environment than automotive antifreeze. Before storing your sprayer for winter or long term storage, thoroughly clean and drain it as much as possible. Then pour enough pink RV antifreeze into the tank so that when the pump is turned on you can pump the antifreeze throughout the entire plumbing system, including the bypass. Make sure to operate the boom and handgun until you see pink fluid spraying from the nozzles. Leave any remaining antifreeze in the tank. Before your next usage, rinse the antifreeze from the sprayer with clean water.
It is nearly impossible to drain all of the water from the sprayer and any trapped water can freeze in cold weather and damage parts of the sprayer. Pumping antifreeze through the system will displace water and help prevent this damage. Removing from storage: drain the antifreeze. Fill the tank with fresh water and run through the system. Dispose of antifreeze and flush water properly.
Stop WARNING Stop
DO NOT USE PUMP IN AN EXPLOSIVE ENVIRONMENT. DO NOT USE TO PUMP FLAMMABLE/COMBUSTIBLE FLUIDS, GASOLINE, KEROSENE, FUEL, OIL, ETC.
HIGHFLO HIGH PERFORMANCE

Replacement Pump: 5151088

Includes: 1/2″ MNPT Port Kit Fitting #5168832 1/2″ Hose Barb Port Kit Fitting #5168833\
Pump Model: 5281372 4.5 GPM, 60 PSI Available Replacement PartsRef. # Part # Description Qty 1 51510975 GPM Pump Head 1 1. 516427160 PSI Pressure Switch 1 1. 5168824Check Valve w/O-Ring 1 1. 5051162Pump Slide Clips (Pkg/2) 1 1. 50632715. GPM Diaphragm/Piston/Cam/Bearing Kit 1 2 5075019 Grommets (Pkg/4) 1 3 515720615 Amp ‘Mini Blade’ Fuse 1
CAUTION![]()
DO PRESSURE SWITCH OPERATION Pressure switch is pre-set at the factory. Improper adjustment of the pressure switch, may cause severe overload or premature failure. If the pump is subjected to rapid cycling during normal operation, or infrequent periods, damage may occur. DON’T
- Clean and rinse your pump after each use with Fimco Tank Neutralizer
- Use to pump bleach.
- Use to pump petroleum products such as diesel fuel, gasoline or kerosene
- Winterize your pump or sprayer by rinsing, draining and running RV Antifreeze through it before storing for the winter.
- Leave your pump sit with spray mixture in it for extended periods
- Use clean water for your spray mixture
- Use dirty or unfiltered water for spraying
Troubleshooting
| Pump will not run: | Check for loose wiring |
| Make sure the ON/OFF switch is on | |
| Check the fuse | |
| Check for defective pressure switch | |
| Check to see if connected to good 12 Volt Power Source | |
| Check for Low Voltage | |
| Pump Does Not Prime (No Discharge /Motor Running) | Check for clogged strainer/filter |
| Check for kinked inlet/outlet hoses | |
| Check for empty product supply | |
| Check for defective check valve | |
| Check for debris in the check valve assembly | |
| Check for cracks in the pump housing | |
| Check for air leaks in supply line | |
| Low Pressure/ Low Flow: | Check for a clogged strainer |
| Check for proper voltage Try another 12-Volt battery | |
| Check for leaks in the discharge line | |
| Check for restrictions in the discharge line | |
| Check for debris in intake | |
| Check for debris in nozzle orifice | |
| Check for worn or dirty check valve | |
| Pump surges: | Low flow may cause pump to surge |
| Spray Wand is adjusted to small or fine of a spray pattern | |
| Check for defective pressure switch | |
| Check for leaks in the discharge line | |
| Check for debris in nozzle orifice | |
| Discharge hose may be too long | |
| Check for clogged strainer/filter | |
| Check for worn or dirty check valve | |
| Slightly open bypass (if applicable) to overcome | |
| Pressure switch may need to be adjusted 1/4 turn at a time clockwise until surging stops | |
| Pump continues to run: | Check for worn or dirty check valve |
| Check for empty product supply | |
| Check for Low Voltage | |
| Check for leaks in the discharge line | |
| Check for defective pressure switch | |
| System has leaks | |
| Air trapped in outlet line or pump head | |
| Fuse blows: | Excessive voltage |
| Improper adjustment of pressure switch | |
| Damaged or defective wiring harness | |
| Defective pressure switch |
Motor is NOT Running – Checking the Pressure Switch:
If motor is not running and you’ve checked the following: for loose wiring connections, fuse, theswitch on the lead wire was “ON” and sprayer was connected to a fully charged battery, but motowon’t run, then it’s time to check to see if the pressure switch is bad.

- Remove the cover off the 1” square box (pressure switch) on the head of the pump, the cover is held on by one phillips-head screw. This will expose the two red wires.
- With the pump connected to a good 12 volt power source and everything on.
- Slip the two red wires off the terminals and touch them together.

♦ If the motor runs, it means the pressure switch is bad and needs to be replaced.
♦ If motor still doesn’t run, try bypassing the switch in the lead wire or using another lead wire. Even if a tester shows power to the pressure switch, still try this test.
Warning: It is NOT recommended to run the pump this way, as the pump will continue to run and not shut off.
This could result in blown hoses when all discharges are closed or premature failure of the pump completely.
Motor Running-No Pressure – – Cleaning the Check Valve:
If you’re experiencing little to no pressure or the pump is not priming and filter screen is clean and plumbing is good with no leaks, you may need to clean the check valve.

- Remove the head of the pump, which is held on by 7 screws.
- The first piece inside the head of the pump is called a check valve, it’s the part responsible for building up pressure and pumping water/solution through the lines.
- Clean the check valve under hot, soapy water (such as a good grade dish soap).
- Give it a very light scrubbing with something like an old toothbrush, something with soft bristles.
- Then let it soak for about an hour or so in the hot soapy solution and replace in the pump and reassemble the pump. Most times this will restore most, if not all of the prime of a pump. If you’re still having issues with pressure after this step, it would be recommended to replace this part.
Sprayer and Pump FAQs:
– This is an on-demand pump and only runs when a discharge is open (spray gun, bypass, boom (if applicable) or a leak is in the system.
– Low flow/high pressure may cause the pump to surge (or cycle). Typically the spray wand is adjusted at too fine of a mist, to overcome, adjust the nozzle for a higher flow.
– Pressure can only be adjusted by opening the pressure adjust (bypass) valve to allow some of your water or solution to return to the tank (if equipped).
– Squeeze trigger on spray gun to ensure that the system isn’t just pressurized up with discharges closed. Check electrical connections, ensure switch is on. Check fuses. Check for proper voltage. Check pressure switch.
– Check for a clogged or kinked intake hose and/or clogged intake strainer. Check for proper voltage. You will need to occasionally check your intake strainer to ensure that it is clean of any debris.
– Check for excessive voltage. Improper adjustment of the pressure switch. Damaged or defective wire harness or defective pressure switch.
Warning:
Ensure the wiring harness does not become pinched or damaged in any way. This may damage the pump or cause the wiring harness to overheat, resulting in a melt down or fire.
Exploded View/Parts List: 3PT-45-12V-BL (5303245)

NOTE: Bolt frame together as shown, with the proper hardware. See Assembly Instructions earlier in this manual.
| Ref. # | Part # | Description | Qty |
| 1 | 5169360 | 45 Gallon Elliptical Tank | 1 |
| 2 | 5058188 | Tank Lid w/Lanyard | 1 |
| 3 | 5274373 | Drain Plug Assembly | 1 |
| 4 | 5116477 | 1/2″ Hose Barb Suction Strainer | 1 |
| 5 | 5020307 | Hose, 1/2″-1 Brd. x 23″ | 1 |
| 6 | 5051114 | Hose Clamp (3/8″-1/2″) | 3 |
| 7 | 5075016 | Rubber Grommet | 1 |
| 8 | 5168833 | Port Kit Fitting, 1/2″ Hose Barb | 1 |
| 9 | 5281372 | 4.5 GPM, 60 PSI Pump | 1 |
| 10 | 5117168 | #10-24 x 1.00 PH Truss Head Screw | 3 |
| 11 | 5281541 | Quick Connect Manifold Assembly | 1 |
| 11. | 5302347 | Quick Connect Manifold (Main Body) | 1 |
| 11.1.1 | 5072514 | 0-Ring – Pump Port Connection | 1 |
| 11. | 5143430 | Flat Washer – Hose Barb Seal | 3 |
| 11. | 5143431 | QC Manifold – 3/8″ Hose Straight Barb | 2 |
| 11. | 5143432 | QC Manifold – 1/2″ Hose Straight Barb | 1 |
| 12. | 5143429 | Quick Connect Quarter Turn Cap | 3 |
| 12 | 5143422 | QC Manifold – Support Bracket | 1 |
| 13 | 5117338 | #10-24 x 1.50 PH Truss Head Screw | 1 |
| 14 | 5167007 | Pressure Gauge, 0-100 PSI | 1 |
| 15 | 5100961 | Formed Bypass Tube | 1 |
| 16 | 5051144 | Hose Clamp (3/8″) | 3 |
| 17 | 5075018 | Grommet | 1 |
| 18 | 5020527 | Hose, 3/8″-1 Brd. x 25 Ft. | 1 |
| 19 | 5051122 | 5/8″ Black Nylon Loom Cable Clamp | 1 |
| 20 | 5117234 | #10-24 x 0.50 PH Truss Head Screw | 5 |
| 21 | 5273959 | Deluxe Pistol-Grip Handgun w/X-26 Tip | 1 |
| 21. | 5018331 | Brass Handgun Tip (X-26) | 1 |
| 22 | 5133276 | Hose Wrap | 2 |
| 23 | 5020506 | Hose, 1/2″-1 Brd. x 42″ | 1 |
| 24 | 5034667 | 3/8-16 x 2.50 Flng Hex Bolt (Full Thread) | 4 |
| 25 | 5095990 | Tank Clamp | 4 |
| 26 | 5006259 | 3/8-16 Serrated Flng Hex Nut | 16 |
| 27 | 5282431 | 45G 3PT Welded Front Frame | 1 |
| 28 | 5101294 | Lift Arm Pin – Cat 1 | 2 |
| 29 | 5070177 | Bolt Together 3PT Side | 2 |
| 30 | 5117307 | 3/8-16 x 1.00 Flng Hex Bolt | 6 |
| 31 | 5070178 | Back Plate | 1 |
| 32 | 5034660 | 3/8-16 x 0.75 Flng Hex Bolt | 6 |
| 33 | 5095993 | Boom Mount | 2 |
| 34 | 5034634 | 5/16-18 x 0.625 Flng Hex Bolt | 4 |
| 35 | 5006307 | 5/16-18 Serrated Flng Hex Nut | 8 |
| 36 | 5275260 | Wet Boom Assembly | 1 |
| 37 | 5034220 | 5/16-18 x 1.3125 x 1.75 Round U-Bolt | 2 |
| 38 | 5278114 | Lead Wire Assembly w/Fuse (96″ Long) | 1 |
| 38. | 5157238 | 15 Amp Regular Blade Fuse | 1 |
Boomless “Wet” Boom Assembly Exploded View/Parts List (5275260)

| Ref. # | Part # | Description | Qty |
| 36 | 5275260 | “Wet Boom” Assembly | 1 |
| 36. | 5275712 | Wet Boom Sub-Assembly | 1 |
| 36.1.1 | 5100316 | Boom Tube | 1 |
| 36.1.2 | 5275123 | Center Nozzle Assy (Wet Boom) | 1 |
| 36.1.2.1 | 5274862 | Center Nozzle Cap w/Gasket | 1 |
| 36.1.2.2 | 5018329 | Center Spray Tip | 1 |
| 36.1.2.3 | 5088024 | Valve (On/Off) Knob w/Diaphragm | 1 |
| 36.1.2.3.1 | 5063255 | Diaphragm | 1 |
| 36.1.3 | 5075016 | Rubber Grommet | 2 |
| 36. | 5275122 | End Nozzle Assy (Wet Boom) | 2 |
| 36.2.1 | 5274861 | XT Spray Nozzle, Cap, & 0-Ring | 1 |
| 36.2.2 | 5088024 | Valve (On/Off) Knob w/Diaphragm | 1 |
| 36.2.2.1 | 5063255 | Diaphragm | 1 |
Dimensions

Warranty
LIMITED WARRANTY FOR NEW FIMCO, IND. EQUIPMENT
WHO MAY USE THIS LIMITED WARRANTY. This limited warranty (the “Limited Warranty”) is provided by Fimco, Ind. to the original purchaser (“you”) of the Equipment (as defined below) from Fimco, Ind. or one of Fimco, Ind.’s authorized dealers. This Limited Warranty does not apply to any subsequent owner or other transferee of the Equipment. THIS LIMITED WARRANTY GIVES YOU SPECIFIC LEGAL RIGHTS, AND YOU MAY ALSO HAVE OTHER RIGHTS WHICH VARY FROM STATE TO STATE.
WHAT THIS LIMITED WARRANTY COVERS AND FOR HOW LONG. Fimco, Ind. warrants that any new Equipment will be free from defects in material and workmanship for a period of one (1) year for sprayer and two (2) years for High-Flo High Performance pump (homeowner), 90 days for sprayer and pump (commercial user), after delivery of the Equipment to you (the “Warranty Period”). The Warranty Period is not extended if Fimco, Ind. repairs or replaces the Equipment.
WHAT IS NOT COVERED BY THIS LIMITED WARRANTY. This Limited Warranty does not apply to: (1) used Equipment; (2) any Equipment that has been altered, changed, repaired or treated since its delivery to you, other than by Fimco, Ind. or its authorized dealers; (3) damage or depreciation due to normal wear and tear; (4) defects or damage due to failure to follow Fimco, Ind.’s operator’s manual, specifications or other written instructions, or improper storage, operation, maintenance, application or installation of parts; (5) defects or damage due to misuse, accident or neglect, “acts of God” or other events beyond Fimco, Ind.’s reasonable control; (6) accessories, attachments, tools or parts that were not manufactured by Fimco, Ind., whether or not sold or operated with the Equipment; or (7) rubber parts, such as tires, hoses and grommets.
HOW TO OBTAIN WARRANTY SERVICE. To obtain warranty service under this Limited Warranty, you must (1) provide written notice to Fimco, Ind. of the defect during the Warranty Period and within thirty (30) days after the defect becomes apparent or the repair becomes necessary, at the following address: Fimco, Ind., 1000 Fimco Lane, North Sioux City, SD 57049; and (2) make the Equipment available to Fimco, Ind. or an authorized dealer within a reasonable period of time. For more information about this Limited Warranty, please call: 800-831-0027.
WHAT REMEDIES ARE AVAILABLE UNDER THIS LIMITED WARRANTY. If the conditions set forth above are fulfilled and the Equipment or any part thereof is found to be defective, Fimco, Ind. shall, at its own cost, and at its option, either repair or replace the defective Equipment or part. Fimco, Ind. will pay for shipping and handling fees to return the repaired or replacement Equipment or part to you.
LIMITATION OF IMPLIED WARRANTIES AND OTHER REMEDIES. THE REMEDIES DESCRIBED ABOVE ARE YOUR SOLE AND EXCLUSIVE REMEDIES, AND FIMCO, IND.’S SOLE LIABILITY, FOR ANY BREACH OF THIS LIMITED WARRANTY. TO THE EXTENT APPLICABLE, ANY IMPLIED WARRANTIES, INCLUDING, WITHOUT LIMITATION, THE IMPLIED WARRANTIES OF MERCHANTABILITY AND FITNESS FOR A PARTICULAR PURPOSE, SHALL BE LIMITED IN DURATION TO THE WARRANTY PERIOD, AND THE REMEDIES AVAILABLE FOR BREACH THEREOF SHALL BE LIMITED TO THE REMEDIES AVAILABLE UNDER THIS EXPRESS LIMITED WARRANTY. SOME STATES DO NOT ALLOW LIMITATIONS ON HOW LONG AN IMPLIED WARRANTY LASTS, SO THE ABOVE LIMITATION MAY NOT APPLY TO YOU. IN NO EVENT SHALL FIMCO, IND.’S LIABILITY UNDER THIS LIMITED WARRANTY EXCEED THE ACTUAL AMOUNT PAID BY YOU FOR THE DEFECTIVE EQUIPMENT, NOR SHALL FIMCO, IND. BE LIABLE, UNDER ANY CIRCUMSTANCES, FOR ANY CONSEQUENTIAL, INCIDENTAL, SPECIAL OR PUNITIVE DAMAGES OR LOSSES, WHETHER DIRECT OR INDIRECT. SOME STATES DO NOT ALLOW THE EXCLUSION OR LIMITATION OF INCIDENTAL OR CONSEQUENTIAL DAMAGES, SO THE ABOVE LIMITATION OR EXCLUSION MAY NOT APPLY TO YOU.

www.fimcoindustries.com
1000 FIMCO Lane, P.O. Box 1700, North Sioux City, SD 57049
Toll Free Phone: 800-831-0027
Toll Free Fax: 800-494-0440
5195633

















