

S311AK Analogue Panel Indicator with 4-Digit Display
Installation Guide
MI00173-6-EN
MODULE LAYOUT
Weight: 100 g;
Enclosure: UL94-V0 self-extinguishing PC/ABS material, black.
DRILLING TEMPLATE

PRELIMINARY WARNINGS
The word WARNING preceded by the symbol
indicates conditions or actions that put the user’s safety at risk.
The word CAUTION preceded by the symbol
indicates conditions or actions that might damage the instrument or the connected equipment. The warranty shall become null and void in the event of improper use or tampering with the module or devices supplied by the manufacturer as necessary for its correct operation, and if the instructions contained in this manual are not followed.
| WARNING: The full content of this manual must be read before any operation. The module must only be used by qualified electricians. Specific documentation is available using the QR-CODE shown on page 1. | |
| The module must be repaired and damaged parts replaced by the Manufacturer. The product is sensitive to electrostatic discharges. Take appropriate measures during any operation. | |
| Electrical and electronic waste disposal (applicable in the European Union and other countries with recycling). The symbol on the product or its packaging shows the product must be surrendered to a collection center authorized to recycle electrical and electronic waste. |
TECHNICAL SPECIFICATIONS
| STANDARDS | EN61000-6-4 Electromagnetic emissions, industrial environment. EN61000-6-2 Electromagnetic immunity, industrial environment. EN60950 Safety |
| INSULATION | ![]() |
| POWER SUPPLY | Voltage: 10 = 40 Vac, 19 ÷ 28 Vdc; max. absorption 0.9 W |
| ENVIRONMENTAL CONDITIONS | Temperature: -10°C ÷ +65°C Humidity: 30% ÷ 90% non condensing. Storage temperature: -30°C = + 85°C Altitude: up to 2000 m above sea level |
| ERRORS | REFERRING TO THE MEASUREMENT RANGE FOR INPUT VOLTAGES AND CURRENTS |
| SOLUTION | 16 bit 40000 points max |
| ACCURACY | 0.05% |
| THERMAL COEFFICIENT | 0’005 %°K |
| LINEARITY ERROR | 0.05% |
| SENSOR POWER SUPPLY | 16V (Max 25mA) |
| CONNECTIONS | 2-way removable screw terminals, 5.08 mm pitch (Supply) 3-way removable screw terminals, 5.08 mm pitch (Inputs) |
INSTALLATION REGULATIONS
The module is designed to be panel-mounted. For optimal operation and duration, ensure adequate ventilation.
Avoid mounting modules over heat-generating equipment.
The modification is done digit by digit. The digit to be modified flashes: in the figure, this digit is larger than the others.
The example diagram below refers to 4-digit indicators.
| Increases the value of the figure by one unit. | |
| Decreases the value of the digit by one unit. | |
![]() | Confirms the value of the digit and moves to the next one. If the last digit: confirms the value of the digit and subsequent pressing returns to the parameter just set. |
N.B.: Negative values:
The last digit allows entering even the “-” or the value “-1”.
CAUTION
THE VALUES OF THE PARAMETERS ENTERED OUTSIDE THE RANGE ARE AUTOMATICALLY RESET WITHIN THE RANGE AND THEN DISPLAYED.
Example:
If parameter
is set with a value of 40.0 this will be automatically set to the maximum value which is 20.00.
The same applies to negative values.
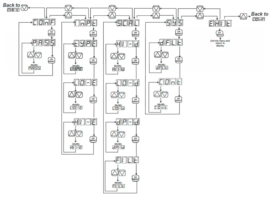
PARAMETER CONFIGURATION EXAMPLE
You want to set the instrument to display a 0 ÷ 10 V voltage input with an activated filter:
Access the menu by pressing DOWN + MENU / OK for 3 seconds until the
menu appears;
Press the OK/MENU button and access the
sub-menu and set:
Press the OK/MENU button and access the
sub-menu and set:![]()
ELECTRICAL CONNECTIONS
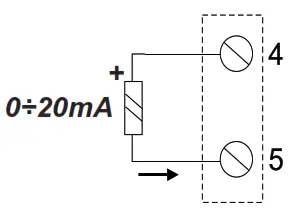
| POWER SUPPLY | CURRENT INPUT | VOLTAGE INPUT |
![]() | With an external power supply from the sensor | ![]() With an external power supply from the sensor |
![]() With the power supply supplied by the instrument | With the power supply supplied by the instrument |
ERROR TYPE
| A)The value to be displayed is 3% higher than the B)The value to be displayed is higher than | |
| A)The value to be displayed is 3% higher than the B)The value to be displayed is higher than | |
![]() | Quick transition from |
| PARAMETER | FUNCTION | ![]() | Default value |
![]() | Password enabling for menu access | By setting a value other than 5477, the password will be requested to access the menu (always 5477) | 5477: Password disabled. |
| PARAMETER | FUNCTION | Default value | |
| Input type | 1= Current 0= Voltage | ||
| Electrical Scale Start | Start of scale in volts (voltage input) or in mA (current input). It also defines the value of the input quantity associated with the the minimum value is shown on the display (LO-d). Minimum settable value 0 (current input), -10.00 (voltage input), maximum value 20.00 (current input), 10.00 (voltage input). | (mA) | |
| Electrical full scale | Full scale in volts (voltage input) or in mA (current input). It also defines the value of the input quantity associated with the maximum value shown on the display (HI-d). Minimum settable value 0 (current input), -10.00 (voltage input), maximum value 20.00 (current input), 10.00 (voltage input). | (mA) | |
| PARAMETER | FUNCTION | Default value | |
| Display full scale | Integer values between a minimum of -1999 and a maximum of 9999 | ||
| Start of the display scale | Integer values between a minimum of -1999 and a maximum of 9999 | ||
| Position of decimal point | 0= No decimal point 1= Decimal point on the 1 st digit 000.0 2= Decimal point on the 2 nd digit 00.00 etc. | No decimal point | |
![]() | Filter level | 0= No filter 1….5 = Filter activated with level 1 … 5 | |
| PARAMETER | FUNCTION | Default value | |
| Default settings | 1 = Overwrites the set parameters with the default values and exits the menu | ||
| Contrast | 0…3= Adjusts the display contrast. | ||
| PARAMETER | FUNCTION | Default value | |
| Menu exit | By confirming with OK \ MENU, all the set parameters are saved on the flash memory. The module can be used immediately with the new settings without the need for a reboot. |
CONTACT INFORMATION
| Technical support | [email protected] | Product information | [email protected] |
This document is the property of SENECA srl. Copies and reproduction are prohibited unless authorized.
The content of this document corresponds to the described products and technologies.
Stated data may be modified or supplemented for technical and/or sales purposes.

ACCESS TO THE PROGRAMMING MENU
Press the two buttons simultaneously for a few seconds
www.seneca.it/products/s311ak-4-l
SENECA s.r.l.
Via Austria, 26 – 35127 – PADOVA – ITALY
Tel. +39.049.8705355 – 8705359 – Fax +39.049.8706287
For manuals in other languages and the configuration software,
visit www.seneca.it/products/s311ak-4-l



With an external power supply from the sensor

With the power supply supplied by the instrument






















