Contents hide
EATON FAA L-862 High Intensity Runway Light Quartz (Hrlq)

REVISIONS
| REVISION NUMBER | ISSUE/REISSU E LTR NUMBER | DESCRIPTION | CHKD | APPROVED |
| F | REVISED EXTENSIVELY, SEE RECORD COPIES.. | 12/05/96 EFL | JMM | |
| G | A96-407/408 | ADDED NOTE 2 WHICH LISTS THE P/N’S THIS FIXTURE COULD LEVEL & ALIGN LOCATING DEVICE WAS 2.159 DIA HOLES ADDED LEVELING DEVICE P/N 40999 TO PAGE 1 OF INSTALLATION INSTRUCTIONS. | 01/10/97 EFL | JMM |
| H | A97-091 | CHANGED FRANGIBLE COUPLINGS ON UNITS NON 14” STD. IN HEIGHT CREATED NEW DRAWING FOR UPPER SECTION OF SUPPORT COLUMN DELETED 40994 IN FAVOR OF 40878 TO ELIMINATE REDUNDANCY AND ADDED THE -12P VERSION. | 02/19/97 EFL | |
| J | A97-365 | P/N ITEM 26 WAS 10047-2233 ADDED ITEMS 48 & 49 | 06/27/97 EFL | KWF |
| K | A99-052 | ADDED ITEM 43 TO SHEET 4; ADDED ITEM 3 & 4 TO VIEW IN DIRECTION A ON SHEET 5; ADDED NOTE ON OPTICAL SUB-ASSY TO SHEET 6; ADDED PICTORAL PLUG TO SHEETS 6 & 7; ITEM 10 WAS 40988; ITEM 12 WAS 10A07- 016D16, #8-32 X 1/2 LG.; ITEM 27, 40995-7 & -8 WERE -5 & -6 ON SHEET 9; ON SHEET 9, ITEM 47 WAS QTY 1 | 3/19/99 | KWF |
| L | A99-199 | REVISED PICTURE OF VIEW IN DIRECTION A (SHEET 5) TO AGREE WITH LATEST MANUFACTURING PRACTICE. | 11/8/99 DCW | BAC |
| M | A203-127 | SHEET 8, ITEM 16 WAS 40971 | 5/14/03 | GFR |
| N | A203-151 | REVISED FIGURES ON SHEETS 4 THRU 7 TO AGREE WITH LATEST MANUFACTURING | 6/18/03 | GFR |
| P | A206-296 | REVISED COPYRIGHT ON TITLE PAGE; REVISED ITEM 5 PICTORIAL ON PAGE 7 | 8/24/06 | PG |
| R | A212-111 | Page 4, added locking pin installation view; title page, updated copyright | 4/25/12 | PG |
| S | A212-303 | Deleted section 1.1, Installation of Std Ht (14”) Light Fixtures; 1.2.3, deleted locknut (20) or (21); page 4, revised pictorial to delete 1 piece 14” Std Ht column/coupling; Parts List, deleted item 1, P/N 40938-1, qty 1, item 2, P/N 40938-2, qty 1, item 20, 40718, qty1, item 21, 10047-589, qty 1 & added item 30 P/N 40878-2P | 8/28/12 | PG |
| T | A219-256 | Revised format & warranty extensively; Revised part number ordering data for coupling & lamp wattage; Revised section 1.2.3 & 1.3.2; Deleted P/N 20058 & 10047-2138 from item no. 26 & 40995-2 from item no. 27 from part list. | 12/6/19 | PG |
| U | Page 1, deleted Coupling 1 = 1-11 ½ UNF, APP T = Threshold, Lamp Wattage 200 = 200W Bi-Pin, 201 = 200W PK-30d, 101 = 100W PK-30d, 122 = 115W DCR, 202 = 200W DCR, Color/Color B – Blue, G – Green, X = Opaque/Blank | 1/19/2022 | PG |
LIMITED PRODUCT WARRANTY
REFER TO EATON’S CROUSE-HINDS AIRPORT LIGHTING PRODUCTS TERMS AND CONDITIONS PER PRODUCT SPECIFIC WARRANTY INFORMATION.
PART NUMBER ORDERING DATA
HIGH INTENSITY RUNWAY LIGHT/QUARTZ (HRLQ) FAA L-862 
INSTALLATION
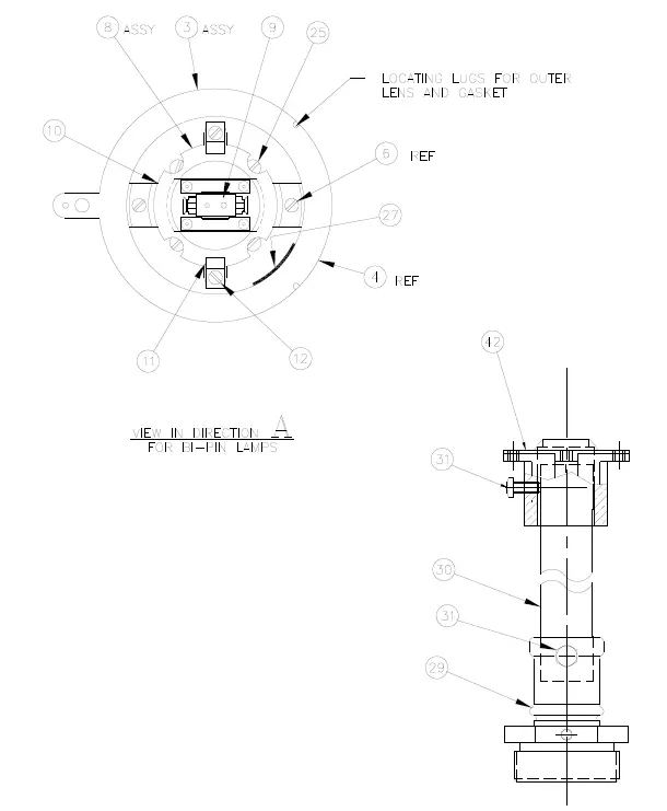
Installation of Light Fixtures
- Slide extension (30) over wire assembly (7), (33), or (47) and into top of base (28) or (29). Slide frangible base (28) or (29) over wire assembly (7), (33) or (47) and onto extension (30).
- Make connection of wire assembly with L-823 plug (7), (33) or (47) into socket.
- Turn frangible base (28) or (29) into base plate or stake mount and tighten.
- With extension (30) bottomed in frangible base (28) or (29) and in a vertical position, tighten lower screw (31).
- Turn optical sub-assembly (3), (32) or (43) until arrow on top of outer lens is pointed towards Runway Centerline and tighten upper screw.
Leveling & Aligning Light Fixtures
- Prior to leveling, lock pin, clamp band, outer lens and gasket must be removed.
- Leveling is achieved by adjusting appropriate screws (25) to maintain optical sub-assembly in a level position. Leveling and aligning may be expedited with the aid of device Crouse-Hinds P/N 40999.
Installing Lamp
- Insert lamp (26) into lamp holder assembly (8) or (34).
- For DCR lamps, loosen the two screws (6) holding the lamp holder sub-assembly (44- sheet 7) and remove. Insert the DCR from the underside of this assembly. Attach the socket assembly (45) to the lamp socket and re-assemble. It should be noted that installation of the DCR lamps does not require removal of the inner dome assembly (14).
- If lamp glass is handled during installation, clean lamp with alcohol and dry with
clean soft cloth prior to operating. Contamination of the quartz may result in reduced lamp performance.
Installing Inner Dome Assembly
- To replace lamp, remove lock pin (22), clamp ring (23) and outer lens (19).
- Loosen the two screws (6) holding the DCR lamp holder sub-assembly (44) and remove the entire sub-assembly including the inner dome (14). It is not necessary to remove the inner dome (14) from the lamp holder sub-assembly (44).
- Remove the Socket Assembly (45) from the lamp base. Remove the lamp (26) from the lamp holder sub-assembly, replace and re-assemble parts.
Re-Lamping (Bi-Pin and PK30d)
- To replace lamp, remove lockpin (22), clamp ring (23) and outer lens (19).
- Remove inner dome assemble (14) by loosening screws (12) holding spring clips.
- Replace lamp (26) and reassemble parts.
Re-Lamping (DCR)
- To replace DCR lamp, remove lockpin (22), clamp ring (23) and outer lens (19).
- Loosen the two screws (6) holding the DCR lamp holder sub-assembly (44) and
remove the entire sub-assembly including the inner dome (14). It is not necessary to remove the inner dome (14) from the lamp holder sub-assembly (44). - Remove the socket assembly (45) from the lamp base. Remove the lamp (26) from the lamp holder sub-assembly (44), replace and re-assemble parts.
Parts
























