LENNOX 613930-01 Cold Weather Kit

INSTALLATION INSTRUCTIONS FOR COLD WEATHER KIT
USED ON LG/KG 092-300 GAS PACKAGED UNITS
WARNING
Improper installation, adjustment, alteration, service or maintenance can cause property damage, personal injury or loss of life. Installation and service must be performed by a licensed professional HVAC installer or equivalent, service agency, or the gas supplier
Shipping and Packing List
13X63, 13X64, 13X65, 22A51, 22A55 Package 1 of 1 contains:
1- Heater assembly
4- Wire harnesses (2 in 13X63 & 13X64) Bag assembly containing:
1- Relay
9-#8 Screws
1-Wire tie
22H58, 22H59, 22V43 Package 1 of 1 contains:
2- Heater assemblies
5- Wire harnesses
1- 106051-01 (LGH units)
1- 604785-01 (KG Units- std. SCCR)
2- 106128 HR6 power harnesses (KG)
1-105722-01 (LGH units – higher SCCR) 1-106648 (LGM units)
Bag assembly containing:
2-Relays
18-Thread forming screws
24-Wire ties
CAUTION
As with any mechanical equipment, contact with sharp sheet metal edges can result in personal injury. Take care while handling this equipment and wear gloves and protective clothing.
Application
The cold weather kit heats the gas heat compartment to allow gas valve operation during low outdoor temperatures. See table 1 for usage.
TABLE 1
| Unit | Unit Voltage | Part No. | Cat. No. |
| LGH/KG 092-152 | Y | 613930-01 | 13X63 |
| LGH/KG 092-152 | G, M | 613930-02 | 13X64 |
| LG/KG 092-152 | J | 613930-03 | 13X65 |
| LGM 092-152 | Y | 613930-07 | 22A51 |
| LGM 092-152 | G, M | 613930-08 | 22A55 |
| LG/KG 156-300(S) | Y | 613930-10 | 22H58 |
| LG/KG 156-300(S) | G, M | 613930-11 | 22H59 |
| LG/KG 156-300(S) | J | 613930-12 | 22V43 |
Installation – LGH092-150 Units
- Disconnect all power to unit and open heat access panel.
- Locate the kit harness labeled 604954-01 kit harness. Remove cold weather kit cover and connect wires labeled HR6 to the cold weather assembly. See figure 1. Replace cold weather kit cover. Discard harness labeled 604956-01 provided in kit
- Install heater assembly in heat section as shown in figure 2. Use existing screws.
- Route the remaining harness wires as shown in figure 2. Make wire connections as shown in figure 1.
- Open control access panel and install K125 as shown in figure 3. Secure with #8 screws provided in kit.
- Locate existing wires in control box and connect to K125 as shown in figure 3 for standard SCCR units and figure 4 for high SCCR units.



Installation – KG 092-150 Units
- Disconnect all power to unit and open heat access panel.
- Remove six screws that are holding the unit top to the compressor area corner mullion.
- Locate the kit harness labeled 604956-01 and identify six wires labeled K1-L1, K1-L2, K125-4, K125-7, K125-A, and K125-B. Route the six wires from the heat section through the side grommet to the control box. See figure 6. Discard harness labeled 604954-01 provided in kit
- Remove cold weather kit cover and connect wires labeled HR6 to the cold weather assembly. See figure 7. Replace cold weather kit cover.
- Install heater assembly in heat section as shown in figure 2. Use existing screws.
- Open control access panel and install K125 as shown in figure 3. Secure with #8 screws provided in kit.
- Make wire connections in the control box as shown in figure 5 and in the heat section as shown in figure 7.
- Replace top panel and secure in place.


Installation – LGM 092-150
- Disconnect all power to unit and open heat access panel. See figure 8.
- Discard harnesses labeled 604954-01 and 604956-01. Locate the kit power harness which has two 2-pin connectors labeled J/P228.
- Remove strip heater junction box cover. Route two power harness wires labeled HR6 through the junction box side grommet and connect to the strip heater terminals. See figure 9. Replace junction box cover.
- Install heater assembly in heat section as shown in figure 10. Use existing screws.
- Remove ignition control cover and install K125 as shown in figure 10. Secure with #8 screws provided in kit.
- Disconnect unit J/P425 connectors. See figure 10. Connect power harness J/P228 to J/P425. See figure 11.
- Route remaining power harness wires labeled K125-4, -6, -7, -9 through the grommets in the bottom of the ignition control box. Connect to appropriate terminals.
- Locate kit control harness that has a 6-pin, 4-wire connector labeled P229. Connect P229 to J229 cold weather kit harness. See figure 12.
- Route the other end of the P229 harness to the heat section and make wire connections. See figure 13.





Installation – LGH156-300 Units
- Disconnect all power to unit and open heat access panel.
- Install both cold weather assemblies as shown in figure 14. Use existing screws.
- Install both K125 relays in control area above compressors. Secure with #8 screws. See figure 15.
- Locate harness labeled 106051-01 for standard SCCR units or 105722-01 for high SCCR units. Route as shown in figure 15. Secure with wire ties. Discard unused harnesses.
- Make wire connections as shown in figure 16.
- Use wire ties to securely route and tie harness away from gas heat manifold.


Installation – KG 156-300 Units
- Disconnect all power to unit and open compressor access panels.
- Install both cold weather assemblies as shown in figure 14. Use existing screws.
- Install both K125 relays in control area above compressors. Secure with #8 screws. See figure 17.
- Locate harness labeled 604785-01 and route as shown in figure 15. Secure with wire ties. Discard unused harnesses.
- Make wire connections as shown in figure 18.
- Use wire ties to securely route and tie harness away from gas heat manifold.


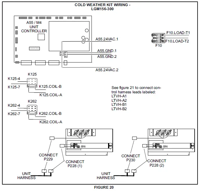
Installation – LGM 156-300 Units
- Disconnect all power to unit and open heat access panel.
- Install both cold weather assemblies as shown in figure 14. Use six thread forming screws, provided.
- Install both relays as shown in figure19. Secure with #8 screws.
- Locate harness labeled 106648-01. Route as shown in figure 19. Secure with wire ties. Discard unused harnesses.
- Make wire connections as shown in figure 20 and 21.
- Use wire ties to securely route and tie harness away from gas heat manifold.



Operation
When ambient temperature drops below 20°F (-7°C), S61 closes. When ambient temperature drops below -10°F (-23°C), S60 closes to energize K125 and bring on HR6 heater.
When ambient temperature rises to 20°F (-7°C), S60 opens to de-energize HR6 heater.
When ambient temperature drops below -20°F (-29°C), S59 opens to disable GV1 gas valve. S59 closes to allow heating when temperature rises to 10°F (-12°C).




















