KEBA KeContact E10 Smart Energy Meter

Notes on this document
The installation manual is part of the product and must be downloaded, read and understood before installation and initial use. The current manuals can be downloaded directly from our homepage: www.keba.com/emobility-downloads
The downloaded manuals must be kept for the entire life of the product. In addition to the safety notes in this manual, the applicable safety and accident prevention regulations for the application must be observed.
Safety notes
WARNING!
Risk of electric shock and fire hazard!
- Installation, commissioning, maintenance or retrofitting of the device must be performed by correctly trained, qualified and authorized electricians1) who are fully responsible for the compliance with existing standards and installation regulations.
Please observe that national regulations may be required. - Do not install or use a damaged device.
- A damaged device must be taken out of commission and repaired or replaced by a qualified and authorized electrician.
- A repair of the device is not permitted and may only be carried out by the manufacturer.
- No unauthorized conversion work or modifications may be made.
- No markings (such as safety signs, warnings, wire markings, etc.) may be removed.
- Use the device only in a dry environment and keep it away from liquids.
- Only install the device in permitted housings or electrical distribution boards downstream of the power company meter so that the connections for the phase conductor and the neutral conductor are located behind a cover or contact protection.
- Comply with prescribed minimum spatial clearances between the network cable and live installation components or use suitable insulation. To restrict access to authorized personnel, the housing or electrical distribution board may only be accessible by means of a key or tool.
- Before installation or maintenance work, de-energize the electrical distribution board and secure it from accidentally being switched on again.
- It must be possible for the end user to de-energize the device by means of a freely accessible fuse or and additional circuit breaker.
- The voltage inputs of the device must be protected with fuses (16 A Type B).
- De-energize the device before cleaning it, and only clean it using a dry cloth.
- Persons who, due to their special training, expertise and experience as well as knowledge of current standards, are able to assess the work performed and the possible hazards.
ATTENTION!
Possible damage to property!
- When connecting and wiring the device, ensure that the connection area is clean so that no foreign objects (pieces of wire, etc.) get inside.
- Never clean the device with aggressive solvents and cleaning agents, abrasive materials, spray water (garden hose, high-pressure cleaner, etc.) or excessive pressure.
- Devices that process the measurement data from KC-E10 must ensure that the absence of measured values or faulty measured values do not lead to any damage.
- The device can be destroyed or damaged by overvoltage on the data cable (Ethernet). The data cable and the destination device (e.g. charging station) must be protected by suitable overvoltage protection.
- Only the included split-core current transformers may be connected.
- Always connect the split-core current transformers to the device first and then fold over the phase conductors.
- Make sure that the phases are each correctly assigned. Otherwise, the device will return false measured values.
Disposal
ATTENTION!
Please observe the regulations regarding the disposal of electric appliances and electronic devices.
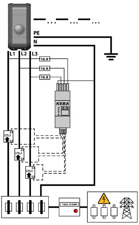
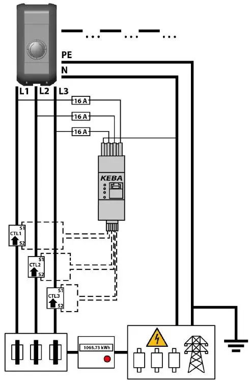
Connections overview
Observe exclusively the following overview for the connection:

EU DECLARATION OF CONFORMITY
KEBA Energy Automation GmbH
Reindlstraße 51
4040 Linz
AUSTRIA
- Document nr.: 126804/CE/1
- Designation: KC-E10
- Variants: 126804
We as the manufacturer declare under our sole responsibility the issuance of this declaration and that the product described above complies with the essential requirements of the following EU harmonization regulations of the Union using the listed standards and test specifications.
Directives:
2014/35/EU
Low Voltage Directive (LVD)
(OJ L 153, 22.5.2014, p. 62–106)
- EN 61010-1:2010/A1:2019
- EN 61010-2-030:2010
- EN IEC 61010-2-201:2018
2014/30/EU
Electromagnetic compatibility (EMCD)
(OJ L 153, 22.5.2014, p. 62–106)
- EN 61326-1:2013
2011/65/EU
RoHS Directive: Restriction of the use of certain hazardous substances (RoHS)
(OJ L 153, 22.5.2014, p. 62–106)
- EN IEC 63000:2018
Important notes:
This declaration of conformity is issued under the sole responsibility of the manufacturer. This declaration certifies the conformity with the Directives mentioned but does not imply any warranty of the product feature(s).
The safety instructions contained in the documentation supplied with the product(s) must be followed and kept.
Technical Data
| Overvoltage category: | III | IEC 60664 |
| Protection class: | II | IEC 61140 |
| Protection type: | IP2X | IEC 60529 |
| Pollution degree rating: | 2 | IEC 60664-1 / 61010-1 |
| Rated supply voltage (Europe): | Un = 230 / 3x 230 V | |
| Limit current per phase: | max. 67 mA | |
| Line frequency: | fn = 50 / 60 Hz | |
| Operating temperature: | Tamb = -15 °C …+55 °C (without direct sunlight) | |
Wiring



KEBA Energy Automation GmbH
Reindlstraße 51
4040 Linz/Austria
www.keba.com.



















