BN Products BNG8000iD Inverter Generator User Manual
Thank you for choosing our inverter generator.
This manual covers the proper operation and maintenance.
Before operating, please read this manual carefully for important procedures and safety.
All technical data and drawings in this manual are consistent with the information on this product. As a result of revisions and other on going updates, the contents of this manual may be slightly different from the actual product. BN Products reserves the right to make changes at any time, without notice and without incurring any obligation, please understand.
The copyright of this instruction manual belongs to us. No reproduction is allowed without the written consent of BN Products-USA. All rights reserved.
This manual is a permanent part of this generator set and should accompany the generator set if it is resold.
Safety Warning
Personal, product, and property safety of you and others is very important.
Please read carefully the extremely important safety warnings contained in this manual and on the labels of this generator set.
Safety warnings can alert you to potential dangers that may harm you and others.
Please take extra precautions when you read these three symbols :”Danger”, ”Warning”, and ”Notice” in front of important safety warnings. Details as below:
Danger: If you do not follow the instructions, your life can be in danger or you can be seriously injured.
Warning: If you do not follow the instructions, your life can be in danger or you can be seriously injured.
Notice: If you do not follow the instructions, you can be injured.
If you do not follow the instructions, your generator set and other property may be damaged.
Safety Instruction
Safety Specification
Please read and understand this manual before operating. Familiarity with the safe operating procedures of generators can help you avoid accidents.
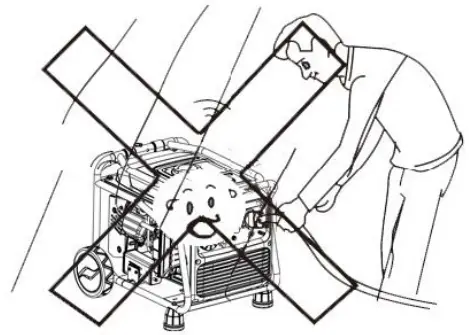
- Don’t use indoors

- Don’t use in a damp environment

- Do not connect directly to household wiring

- Don’t smoke while adding fuel

- Do not spill gas when fueling

- Stop generator before fueling

- Please remove combustible materials at least 4 feet away from generator

Special Request
- Electrical cords and plugs should be in good condition without exposed wires or connections.
- A ground terminal is on this generator and should be connected to a ground wire.
- Extension cords need to be the proper gauge for the distance they have to run.
Safety Warning Label
Please read the manual carefully before using.
Safety warning label

Components Identification
Components Features
BNG8000iD Gas Generator

Control Panel
Factory may adjust the panel for different configurations.
Please note that the configuration is subject to change without prior notice.
- Engine Oil Indicator Light
- Overload Indicator Light
- AC Indicator Light
- Reset Button
- Twin-stage USB
- ECO Switch
- DC Overload Protector
- Overload Protectors
- 3 in 1 Digital Meter
- Parallel Sockets
- Ground Terminal
- AC Socket
- DC Socket
- Multi-function 4-in1 Switch
Type and Serial Number
Type and serial number is listed on the side of engine
Control System
Engine Oil Alerting System (RED)
The engine oil protection system will stop the engine automatically, and the engine oil indicating light will light up when the oil in the crankcase is low.
Fill the engine oil to the proper level to restart the engine.
Notice: If the engine oil alert light flashes for few seconds, it means the oil capacity is insufficient. Refill the oil and restart the engine.
Overload Indicator Light (RED)
When the overload indicating light is on, the generator detects that the output has been overloaded, causing the converter to overheat or the AC voltage to rise. The AC protector will stop the generator to protect the generator and the equipment which connects to it. If the AC indicating light (GREEN) is off, but overload indicating light (RED) is on, the engine will continue working. While the overload light is on, and the generator has no output, please take following measures:
- Disconnect the electrical equipment and stop the engine.
- Reduce the total power load of connected electrical equipment to within the rated output range.
- Check the cool air inlet for any blockage and clean the area if needed.
- Restart the engine after checking.
Notice: When using electrical equipment with high starting current (like compressors and sink pumps, etc.), the overload indicating light may flash for few seconds. But this is normal.
AC Indicator Light (GREEN)
The AC indicator light will be on while the engine starts and has normal output.
ECO Switch
While the ECO switch is in the “ON position the equipment will control the speed according to the connected load, and will provide improved fuel efficiencies and low noise.
When the ECO switch is in the “OFF” position, the engine will run at the rated speed. NOTICE: For compressors or other heavy loads the switch needs to be set to the “OFF” position for best results.
Ground Terminal
The ground terminal should be connected to the ground wire to prevent electric shock.
Preparation
Fuel
Danger:
- Gasoline is flammable and toxic. Please read the safety instructions carefully before refueling.(See Page 7 for details.)
- Do not fill the tank with too much fuel, or the fuel will overflow when the tank gets warm.
- After refueling, make sure the fuel tank cover is tight.
- Wipe off any spilled gasoline with a clean, soft cloth after refueling.
- You must use unleaded gasoline. Leaded gasoline will damage the internal parts of the engine.
- Unleaded gasoline tank capacity: 20L or 5.3 gallons.


Engine Oil
Notice: The generator is not filled with engine oil when leaving the factory. Please do not start it before filling engine with the required amount of oil.
Starting Preparation
Make sure that the battery is connect before starting the inverter.
See instructions in section 7 for starting this unit.
Notice: After starting, please do not let the starting handle fly back inplace suddenly, but gently put the handle back.
Fuel Tap
Fuel tap is a device that controls the flow of fuel from the tank to the carburetor. Turn the “4-in-1 switch” to the off position when not in use. This shuts off the gas supply to the carburetor.
Choke Valve
The choke valve is used to provide a rich mixture of fuel to a gasoline engine when the cold engine is started. When the cold gasoline engine starts, rotate the knob to the “RUN” position.
When the gasoline engine starts up warm, the starting switch can be placed in the “RUN” position to start.
AC Breaker Protector
Overload of current will turn off the breaker protector automatically. The load should be reduced before re-setting the breaker and restarting the generator.
Ground Terminal
Ground terminal is a special terminal used to ground the entire generator. and to prevent electrical shock.
Generator Use
- Applicable temperature: 23° – 104° F (5° – 40° C)
- Applicable humidity: below 95%
- Applicable altitude: below 3300 ft (1000m). Lower power should be expected in areas above this altitude or contact the dealer to adjust the carburetor.
Connect to House Power Supply
Notice: Connecting this generator to a home power supply is not recommended. This type of connection should only be performed by a licensed electrician. Connecting directly to an appliance is acceptable but the generator MUST be operated outside of any enclosed space.
Generator Grounded
In order to prevent electrical appliances from being damaged, it is recommended to ground the generator with good conductors covered with insulation.
AC Output
Before starting the generator, please confirm: The total load (the sum of all loads) should not exceed the rated power of the generator.
Notice: Overloading can cause a generator to shut down or significantly shorten its life. If the generator set is connected with several loads, please remember: first, switch on the equipment with the highest load, then in turn, switch on the equipment with the lower loads.
Generally speaking, motors require a large initial starting current. The following table is for your reference when connecting these electrical appliances to the generator set.
Use in High Altitude Areas
At high altitudes, a standard carburetor will make the gasoline engine mixture too rich, and reduce the output power and increase the fuel consumption rate. The performance of a gasoline engine can be improved by modifying the carburetor with a smaller jet nozzle or by the adjusting screw. If you always use the generator at high altitudes above 3300 feet from sea level, you can take it to one of our authorized dealers to replace or adjust the carburetor. Otherwise, the load power should be reduced when using the generator. Even with the right carburetor, each 1000 ft. rise in altitude reduces the power of a gasoline engine by about 3.5%. This decline is even greater if the carburetor has not been adjusted properly.
If the carburetor modified for high-altitude use is then used in low-altitude, the thin mixture will cause the output power of the gasoline engine to drop, overheat and even cause serious damage.
Starting the Generator
Starting
This unit is equipped with an electric starter.
There is no manual or pull-start mechanism on the BNG8000iD Inverter.
Notice:
Electric Start
- Remove all loads from the output.
- Rotate the start switch to put the start button at the “CHOKE” position.
- Put the “ECO” switch in the OFF position.
Notice: If the engine is already hot, move the start button to the “RUN” position. - Press the start button or use the remote start if equipped.
Warning: - Rotate the start switch to put the start button at the “RUN” position if not already there.
Warning: Do not crank the motor for more than 5 seconds at a time, otherwise the starting motor will be damaged. If the start is not successful, the interval between starts should be 10 seconds. If the starting motor speed has a noticeable decline, it may indicate that the battery is low and should be removed and charged.
Stopping the Generator
- Turn the ECO switch to “OFF”.
- Turn the start button on the four-in-one knob to “OFF”
- Disconnect all electrical equipment.
Notice: To stop the generator in an emergency, turn the 4-in-1 switch to the “OFF” position.
Maintenance
Good maintenance is the best guarantee for the safe, and economical operation, and contributes to a cleaner environment protection. In order to keep the engine in good condition, you must check and maintain it regularly. Please follow the schedule below.
- The engine oil should be replaced every 10 hours if working frequently at high temperatures or loads.
- The air filter element should be cleaned every 10 hours if operating in a dusty or dirty environment. If necessary, please replace it every 25 hours.
Notice: - Spot inspection should be performed before starting.
- If the maintenance cycle time has passed, the maintenance should be carried out as soon as possible according to the maintenance table.
Warning: Please stop the generator before perfoming any maintenance.
Place it on a flat horizontal surface. To prevent engine starting, disconnect the spark plug cap from the spark plug. Please do not use it indoors or in places with poor ventilation such as tunnels and caves. Make sure the working area is well ventilated. Exhaust from engines contains the toxic gas carbon monoxide, which can cause shock, loss of consciousness and even death when inhaled.
Replacing Engine Oil
Draining the oil when the engine is warm ensures a quick and clean process.
- Remove the oil gauge. Remove the oil drain bolt to drain oil.
- Install the drain bolt and tighten it.
- Fill oil and check oil level.
- Reinstall the oil gauge.
Engine oil capacity: BNG8000iD: 1 qt (1.1L)
Prolonged and frequent exposure to oil can lead to skin cancer.
While this is not a given, it is still recommended that you use soap and water to immediately and thoroughly wash any skin that has been exposed to oil.
To protect the environment properly dispose of all waste oil. We strongly recommend that you put the oil in a sealed container and take it to your local oil recycling center. Please remember: don’t throw it in the trash or dump it on the ground or in a ditch.
Air Filter Maintenance
Dirty air filters will affect the flow of air into the carburetor. To prevent carburetor breakdown, air filters should be regularly maintained. If it is used in a dusty environment, it should be maintained more frequently.
Warning:
Cleaning the filter element with gasoline or flammable solvents may cause fire or explosion. Please use soapy water or non-flammable solvent to clean the filter element.
It is strictly forbidden to start the generator without the air filter, otherwise it will lead to rapid wear and tear of the gasoline engine.
- Turn the knob of the maintenance door to the “On” position, and remove the maintenance door.
- Unscrew the knob on the air filter cover and open the air filter cover. Check the filter element to ensure that it is in good condition and clean.
- If the foam filter is dirty, please clean it. Wash it in hot water with a household detergent or a non-flammable or high flash solvent. Then rinse with clean water and squeese dry.
Then apply a few drops of oil and squeese evenly. - Replace the filter and cover for the air filter.
Spark Plug
Replace the spark plug with the original type: F7TC
- Remove the spark plug cap.
- Use the spark plug socket wrench to remove the spark plug.
- Visually inspect whether the spark plug insulator is damaged. Replace the spark plug if it is damaged.
- Measure spark plug clearance with thickness gauge. Bend the side electrodes to adjust the clearance. The clearance should be between 0.70 and 0.80mm.
- Check that the spark plug gasket is in good condition.
- Install the spark plug, tighten it with the spark plug socket wrench, and press down the spark plug gasket. Cover the spark plug cap.
Notice: Use only recommended spark plugs
Storing
To avoid combustion due to contact with high-temperature components of the generator, the generator must be cooled before packaging and storage. If long-term storage is required, please make sure the storage area is clean and dry.
- Drain fuel from the fuel tank. Clean the fuel filter, O – ring seal and precipitation cup. Unscrew the carburetor drain bolt, drain the fuel from the carburetor entirely, then reinstall and tighten the carburetor drain bolt.
- In ordinary circumstances, gasoline is flammable and explosive. Please drain fuel in well-ventilated area and well away from combustible material and flames.
- Unscrew the oil gauge and Oil drain bolt on the crankcase, and drain the oil in the crankcase. Then tighten the drain bolt, add new oil to the upper limit, and then install the oil gauge.
- Remove the spark plug and pour a tablespoon of clean engine oil into the combustion chamber. Turn the crankshaft several times to distribute the oil. Reinstall the spark plug.
- Gently pull the starting handle until resistance is felt, leaving the inlet and exhaust valves closed.
- Store the generator set in a clean and dry area.
Troubleshooting


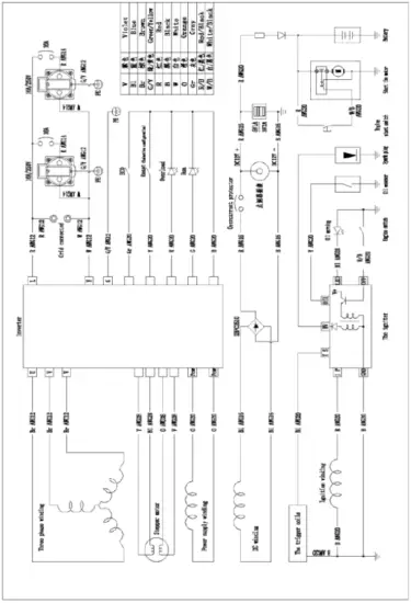
Circuit Diagram
The factory can adjust according to the different model configurations, that are subject to change without prior notice.
Technical Specifications
| Modell | B1C380001D | |
| Engine | Engine Type | Single Cylinder, 4 stroke. Air-cooling, Cylinder center is tilted 25° |
| Displacement(cc) | 460 | |
| Ignition System | E. D. I. | |
| Starting Type | Electric Start | |
| Fuel Tank Capacity (L) | 5.3 Gallons (20L) | |
| Engine Oil Capacity(L) | 1.16 qt ( 1.1L) | |
| Generator | Frequency (Hz) | 60Hz/50Hz |
| Phase | Single Phase | |
| Voltage(V) | 120V/220V/230V/240V | |
| Rated Output(kW) | 7.2kW | |
| Max Output (kW) | SO,’ | |
| DC Output | 12V/8.3A | |
| Length (mm) | 23.5* (589) | |
| Width(mm) | 19.5″ (496) | |
| Height (mm) | 21.75° (553) |






























