7000ie
INVERTER GENERATOR

CROMTECH 7000ie
OPERATION MANUAL
WARRANTY
TG7000IE 12 months / 300 hours (whichever comes first)
Cromtech™ and Crommelins™ are registered trademarks of Crommelins Machinery. Crommelins Machinery warrants their goods against defects in materials and workmanship under normal use and service. The warranty does not cover fair wear commensurate with the age of the product, any damage caused by accident, abuse, misuse, neglect or failure to observe proper operating instructions or proper machinery maintenance as described in the instruction manual. It is the owner’s responsibility to regularly maintain a product in accordance with the owner’s manual and only use the equipment for its designed purpose. Our goods come with guarantees that cannot be excluded under the Australian Consumer Law. You are entitled to a replacement or refund for a major failure and for compensation for any other reasonably foreseeable loss or damage. You are also entitled to have goods repaired or replaced if the goods fail to be of acceptable quality and the failure does not amount to a major failure.
CONSUMER ADVICE
Any claim under these warranties must be made in the warranty period from the date of purchase of the product. There are over 185 national authorized service/repair agents available, visit www.crommelins.com.au for their details and locations. To make a claim under the warranty, you must return the product (with proof of purchase) to the closest warranty agent or to the place of purchase. Where a failure does not amount to a major failure, Crommelins Machinery is entitled to choose between providing you with a repair, replacement or refund. To obtain compensation, you would need to provide documentary evidence of the loss or damage suffered, and documentary evidence that such loss or damage was a reasonably foreseeable consequence of a failure by Crommelins Machinery to comply with a consumer guarantee under the Australian Consumer Law. Crommelins Operations Pty Ltd trading as Crommelins Machinery, The Crommelin Group and Crommelins Australia.
INTRODUCTION
Thank you for purchasing this Cromtech generator.
We recommend that the operator read this manual carefully before using this generator, and fully understand all requirements and operating procedures.
SAFETY PRECAUTIONS
This generator will work in a safe, effective and reliable way only when it is kept, operated and maintained properly. Before operation or maintenance of the generator, the operator should:
- Know well and strictly observe local laws and regulations.
- Read and observe all safety warnings in this manual and on the device.
- Be familiar with all safety warnings in this manual.
IMPORTANT ICONS
To ensure safe operation, please read carefully the four vital safety warnings in this manual and on the generator, preceded by a Safety Alert Symbol including:
DANGER: You WILL be KILLED or SERIOUSLY HURT if you don’t follow instructions.
WARNING: You CAN be KILLED or SERIOUSLY HURT if you don’t follow instructions.
CAUTION: You CAN be HURT if you don’t follow instructions.
NOTICE: Your generator or other property could be damaged if you don’t follow instructions
WARNING: PLEASE READ AND UNDERSTAND THIS MANUAL BEFORE OPERATING THE GENERATOR.
NOTE: We continually seek advancements in product design and quality. Therefore, there may be minor discrepancies in actual machine and printed manual.
SAFETY INFORMATION
DANGER
Do not use indoors.
![]()

DANGER: Keep the machine clean and avoid spilt combustibles, including petrol, on it.


WARNING: Do not use it in wet conditions.


WARNING: Turn the generator “OFF” when refueling.

WARNING:
Do not smoke while refueling.

WARNING: Keep children and pets away from the area of operation. Do not place flammable objects close to the exhaust when the generator is operating. Keep at least one etre away from flammable materials. Do not use in confined spaces.

WARNING: Do not connect to a home power system.

WARNING: This generator is not designed for medical applications.
![]()
WARNING: Hot Surfaces. When the generator is running or just after stopping, it will have hot surfaces which if touched can cause burns. Do not touch areas where this warning symbol is located. Also, avoid contact with hot exhaust gases.

Connection to a Home Power Supply
Connections for standby power to a building’s electrical system must be made by a qualified electrician. The connection must isolate the generator power from utility power and must comply with all applicable laws and electrical codes.
WARNING: Improper connection to a building’s electrical system can allow current from the generator to backfeed into the utility lines. Such backfeed may electrocute people who come into contact with the lines during the power outage, such as utility company workers. Furthermore, the generator may explode, burn or cause fires when power is restored. Consult the utility company or a qualified electrician prior to making any power connections.

Safety Regulations
There are warning labels on the machine to remind you of safety regulations.

CAUTION: Read the safety instructions before using the generator.
![]()

CAUTION: Gases such as carbon monoxide (colorless and odorless gas) are produced during operation which may lead to suffocation. Only use the generator in well-ventilated areas.
CAUTION: Fuel is highly flammable and extremely explosive. Fire or explosion can cause severe burns or death. Keep flammable items away while handling fuel. Fill fuel tank outdoors and in a well-ventilated area with the generator stopped. Always wipe off spilled fuel and wait until the fuel has dried before starting the generator. Do not operate the generator with known leaks in the fuel system. Use proper fuel storage and handling procedures. Do not store fuel or other flammable materials nearby. Empty the fuel tank before storing or transporting the generator. Keep fire extinguishers handy and be prepared if a fire starts.
WARNING: Dangerous voltages are present when the generator is in operation. The generator must always be switched off before performing maintenance.![]()
CAUTION: Disconnect all devices from the connections before performing maintenance works, before leaving the device and after switching it off.

WARNING: Modifications to any part of the generator is not allowed and may void your warranty.
WARNING: This generator is intended for residential consumer use only. This generator is not designed for permanent installation.
CONTROL FUNCTION
TG7000ie Diagram

| (1) Fuel tank | (13) Tank cover (back) |
| (2) Fuel tank cap | (14) Frame hood |
| (3) Cover plate of oil level sensor | (15) Handle |
| (4) Frame components | (16) Silencer spark collector |
| (5) Control panel | (17) Air filter |
| (6) Folding handle | (18) Frame shock absorber bracket (left) |
| (7) Battery maintenance cover | (19) Left maintenance door |
| (8) Frame shock absorber bracket (right) | (20) Spark plug |
| (9) Panel bed | (21) Combination switch |
| (10) Wheel | (22) Tank cover (front) |
| (11) Right maintenance door | |
| (12) Seal ring (fuel tank) |
Control Panel Diagram
- Digital display meter
- USB charging port
- AC breaker 15 amp
- AC breaker 15 amp
- AC breaker 25 amp for 32 amp outlet
- Engine Stop/Start Button
- Engine Switch
- ESC Throttle Switch
- AC socket 15 amp
- AC socket 15 amp
- AC socket 32 amp
- Earth terminal
Engine Switch

This switch controls ignition system, fuel system, power system and solenoid valve.
OFF Stop the engine: Ignition system is in the closed state, fuel switch is off, solenoid valve switch is off, and power system switch is off; the engine can’t be started normally.
ON Start/run the engine: Ignition system is in the working state, fuel switch is on, solenoid valve switch is on, and power system switch is on. The engine can be started by the Start Button, the Recoil Starter or the Bluetooth App.
Start Button

When the engine switch is placed in the “ON” position, use the Start Button to start the engine.
Recoil Starter
When battery voltage is too low or flat, use the manual recoil starter to start the engine.
ESC Throttle Switch

- “ECO”
When the ESC switch is turned to “ECO”, the economy control unit controls the engine speed according to the connected load. The results are better fuel consumption
and less noise. - “STANDARD”
When the energy saving switch is placed in the “STANDARD” position, with load less than 4.5kW, the engine runs at the rated speed (3,100r/min). - “TURBO”
When the energy saving switch is placed on the position of “TURBO” the engine runs at the rated speed (3,600r/ min) regardless of whether the load is connected or not.
NOTE: When high current devices are applied, such as air conditioners, hotplates or water pumps, ESC Throttle must be placed in the “TURBO” position.
Digital Display Meter
- When the Engine Switch is placed in the “OFF” position (when the engine is not started): Operate key 7, only the content of 19 is displayed on the screen interface (after each operation of key 7, the display will disappear automatically after 5 seconds).
- When the engine is not started, but the switch is in the “ON” position:
a. No content is displayed on the screen interface.
NOTE: If the battery has been installed, this interface indicates that the battery voltage is less than 8V (the battery needs to be charged), one-key start and Bluetooth APP start cannot be carried out, but the engine can be started by recoil starter. If there is no display after replacing the battery with new one, please contact your dealer.
b. The screen interface displays the contents of 21-22 and 23 (2 display interfaces in total).
NOTE: The interface with the display contents of 2122 indicates that the battery voltage is more than 10V, one-key start and Bluetooth APP start can be carried out. c. The screen interface displays the contents of 24-26 and 23 (2 display interfaces in total).
NOTE: The interface with the display content of 24-26 indicates that the battery voltage is more than 8V but less than 10V, one-key start and Bluetooth APP start cannot be carried out, but the engine can be started by recoil starter.
NOTE: The interface with the display content of 23 can be used for connecting the MAC address of Bluetooth device. The display interface can be switched by operation of key 7, and the contents are displayed in turn. When the above contents are displayed in each display interface, the contents of 27, 9 (displayed with Bluetooth, not displayed without Bluetooth) and 10 are also displayed at the same time. - When the Engine Switch is placed in the “ON” position, and the engine starts successfully and runs normally: the screen interface displays the contents of 11-14, 15-17, 18, 19, 20, 21-22 and 23 (7 display interfaces in total).
NOTE: The interface content of 23 is used for the MAC address of connecting Bluetooth device. The display interface can be switched by operation of key 7, and the contents are displayed in turn. When the above contents are displayed in each display interface, the contents of 8, 9 (displayed with Bluetooth, not displayed without Bluetooth) and 10 are also displayed at the same time. - When engine runs with failure: the screen interface displays the contents of 29-30, and the content of 30 represents the fault information as follows: U> a: AC over voltage, indicating the character of AC (alternative indication of AC and digit)
U< a: AC under-voltage, indicating the character of AC (alternative indication of AC and digit)
I> Output over current of generator.
Output short circuit of generator.
Over heat of frequency converter.
NOTE: When the above contents are displayed in each display interface, the contents of 9 (displayed with Bluetooth) and 10 are also displayed at the same time. - When the engine switch is in the “ON” position, and the engine is either running or not, the screen interface will display content 28 advising a service interval is required.
If the service has already been carried out , operate key 7 to clear this information.
NOTE: Operate key 7 to clear the maintenance information, the screen automatically switches to the next interface.
If key 7 is not operated to clear the maintenance information, the content of 28 will be displayed once every 1 minute in each screen interface for 10 seconds and the
content of 28 will not be displayed again until 2 hours later. At the same time, the maintenance mark will not be displayed on the right side of the Bluetooth mark on the
screen interface, until the generator set is maintained and key 7 is operated to clear the maintenance information.
Oil Warning Light
When the oil level falls below the low level, the oil warning light comes on and then the engine stops automatically. Unless you refill with oil, the engine will not start again.
NOTE: If the engine stalls or does not start, turn the engine switch to “ON” and then pull the recoil starter. If the oil warning light flickers for a few seconds, the engine oil is insufficient. Add oil and restart.
Overload Indicator Light (Red)
The overload indicator light comes on when an overload of a connected electrical device is detected, the inverter control unit overheats, or the AC output voltage rises. Then,
the AC protector will trip, stopping power generation in order to protect the generator and any connected electric devices. The AC pilot light (Green) will go off and the overload indicator light (Red) will stay on, but the engine will not stop running.
When the overload indicator light comes on and power generation stops, proceed as follows:
- Turn off any connected electric devices and stop the engine.
- Reduce the total wattage of connected electric devices within the rated output.
- Check for blockages in the cooling air Inlet and around the control unit. If any blockages are found remove.
- After checking, restart the engine.
NOTE: The overload indicator light may come on for a few seconds at first when using electric devices that require a large starting current, such as an air conditioner or a water pump. However, this is not a malfunction.
AC Pilot Light (Green)

Ground (Earth) Terminal

The ground terminal on this generator is connected to NONcurrent carrying parts of the generator frame and to each AC outlet. Before attaching a ground (earth) lead, consult with a qualified electrician on the intended use of this generator.
AC Circuit Breaker
The AC Circuit Breaker will trip to protect the electric device when current is too heavy.
Folding Handle

This generator is fitted with a folding handle set to enable the user to manoeuvre the generator with ease. To engage, lift handle up and lock handle in
place. To fold down, press down on both locking levers at the same time and the handle will fold down. Do not use generator with handle set in the fixed position. Do not use the handle set to raise the generator off the ground.
Maintenance Door
Make sure that the maintenance door is closed while the engine is running. Open and close maintenance doors for unit maintenance.
In the case of no electrical start, open the right maintenance door and start the engine by recoil starter.
Right door: Inspection/ replacement of engine oil; manual start.
Left door: Inspection/ replacement of spark plugs; inspection/cleaning of air filter; drain of carburetor.
Open maintenance door: Rotate lock 90°counterclockwise.
Close maintenance door: Rotate lock 90° clockwise.
PRE-OPERATION
NOTICE: Pre-operation checks should be made each time operating.
WARNING: The engine and muffler will be very hot after the engine has been run. Avoid touching the engine and muffler while they are still hot with any part of your body or clothing during inspection or repair. Fuel
WARNING
- Fuel is highly flammable and poisonous. Check “SAFETY INFORMATION” (See page 7) carefully before filling.
- Do not overfill the fuel tank, otherwise it may overflow when the fuel warms up and expands. After filling make sure the fuel tank cap is tightened securely.
- Immediately wipe off spilled fuel with a clean cloth.
- Use only unleaded petrol.
Only fill tank to red full level indicator in the fuel strainer.
Recommended fuel: Unleaded gasoline Fuel tank capacity (total): 25.0 litres
ADD FUEL

Engine Oil
The generator has been shipped without engine oil. Do not start the engine until filled to the correct level.
Do not tilt the generator when adding oil to the engine. This could result in overfilling and damage to the engine.
OIL LEVEL
Recommended engine oil: SAE 10W – 30
Engine oil quantity: 1.45 litres

OPERATION
NOTICE: Never operate the engine in a closed area or it may cause unconsciousness and death within a short time. Operate the engine in a well ventilated area. The generator has been shipped without engine oil. Do not start the engine until filled to the correct level. NOTE: The generator can be used with the rated output load at standard atmospheric conditions.
“Standard atmospheric conditions” = Ambient temperature 25°C. Barometric pressure 100kPa; Relative humidity 30%
The output of the generator varies due to change temperature, altitude (lower air pressure at higher altitude) and humidity.
The output of the generator is reduced when the temperature, the humidity and the altitude are higher than standard atmospheric conditions.
Starting The Engine
START BUTTON
1. Do not connect any electrical equipment before starting the generator. Turn the ESC Switch to standard.
2. Turn the Engine Switch to “ON” position.
3. Start Button – press and release the start switch button on the control panel. The start switch will start the motor for 5 seconds. When the engine starts successfully, the
starter will stop automatically. If the engine does not start successfully, wait at least 10 seconds before starting again.
NOTE: Do not leave the Engine Switch in the “ON” position when the generator is not in use or in storage. This will flatten the battery.
APP START – ANDROID
- Download and install the app by scanning the above QR code via the phone’s camera or QR Reader and follow the download link. Follow prompts to install.
- Once downloaded, open the app. Enter the “Management” tab, press the + icon and then use one of the following three methods to connect your device. a. Scan the QR code of the Bluetooth module on the digital display meter.
b. Click to enter the device scanning page and let the app automatically find the generator. The generator must be switched on.
c. Enter the MAC address of the Bluetooth device you want to connect to. The MAC address can be found on the digital display meter. - After finding the Bluetooth device, go back to the device management page.
- Click “Connect” to connect to the Bluetooth device. After successful connection, the model icon will become bright.
- Enter the home tab of the mobile app and click the start button to start the engine.
NOTE: We recommend connecting to your generator via option B as a preferred method of connecting.
NOTE: You can have multiple devices paired to the device, however only one connected at a time.
APP START – APPLE
- On your Apple device, visit the App Store.
- In the App Store search for “ILONCIN”.
- When you find ILONCIN press “GET” to download the generator app. Once the app is downloaded, open. Enter the “Management” tab, press the + icon and then use one of the following three methods to connect your device.
a. Scan the QR code of the Bluetooth module on the digital display meter.
b. Click to enter the device scanning page and let the app automatically find the generator. The generator must be switched on.
c. Enter the MAC address of the Bluetooth device you want to connect to. The MAC address can be found on the digital display meter. - After finding the Bluetooth device, go back to the device management page.
- Click “Connect Now” to connect the found Bluetooth device. After successful connection, the model icon will become bright.
- Enter the homepage of mobile APP and click the start button to start the engine.
NOTE: We recommend connecting to your generator via option B as a preferred method of connecting.
NOTE: You can have multiple devices paired to the device, however only one connected at a time.
RECOIL START

Turn the lock 90° counterclockwise, and open right maintenance door. First, pull the recoil starter gently, until resistance is felt, then pull hard. Turn the lock 90° clockwise and close right maintenance door. If you want to use the energy saving function, turn the ESC Throttle to the “ECO” position after the engine has been running for 2-3 minutes.
Stopping The Engine
To shut down the engine:
- Turn off all electrical equipment.
- Turn the ESC Throttle to the “Standard” position.
- Disconnect all electrical equipment from the AC socket.
- Manual stopping: press and release the start switch button on the control panel. Enter the homepage of Bluetooth APP of the mobile phone, click the start button to turn off the engine (to skip this step proceed to the next step).
- Turn the Engine Switch to the “OFF” position.

When the generator is not running or not in use, put the Engine Switch in the “OFF” position, otherwise the battery will flatten and affect the next one-key start.
NOTE: If the engine is to be turned off in an emergency, rotate the Engine Switch quickly to the “OFF” position.
Alternating Current (AC) Connection
WARNING: Be sure any electric devices are turned off before plugging them in.
NOTICE
- Be sure all electric devices including the cable and plug connections are in good condition before connection to the generator.
- Be sure the total load is within generator rated output.
- Be sure the receptacle load current is within receptacle rated current.
1. Start engine and make sure that AC indicator light is green.
2. Insert the plug into AC socket/
3. Make sure that AC indicator light is on.
4. Turn on the electrical equipment.
Many electric load devices require starting power above their rated power to start.
The ESC throttle must be turned to “Standard” or “Turbo” before applying high start up loads. - Some motorised appliances require more than their electrical rating for startup. When an electrical motor is started, the overload indicator (red) may come on. This is normal if the overload indicator (red) goes off within 4 seconds. If the overload indicator (red) stays on, consult your generator dealer.
- If the generator is connected to multiple loads or electricity consumers, please remember to first connect the one with the highest starting current. And last connect the one with the lowest starting current.
- If the generator is overload, or if there is a short circuit in a connected appliance, the overload indicator (red) will go ON. The overload indicator (red) will stay ON, and after about 4 seconds, current to the connected appliance (s) will shut off, and the output indicator (green) will go OFF. Stop engine and investigate the problem. Determine if the cause is a short circuit in a connected appliance or an overload, correct the problem and restart the generator.
MAINTENANCE
It is the owners requirement to periodically inspect, adjust, lubricate and maintain the generator to keep it in good working condition.
WARNING: Turn ENGINE SWITCH to “OFF” to avoid any accidental start up during all maintenance procedures. Stop the engine and allow the engine to cool before
starting maintenance work.
NOTE: Use only genuine replacement parts, contact your local authorised service agent.
NOTE: Consult your local authorised service agent for all
major maintenance work.
| Routine maintenance cycle (1) | Each check | First months or 20 Hr | 3 months or SO Hr | 6 months or 100 Hr | 12 months or 300 Hr | |
| Item | Routine | |||||
| Oil | Inspect | • | ||||
| Replace | • | • | ||||
| Air filter | Inspect | • | ||||
| Clean | · (2) | |||||
| Replace | ||||||
| Spark plug | Clean | |||||
| Replace | • | |||||
| Spark arrester | Clean | • | ||||
| Valve clearance | Inspect- Adjustment | · (3) | ||||
| Combustion chamber | Clean | Every 1000 hours (3) | ||||
| Fuel tank | Clean | Every 2 years or 1000 hours (3) | ||||
| Fuel filter | Replace | Every 2 years or 1000 hours (3) | ||||
| Fuel hose | Clean | Every 2 years (Replacement if necessary) (3) | ||||
Tip: *Replace the paper filter element. Refueling
WARNING: Petrol is flammable and explosive.
When refueling you can get burns or serious injuries.
Before refuelling, stop engine and allow to cool.
- Only refuel outdoors
- Clean up any spilled fuel and allow to dry
- Do not over fill the fuel tank. Only fill tank to red full level indicator in the fuel strainer.
NOTICE: Petrol can damage paint and plastics. When refueling, take care not to spill petrol.

Engine Oil Inspection

Check engine oil when engine is stopped and placed on a level surface.
- Rotate the lock 90° counter clockwise, and open right maintenance door.
- Remove the oil gauge.
- Check the oil. If the oil level is below the highest mark, add the specified oil to the highest mark.
- Reinstall the oil gauge.
- Rotate the lock 90° clockwise and close right maintenance door.
Low oil shut down. If the engine oil is too low, the engine will automatically shut down to protect the engine. To avoid unnecessary engine shutdowns, check oil levels regularly.
Engine Oil Replacement

- Rotate the lock 90° counterclockwise and open right maintenance door.
- Remove the black rubber seal ring under the oil drain bolt.
- A suitable container for oil is placed at the bottom of the engine.
- Remove the oil gauge.
- Remove oil drain bolt and washers to drain oil thoroughly.
- Reinstall the oil drain bolts and washers and tighten the oil drain bolt.
- Reinstall the black rubber seal ring.
- Place the generator on a horizontal surface and add the specified oil to the maximum scale.
- Reinstall the oil gauge.
- Rotate the lock 90° clockwise and close right maintenance door.
Oil Specification Table
Use four-stroke oil.
SAE 10W30 is recommended for regular use. However, when the average temperature in your area is within the recommended range, you can use other viscosity types of oil shown in the chart.
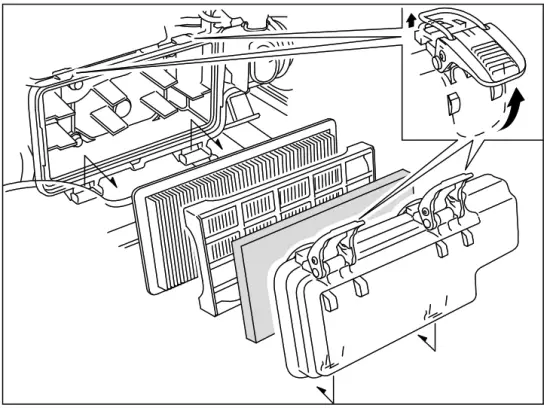
Air Filter
Rotate the lock 90° counter clockwise, and open left maintenance door.- Loosen the air filter cover clamp and remove the air filter cover, foam filter core, filter core bracket and paper filter core together.
- Paper filter element:
a. Remove the paper filter element from the filter holder.
b. If the paper filter element is dirty, replace it with a new
one. Do not wash the paper filter element.
c. Insert the paper filter element into the filter holder. - Foam filter:
a. Remove the foam filter element from the empty filter cover.
b. Check the foam air filter to make sure that it is clean and in good condition. If the foam filter element is dirty, refer to the following page for cleaning. If the foam filter element is damaged, replace it with a new one. - Put the foam filter element, the filter holder and the paper filter element together into the empty filter cover.
- Install the air filter cover and lock the cover clamp.
- Close the left maintenance door, and rotate the lock 90° clockwise.
AIR FILTER CLEANING
NOTICE: Do not operate the engine without an air cleaner element as this will cause damage to the inner parts of the engine. In unusually dusty conditions regular cleaning
or replacing is required.
The foam filter element of the dirty air filter will restrict the air flow to the fuel system and reduce the engine performance. If the generator is used in a dusty area, the maintenance frequency of the air filter’s foam filter element is higher than that in the maintenance requirements.

- Wash the filter element in warm soapy water and let it dry naturally, or clean and dry it in a non – flammable solvent.
- Dip the filter element into clean oil and squeeze out excess oil. If there is too much oil left in the filter element, start the engine and the engine will smoke.
- Use a damp cloth to remove dirt from the inside of the air filter’s cover. Take care to prevent dust from entering the air ducts which leads to the fuel system.
Spark Arrester

The spark arrester must be cleaned every 100 hours to maintain engine performance. Ensure exhaust outlet and engine is cold before cleaning and maintenance.
To remove and clean the spark arrester.
- Loosen two M5x12 pan head bolts and remove mounting cover, muffler mesh cover and spark collector.
- Clean the muffler’s mesh cover and the cumulative carbon on the spark collector with a steel wire brush.
- Refit and tighten the spark arrester.
NOTICE: Clean with steel wire brush gently to avoid damage or scratch to muffler mesh and spark arrester. The spark arrester must not be broken or cracked. If it is damaged, it must be replaced.
Spark Plug
NOTICE: Incorrect spark plug can cause damage to the engine.
To replace or clean the spark plug use the spark plug spanner kit supplied. Allow engine to cool before attempting to remove the spark plug.

- Rotate the lock 90° counterclockwise, and open left maintenance door.
- Loosen bolt of spark plug’s maintenance cover and remove.
- Remove the spark plug cap, remove dirt and dust from around the spark plug.
- Use the spark plug spanner and rotate counter-clockwise and remove the spark plug.
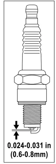
- Check the spark plugs. Replace the spark plug, if the electrode is worn or burnt, or if the insulator is cracked or broken. Standard spark plug: NGK BPR7ES, clearance of spark plug: 0.6-0.8mm.
- After ensuring that the spark plug is in good condition, fix the spark plug gently to the head of the cylinder by hand to prevent thread damage caused by force.
- After the spark plug is fixed, tighten it with the spark plug spanner. If the used spark plug is to be reinstalled, tighten 1/8-1/4 circle manually after fixing the spark plug and before tightening it to the specified position. If the newly installed spark plug is to be reinstalled, tighten 1/2 circle manually after fixing the spark plug and before tightening it to the specified position. Torque: 13.3 LBS. Ft (18 N.M, 1.8kg.m)

- Install the spark plug cap.
- Install spark plug maintenance cover and tighten maintenance cover’s bolts.
- Close the left maintenance door, and rotate the lock 90° clockwise.
NOTE: Spark Plug Type: NGK BPR7ES
NOTE: If the spark plug is installed without torque wrench, a better estimation method is to tighten 1/4-1/2 circle manually, but the spark plug should be tightened to the
specified torque.
NOTICE: Loose spark plugs may overheat and damage the engine. Excessive tightening of spark plugs can damage the thread on the head of cylinder.
Battery
When the engine is running, the generator’s charging system will automatically charge the battery. However, if the generator is not used regularly, it must be charged monthly to
maintain the service life of the battery.
REMOVING THE BATTERY.

- Lift handle up, lock handle and fix it in place.
- Loosen the bolts of maintenance cover and remove the battery maintenance cover CD.
- Remove the negative (-) cable from the negative (-) terminal of the battery, and then remove the positive (+) cable from the positive (+) terminal of the battery.
- Remove the battery band from the hook at the bottom of generator.
- Remove the battery from the mounting box.
INSTALLING THE BATTERY
- Put the battery in the mounting box.
- Connect the positive (+) cable with the positive (+) terminal of the battery, tighten the bolt and cover the rubber cap.
- Connect the negative (-) cable with the negative (-) terminal of the battery, and tighten the installation bolt.
- Install the battery band.
- Reinstall battery maintenance cover and tighten the bolts.

NOTICE: The generator must not run without the battery maintenance cover fitted as this will affect the internal cooling air flow of the generator and will void the warranty.
CAUTION : Battery Terminals and leads may have a build up of dirt and corrosion. Wash hands immedialtey after handling the battery.
Protective Fuses
If the fuse blows, the generator will stop.
In the case of a fuse failure, find out the cause of the failure and fix it before continuing to use. If the fuse continues to fail, stop using the generator and contact the dealer.
- Turn the Engine Switch to the “OFF” position, before checking and replacing the fuse.
- Loosen the bolts of battery maintenance cover, remove the battery maintenance cover CD.
- Open the cover of the fuse mounting box® (90° counterclockwise)
- Replace the fuse with the one of the same type and grade. Specifications of fuse: SA, 20A.
- Cover the fuse mounting box and install the battery maintenance cover.
NOTICE: Only use the specified, rated and type of fuse as fitted as this may cause damage to the electrical system and will void the warranty.
WHEEL SET INSTALLATION
Tool requirements: 12mm wrench, 10mm wrench, crosshead screwdriver used for battery wiring, and clamp.
NOTICE: The generator must not be run without the wheel kit fitted as the wheel kit provides airflow between the ground and the airflow inlet of the generator.
WARNING: If the wheel kit is not installed dust and debris may be drawn into the air intake of the generator. This will cause major damage to the generator and will void the warranty.

| No. | Name | Quantity |
| 1 | Wheel | 2 |
| 2 | Axle | 1 |
| 3 | B pin | 2 |
| 4 | Washer | 2 |
| 5 | Bolt | 8 |
| 6 | Frame shock absorber bracket (left) | 1 |
| 7 | Frame shock absorber bracket (right) | 1 |
- Install the wheels to the generator with two washers and pin clamps.
- Install the axle onto the generator with four M8x 16 bolts.
- Install the frame shock absorber bracket (left) onto the generator with two M8x16 bolts.
- Install the frame shock absorber bracket (right) onto the generator with two M8x16 bolts. Torque: 11-16 LBS. Ft (15-22 N.M, 1.5-2.2kg.m).

TRANSPORTING
TRANSPORTATION
Before transportation allow the generator set to cool completely.
To prevent fuel spillage, when transporting or during temporary storage, the generator should be secured upright in its normal operating position, with the all switches in the “OFF” position
Do not overfill the tank. Do not operate the generator while it is on a vehicle. Take the generator off the vehicle and use it in a well-ventilated place.
Avoid a place exposed to direct sunlight when putting the generator on a vehicle.
If the generator is left in an enclosed vehicle for many hours, high temperature inside the vehicle could cause fuel to vaporize, resulting in a possible explosion.
Do not drive on a rough road for an extended period with the generator on board. If you must transport the generator on a rough road, drain the fuel from the generator beforehand.
Note: Take care not to drop or strike the generator during transport. Do not place heavy objects on the generator. When using tie-downs to secure the generator for transportation, use only the two upper frame protection bars to attach to. Do not attach tie-downs to the main body of the generator or to any part of the folding handle.
STORAGE
In order to keep your generator trouble-free and in good condition, proper storage preparation is essential. The following steps will help to make it easier to start the engine when you use the generator again.
Fuel
NOTICE: Fuel will deteriorate and oxidise over time. It is important to remove fuel for longer term storage. Engine failure due to stale fuel is not covered by warranty.
DRAINING THE FUEL
- Remove fuel tank cap and fuel filter screen and extract fuel into an appropriate container. Note: Fuel is extremely volatile and dangerous. Handle with caution.
- Turn the Engine Switch to the “ON” position.
- Start the engine and let it run until the fuel runs out. The engine will automatically stop.
- Allow engine and generator to cool completely before proceeding with next steps.
- Unlock and open the left maintenance door.
- Loosen the drain bolt on the carburettor and drain the fuel into an appropriate container.
- Turn the Engine Switch to the “OFF” position.
- Tighten the drain bolt on the carburettor.
- Close and lock maintenance door.

Engine
- Remove the spark plug and pour about 15 ml of oil into the cylinder.
- Turn the Engine Switch to the “OFF” position.
- Crank the engine by pulling the manual recoil starter a few times to lubricate the cylinder.
- Refit the spark plug and maintenance cover.
- Clean and store the unit in a dry, dust free area out of direct sunlight.
TROUBLESHOOTING
| No. | Fault | Solution |
| ENGINE WON’T START | ||
| 1 | The Engine Switch is placed on the “Off” position. | Turn the Engine Switch to the “On” position. |
| 2 | Not enough fuel in the tank. | Add fuel. |
| 3 | Old or stale fuel. | Drain the fuel from the tank, and refill with new gasoline. |
| 4 | Too low oil level causes the oil alarm system to operate. | Add engine oil. |
| 5 | No spark. | Remove and clean or replace worn or damaged spark plug. |
| 6 | Ignition system fault, wiring harness fault, valve clearance, etc. | Contact dealer |
| DECREASE OF OUTPUT POWER | ||
| 1 | Air filter element failure | Clean or replace filter element. |
| 2 | Ignition system fault, wiring harness fault, valve clearance, etc. | Contact dealers for handling. |
| NO OUTPUT OF CONTROL PANEL | ||
| 1 | AC indicator light is off, and overload indicator light is on. | Check AC load. Stop and restart the engine. |
| Check the inlet of cooling vent. Stop and restart the engine. | ||
| 2 | AC Over-load button trips out. | Remove load and reset AC button. Check appliance before replugging in. |
| 3 | Other engine faults. | Contact dealers for handling. |
SPECIFICATIONS
| Model No. | TG70013ie | |
| Generator | Type | Inverter |
| Rated frequency | 50Hz | |
| Rated voltage | 240V | |
| Maximum power MAX | 7000 WATTS | |
| Rated power COP | 6000 WATTS | |
| Power factor | 1.0 | |
| THD | 1. 5% | |
| Noise Level dB/LpA/LwA/K 4m (3/4 load) | 70/ 90 | |
| Overload Protection | Control by inverter overload protect program | |
| Engine | Engine | LC190FD-2 |
| Engine type | Single cylinder, 4-Stroke, forced air cooling, OHV | |
| Displacement | 420cc | |
| Fuel type | Unleaded Petrol | |
| Fuel capacity | 25 litres | |
| Continuous Running Time (at rated power) | 6.5 hours | |
| Oil Capacity | 1.45 litres | |
| Spark Model No. | NGK BPR7ES | |
| Starting mode | Recoil start/ Electric start/ APP start | |
| Generator | Length x Width x Height | 950x765x773 mm |
| Wheel – Solid | 2 x 250mm | |
| Net weight | 1301% | |
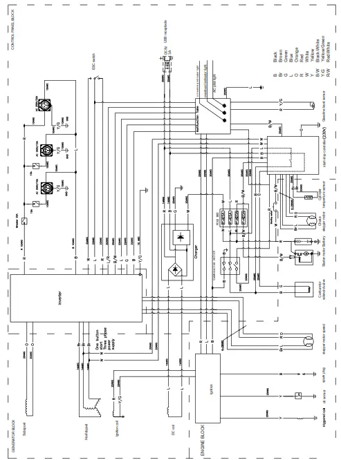
WIRING DIAGRAM
NOTE
a. Scan the QR code of the Bluetooth module on the digital display meter.
Rotate the lock 90° counter clockwise, and open left maintenance door.



















