iGen1500c
DIGITAL INVERTER GENERATOR
1000 RUNNING WATTS | 1500 PEAK WATTS
USER MANUAL
iGen1500c Inverter Generator
DO NOT RETURN THIS PRODUCT TO THE STORE
If you have questions or need assistance, please call customer service at 855-944-3571.
INTRODUCTION
WARNING Operating, servicing, and maintaining this equipment can expose you to chemicals including engine exhaust, carbon monoxide, phthalates, and lead, which are known to the State of California to cause cancer and birth defects or other reproductive harm. To minimize exposure, avoid breathing exhaust, and wear gloves or wash your hands frequently when servicing this equipment. For more information go to www.P65warnings.ca.gov.
DISCLAIMERS
All information, illustrations, and specifications in this manual were in effect at the time of publishing.
The illustrations used in this manual are intended as representative reference views only. We reserve the right to make any specification or design change without notice.
ALL RIGHTS RESERVED
All rights reserved. No reproduction allowed in any form without written permission from Westinghouse Outdoor Power Equipment.
DANGER
Read this manual before using or performing maintenance on this product. Failure to follow the instructions and safety precautions in this manual can result in serious injury or death.
UPDATES
The latest User Manual for your Westinghouse products can be found under our support tab.
wpowereq.com/pages/manuals
Or scan the following QR code with your smartphone camera to be directed to the link.
https://westinghouseoutdoorpower.com/pages/manuals
PRODUCT REGISTRATION
For trouble-free warranty coverage, it is important to register your Westinghouse product.
You can register by:
- Completing and mailing the product registration card included in the carton.
- Registering your product on-line at: wpowereq.com/pages/warranty-registration
- Scanning the above QR code with your smartphone camera to be directed to the mobile registration link.
https://westinghouseoutdoorpower.com/pages/warranty-registration
For Your Records
Date of Purchase:_____________________________
Model Number:_____________________________
Serial Number:_____________________________
Place of Purchase:_____________________________
- Sending the following product information to:
Westinghouse Outdoor Power
Warranty registration
777 Manor Park Drive
Columbus, OH 43228
IMPORTANT: Keep your purchase receipt for troublefree warranty coverage.
SPECIFICATIONS
AC Voltage……………………………………………………….. 120V
Power (Running)…………………………………………….. 1000W
Power (Peak) …………………………………………………. 1500W
Current………………………………………………………….. 2×2.1A
Frequency……………………………………………………….. 60 Hz
Phase ……………………………………………………………. Single
RPM ………………………………………………………………… 5000
Power Factor ………………………………………………………. 1.0
Insulation Class ……………………………………………………… F
Maximum Ambient Temperature ………………. 104°F (40°C)
Fuel Type ………………..Unleaded gasoline (87–93 Octane)
Fuel Capacity……………………………… 0.79 gallons (3 liters)
Oil Capacity ……………………………..0.29 quarts (0.27 liters)
Oil Type …………………………………………………SAE 10W-30
Spark Plug ……………………………………………. Torch A5RTC
Spark Plug Gap …………………………………0.024 – 0.032 in.
(0.60 – 0.80 mm)
Valve Intake Clearance ……………………0.0031 – 0.0047 in.
(0.08 – 0.12 mm)
Valve Exhaust Clearance ………………..0.0051 – 0.0067 in.
(0.13 – 0.17 mm)
AC Grounding System …………………………. Neutral floating
Do not use E15 or E85 fuel in this product.
NOTICE
This product is designed and rated for continuous operation at ambient temperatures betweem 23°F (-5°C) and 104°F (40°C). If needed, this product can be operated in extremely hot or extremely cold temperatures for short periods. If the product is exposed to extreme temperatures during storage, it should be brought back within the optimal temperature range before operation. This product must always be operated outdoors in a well-ventilated area and far away from doors, windows, and other vents.
Maximum wattage and current are subject to and limited by such factors as fuel BTU content, ambient temperature, altitude, engine conditions, etc.
Maximum power decreases about 3.5% for each 1,000 feet above sea level, and will also decrease about 1% for each 10°F (6°C) above 60°F (16°C) ambient temperature.
NOTICE
The effect of altitude on horsepower will be greater if no carburetor modification is made. A decrease in engine horsepower will decrease the power output of the generator. Contact our service team to order altitude kits.
NOTICE
Thank you for choosing Westinghouse! PLEASE READ BEFORE RETURNING THIS PRODUCT FOR ANY REASON.
If you have a question or experience a problem with your Westinghouse purchase, call us at 1-855-944-3571 to speak with an agent.
SAVE THIS MANUAL FOR FUTURE REFERENCE.
HAVE QUESTIONS?
Email us at [email protected] or call 1-855-944-3571
SAFETY
SAFETY DEFINITIONS
The words DANGER, WARNING, CAUTION, and NOTICE are used throughout this manual to highlight important information. Make sure that the meanings of this safety information is known to all who operate, perform maintenance on, or are near the generator.
This safety alert symbol appears with most safety statements. It means attention, become alert, your safety is involved! Please read and abide by the message that follows the safety alerts symbol.
DANGER Indicates a hazardous situation which, if not avoided, will result in death or serious injury.
WARNING Indicates a hazardous situation which, if not avoided, could result in death or serious injury.
CAUTION Indicates a hazardous situation which, if not avoided, could result in minor or moderate injury.
NOTICE Indicates a situation which can cause damage to the generator, personal property, and/or the environment, or cause the equipment to operate improperly.
NOTE: Indicates a procedure, practice or condition that should be followed for the generator to function in the manner intended.
SAFETY SYMBOLS
Follow all safety information contained in this user’s manual as well as the information on the product labeling.
| Symbol | Description |
| Safety Alert Symbol | |
| Fire Hazard | |
| Electrical Shock Hazard | |
| Burn Hazard. Do not touch hot surfaces. | |
| Asphyxiation Hazard | |
| Do Not Operate in Wet Conditions | |
| Read Manufacturer’s Instructions | |
| Maintain Safe Distance | |
| Ground. Consult with electrician to determine grounding requirements before operation. | |
| Carbon Monoxide |
IMPORTANT SAFETY INSTRUCTIONS
DANGER Generator exhaust contains high levels of carbon monoxide (CO), an invisible, odorless, and extremely poisonous gas. If you smell exhaust fumes, you are breathing carbon monoxide. But, even if you do not smell exhaust fumes you may be inhaling CO.
ONLY operate generators outside, in a wellventilated area. NEVER operate generators indoors, doing so CAN KILL YOU IN MINUTES.
- Correct Use- ONLY use generators outside and downwind, far away from windows, doors and vents. ALWAYS direct exhaust away from occupied spaces.
ALWAYS install battery-powered carbon monoxide detectors or plug-in carbon monoxide detectors with battery back-up in living areas. See Figure 1. - Incorrect Use- NEVER use a generator in your home, garage, basement, attic, crawl space or any other fully or partially enclosed area. Areas such as these can allow dangerous levels of carbon monoxide to accumulate. An open door or a running fan WILL NOT provide adequate ventilation.
See Figure 2.
If you start feeling dizzy, weak, or sick while using the generator, move to fresh air IMMEDIATELY.
Contact a doctor. You may be experiencing carbon monoxide poisoning.
DANGER Fire and electrocution hazard.
DO NOT connect to a building’s electrical system unless the generator and a transfer switch have been properly installed and the electrical output has been verified by a qualified electrician. The connection must isolate the generator power from utility power and must comply with all applicable laws and electrical codes. Failure to properly isolate the generator power could cause property damage and create a dangerous backfeed of electricity which could kill or seriously injure utility workers.
DANGER Electrocution hazard. NEVER use the generator in a location that is wet or damp. NEVER expose the generator to rain, snow, water spray, or standing water while in use. Protect the generator from all hazardous weather conditions.
Moisture or ice can cause a short circuit or other malfunction in the electrical circuit.
WARNING Familiarize yourself with all the instructions, safety warnings, illustrations, and specifications provided with this product. Failure to follow the manufacturer’s instructions may result in electric shock, fire, and/or carbon monoxide poisoning that can lead to death or serious injury.

A – Exhaust (CO)
B – Only use OUTSIDE and FAR AWAY from windows, doors, and vents
C – CO detectors in living areas

A – Exhaust (CO)
B – Living Area
C – Basement Crawlspace
D – Entryway/Porch/Mudroom
E – Garage
NOTICE Install battery-powered carbon monoxide detectors or plug-in carbon monoxide detectors with battery back-up in living areas.
- This product should ONLY be used outdoors.
- NEVER use a generator in your home, garage, basement, attic, crawl space or any other fully or partially enclosed area. Areas such as these can allow dangerous levels of carbon monoxide to accumulate. Carbon monoxide (CO), an invisible, odorless, and extremely poisonous gas CAN KILL YOU IN MINUTES.
- Only use OUTSIDE and far away from windows, doors, and vents as recommended by the US Department of Health and Human Services Centers for Disease Control and Prevention. Your specific home and/or wind conditions may require additional distance.
- The National Electrical Code requires the use of a transfer switch or other suitable transfer equipment whenever a portable generator is connected to a building’s electrical system. Transfer switches isolate generator power from utility power and prevent backfeeding of electric power into the utility system.
NOTE: A transfer switch must be installed by a qualified electrician in accordance with applicable electrical codes. Some jurisdictions may require the installation to be inspected by local authorities. Keep all relevant installation, inspection, and maintenance information.
- Never use the generator to power medical support equipment.
- Never expose the generator to rain, snow, water spray, or standing water while in use. Store and operate the unit in a dry or covered (but not enclosed) location.
- Do not let children or untrained individuals operate the generator.
- Keep children, bystanders, and pets a minimum of 10 ft. away from a running generator.
- Maintain Safe Distance. While operating and storing, keep at least five feet of clearance on all sides of the generator, including overhead. Turn the unit off and allow it to cool a minimum of 30 minutes before storage.
Heat created by the muffler and exhaust gases could be hot enough to cause serious burns and/or ignite combustible objects. - Do not operate the unit in areas where combustible or hazardous materials are stored including gasoline and natural gas filling stations.
- Do not operate the generator while barefoot, with wet hands or feet, while standing in water or in wet conditions.
- Do not use this unit when you are tired or under the influence of drugs, alcohol, or medication.
- Burn Hazard. Do not touch hot surfaces.
- Do not contact the muffler or engine. They are very HOT and will cause severe burns. Do not put body parts or any flammable or combustible materials in the direct path of the exhaust.
- Keep hands, fingers, feet, and other body parts away from all moving parts of the generator.
- Do not connect worn or damaged electrical cords to the generator. NEVER touch frayed or exposed wires.
- Do not operate the generator on an incline. The unit should always be placed on a flat stable surface.
- Check the physical condition of the product prior to each use. Look for loose bolts, fluid leaks, and other signs of wear. Replace all damaged items. For replacement parts or assistance, contact our customer service team.
- For optimal performance, use the generator in temperatures between 23°F (-5°C) and 104°F (40°C) with a maximum relative humidity of 90%.
- Before starting the generator, check all fluids (oil and gasoline).
- Do not remove the oil dipstick or fuel cap when the generator is running.
- Securely tighten the oil dipstick after adding oil and the fuel cap after adding gasoline.
- Avoid skin contact with engine oil or gasoline. Wear protective clothing and equipment. Wash all exposed skin with soap and water. Prolonged skin contact with gasoline or engine oil may cause severe skin irritation and other adverse reactions.
- Generator’s vibrate and bounce during normal operation. Check the generator and all of the cords connected to it for any damage that may have resulted from the vibration. Replace or repair damaged items as needed. Do not use the generator or any items that show signs of damage.
- All electrical tools and appliances operated from this generator must be properly grounded by use of a third wire or be double-insulated.
- Before transporting the generator, disconnect the spark plug boot, drain the fuel tank and properly restrain the unit.
- Fuel or oil may leak from the generator during transport.
Place a towel, plastic sheet, or absorbent pad beneath the unit to protect your vehicle. - To prolong the life of this product, follow the instructions in the Care and Maintenance section of this manual.
- Replace damaged or worn items with recommended or equivalent replacement parts. Using an incorrect or incompatible part might create a hazard that could result in serious personal injury.
- Always remove any tools or other service equipment used during maintenance away from the generator before operating.
GROUNDING
See Figure 3.
WARNING Shock hazard. Failure to properly ground the generator can result in electric shock.
NOTICE
Only use grounded 3-prong extension cords, tools, and appliances, or doubleinsulated tools and appliances.
The generator neutral is floating. The generator ground terminal is connected to the frame of the generator, the metal non-current-carrying parts of the generator, and the ground terminals of each receptacle. The generator (stator winding) is isolated from the frame and from the AC receptacle ground pin. Electrical devices that require a grounded receptacle pin connection may not function properly.
If this generator will be used only with cord and plug equipment connected to the receptacles mounted on the generator, National Electric Code does not require that the unit be grounded. However, other methods of using the generator may require grounding to reduce the risk of shock or electrocution.
Before using the ground terminal, consult a qualified electrician, electrical inspector, or local agency having jurisdiction for local codes or ordinances that apply to the intended use of the generator.
SAFETY PRECAUTIONS FOR GASOLINE AND GASOLINE VAPOR
DANGER Fire and explosion hazard.
Gasoline is highly explosive and flammable and can cause severe burns or death.
WARNING Fire and Burn Hazard. NEVER loosen or remove the fuel cap while the generator is running. Turn the unit off and allow it to cool for at least five minutes before adding gasoline. Loosen the fuel cap slowly.
WARNING In case of a gasoline fire, do not attempt to extinguish the flame if the engine/ fuel control switch is not in the OFF position.
Introducing an extinguisher to a generator with an open fuel switch could create an explosion hazard.
- Fire Hazard. Gasoline is highly flammable. Handle with care.
- Never use gasoline as a cleaning agent.
- Gasoline is a skin irritant and needs to be cleaned up immediately if it comes in contact with the skin.
- Do not store gasoline near furnaces, water heaters, or any other appliances that produce heat or have automatic ignitions.
- Keep gasoline away from sparks, open flames, pilot lights, heat, and other sources of ignition.
- Store any containers containing gasoline in a wellventilated area, away from any combustibles or source of ignition.
- ALWAYS store gasoline in a container approved for gasoline.
Unapproved containers can break or deteriorate allowing gasoline or gasoline vapors to escape which can create a serious hazard.

- Gasoline has a distinctive odor, this will help detect potential leaks quickly.
- Gas vapors can cause a fire if ignited.
- Do not smoke when handling fuel, adding fuel to the generator, or emptying the gas tank.
- Wear eye protection while refueling.
- Before adding fuel to the generator, turn the unit off and allow it to cool a minimum of five minutes. If necessary, move the unit to level ground.
- Do not remove the fuel tank cap when the generator is running.
- Loosen the fuel cap slowly to safely release pressure, keep gasoline from escaping around the cap, and to avoid the heat from the muffler igniting fuel vapors.
- NEVER fill the generator’s gasoline tank beyond the maximum fill ring on the fuel screen. Keeping gasoline levels at or below the fill ring will allow for fuel expansion.
Overfilling the fuel tank can result in a sudden overflow of gasoline and result in spilled gasoline coming in contact with HOT surfaces. - Spilled fuel can ignite. Wipe up spills immediately and allow area to dry before operating the generator.
NEVER attempt to burn off spilled fuel. - Securely tighten the fuel cap after adding gasoline.
- Do not cover the fuel cap while the generator is in operation. Covering the cap may cause the engine to fail or damage the product.
- Drain fuel before storing the unit. Store the unit and the fuel separately in well-ventilated areas away from sparks, open flames, pilot lights, heat, and other sources of ignition.
- Turn the unit off and allow it to cool a minimum of 30 minutes before draining fuel.
IMPORTANT INFORMATION FOR THE CO SENSOR
The CO Sensor monitors for the accumulation of poisonous carbon monoxide gas around the generator when the engine is running. If increasing levels of CO gas are detected, the CO Sensor automatically shuts down the engine.
The CO Sensor will also detect the accumulation of carbon monoxide from other fuel burning sources used in the area of operation. For example, if the exhaust of fuel burning tools is pointed at a CO Sensor-equipped generator, a shut-off may be initiated due to rising CO levels. This is not an error. Hazardous carbon monoxide has been detected. Move and redirect any additional fuel burning sources to dissipate carbon monoxide away from personnel and occupied buildings.
NOTE: Remote start-equipped generators must be restarted with the START/STOP button on the control panel after an automatic shut-down occurs.
Generators are intended to be used outdoors, far from occupied buildings and the exhaust pointed away from personnel and buildings. If misused and operated in a location that results in the accumulation of CO, like in a partially enclosed area, the CO Sensor shuts off the engine and the RED indicator light will flash notifiying the user that there are unsafe levels of carbon monoxide.
If the generator shuts off and the RED indicator light flashes, leave the area immediately. Wait for the carbon monoxide to dissipate and the RED indicator light to turn off before returning to the affected area. Once it is safe to return, read the Action Label for further steps to take. The CO Sensor DOES NOT replace carbon monoxide alarms. Install battery-powered carbon monoxide alarm(s) in your home.
WARNING Automatic shutoff accompanied with a flashing RED light in the CO Sensor portion of the control panel is an indication that the generator was improperly located which allowed carbon monoxide to accumulate to unsafe levels. If you start to feel sick, dizzy, weak, or carbon monoxide detectors in your home indicate an alarm, get to fresh air immediately. Call emergency services.
You may have carbon monoxide poisoning.
UNDERSTANDING THE CO SENSOR’S INDICATOR LIGHTS
See Figure 4.
| COLOR | DESCRIPTION |
![]() | Unsafe levels of carbon monoxide accumulated around the generator. After shut-off, the RED indicator light in the CO Sensor area of the control panel will flash to provide notification that the generator was shut-off due to carbon monoxide levels rising above a safe threshold. The RED light will flash for at least five minutes after a CO shut-off. When it is safe to do so, move the generator to an open, outdoor area far away from occupied spaces with exhaust pointed away. Once relocated to a safe area and the red light is off, the generator can be restarted. Introduce fresh air and ventilate the area where the generator had shut down. |
![]() | A CO sensor system fault occurred. When a system fault occurs, the generator is automatically shut down and the YELLOW indicator light in the CO auto-shutoff area of the control panel will flash to provide notification that a fault has occurred. The YELLOW light will flash for at least five minutes after a fault. The generator can be restarted but may continue to shutoff. A CO sensor fault can only be diagnosed and repaired by an authorized Westinghouse service center. |

SAFETY LABELS AND DECALS
The following information is on your generator’s labels and decals.
- California Proposition 65 Cancer and reproductive harm –www.P65Warnings.ca.gov/product
- Safety Symbols
(See page 4) - Specifications
(See page 3) - Action Label
If unsafe levels of carbon monoxide accumulate around the generator, automatic shutoff will occur. If the unit shuts off, leave the area immediately.
When it is safe to return, do the following:
• Move the generator to an open, outdoor area.
• Point exhaust away.
• Don’t run generator in enclosed areas (e.g. not in house or garage).
• Move to fresh air.
• Get medical help if sick, dizzy or weak.
• WARNING -Tampering with carbon monoxide sensor could result in hazardous condition. - Exhaust Direction
Point exhaust away from body parts and flammable or combustible materials. - Hot Surface
Do not touch. - Carbon Monoxide
• Using a generator indoors CAN KILL YOU IN MINUTES. Generator exhaust contains carbon monoxide. This is a poison you cannot see or smell.
• NEVER use inside a home or a garage, EVEN IF doors and windows are open.
DANGER
| Using a generator indoors CAN KILL YOU IN MINUTES. Generator exhaust contains carbon monoxide. This is a poison you cannot see or smell. | |
![]() | ![]() |
| NEVER use inside a home or garage, EVEN IF doors and windows are open. | Only use OUTSIDE and far away from windows, doors, and vents. |
ELECTRICAL
NOTICE Do not overload the generator’s capacity. Exceeding the generator’s wattage/ amperage capacity can damage the generator and/ or electrical devices connected to it. Review the Specifications for this generator and record the running (continuous) and peak (starting) watts. In general the higher the wattage, the more devices can be powered at the same time. The total power requirements of all connected devices must be considered. Power requirements are often listed on a device’s data label or nameplate.
To determine power requirements:
- Choose the devices you want to power simultaneously.
- Record and total the running (continuous) watts of each device. The generator must continuously produce this amount of wattage to keep the devices running.
- Record the peak (starting) watts for each device. This is the momentary surge of power required to start electric motors in some tools and appliances.
- Select the device with the highest peak (starting)wattage. Add the peak (starting) watts for that device to the total running (continuous) watts for all the connected devices to determine the total peak wattage requirement for the generator.
NOTE: Total peak wattage requirement assumes intermittent starting of devices. Adjust estimate if devices reach peak wattage at the same time.
MANAGING GENERATOR POWER
To extend the service life of the generator, use caution when adding electrical loads. Disconnect all loads before starting the generator. The safest way to manage generator power is to add loads sequentially by doing the following:
- Remove all loads and start the generator as described later in this manual.
- Connect and start the largest device or appliance.
Power requirements are often listed on a device’s data label or nameplate. - Allow the generator output to stabilize. Once stable, the engine should run smoothly and the device should function properly.
- Connect and start the next largest device or appliance.
- Allow the generator output to stabilize.
- Repeat this process for each additional load.
EXTENSION CORDS
WARNING Asphyxiation hazard.
Extension cords running directly into the home increase the risk of carbon monoxide poisoning through any openings. If an extension cord running directly into your home is used to power indoor items, there is a risk of carbon monoxide poisoning to people inside the home. Always use batterypowered carbon monoxide detector (s) that meet current UL 2034 safety standards when running the generator. Regularly check the detector (s) battery.
WARNING Asphyxiation hazard. When operating the generator with extension cords, make sure the generator is located in an open, outdoor area far away from occupied spaces with exhaust pointed away.
WARNING Fire and electrocution hazard. Never use worn or damaged extension cords.
Damaged or overloaded extension cords could overheat, arc, and burn resulting in death or serious injury.
Before connecting an AC appliance or power cord to the generator:
- Use grounded 3-prong extension cords, tools, and appliances, or double-insulated tools and appliances.
- Make sure the tool or appliance is in good working order. Faulty appliances or power cords can create a potential for electric shock.
- Make sure the electrical rating of the tool or appliance does not exceed the rated power of the generator or the receptacle being used.
NOTICE
Do not exceed the unit’s
capacity. Overloading the generator’s wattage and/ or amperage capacity could damage connected devices and critical generator components.
EXTENSION CORD SIZING
Make sure your extension cord can carry the required load. Cables that are too small may cause a voltage drop that can cause the cord to overheat or cause property damage. Refer to the cord manufacturer’s guidelines for the appropriate size and length.
COMPONENTS

| A – Output Ready LED B – Overload LED C – Low Oil LED D – Service Generator LED E – Automatic Shutoff LED F – Reset Button G – ECO Mode Switch | H – 120 Volt AC 20 Amp Receptacles I – 20 Amp Circuit Breaker J – Main Circuit Breaker (9 Amp) K – Parallel Operation Outlets L – USB Ports M – Ground Terminal N – Engine/Fuel Control Switch | O – Recoil Handle P – Vented Fuel Cap Q – Spark Plug Service Door R – Engine Service Cover S – Lock Knob T – Muffler/Spark Arrestor U – Accessory Tray |
UNDERSTANDING YOUR GENERATOR
See Figure 5.
To reduce the risk of injury and product failure, read and understand the information in this user’s manual as well as the information on the product labeling.
120 VOLT AC, 20 AMP RECEPTACLES
This unit has two single phase, 60 Hz receptacles capable of carrying a maximum of 20 amps.
ACCESSORY TRAY
The accessory tray is ideal for storing cell phones, tablets, and other devices while they charge. DO NOT stand near generator while your device charges. Always maintain a safe distance while the generator is in use.
CIRCUIT BREAKER (20 AMP)
The 20 amp circuit breaker protects devices and equipment connected to the 120V receptacle from electrical overload.
CO SENSOR INDICATOR LIGHTS
The CO Sensor monitors for the accumulation of poisonous carbon monoxide gas. If increasing levels of CO gas are detected, the CO Sensor automatically shuts down the engine.
ECO MODE SWITCH
Eco mode minimizes fuel consumption and noise by adjusting the engine RPM to the minimum required for the current load.
ENGINE/FUEL CONTROL SWITCH
Rotate the engine/fuel control switch to set the choke and start or stop the flow of fuel.
ENGINE SERVICE PANEL
Turn the lock knob to unlock and remove cover to service the oil, spark plug, and air filter.
FUEL TANK
The generator has a fuel tank with a capacity of 3 liters.
GROUND TERMINAL
The ground terminal is used to externally ground the generator.
LOW OIL LED
Indicates low oil level. When the oil level in the crankcase falls below the safe operating limit, the low oil level indicator will illuminate and the generator will automatically shut off the engine.
MAIN CIRCUIT BREAKER
The main circuit breaker protects the generator from overloads during parallel operation.
MUFFLER AND SPARK ARRESTOR
The spark arrestor prevents sparks from exiting the muffler. It must be removed for servicing.
NOTICE
The spark arrestor is a safety device that prevents sparks from exiting the muffler and creating a fire hazard. In certain locations a spark arrestor may be required by law. It is the operator’s responsibility to know and follow all local laws and regulations related to fire prevention requirements.
OIL DIPSTICK
Unscrew the oil dipstick to check oil levels and add oil when needed.
OUTPUT READY LED
Illuminates when the generator is operating normally.
Indicates the generator is producing electrical power at the receptacles.
OVERLOAD LED
Indicates that the generator is overloaded.
OVERLOAD RESET
The generator will automatically switch OFF all AC output to protect the generator if overloaded or if there is a short circuit in a connected appliance.
PARALLEL OPERATION OUTLETS
A parallel cord (not included) can be used to connect a compatible Westinghouse inverter generator for additional power output.
RECOIL HANDLE
Use the recoil handle (and the engine/fuel control switch) to start the generator.
SPARK PLUG SERVICE DOOR
Lift the spark plug service door to access the spark plug.
USB PORTS
Two-port 5V/2.1A USB outlet. Accepts Type A USB plugs.
VENTED FUEL CAP
The fuel cap has a vent that can be opened and closed.
The vent should be open when the engine is running and closed when the engine is off.
ASSEMBLY
REMOVING CARTON CONTENTS
WARNING This product does not require assembly. Do not attempt to operate this product if it is not completely assembled. Using an improperly assembled product can be hazardous and could result in serious personal injury.
- Remove and inspect the cartoon contents. Verify that all the items in the INCLUDED LIST are present and undamaged.
- Recycle or dispose of the packaging materials properly.
INCLUDED LIST
Generator, Engine Oil (SAE 10W 30), Funnel, Spark Plug Socket Wrench, Quick Start Guide, User Manual If any parts are missing, contact our service team at [email protected] or call 1-855-944-3571.
WARNING Do not alter or modify this product unless instructed to so in this manual or by the manufacturer. Do not use attachments or accessories that are not recommended for use with this product. Making unauthorized modifications and using incompatible accessories can damage the unit and may void your warranty.
OVERVIEW
This portable generator can provide power to a wide range of items including household appliances, job-site tools, camping equipment, tailgating essentials, and much more.
NOTICE
THIS GENERATOR HAS BEEN SHIPPED WITHOUT OIL. Do not attempt to crank or start engine before it has been properly serviced with recommended oil. Failure to add engine oil before starting will result in serious engine damage that is not covered under warranty.
OPERATION
DANGER Generator exhaust contains high levels of carbon monoxide (CO), an invisible, odorless, and extremely poisonous gas. If you smell exhaust fumes, you are breathing carbon monoxide. But, even if you do not smell exhaust fumes you may be inhaling CO.
ONLY operate generators outside, in a wellventilated area. NEVER operate generators indoors, doing so CAN KILL YOU IN MINUTES.
- Correct Use- ONLY use generators outside and downwind, far away from windows, doors and vents. ALWAYS direct exhaust away from occupied spaces. ALWAYS install battery-powered carbon monoxide detectors or plug-in carbon monoxide detectors with battery back-up in living areas. See Figure 1.
- Incorrect Use- NEVER use a generator in your home, garage, basement, attic, crawl space or any other fully or partially enclosed area. Areas such as these can allow dangerous levels of carbon monoxide to accumulate. An open door or a running fan WILL NOT provide adequate ventilation. See Figure 2.
If you start feeling dizzy, weak, or sick while using the generator, move to fresh air IMMEDIATELY. Contact a doctor. You may be experiencing carbon monoxide poisoning.
WARNING Do not alter or modify this product unless instructed to so in this manual or by the manufacturer. Do not use attachments or accessories that are not recommended for use with this product. Making unauthorized modifications and using incompatible accessories can damage the unit and may void your warranty.
NOTICE
In certain circumstances, the National Electric Code may require the generator to be grounded to an approved earth. Consult with a qualified electrician to determine grounding requirements before operation.
WARNING Avoid skin contact with engine oil or gasoline. Wear protective clothing and equipment. Wash all exposed skin with soap and water. Prolonged skin contact with gasoline or engine oil may cause severe skin irritation and other adverse reactions.
NOTICE
Check the physical condition of the product prior to each use. Look for loose bolts, fluid leaks, and other signs of wear. Replace all damaged items.
KNOW HOW TO SAFELY LOCATE AND OPERATE YOUR GENERATOR
DANGER Asphyxiation hazard. Place the generator in a well-ventilated area. DO NOT place the generator near vents or intakes where exhaust fumes could be drawn into occupied or confined spaces. Carefully consider wind and air currents when positioning the generator.
WARNING Electrocution hazard. Never use the generator in a location that is wet or damp. Never expose the generator to rain, snow, water spray, or standing water while in use. Protect the generator from all hazardous weather conditions. Moisture or ice can cause a short circuit or other malfunction in the electrical circuit. Using a generator or electrical appliance in wet conditions, such as rain or snow, or near a pool or sprinkler system, or when your hands are wet, could result in electrocution.
WARNING Fire hazard. Only operate the generator on a solid, level surface. Operating the generator on a surface with loose material such as sand or grass clippings can cause debris to be ingested by the generator that could block cooling vents or the air intake system. Allow the generator to cool for 30 minutes before transport or storage.
- Read and understand all safety information before starting the generator (see pages 4 – 9).
- NEVER use a generator in your home, garage, basement, attic, crawl space or any other fully or partially enclosed area. Areas such as these can allow dangerous levels of carbon monoxide to accumulate.
Carbon monoxide (CO), an invisible, odorless, and extremely poisonous gas CAN KILL YOU IN MINUTES. - DO NOT operate the generator in the back of a SUV, camper, trailer, truck bed (regular, flat, or otherwise), under stairs, next to walls or buildings, or in any other location that will not allow for adequate cooling of the generator and/or the muffler. Operating the generator in enclosed or partially enclosed areas will allow dangerous levels of CO to accumulate.
- DO NOT contain generators during operation.
- Only use OUTSIDE and far away from windows, doors, and vents as recommended by the US Department of Health and Human Services Centers for Disease Control and Prevention. Your specific home and/or wind conditions may require additional distance.
- Do not operate the generator on an incline. The unit should always be placed on a flat stable surface.
- The generator should be on a flat, level surface at all times (even while not in operation).
- The generator must have at least 5 ft. (1.5 m) of clearance from all combustible material.
KNOW THE REGULATIONS FOR THE USE OF PORTABLE GENERATORS
Consider where and how you intend to use your generator, and familiarize yourself with any local, state, or federal ordinances concerning your intended use. It may be necessary to contact a qualified electrician or local governing agency for a full list of requirements.
ADDING OIL/CHECKING OIL LEVEL
See Figures 6 – 7.
If your product has a separate engine manual, disregard the information in this section and follow the instructions in the engine manual.


NOTICE THIS GENERATOR HAS BEEN SHIPPED WITHOUT OIL. Do not attempt to crank or start engine before it has been properly serviced with recommended oil. Failure to add engine oil before starting will result in serious engine damage that is not covered under warranty.
NOTICE Use of 2-stroke/cycle oil or other unapproved oil types can cause severe engine damage that is not covered under warranty.
The included, recommended oil type for typical use is 10W-30 engine oil. If running the generator in extreme temperatures, refer to the following chart.
NOTE: Check the engine oil level before each use or every 8 hours of operation.
- Turn the generator off and allow the engine to cool for at least five minutes.
- Place the generator on a level surface in a wellventilated area.
- Turn the lock knob to the unlocked position.
- Remove the engine service cover.
- Clean the area around the oil dipstick.
For initial oil fill:
- Slowly unscrew and remove the oil dipstick.
- Using the funnel, slowly pour the supplied engine oil into the oil fill hole. Stop frequently to make sure you do not overfill.
NOTE: Your generator was functionally tested in the factory and may contain minimum residual oil. Additional oil is required to operate the unit. Do not overfill. - Replace and tighten the oil dipstick.
- Install the engine service cover and turn the lock knob to the locked position to secure.
To check oil level:
- Slowly unscrew and remove the oil dipstick.
- Clean the dipstick and re-seat it inside the oil fill hole.
Do not thread the dipstick. - Remove the dipstick and verify that the oil level is within safe operating range.
- If the oil level is low, add recommended engine oil incrementally and recheck until the level is within the safe operating range.
- Replace the oil dipstick and hand-tighten.
- Install the engine service cover and turn the lock knob to the locked position to secure.
GASOLINE REQUIREMENTS
NOTICE Do not use E15 or E85 fuel in this product. Engine or equipment damage caused by stale fuel or the use of unapproved fuels (such as E15 or E85 ethanol blends) is not covered by warranty. Only use unleaded gasoline containing up to 10% ethanol.
- ALWAYS use CLEAN, FRESH, unleaded gasoline (87–93 octane) in this unit. NEVER use OLD, STALE, or CONTAMINATED gasoline.
- Up to 10% ethanol (gasohol) is acceptable (where available; nonethanol fuel is recommended).

- DO NOT use E85 or E15.
- DO NOT use a gas oil mix.
- DO NOT modify the engine to run on alternate fuels.
USING FUEL STABILIZER
Adding a fuel stabilizer (not included) extends the usable life of fuel and helps prevent deposits from forming that can clog the fuel system. Follow the manufacturer’s instructions for use.
Always mix the correct amount of fuel stabilizer to gasoline in an approved gasoline container before fueling the generator. Run the generator for five minutes to allow the stabilizer to treat the entire fuel system.
ADDING GASOLINE
See Figure 8.


DANGER Fire and explosion hazard.
Never remove the fuel cap or refuel the generator while the engine is running. Do not smoke or create sparks while fueling. Always turn the engine off and allow the generator to cool for at least five minutes before refueling.
DANGER Fire and explosion hazard. Do not overfill fuel tank. Fill only to the red maximum fill ring on the fuel screen. Overfilling may cause fuel to spill onto engine causing a fire or explosion hazard.
WARNING Never use a gasoline container, gasoline tank, or any other fuel item that is broken, cut, torn or damaged.
NOTICE Only fill the tank from an approved gasoline container. Make sure the gasoline container is internally clean and in good condition to prevent fuel system contamination.
- Turn the generator off and allow the engine to cool for at least five minutes.
- Place the generator on a level surface in a wellventilated area.
DO NOT fuel indoors. - Clean area around fuel cap and remove the cap slowly.
- Slowly add the recommended fuel. Do not overfill.
NOTE: The gasoline level should NOT be higher than the red maximum fill ring on the fuel screen. - Install the fuel cap. Tighten securely.
- Clean up any spilled fuel.
- Move at least 30 ft. away from refueling area before restarting the engine.
NOTICE Fuel can damage paint and plastic. Use caution when filling the fuel tank. Damage caused by spilled fuel is not covered under warranty.
NOTICE Clean the fuel screen filter of debris before and after each fueling. Remove the fuel screen filter by slightly compressing it while removing it from the fuel tank.
HIGH ALTITUDE OPERATION
Engine power is reduced the higher you operate above sea level. Output will be reduced approximately 3.5% for every 1000 feet of increased altitude from sea level. High altitude adjustment is required for operation at altitudes over 5,000 ft. (1524 m). Operation without this adjustment will cause decreased performance, increased fuel consumption, and increased emissions.
NOTICE DO NOT operate the generator at altitudes below 2,000 ft. (762 m) with the high altitude kit installed. Engine damage may occur.
| High Altitude Carburetor Kit | Part# 202801 |
BREAK-IN PERIOD
For proper break-in, do not exceed 50% of the rated running watts during the first five hours of operation.
Use supplied oil until first recommend oil change. Do not use full synthetic oil during break in period. Full synthetic oil may prevent proper breaking and seating of the piston rings.
Vary the load occasionally to allow stator windings to heat and cool and help seat the piston rings.
BEFORE STARTING THE GENERATOR Verify that:
- The generator is placed in a safe, appropriate location.
- The generator is on a dry, flat, and level surface.
- Oil and fuel levels are within safe operating range.
- All loads are disconnected from the control panel receptacles.
- The ECO mode switch is in the OFF position.
DANGER Fire and explosion hazard. DO NOT move or tip the generator during operation.
STARTING THE GENERATOR
See Figures 10 – 11.

Place the generator in a safe, appropriate location.- Unplug all loads.
- Ensure the ECO mode switch is in the OFF position.
- Check oil and fuel levels. If needed, add fuel or oil as described earlier.
- Turn the vent knob on the fuel cap to the ON position.
- For cold starting, turn the engine/fuel control switch to the CHOKE
position.
NOTE: If you are re-starting the generator, turn engine/ fuel control switch to the RUN
position. - Firmly grasp and pull the recoil handle slowly until you feel increased resistance. At this point, pull the recoil handle rapidly away from the generator until the engine starts.
NOTE: Gently return the recoil handle into place after starting the unit. Do not let it snap back against the unit.
During initial starting, additional pulls may be required to prime the fuel pump. - After the engine starts turn the engine/fuel control switch to the RUN position.
- When the OUTPUT READY LED illuminates, you can safely connect loads to the control panel receptacles.
NOTE: Verify that all devices are turned off before connecting them to the generator.
NOTE: Make sure that the wattage requirements for all connected devices are in line with your generator’s capabilities. - Connect and start the largest device or appliance.
- Allow the generator output to stabilize. Once stable, the engine should run smoothly, and the device should function properly.
- Connect and start the next largest device or appliance.
- Allow the generator output to stabilize.
- Repeat this process for each additional load.
STOPPING THE GENERATOR
See Figures 10 – 11.
- Remove any connected loads from the control panel receptacles.
- Allow the generator to run at “no load” to reduce and stabilize engine and alternator temperatures.
- Turn the engine/fuel control switch to the OFF
position - Turn the vent knob on the fuel cap to the OFF position.
To stop the unit quickly in an emergency: - Turn the engine/fuel control switch to the OFF
position
LOW OIL INDICATOR
See Figure 12.
The LOW OIL LED on the control panel will illuminate when the unit is low or out of oil. The generator will not start when the indicator is lit. To resume normal operation, add engine oil as described earlier in this section. Do not attempt to crank or start engine before it has been properly serviced with recommended oil.
ECO MODE
See Figure 12.
NOTICE Always start the generator with the ECO mode switch in the OFF position. Allow the engine speed to stabilize and the OUTPUT READYLED to illuminate before putting the ECO mode switch in the ON position.
NOTICE Do not use ECO mode when in parallel operation with another Westinghouse inverter generator.
ECO mode minimizes fuel consumption and noise by adjusting the engine RPM to the minimum required for the current load.
Turn ECO mode ON when powering small appliances with continuous loads such as a computer or electric light.
Turn ECO mode OFF when powering large surge loads such as an air conditioner or electric pump.
To turn on ECO mode, verify that the OUTPUT READY LED is illuminated, then push the switch to the ON position. If no load is present, the generator RPM will drop to idle speed. The generator will detect loads as they are applied and increase engine RPM.
To run the generator at maximum power and RPM, push the ECO mode switch to the OFF position.
OVERLOAD RESET
See Figure 12.
Do not overload the generator. If the generator is approaching or has reached an overload condition, the OVERLOAD LED on the control panel will illuminate. If the generator is close to overloading, the OVERLOAD LED will blink. Turn off and remove one or more connected devices to decrease the load and resume normal operation. If the load is not reduced, the unit will reach an overload condition. To extend the service life of the generator, avoid running the unit near capacity.
If the generator is overloaded or if there is a short circuit in a connected device, the OVERLOAD LED will turn solid, and the unit will automatically disconnect from the load. The engine will continue to run, but there will not be any electrical output.
To restore electrical output after an overload:
- Remove any connected loads from the control panel receptacles.
- Push the RESET button on the control panel until the OVERLOAD LED goes OFF and the OUTPUT READY LED is illuminated.
- Reset the circuit breaker(s) if activated.
- Verify that the intended running and surge loads do not exceed the generator’s capacity.
- Reconnect electrical loads sequentially, allowing the generator to stabilize after each load is connected.

CIRCUIT BREAKERS
See Figure 13.
The 20 amp circuit breaker protects devices and equipment connected to the 120V receptacle from electrical overload. The main circuit breaker protects the generator from overloads during parallel operation.
If a circuit breaker activates, turn off the connected device, remove it from the port or outlet, and press the circuit breaker to reset.
USB PORTS
See Figure 13.
Use the USB ports and USB cables (not included) to charge USB-compatible devices such as phones, tablets, and speakers (up to 2.1 Amps).
NOTE: The USB ports are designed for charging only and do not have data transfer or communication capabilities.
PARALLEL OPERATION
See Figure 13.

WARNING Fire and electrocution hazard.
Never connect or disconnect the parallel cord leads when a generator is running.
CAUTION Correct connection of the left and right cables is very important when the generators are used with a transfer switch to supply power to a building. To avoid serious personal injury or damage to electrical devices, including the generators, do not try to power an electrical system in a building without using an approved transfer switch.
NOTICE Connecting to a generator that is not compatible can cause a low voltage output that can damage tools and appliances powered by the generator.
Parallel operation gives you the ability to link to a compatible Westinghouse Inverter Generator for combined running and peak power output.
A parallel cord or receptacle-mounted parallel cable is needed for parallel operation. Compatible cords are sold separately.
Refer to the user manual included with your parallel cord or receptacle-mounted parallel cable for installation and operation instructions.
TRANSPORTING
- Turn off the generator.
- Allow the generator to cool a minimum of 30 minutes before transporting.
- Replace all protective covers on the generator control panel.
- Only use the generator’s fixed handle to lift the unit or attach any load restraints such as ropes or tie-down straps. DO NOT attempt to lift or secure the generator by holding onto any of its other components.
- Keep the unit level during transport to minimize the possibility of fuel leakage or, if possible, drain the fuel or run the engine until the fuel tank is empty before transport.
CAUTION Fire hazard. DO NOT up-end the generator or place it on its side. Fuel or oil can leak and damage to the generator may occur.
CARE AND MAINTENANCE
WARNING Accidental start-up. Disconnect the spark plug boot (see figure 18) from the spark plug when performing maintenance on the generator.
WARNING Replace damaged or worn items with recommended or equivalent replacement parts. Using an incorrect or incompatible part might create a hazard that could result in serious personal injury.
WARNING Allow hot components to cool for 30 minutes before performing any maintenance procedure.
WARNING Avoid skin contact with engine oil or gasoline. Wear protective clothing and equipment. Wash all exposed skin with soap and water. Prolonged skin contact with gasoline or engine oil may cause severe skin irritation and other adverse reactions.
NOTICE Check the physical condition of the product prior to each use. Look for loose bolts, fluid leaks, and other signs of wear. Replace all damaged items. For replacement parts or assistance, contact our customer service team.
To prolong the life of this product, follow the care and maintenance instructions in this section. Contact customer service before servicing any recall or warranty parts.
CLEANING THE GENERATOR
Do not store or operate your generator in dirty, dusty, or corrosive environments. Do not allow foreign materials and debris to clog the vents on the unit.
NEVER clean the generator with a garden hose. Water can damage the generator’s fuel system and electrical components. If the unit needs to be cleaned, use a soft brush and damp cloth to clean the exterior and use low pressure air (no greater than 25 psi) to clean the vents.
Never use gasoline as a cleaning agent.
CLEANING/REPLACING THE AIR FILTER
See Figure 14.

Keep air filter clean. A dirty air filter can cause poor performance and decrease the service life of the product. NEVER operate the generator without an air filter in place.
- Turn the generator off and allow the engine to cool for 30 minutes.
- Turn the lock knob to the unlocked position.
- Remove the engine service cover.
- Gently depress the latch on the side of the air filter cover and remove the cover.
- Remove the air filter from the air cleaner housing and place it in a suitable cleaning container. Replace the air filter if damaged.
NOTE: The air filter may be covered in oil. Use an appropriate container. - Wash the air filter by submerging the filter in a solution of household detergent soap and warm water. Slowly squeeze the filter to thoroughly clean.
NOTICE DO NOT twist or tear the air filter during cleaning or drying. Only apply slow but firm squeezing action. - Rinse the air filter by submerging it in fresh water and applying a slow squeezing action. Allow the filter to dry thoroughly.
NOTICE Do not pollute. Follow the guidelines of the EPA or other governmental agencies for proper disposal of hazardous materials. Consult local authorities or reclamation facility. - Dip the air filter in clean engine oil then squeeze out all excess oil. The engine will smoke when started if too much oil is left in the filter.
- Install the air filter in the air cleaner housing and reinstall the air filter cover.
- Install the engine service cover and turn the lock knob to the locked position to secure.
CHANGING THE ENGINE OIL
See Figure 15.

For optimal performance, change the engine oil according to the figures specified in the maintenance schedule or the engine manual (if applicable). When using the generator under extreme, dirty, dusty conditions or in extremely hot weather, change the oil more frequently.
NOTE: Change the oil while the engine is warm but not hot. Warm engine oil drains more quickly and thoroughly than cool lubricant. Contact with hot lubricant will cause serious burns.
- Turn the generator off and allow the engine to cool for 30 minutes.
- Place the generator on a level surface in a wellventilated area.
- Turn the lock knob to the unlocked position.
- Remove the engine service cover.
- Clean the area around the oil dipstick.
- Slowly unscrew and remove the oil dipstick.
- Place an oil pan (or suitable container) under the oil fill/ drain hole.
- Tilt the generator to drain the oil.
- After the oil has drained completely, place the generator in an upright position.
- Refill the oil as described in the Operations section.
- Replace the oil dipstick and hand-tighten.
- Clean up any spilled oil.
- Install the engine service cover and turn the lock knob to the locked position to secure.
CLEANING/REPLACING THE SPARK PLUG
See Figure 16.

NOTICE ALWAYS use the Westinghouse OEM or compatible non-resistortype spark plug. Use of resistor-type spark plug can result in rough idling, misfire, or may prevent the engine from starting.
Make sure the spark is clean and properly gapped. To clean or replace your spark plug:
- Turn the generator off and allow the engine to cool for 30 minutes.
- Place the generator on a level surface in a wellventilated area.
- Lift the spark plug service door to gain access to the spark plug area.
- Remove the spark plug boot by firmly pulling the spark boot directly away from the engine.
- Clean the area around the spark plug.
- Remove the spark plug with the included spark plug socket wrench.
NOTICE Never apply any side load or move the spark plug laterally when removing the spark plug. - Inspect the spark plug. Replace if electrodes are pitted, burned, or the insulator is cracked. Only use a recommended replacement plug.
- Measure the spark plug electrode gap with a wire-type feeler gauge. If necessary, correct the gap by carefully bending the side electrode.
Spark plug gap: 0.024 – 0.032 in. (0.60 – 0.80 mm) - Carefully install the spark plug finger tight, then tighten as additional 3/8 to 1/2 turn with the spark plug wrench.
- Install the spark plug boot and close the spark plug service door.
CLEANING THE SPARK ARRESTOR
See Figure 17.
Check and clean the spark arrestor according to the figures specified in the maintenance schedule or the engine manual (if applicable). Failure to clean the spark arrestor will result in degraded engine performance.
- Turn the generator off and allow the engine to cool for 30 minutes.
- Place the generator on a level surface in a wellventilated area.
- Remove the two screws securing the spark arrestor bracket.
- Remove the bracket, screen, and spark arrestor from the generator.
- Gently clean the screen and spark arrestor using a wire brush.
- Reinstall the spark arrestor, screen, and bracket.
Tighten screws securely.
DRAINING THE FUEL TANK AND CARBURETOR FLOAT BOWL
See Figures 18 – 20.



WARNING ALWAYS store gasoline in a container approved for gasoline. Unapproved containers can break or deteriorate allowing gasoline or gasoline vapors to escape which can create a serious hazard.
Even properly stabilized fuel can leave residue and cause corrosion if left long term. If storing the generator for two to six months, drain the float bowl to prevent gum and varnish buildup in the carburetor. If storing the generator for longer than six months, drain the fuel tank to prevent fuel separation, deterioration, and deposits in the fuel system.
- Turn the generator off and allow the engine to cool for 30 minutes.
- Place the generator on a level surface in a wellventilated area.
To drain the float bowl:
- Turn the engine/fuel control switch to the GASOLINE
OFF position. - Remove the engine service cover.
- Locate the drain hose extending from the bottom of the carburetor float bowl.
- Place the bottom end of the hose outside the generator into an approved gasoline container to catch the drained fuel.
- Loosen the float bowl drain screw and allow the fuel to drain. Tighten the float bowl drain screw.
- Route the drain hose between the air cleaner housing and the engine service cover. Install the engine service cover.
To run the float bowl dry:
- Start the generator as described earlier.
- After the engine starts, turn the engine/fuel control switch to the GASOLINE OFF
position. - Allow the generator to run until the fuel in the carburetor is depleted and the engine stops.
- Turn the engine/fuel control switch to the OFF
position
To drain the fuel tank:
NOTICE
To prevent damage to the unit, drain the engine oil before emptying the fuel tank.
See Changing the engine oil for details.
- Turn the engine/fuel control switch to the OFF
position - Clean area around fuel cap and remove the cap slowly.
- Remove the fuel screen filter by slightly compressing it while removing it from the tank.
- Using a commercially available gasoline hand pump (not included), siphon the gasoline from the fuel tank into an approved gasoline container. DO NOT use an electric pump.
NOTE: The fuel tank can also be drained using the carburetor drain screw and drain hose as described earlier. Keep the engine/fuel control switch in the OFF
position to allow fuel to flow from the tank through the carburetor.
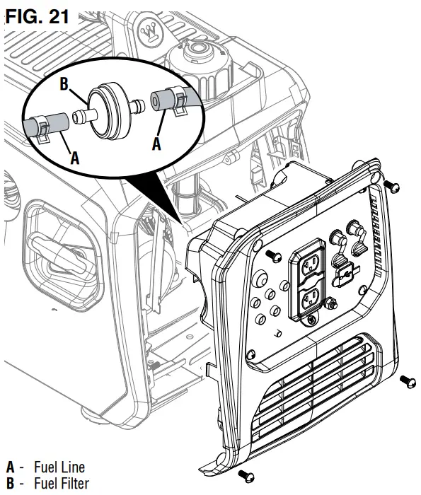
REPLACING THE FUEL FILTER
See Figure 21.
Overtime, the fuel filter may become dirty or clogged.
To reduce the risk of engine failure, replace the fuel filter according to the figures specified in the maintenance schedule or the engine manual (if applicable).
- Turn the generator off and allow the engine to cool for 30 minutes.
- Drain the fuel tank as described previously.
- Remove the screws securing the control panel.
- Remove the control panel.
- Locate the fuel filter and note the filter’s orientation.
- Using pliers, squeeze the fuel line clips and slide the fuel lines away from the filter.
- Install the fuel lines onto the new filter. Ensure the fuel filter is oriented correctly.
- Replace the control and tighten screws securely.
CHECKING/ADJUSTING THE VALVE CLEARANCE
See Figures 22 – 23.


NOTICE Checking and adjusting valve clearance must be done when the engine is cold.
- Turn the generator off and allow the engine to cool for 30 minutes.
- Place the generator on a level surface in a wellventilated area.
- Remove the rocker arm cover and carefully remove the gasket. If the gasket is torn or damaged, it must be replaced.
- Remove the spark plug so the engine can be rotated more easily.
- Pull the recoil handle to rotate the engine to top dead center (TDC). Looking through the spark plug hole; the piston should be at the top (both valves are closed).
- Both rocker arms should be loose at TDC on the compression stroke. If they are not, rotate the engine 360°.
- Insert a feeler gauge between the rocker arm and the valve stem to measure valve clearance.
| Intake Valve | Exhaust Valve | |
| Valve Clearance | 0.0031 – 0.0047 in (0.08 – 0.12 mm) | 0.0051 – 0.0067 in (0.13 – 0.17 mm) |
| Torque | 8-12 Nm | 8-12 Nm |
- If an adjustment is necessary, loosen the jam nut.
- Slide the appropriate feeler gauge between the rocker arm and the valve stem.
- Tighten the adjustment screw onto the push rod to obtain the specified clearance.
NOTE: You should be able to feel the rocker arm touch the feeler gauge. - Hold the adjustment screw in place and tighten the nut.
Torque: 106 inch-pound (12 Nm) - Recheck valve clearance.
- If no further adjustments are needed, perform this procedure on the other valve.
- When finished, install the gasket, rocker arm cover, and spark plug.
STORAGE
Turn the unit off and allow it to cool a minimum of 30 minutes before storage. Keep the unit upright. Do not store the generator on its side. Drain fuel before storing the unit. Store the unit and the fuel separately in well-ventilated areas away from sparks, open flames, pilot lights, heat, and other sources of ignition.
NOTICE
Gasoline stored for as little as 30 days can deteriorate, causing gum, varnish, and corrosive buildup in fuel lines, fuel passages, and the engine. This corrosive buildup restricts the flow of fuel, which can prevent the engine from starting after a prolonged storage period. The use of fuel stabilizer significantly increases the storage life of gasoline. Full-time use of fuel stabilizer is recommended. Follow the manufacturer’s instructions for use.
| STORAGE TIME | RECOMMENDED PROCEDURE |
| Less than 1 month | Replace all protective covers on the generator control panel. Clean the exterior of the generator and remove any debris from the muffler cooling vents. |
| 2 to 6 months | Replace all protective covers on the generator control panel. Clean the exterior of the generator and remove any debris from the muffler cooling vents. Drain the carburetor float bowl. (Store gasoline in an approved gasoline container or dispose of it according to state and local ordinances.) |
| 6 months or longer | Replace all protective covers on the generator control panel. Clean the exterior of the generator and remove any debris from the muffler cooling vents. Drain the carburetor float bowl and the fuel tank.(Store gasoline in an approved gasoline container or dispose of it according to state and local ordinances.) Put a tablespoon of engine oil into the spark plug cylinder. Gently pull the recoil handle to slowly turn the engine and distribute the lubricant. Reinstall the spark plug Change the engine oil. |
MAINTENANCE SCHEDULE
Regular maintenance will improve performance and extend the service life of the generator. Follow the hourly or calendar intervals, whichever occurs first. More frequent service is required when operating in adverse conditions as noted below.
NOTE: If your product has a separate engine manual, disregard the information in this chart and follow the instructions in the engine manual.
| Before Each Use | After First 25 Hours or First Month | After 50 Hours or Every Six Months | After 100 Hours or Every Six Months | After 300 Hours or Every Year | |
| Check Engine Oil | X | ||||
| Change Engine 0111 | X | X | |||
| Clean Air Filter2 | X | ||||
| Inspect/Clean Spark Arrestor | X | ||||
| Inspect/Clean Spark Plug | X | ||||
| Inspect/Adjust Valve Clearance3 | X | ||||
| Replace Spark Plug | X | ||||
| Replace Air Filter | X | ||||
| Replace Fuel Filter | X | ||||
| ‘Change oil every month when operating under heavy load or in high temperatures. 2 Clean more often under dirty or dusty conditions. Replace air filter if it cannot be adequately cleaned. 3 Recommend service to be performed by authorized Westinghouse service dealer. | |||||
TROUBLESHOOTING
| PROBLEM | POSSIBLE CAUSE | CORRECTION |
| Engine starts, then shuts down | Fuel level is low or depleted. | Refuel. |
| Incorrect engine oil level. | Check engine oil level. | |
| Dirty air filter. | Clean the air filter. | |
| Contaminated gasoline. | Drain the fuel tank. Refuel with fresh gasoline. | |
| Defective low oil level switch. | Contact Westinghouse customer service toll-free at 1 (855) 944-3571. | |
| Engine lacks power | Air filter restricted. | Clean or replace air fitter. |
| Stale gasoline, generator stored without treating or draining gasoline, or refueled with bad gasoline. | Drain the fuel tank. Refuel with fresh gasoline. | |
| Fuel system malfunction, ignition malfunction, valves stuck, etc. | Contact Westinghouse customer service toll-free at 1 (855) 944-3571. | |
| Engine will not start | Out of fuel. | Refuel. |
| Stale gasoline, generator stored without treating or draining gasoline, or refueled with bad gasoline. | Drain the gasoline tank. Refuel with fresh gasoline. | |
| Dirty air filter. | Clean the air filter. | |
| Low engine oil level stopped generator. | If LOW OIL LED illuminated, turn engine/ fuel control switch to the OFF | |
| Spark plug wet with fuel (flooded engine). | Wait five minutes. Turn engine/fuel control switch to the OFF | |
| Spark plug faulty, fouled, or improperly gapped. | Gap or replace the spark plug. Reinstall. | |
| Fuel system malfunction, ignition malfunction, valves stuck, etc. | Contact Westinghouse customer service toll-free at 1 (855) 944-3571. | |
| CO sensor removed or modified. | Return to original configuration. | |
| CO sensor activated or system fault occurred. | Relocate generator / Contact Westinghouse customer service toll-free at 1 (855) 944-3571. | |
| Engine runs rough or bogs when load applied | Dirty air finer. | Clean the air filter. |
| Generator overloaded. | Unplug some devices. | |
| Faulty power tool or appliance. | Replace or repair tool or appliance. Stop and restart the engine. | |
| Fuel system malfunction, ignition malfunction, valves stuck, etc. | Contact Westinghouse customer service toll-free at 1 (855) 944-3571. | |
| No power at AC receptacles | OUTPUT READY LED is OFF and OVERLOAD LED is ON. | Check AC load. Stop and restart engine. |
| Check the air inlet. Stop and restart the engine. | ||
| AC circuit breaker/s tripped. | Check AC loads and reset circuit breaker/s. | |
| Faulty power tool or appliance. | Replace or repair tool or appliance. Stop and restart the engine. | |
| Faulty generator. | Contact Westinghouse customer service toll-free at 1 (855) 944-3571. |
www.WestinghouseOutdoorPower.com
Service Hotline: (855) 944-3571
777 Manor Park Drive Columbus, OH 43228
and Westinghouse are trademarks of Westinghouse Electric Corporation.
Used under license by MWE Investments, LLC.
© 2022 MWE Investments, LLC All Rights Reserved.
122515 Rev02 08/22
iGen1500c Rev 01


If unsafe levels of carbon monoxide accumulate around the generator, automatic shutoff will occur. If the unit shuts off, leave the area immediately.



Place the generator in a safe, appropriate location.

















