BN PRODUCTS BNG4000i 3500 Watt-Rated Inverter Generator

The BNG4000iE is an enclosed-frame, gasoline-powered inverter generator. This model features a wireless remote starter key fob, as well as pull starting. This lightweight, quiet (64 dBA at 23′) unit produces a stable, maximum 4000W (3500W rated) output, and includes (1) GFCI-protected Duplex 120V / 20A outlet, (1) 3-prong twist-lock 30A outlet, and (1) 12V 8.3A receptible. Standard safety features such as Automatic Shut-off, Low Oil Indicator, and covered receptacles are included.
Inverter Generator Spare Parts List
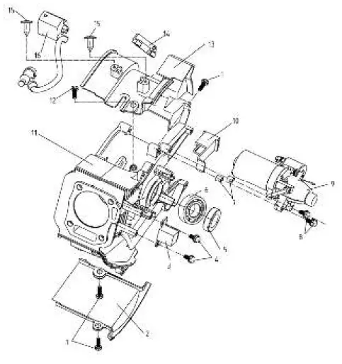
Engine Housing Parts
| Ref # | Part Number | Description | Qty | Figure 1 – Engine Housing![]() |
| 1 | 41102-G220020-H0200 | Engine bracket – left | 1 | |
| 2 | 91101-0820-00100 | Hexagonal flange bolt | 2 | |
| 3 | 41102-G220010-H0200 | Engine bracket – right | 1 | |
| 4 | H225iD | Engine | 1 | |
| 5 | 92101-0800-00100 | Hexagonal nut | 2 | |
| 6 | 23100-G220010-H0200 | Muffler housing | 1 | |
| 7 | 91101-0612-00100 | Hexagonal flange bolt | 2 | |
| 8 | 23011-G300010-00000 | Muffler rear cover | 1 | |
| 9 | 91206-4214-00500 | Cross recessed pan head self threading screw | 6 | |
| 10 | 23018-G220010-00000 | Muffler exhaust sleeve | 1 | |
| 11 | 25183-G220010-00000 | Baffle | 1 |
Frame Assembly Parts
| Ref # | Part Number | Description | Qty | Figure 2 – Frame Assembly Parts |
| 1 | 41402-G220040-C0100 | Wheel cap | 2 | |
| 2 | 92102-0800-00100 | Steel Hexagonal lock nut | 2 | |
| 3 | 93104-1225-00100 | Washer – Type C | 2 | |
| 4 | 44220-G220010-C0100 | Wheel assembly | 2 | |
| 5 | 91705-G290030-00000 | Hexagonal step bolt | 1 | |
| 6 | 44412-G220020-H0200 | Handle hose connecter | 1 | |
| 7 | 41110-G220020-00000 | Shock pad – left/front | 1 | |
| 8 | 41120-G220010-00000 | Shock pad – right/front | 1 | |
| 9 | 41110-G220010-00000 | Shock pad – left/rear | 1 | |
| 10 | 92201-0800-00100 | Hexagonal flange nut | 4 | |
| 11 | 41120-G220020-00000 | Shock pad – right/rear | 1 | |
| 12 | 41405-G220020-00000 | Rubber handle trip | 1 | |
| 13 | 41210-G220010-H0200 | Frame support assembly | 1 | |
| 14 | 44412-G220010-H0200 | Handle tube connector | 1 | |
| 15 | 91705-G290030-00000 | Hexagonal step bolt | 2 | |
| 16 | 91101-0612-00100 | Hexagonal flange bolt | 2 | |
| 17 | 91101-0620-00100 | Hexagonal flange bolt | 1 | |
| 18 | 36300-G220030-00000 | Inverter housing | 1 | |
| 19 | 91101-0632-00100 | Hexagonal flange bolt | 2 | |
| 20 | 44410-G220010-H0400 | Front handle assembly | 1 | |
| 21 | 41402-G220010-H0400 | Front bracket cover | 1 |
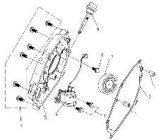
Lower Frame sub-assembly
| Ref # | Part Number | Description | Qty | Figure 3 – Lower Frame sub-assembly![]() |
| 1 | 92319-G290010-00000 | Nut | 1 | |
| 2 | 92318-G290020-00000 | Square nut | 1 | |
| 3 | 41410-G220010-H0400 | Base frame covering | 1 | |
| 4 | 41402-G220030-C0100 | Frame cover panel | 1 | |
| 5 | 41130-G220010-00000 | Base footing pad | 2 | |
| 6 | 91101-0612-00100 | Hexagonal flange bolt | 2 | |
| 7 | 92201-0800-00100 | Hexagonal flange nut | 2 | |
Fuel Tank Assembly Parts
| Ref # | Part Number | Description | Qty | Figure 4 – Fuel Tank Assembly![]() |
| 1 | 25110-G220010-H0400 | Fuel cap | 1 | |
| 2 | 25190-G220010-00000 | Fuel filter | 1 | |
| 3 | 25140-G220020-H0200 | Fuel tank | 1 | |
| 4 | 91101-0625-00100 | Hexagonal flange bolt | 4 | |
| 5 | 93120-G050010-00000 | Fuel tank gasket | 4 | |
| 6 | 25103-V020010-00000 | Bushing | 4 | |
| 7 | 25101-E010010-00000 | Shock washer | 4 | |
| 8 | 95206-G290020-00000 | Fuel line clamp | 1 | |
| 9 | 25130-G220010-000I0 | Fuel line pipe | 1 | |
| 10 | 25210-G220010-00000 | Fuel Leveler | 1 | |
Battery Mount Asembly Parts
| Ref # | Part Number | Description | Qty | Figure 5 -Battery Mount Assembly![]() |
| 1 | 35130-G220010-00000 | Positive terminal wire | 1 | |
| 2 | 92201-0400-00100 | Hexagonal flange nut | 2 | |
| 3 | 35110-G220010-00000 | Battery | 1 | |
| 4 | 91101-0410-00100 | Hexagonal bolt | 2 | |
| 5 | 35150-G220010-00000 | Battery bracket | 1 | |
| 6 | 35140-G220010-00000 | Negative terminal wire | 1 | |
| 7 | 91101-0614-00100 | Hexagonal flange bolt | 1 | |
Accessory Tools
| Ref # | Part Number | Description | Qty | Figure 6 – Accessory Tools![]() |
| 2 | 96101-E010010-00001 | Extension bar | 1 | |
| 3 | 96105-V050010-00001 | Hex nut driver | 1 | |
| 4 | 96201-E010010-00001 | Screwdriver | 1 | |
| 5 | 96402-E010040-H0400 | Tool bag | 1 | |
Inverter Generator Spare Parts List
Exterior Frame Parts
| Ref # | Part Number | Description | Qty | Ref # | Part Number | Description | Qty |
| 1 | 41405-G220030-00000 | Rubber sleeve | 2 | 18 | 41431-G220010-C0100 | Right cover | 1 |
| 2 | 91705-G290030-00000 | Hexagonal step bolt | 16 | 19 | 41403-G220010-C0100 | Maintenance cover | 1 |
| 3 | 26233-G220010-00000 | Oil inlet rubber sleeve | 1 | 20 | 41440-G290020-H0100 | Knob assy. | 1 |
| 4 | 25220-G290010-00000 | Oil window | 1 | 21 | 41450-G290010-H0400 | Stop piece assy. | 1 |
| 5 | 25221-G290010-00000 | Rubber pad,Oil window | 1 | 22 | 92102-0500-00200 | Steel Hexagonal lock nut | 1 |
| 6 | 41460-G220010-H0400 | Cover assy. | 1 | 23 | 91202-0416-00200 | Cross recessed pan head screw | 1 |
| 7 | 41405-G220010-00000 | Rubber sleeve | 2 | 24 | 41440-G220010-C0100 | Knob assembly | 1 |
| 8 | 23011-G220010-H0400 | Muffler tail cover | 1 | 25 | 91210-4216-00100 | Cross recessed countersunk head tapping screw | 3 |
| 9 | 41402-G220020-C0100 | Exterior frame shell – rear | 1 | 26 | 28123-E180010-00000 | Recoil handle | 1 |
| 10 | 41422-G290010-00000 | Fixing rubber sleeve | 9 | 27 | 91202-0510-00100 | Cross recessed pan head screw | 1 |
| 11 | 41420-G220010-H0400 | Left cover assy. | 1 | 28 | 41450-G290010-H0100 | Pull stop | 1 |
| 12 | 91705-G220010-00000 | Hexagonal step bolt | 9 | 29 | 41432-G300010-00000 | Handle shell | 1 |
| 13 | 41421-G220010-C0100 | Left outer cover | 1 | 30 | 25130-G220030-00000 | Fuel line | 2 |
| 14 | 92319-G290010-00000 | Nut | 12 | 31 | 36103-G220020-H0400 | Panel seat assy. | 1 |
| 15 | 95206-G290010-00000 | Clamp | 2 | 32 | 25132-V050020-00000 | Fuel line clamp | 4 |
| 16 | 31430-G220010-00000 | Start switch assy. | 1 | 33 | 36120-G220020-H02A0 | Control Panel Assembly | 1 |
| 17 | 41430-G220010-H0400 | Right cover assy. | 1 | 34 | 91202-0510-00100 | Cross recessed pan head screw | 6 |
![]() | |||||||
Control Panel Assembly
| Ref # | Part Number | Qty | Ref # | Part Number | Qty |
| 1 | Remote Control switch | 1 | 8 | GFCI 120V – 20A AC Duplex receptacle | 1 |
| 2 | ECO switch | 1 | 9 | AC Overload button | 1 |
| 3 | Low Oil indicator | 1 | 10 | Parallel connection terminals | 1 |
| 4 | Overload indicator | 1 | 11 | 12V 8.3A DC receptacle | 1 |
| 5 | AC indicator | 1 | 12 | DC Overload button | 1 |
| 6 | VFT Meter | 1 | 13 | 120V 3-prong twist lock receptacle | 1 |
| 7 | AC Reset | 1 | 14 | Ground Terminal | 1 |
| 15 | Remote start – key ring fob | 1 | |||
| Figure 8 – Control Panel Layout
| |||||
H225iD Engine Spare Parts List (BNG4000iE)
Cylinder Head
| Ref # | Part Number | Description | Qty | Figure 9 – Cylinder Head |
| 1 | 93307-1016-00000 | Dowel pin | 2 | |
| 2 | 11131-E030020-00000 | Cylinder Head Sealing Pad Combination | 1 | |
| 3 | 11140-E200020-00000 | Cylinder Head Combination | 1 | |
| 4 | 91707-E200010-00000 | Air Intake Double-headed Bolts | 2 | |
| 5 | 91708-E010010-00000 | Exhaust Double Headed Bolt | 2 | |
| 6 | 31110-E010010-00000 | Sparkplug | 1 | |
| 7 | 17301-E200010-00000 | Rocker Shaft Baffle | 1 | |
| 8 | 91718-E010010-00000 | Cylinder Head bolt | 4 | |
| 9 | 91101-0616-00100 | Flange bolt 6×16 | 2 | |
| 10 | 26235-E200010-00000 | Cylinder Head Cowl | 1 | |
| 11 | 91101-0510-00100 | Flange bolt | 2 | |
| 12 | 11431-E200010-00000 | Breath Cover Plate | 1 | |
| 13 | 11432-E200010-00000 | Air Groove Cover Plate Gasket | 1 | |
| 14 | 19211-E200010-00000 | Oil Filter | 1 | |
| 15 | 11410-E200010-00000 | Cover Comp Head | 1 | |
| 16 | 22004-E200010-00000 | Waste Trachea | 1 | |
| 17 | 91101-0620-00100 | Flange bolt 6×20 | 4 | |
Starter Motor & Crankcase
| Ref # | Part Number | Description | Qty | Figure 10 – Starter Motor & Crankcase |
| 1 | 91101-0610-00100 | Flange bolt 6×10 | 3 | |
| 2 | 26232-E200010-00000 | Air Deflector housing – bottom | 1 | |
| 3 | 31340-E180010-00000 | Trigger combination | 1 | |
| 4 | 91101-0612-00100 | Flange bolt 6×12 | 2 | |
| 5 | 90001-E010010-00000 | Oil seal | 1 | |
| 6 | 94100-6205-P5301 | Radial ball bearing | 1 | |
| 7 | 93307-0810-00000 | Dowel pin | 2 | |
| 8 | 91101-0625-00100 | Flange bolt 6×25 | 2 | |
| 9 | 31500-E060010-00000 | Starter motor | 1 | |
| 10 | 13006-E200010-00000 | Motor outlet baffle | 1 | |
| 11 | 13310-E200010-00000 | Crankshaft body housing | 1 | |
| 12 | 91101-0610-00100 | Flange bolt 6×10 | 1 | |
| 13 | 26231-E200010-00000 | Air Deflector housing – top | 1 | |
| 14 | 13008-E140010-00000 | Installation bracket For ignition control | 1 | |
| 15 | 91206-4813-00100 | Tapping screw | 2 | |
| 16 | 31300-E200010-00000 | Firewire Ring parts | 1 | |
Crankcase Cover
| Ref # | Part Number | Description | Qty | Figure 11 – Crankcase Cover |
| 1 | 93307-0814-00000 | Dowel pin | 2 | |
| 2 | 13001-E200010-00000 | Crankcase gasket | 1 | |
| 3 | 91101-0616-0010 | Flange bolt 6×16 | 2 | |
| 4 | 31080-E200010-00000 | Oil sensor | 1 | |
| 5 | 13410-E200010-00000 | Crankcase cover | 1 | |
| 6 | 91101-0832-00100 | Flange bolt 8×32 | 6 | |
| 7 | 94100-6205-P5301 | Radial ball bearing | 1 | |
| 8 | 91101-0610-0010 | Flange bolt 6×10 | 1 | |
| 9 | 19010-E200010-C0100 | Oil measuring stick/cap | 1 | |
Crankshaft, Piston & Connecting Rod
| Ref # | Part Number | Description | Qty | Figure 12 – Crankshaft, Piston & Connecting Rod |
| 1 | 91710-E010010 | Connecting Rod Bolt | 2 | |
| 2 | 15012-E010010-00000 | Connecting Rod Cap | 1 | |
| 3 | 15011-E010010-00000 | Connecting Rod | 1 | |
| 4 | 15010-E010010-00000 | Connecting Rod Assembly | 1 | |
| 5 | 15122-E010010-00000 | Piston Pin Clip | 2 | |
| 6 | 15100-E140020-00010 | Piston | 1 | |
| 7 | 15121-E010010-00000 | Wrist Pin | 1 | |
| 8 | 15201-E140010 | Top Ring | 1 | |
| 9 | 15202-E140010 | Compression Ring | 1 | |
| 10 | 15210-E140010 | Oil Ring Assembly | 1 | |
| 11 | 15100-E140020-000I0 | Piston Ring | 1 | |
| 12 | 15313-E200010 | Timing Gear | 1 | |
| 13 | 15311-E200010-00000 | Crankshaft | 1 | |
| 14 | 93404-E010010-00000 | Key | 1 | |
| 15 | 15310-E200010-00000 | Crankshaft Parts Assembly | 1 | |
Valve & Camshaft Assembly
| Ref # | Part Number | Description | Qty | Figure 13 – Valve & Camshaft Assembly |
| 1 | 17211-E140010-00000 | Camshaft Assembly | 1 | |
| 2 | 17021-E020010-00000 | Valve Lifter (Tappet) | 2 | |
| 3 | 11122-E200010-00000 | Exhaust Valve | 1 | |
| 4 | 11121-E200010-00000 | Valve Intake | 1 | |
| 5 | 11145-E200010 | Intake Valve Guide | 1 | |
| 6 | 11146-E200010 | Exhaust Duct | 1 | |
| 7 | 17010-E200010-00000 | Push Rod | 2 | |
| 8 | 11102-E010010-00000 | Valve Spring | 2 | |
| 9 | 11106-E200010-00000 | Valve Seat | 2 | |
| 10 | 11108-E200010-00000 | Valve Key | 4 | |
| 11 | 17341-E200010-00000 | Rocker Arm Shaft | 2 | |
| 12 | 17310-E200010-00000 | Rocker Arm Assembly | 2 | |
Pull Start Assembly
| Ref # | Part Number | Description | Qty | Figure 14 – Pull Start Assembly |
| 1 | 91101-0614-00100 | Flange bolt 6×14 | 4 | |
| 2 | 28100-E200010-D0300 | Manual start pull plate assembly | 1 | |
| 3 | 91101-0616-00100 | Flange bolt 6×16 | 4 | |
| 4 | 28001-E200010-00000 | Starter cup | 1 | |
| 5 | 26201-E200010-00000 | Vane wheel | 1 | |
| 6 | 92403-E010010-00000 | Flywheel nut | 1 | |
| 7 | 33330-G160010-00000 | Rotor | 1 | |
| 8 | 91718-E180010-00000 | Cylinder head bolt | 3 | |
| 9 | 33310-G300010-00000 | Stator | 1 | |
Muffler Assembly
| Ref # | Part Number | Description | Qty | Figure 15 – Muffler Assembly![]() |
| 1 | 26001-E200010-00000 | Muffler shield – front | 1 | |
| 2 | 23001-E010020-00000 | Exhaust sealing pad | 1 | |
| 3 | 91101-0612-00100 | Flange bolt 6×12 | 2 | |
| 4 | 92101-0800-00100 | Hex nut | 2 | |
| 5 | 23100-G300010-00000 | Muffler assembly | 1 | |
| 6 | 26002-E200010-00000 | Muffler shield – rear | 1 | |
| 7 | 91206-3513-00100 | Muffler bolt | 1 | |
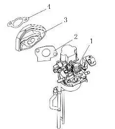
Carburetor
| Ref # | Part Number | Description | Qty | Figure 16 – Carburetor |
| 1 | 25300-E200010-00010 | Carburetor | 1 | |
| 2 | 22007-E010010-00000 | Carburetor Insulator Sealing Pad | 1 | |
| 3 | 22006-E200010-00000 | Carburetor Spacer | 1 | |
| 4 | 22002-E010010-00000 | Air Intake Sealing Pad | 1 | |
Air Cleaner
| Ref # | Part Number | Description | Qty | Figure 17 – Air Cleaner |
| 1 | 22100-E200010-H0100 | Air cleaner | 1 | |
| 2 | 92201-0600-00100 | Hex nut | 2 | |
| 3 | 22001-E010030-00000 | Air filter gasket | 1 | |
Electrical Wiring Diagram (BNG4000iE)
Figure 18 – Electrical Wiring Diagram
BNG4000iE Specifications
Figure 19 – Specification Table
| Item | BNG4000iE | |
| Gasoline Engine HT225iD | Engine Type | Single Head, Air Cooled, 4-stroke OHV 25° |
| Displacement (cc) | 223 | |
| Ignition | CDI | |
| Starting Type | Electric (Remote) | |
| Recoil Start | ||
| Fuel Tank Capacity | 3.17 Gallons | |
| Engine Oil | SAE 30 (0.55 Quarts) | |
| Generator Specifications | Rated frequency (Hz) | 60Hz |
| Phase | Single | |
| Rated AC power | 120V – 20A | |
| Rated DC power | 12V – 8.3A | |
| Rated output power | 3500W (3.5kW) | |
| Maximum output power | 4000W (4.0kW) | |
| Noise Level (50% Load) | 64dBA @ 23″ | |
| Unit Weight | 84.9 lbs (38.5 kg) | |
| Unit Dimensions | 23.5″ x 17.3″ x 20.3″ (595 x 440 x 515 mm) |





































