Danfoss RET2001M Room and Programmable Room Thermostats

Product Information
The RET2001M & TP5001M are electronic controls designed for continuous use in controlling central heating. They have an operating voltage of volt-free and a switch rating of 3A (1) at 250 Vac. The thermostats have an IP30 (installed) rating, load compensation, and on/off control. The product complies with the following EU Directives: Electromagnetic Compatibility 2014/30/EU, Low Voltage 2014/35/EU, Restriction of the use of certain Hazardous Substances 2011/65/EU and amendment (EU) 2015/863. The dimensions of the product are H86 x W86 x D30.
Product Usage Instructions
Before installation, download the user guide from heating.danfoss.com. Installation must be done by an authorized electrician. Follow the below steps for installation:
- The room thermostat should be installed at approximately 1.5m above the floor and where the effects of sunlight, draught or other heat sources (e.g. TVs) are avoided.
- Loosen the lower retaining screw and carefully remove the backplate.
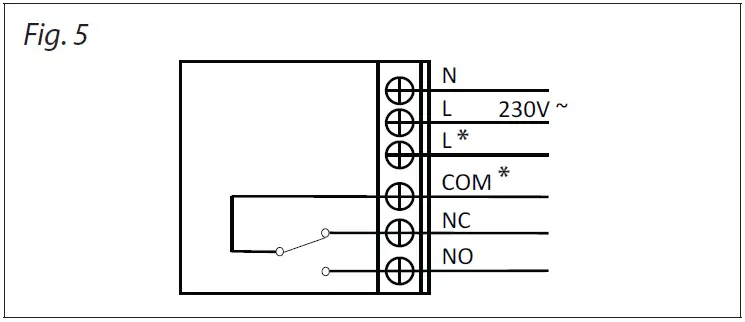
- Mount the backplate directly onto the wall or on a wall box and wire it according to application. Refer to Figs 3 & 5 for wiring diagrams.
- Locate hooks at the top of the front part into the top of the backplate and lower into position and tighten the retaining screw.
The product has an accuracy of +/- 1 minute per month with a built-in timer. The product displays error codes E1, EE, Lo, Hi, and E6. Class IV, efficiency gain 2% is the product’s ErP class. Refer to Fig. 4 for dimensions and Fig. 5 for wiring diagrams.
Installation Steps
User Guide can be downloaded from: heating.danfoss.com.
- Installation must be done by an authorized electrician.
- The room thermostat should be installed at approx. 1.5 m above floor and where the effects of sunlight, draught, or other heat sources (eg. TVs) are avoided, see fig. 1.

- First, loosen the lower retaining screw and carefully remove the back plate, see fig. 2.

- Mount the back plate direct to the wall or on the wall box and wire according to application, see figs 3 & 5 according to application.

- Locate hooks at the top of the front part into the top of the back plate and lower into position and tighten the retaining screw.
Dimensions and Wiring
See fig. 4 for dimensions and fig. 5 for the wiring diagram.


Note:
- Both live(L) terminals are internally linked and available for ease of cable termination only.
- If replacing a 230-volt room stat, a link between the live (L) and a common(COM) terminal is required.
Error codes
| Display | Description |
| E1 | Sensor Failure |
| EE | EEPROM Failure |
| Lo | Measured temperature below 0 °C |
| Hi | Measure temperature above 50 °C |
| E6 | Real-Time Clock Failure(TP5001M Only) |
Technical Specifications
| Specifications | RET2001M / TP5001M |
| Operating | Product is designed for continuous use |
| Operating Voltage | 230 Vac ± 10 % 50/60 Hz |
| Output | Volt free |
| Setting temperature range | 5 °C to 35 °C |
| Operating temperature range | 0 °C to 40 °C |
| Switch rating | 3 A (1) at 250 Vac |
| Switch type | 1x SPDT Type 1B |
| Terminals | 1 to 2 .5 mm2 wires |
| IP rating | IP30 (installed) |
| Load compensation control | Yes |
| On/off control | Yes |
| ErP class | Class IV, efficiency gain 2 % |
| Construction | EN60730-2-9 |
| Control pollution situation | Degree 2 |
| Rated impulse voltage | 4 kV |
| Ball pressure test | 75 °C |
| Dimensions | H86 x W86 x D30 |
| Software classification | A |
| Running and setting accuracy (for thermostats with build in timer) | Setting resolution 1 minute . Accuracy +/- 1 minute per month. |
This product complies with the following EU Directives:
Electromagnetic Compatibility
2014/30/EU Low Voltage 2014/35/EU
Restriction of the use of certain Hazardous Substances
2011/65/EU and amendment (EU) 2015/863
This product is an electronic control for control of central heating.
Contact Information
Danfoss A/S
6430 Nordborg, Denmark
Danfoss Ltd.
22 Wycombe End, HP9 1NB, GB.
Danfoss A/S
Heating Segment
heating.danfoss.com
+45 7488 2222
E-mail: [email protected].























