Schneider Electric Drayton 2290M Digistat Programmable Room Thermostat

Before Installation
If you do not have the knowledge to install the thermostat safely then you must arrange for a competent electrician to install it for you. Wiring must conform to the current IEE regulations.
Prior to commencing the installation you must ensure the mains supply is switched off.
- Remove the front cover by releasing the 2 screws at the bottom. Mounting holes and electrical connections are found underneath the hinged black cover (Fig 1).

- Fix back plate directly onto the wall using suitable wall plugs and screws or mount over existing wall box (Fig 2).

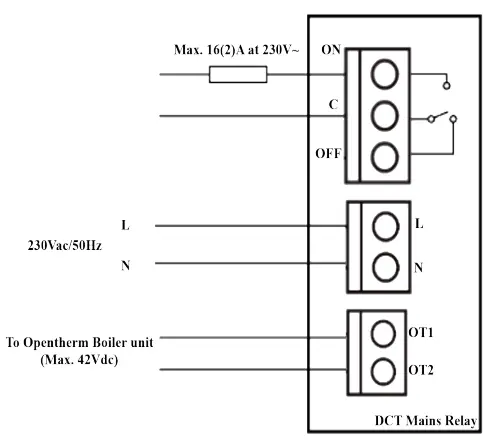
- a. Complete the wiring according to the connections shown in Fig 3.

b. If your boiler supports OpenTherm please follow these instructions:
Remove the OpenTherm cables from the existing controller or thermostat. Connect the cables to the OpenTherm terminals OT1 and OT2 on the Digistat. Polarity is not important.Wire L and N from a separate supply with a 3A fuse.
Note that when connected to an OpenTherm boiler, Installer Options 06 Valve Protection and 08 Application Type are not available. The following options will appear in the Installer Options list:10 Upper CH water set point 30-80°C Default 70°C 11 Lower CH water set point 10-25°C Default 10°C 12 Set DHW temp 45-70°C Default 60°C - Close the black hinged terminal cover and replace the front cover by locating the two latches at the top then fasten the 2 screws at the bottom (Fig 4).

- The Digistat is now installed and will automatically start to control the room temperature.
INSTALLER OPTIONS
To make changes to the default Installer Options shown below, enter the Installer Options menu by pressing the settings button for 3 seconds. This allows access to the User Menu 01, the Advanced User Settings Menu 02, the Installer Settings 03, and Service Interval Settings 04. Use the + and – buttons to scroll to Installer Options and press O to select. You can exit the menu by pressing until you have returned to the home screen. In the Installer Options menu (Fig 8), scroll through the options using the + and – buttons and press O to select. Scroll through the different settings using the + and – buttons and press O to select and save. (Fig 9 shows Option 02 OFF).

(Option 01) Partial Sight Assistant
When enabled, audible tones indicate when the setpoint is more than, less than or equal to the current room temperature when a user manually adjusts the setpoint using the + button: Setpoint > room temperature – single high tone per 0.5°C increase
Setpoint = room temperature – double tone
Setpoint < room temperature – single low tone per 0.5°C decrease
(Option 02) Frost Protection
The Digistat will switch on the heating if the temperature falls to 5°C and maintains a temperature of 7°C even when in OFF mode.
(Option 03) Minimum Setpoint Limit
Change minimum setpoint temperature. After any changes to setpoint limits, all setpoints in AUTO, MANUAL, BOOST and HOLIDAY modes will be modified to conform accordingly.
(Option 04) Maximum Setpoint Limit
Change maximum setpoint temperature. After any changes to setpoint limits, all setpoints in AUTO, MANUAL, BOOST and HOLIDAY modes will be modified to conform accordingly.
(Option 05) Optimum Start
When enabled, this uses current ambient temperature, the next scheduled setpoint and heat gain data captured by the device to adjust the thermostat setpoint early, so the ambient temperature is at the required level when the next event starts.
Delayed Start
When enabled, this uses current ambient temperature, current event setpoint and heating characteristics of the environment to delay implementation of the setpoint if the ambient temperature is already close to it, therefore saving energy.
(Option 06) Valve Protection Time
In some hydronic heating systems it may be required to protect the valve by operating it for a given time. When enabled, this maintenance feature ensures that each relay output is operated for at least one (1) minute each week.
(Option 07) Sensor Fault Function
In the event of a sensor fault, central heating output is reduced to 30% by turning heating ON for 3 minutes, then OFF for 7 minutes.
(Option 08) Application Type
Select the central heating system energy type.
(Option 09) System Capability
Select the flow capability of the heating system.
(Option 13) Installer Settings Lock
When enabled, you can lock the installer settings until a 3 digit code is entered. If the code is forgotten while device is locked, please call the Technical Helpline.
(Option 20) Reset (Service Interval settings are NOT reset) Reset the Digistat to its original factory settings.
Service Interval Options continued on reverse.
(Si Option 01) Si Status
Enable or disable Service Interval Mode.
(Si Option 02) Si Type
Select effect imposed on the heating when service is due.
(Si Option 03) Service Due Date
Set date when next service is due.
(Si Option 04) Warning
Select no. of days before service due date.
(Si Option 05) Service Due Alarm
Enable or disable the audible service due alarm.
(Si Option 06) Si Boost
Enable or disable the Service Boost feature (5 boosts).
(Si Option 07) Password Reset
Change the 4 digit PIN. If you forget your Si password, please call the Technical Helpline.
Technical Data

The Drayton Digistat thermostat is a universal thermostat with 24 hour, 5-2day or 7day program types and up to 8 time/temperature events per day and can also be used as a simple room thermostat.
Clock Setting
Your Digistat is fitted with a “real-time clock”, which is pre-set at the factory; you will not have to alter the time settings. A special feature of this real-time clock is it will automatically change over during the GMT/BST summer/winter change-over, removing the need to manually alter the clock at these times.
General Operation
Programmable thermostats do not have “On” and “Off” times like traditional timers. They offer temperature control both day and night and you simply select which temperatures you require at each point in the day.
With the unit in “Auto Mode” (the calendar icon is visible at the bottom of the screen) the temperature can be changed for a short time by using the + and – buttons. Changing the temperature in this way will keep the Digistat set to your new temperature until the next pre-programmed event (at which time it will revert to programmed temperature). The temperature you are setting will flash on the screen. Once temperature is set, the unit will revert to showing the room temperature again. The indicator will show on the screen if the unit is calling for heat.
Programming the Digistat
Your Digistat comes with the following settings
pre-programmed for your convenience and is suitable for those working out of the house during a typical 9-5 pattern. When the 5-2day program type is selected the pre-set temperatures will be different Mon-Fri and Sat-Sun, as per the tables below:
Pre-set Program 1 (24h, 5-2day weekdays, or 7day):

Pre-set Program 1 (5-2day weekend):
| Event | 1 | 2 | 3 | 4 | (5)* | (6) | (7) | (8) |
| Time Temperature | 07:00 20°C | 09:00 18°C | 16:00 21°C | 23:00 OFF |
To add these additional time periods manually (max. 8 per day) please refer to the steps to the right.The Bluetooth® word mark and logos are registered trademarks owned by Bluetooth SIG, Inc. and any use of such marks by Schneider Electric is under license. Other trademarks and trade names are those of their respective owners.
What is a programmable room thermostat?
…an explanation for householders
A programmable room thermostat is both a programmer and a room thermostat. A programmer allows you to set ‘On’ and
‘Off ’ time periods to suit your own lifestyle. A room thermostat works by sensing the air temperature, switching on the heating when the air temperature falls below the thermostat setting, and switching it off once this set temperature has been reached.
So, a programmable room thermostat lets you choose what times you want the heating to be on, and what temperature it should reach while it is on. It will allow you to select different temperatures in your home at different times of the day (and days of the week) to meet your particular needs.
Turning a programmable room thermostat to a higher setting will not make the room heat up any faster. How quickly the room heats up depends on the design of the heating system, for example, the size of boiler and radiators.
Neither does the setting affect how quickly the room cools down. Turning a programmable room thermostat to a lower setting will result in the room being controlled at a lower temperature, and saves energy.
The way to set and use your programmable room thermostat is to find the lowest temperature settings that you are comfortable with at the different times you have chosen, and then leave
it alone to do its job. The best way to do this is to set low temperatures first, say 18C, and then turn them up by one degree each day until you are comfortable with the temperatures. You won’t have to adjust the thermostat further. Any adjustments above these settings will waste energy and cost you more money.
If your heating system is a boiler with radiators, there will usually be only one programmable room thermostat to control the whole house. But you can have different temperatures in individual rooms by installing thermostatic radiator valves
(TRVs) on individual radiators. If you don’t have TRVs, you should choose a temperature that is reasonable for the whole house. If you do have TRVs, you can choose a slightly higher setting to make sure that even the coldest room is comfortable, then prevent any overheating in other rooms by adjusting the TRVs. The time on the programmer must be correct. Some types have to be adjusted in spring and autumn at the changes between Greenwich Mean Time and British Summer Time. You may be able to temporarily adjust the heating programme, for example, ‘Override’, ‘Advance’ or ‘Boost’. These are explained in the manufacturer’s instructions. Programmable room thermostats need a free flow of air to sense the temperature, so they must not be covered by curtains or blocked by furniture. Nearby electric fires, televisions, wall or table lamps may prevent the thermostat from working properly.
Setting up Times/Temperatures on the Digistat
- With the product operating as normal in Auto Mode, press once. Use + and – to select the day or set of days you want to adjust the times and temperatures for. Press
to confirm.
- The time on the display will now be flashing as shown, use + and – to adjust the first period start time. Press
to confirm.
- Once the time has been set the temperature on the display will now be flashing, use + and – to adjust the temperature for the first time period. Press
to confirm.
- Move to the next time and temperature periods and adjust as needed, confirming the changes by pressing
The new schedule will be saved pressing O when the word SAvE is flashing.
- In Pre-set Program 1 you will have 4 time periods available, to add more (max. 8 per day) press + when you see the SAVE option on-screen and time period 5 at the bottom of the screen, to scroll to the Add option. Press
to add time period then adjust time and temperature as required.
- To exit press to go back until you return to the home screen.

All done
You have completed the quick start and the unit is now set correctly to follow your required timings. For further user information surrounding the thermostat and the app control please use the website where you can download full user instructions.
SCAN
Hereby, Schneider Electric Controls UK Ltd, declares that Digistat 2290M is in compliance with Directive 2014/53/EU. The declaration of conformity may be consulted at www.draytoncontrols.co.uk
401 Southway Drive Plymouth PL6 6QT United Kingdom
Schneider Electric Industries SAS 35 rue Joseph Monier F-92500 Rueil-Malmaison France































