TORO 04069 Battery Replacement Kit

Safety
Safety and Instructional Decals
Safety decals and instructions are easily visible to the operator and are located near any area of potential danger. Replace any decal that is damaged or missing.

- Warning—read the Operator’s Manual.
- Explosion hazard—do not open the battery; do not use a damaged battery.
- Warning—keep at temperatures below 65° C (149° F).
- Warning—read the Operator’s Manual for battery charging information.

Warning—read the Operator’s Manual before performing maintenance

Warning—do not discard.
Battery Decal
The battery manufacturer provides the following language that corresponds to decal 137-9712:

- Do not expose the battery to temperatures above 65°C (149°F).
- Do not disassemble or mistreat the battery. Do not crush.
- Do not drop or subject it to impact.
- Use only OEM-approved chargers.
- Failure to follow those instructions may present risk of explosion, fire or high temperatures.
- See the owner’s manual for additional safety instructions.
Installation
Loose Parts
Use the chart below to verify that all parts have been shipped.
| Procedure | Description | Qty. | Use |
| 1 | No parts required | – | Prepare the machine. |
| 2 | No parts required | – | Remove the existing battery. |
| Battery pack | 1 | ||
| Bolt (1/4 x 4-1/2 inches) | 4 | ||
| 3 | Washer (1/4 inch) Nut (1/4 inch) | 4 4 | Install the battery to the battery platform. |
| Lock washer (M8) | 2 | ||
| Hex nut (M8) | 2 | ||
| Battery, platform, and wire harness assembly | 1 | ||
| 4 | Bolt (5/16 x 1 inch) Spacer (5/16 inch) Nut (5/16 inch) | 2 1 4 | Install the battery platform and wire harness. |
| Bolt (5/16 x 2-1/4 inches) | 2 | ||
| Hardened washer (5/16 inch) | 2 | ||
| 5 | No parts required | – | Complete the installation. |
Preparing the Machine
No Parts Required
Procedure
- Park the machine on a level surface.
- Engage the parking brake.
- Shut off the machine.
- Disconnect the battery; refer to your Operator’s Manual.
Removing the Existing Battery
Procedure
Note: You may discard all removed parts unless otherwise noted.
- Remove the 4 bolts that secure the console cover and remove it (Figure 2).
Note: Retain the bolts for later installation.
- Console cover bolts
- Console cover
- Cut the cable ties that secure the existing battery wire harness to the machine, disconnect all battery wire harness connections, and remove the wire harness.
Important: Record the existing wire harness routing, cable tie, and connection locations; use this as a reference for routing and connecting the new battery wire harness.
Note: The only remaining harness on the machine should be the short harness extending from the top of the electric motor.
Note: You may have to raise the battery platform to disconnect the harness beneath the battery. - Remove the tall nut that secures the rear of the battery platform to the machine frame (Figure 3).

- Tall nut
- Remove the 2 bolts and nuts that secure the battery platform to the front of the machine and remove the platform and battery (Figure 4).

- Battery platform bolt
- Battery platform nut
- Battery platform
- Machine frame
- Remove the 2 nuts, washers, and bolts securing the power center bracket to the rear of the machine and remove it (Figure 5).

- Power center bracket
- Nut
- Washer
- Bolt
- Remove the battery and the battery platform from the machine (Figure 6).
- Remove the bolts and washers securing the battery to the platform; dispose of or recycle the battery in accordance with local, state, and federal regulations (Figure 6).

- Battery pack
- Battery platform
- Bolt and washer
Installing the Battery to the Battery Platform
Parts needed for this procedure:
- 1 Battery pack
- 4 Bolt (1/4 x 4-1/2 inches)
- 4 Washer (1/4 inch)
- 4 Nut (1/4 inch)
- 2 Lock washer (M8)
- 2 Hex nut (M8)
Procedure
WARNING The battery pack is shipped with a slight charge and is capable of shocking you.
- Do not touch or allow tools to touch both the positive and negative terminals of the battery at the same time.
- Use insulated tools when installing the battery.
- Remove the new battery pack from its carton.
Important: Save the carton and all packing material; if you ever need to ship the battery for maintenance, warranty, or recycling, this special packaging is required. - Loosen the 8 screws securing the battery cover and remove it (Figure 7).

Note: You do not need to completely remove the screws to remove the cover.- . Battery cover screws
- Place the battery in the battery platform and install the hardware as shown in Figure 8.

- Bolt (1/4 x 4-1/2 inches)
- Washer (1/4 inch)
- Positive terminal of battery pack
- Nut
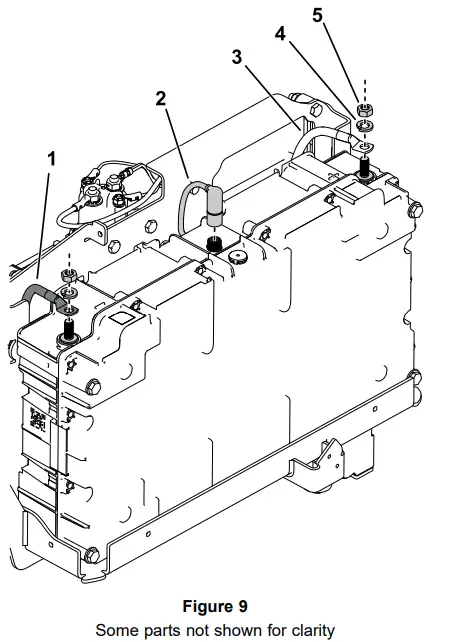
- Connect the controller cable to the connector at the top of the battery (Figure 9).
- Connect the positive (red) cable to the positive (+) battery terminal and secure it with a lock washer and a hex nut as shown in Figure 9; torque the hex nut to 9 N⋅m (6.6 ft-lb).

- Negative (black) battery cable
- Controller cable
- Positive (red) battery cable
- Lock washer (M8)
- Hex nut (M8)
- Connect the negative (black) cable to the negative (-) battery terminal and secure it with a lock washer and a hex nut as shown in Figure 9; torque the hex nut to 9 N⋅m (6.6 ft-lb).
Installing the Battery Platform and Wire Harness Assembly
Parts needed for this procedure:.
- 1 Battery, platform, and wire harness assembly
- 2 Bolt (5/16 x 1 inch)
- 1 Spacer (5/16 inch)
- 4 Nut (5/16 inch)
- 2 Bolt (5/16 x 2-1/4 inches)
- 2 Hardened washer (5/16 inch)
Procedure
- Align the front of the new battery platform onto the frame and install the hardware as shown in Figure 10.

- Bolt (5/16 x 1 inch)
- Insert the spacer between the platform arm and frame mount
- Nut (5/16 inch)
- Install the bolt through the platform arm and frame mount.
- Install the rear platform assembly mount to the frame as shown in Figure 11.

- Nut (5/16 inch)
- Hardened washer (5/16 inch)
- Bolt (5/16 x 2-1/4 inches)
- Route the wire harness up the left side of the handle to the underside of the control console.
Note: Route the wire harness away from any sharp, hot, or moving parts; secure it with cable ties as needed. - Connect all of the wire harness connections as they were connected on the previous wire harness, except for the T-handle power connector.
Note: Some wire harness connections may not be used depending on the attachments installed on your machine. Refer to the labels on the wire harness and your previously recorded references from 2 Removing the Existing Battery (page 3). - Secure the wire harness with cable ties and the cable clips as needed.
- Install the battery cover and secure it with the screws loosened in step 2 of 3 Installing the Battery to the Battery Platform (page 4).
Completing the Installation
Procedure
- Connect the T-handle connector to the main power supply connector (Figure 12).

- T-handle connector
- Main power supply connector on the battery platform
- Use Toro DIAG to update the software to the latest available; refer to your Toro DIAG Operator’s Manual.
Important: When prompted by Toro DIAG for model and serial number, do not use the model and serial number information from the machine frame, use the information from the decal located on the battery platform (Figure 13).
- Battery model number and serial number location.
- Turn the key to the RUN position to start the machine and test the operation; if there are any issues check the wire harness connections.
Important: The LED display should turn on and there should be no error messages or flashing lights.
Note: You do not need to turn and hold the key in the START position, turning the key to RUN turns the machine on. - Install the console cover using the 4 screws removed previously.
- Charge the machine; refer to your charger Operator’s Manual.
Important: Ensure that you use the new, correct charger per the charger Operator’s Manual; do not use the old charger with the new battery.
Note: The battery is shipped with a partial charge (approximately 30%); this is enough charge for you to perform software installation, function checks on machine, and move it as needed to complete setup.
Battery Limited Warranty
The rechargeable Lithium-Ion battery is warranted to be free from defects in materials and workmanship for a period of 5 years or 1570 Kilowatt Hours (kWh) of use, whichever occurs first. Over time, battery consumption reduces the amount of energy capacity (Watt-hours) available per full charge. Energy consumption varies due to operating characteristics, accessories, turf, terrain, adjustments, and temperature.
The warranty program includes two warranty coverage levels:
Warranty coverage—Tier 1: Full warranty coverage applies to the first 2 years (730 days) from product purchase invoice date or 820 kWh of battery output, whichever occurs first. If a warrantable failure occurs during tier 1, Toro will replace the battery with a new battery at no charge to you. This includes diagnostics, labor, parts, and transportation. The replacement battery retains the remainder of the original battery warranty.
Warranty Coverage—Tiers 2 to 5: During the remaining 3 years or 1570 kWh, whichever occurs first, a prorated “Part Only” warranty applies. This coverage excludes diagnostics, labor, and transportation. Warranty coverage is based on the table below using days in service and kWh, whichever is greater, to determine the correct tier. If a warrantable failure occurs during tiers 2 to 5, the prorated warranty allows replacement of a defective battery with a new battery where the customer pays only for the portion of battery energy consumed. A new replacement battery purchased with a customer contribution receives full tier 1 warranty coverage.
Tier selection examples:
- A battery fails at 1400 days and 1150 kWh. Days in service = tier 5 because 1400 days is less than 1460 days. kWh = tier 3 because 1150 kWh is less than 1200 kWh. Select tier 5 because 5 is greater than 3 (whichever is greater).
- A battery fails at 900 days and 1300 kWh. Days in service = tier 2 because 900 days is less than 910 days. kWh = tier 4 because 1300 kWh is less than 1390 kWh. Select tier 4 because 4 is greater than 2 (whichever is greater).
Your Toro Distributor establishes the retail cost of the battery and this cost includes the current battery cost, freight, tax, duty, and handling.
| Tier | Years | Days | Total kWh Consumed | Customer Pay % Retail |
| 1 | ≤2 | 0-730 | 0-820 | Full Coverage |
| 2 | ≤2.5 | 731-910 | 821-1010 | 16% |
| 3 | ≤3 | 911-1095 | 1011-1200 | 28% |
| 4 | ≤3.5 | 1096-1275 | 1201-1390 | 36% |
| 5 | ≤4 | 1276-1460 | 1391-1570 | 44% |
































