SDC Power Regulator PR-1000 Instruction Manual
The SDC PR-1000 Power Regulator reduces the power consumption of the bolt locks after activation of the lock. This allows for a heat reduction to the bolt lock. A dimension of 3.75″ x 1.25″ x .50″ is required when mounted in frame.
The SDC PR1000 works specifically with the following locks:
FS23M, 1091A/ADL, 1291A, 1190A, 1490A, 2490A, 110, 210, 160, 260, 180 and 280 Bolt Locks only
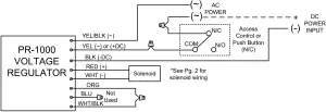
Refer to your specific model’s installation instructions for wiring details.
PR1000 Input Voltage:
12/24 VDC/AC (+/-10%) NOTE: 1190A will operate at 24VDC only. DC voltage is recommended for optimal performance
Fail-safe less Auto Relock Switch (ARS)
Applicable Model: 110

Fail-safe (with ARS)
Applicable Model(s): 160, FS23M, 1091A/ADL, 1190A, 1490, 180

Fail-secure less ARS
Applicable Model: 210

Fail-secure (with ARS)
Applicable Model(s): 260, 1291A, 2490, 280

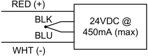
24VDC SOLENOID CONFIGURATION (All models, except 1190A)

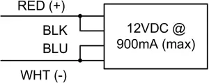
12VDC SOLENOID CONFIGURATION (All models, except 1190A)

24VDC ONLY SOLENOID (Model 1190A only)

Support
SECURITY DOOR CONTROLS
Tel:
800.413.8783
805.494.0622
E-mail: [email protected]
801 Avenida Acaso, Camarillo, CA 93012
PO Box 3670, Camarillo, CA 93011




















